Сообщения без ответов | Активные темы
| Автор |
Сообщение |
|
Lifeyar
|
Добавлено: Вт июн 26, 2012 7:39 am |
|
 |
| На доске почета |
 |
Зарегистрирован: Чт сен 09, 2010 6:21 pm Сообщения: 1329 Откуда: Ярославль Репутация: 75 [ ? ]
Машина: Honda CR-V RD1
Год выпуска: 2000
Двигатель: B20Z2
|
Medved писал(а): чет старею, без лупы уже не работается. У меня давно уже так! 
|
|
| Вернуться к началу |
|
 |
|
Vilf
|
Добавлено: Вт июн 26, 2012 8:39 am |
|
 |
| Его именем пора назвать улицу |
 |
Зарегистрирован: Ср ноя 10, 2010 11:51 am Сообщения: 1877 Откуда: Казань - 16rus Репутация: 40 [ ? ]
Машина: Toyota carina E , Town Ace '90
Год выпуска: 1996
Двигатель: 7A-FE LB
|
|
Medved понравился эффект с помощью диммера. Где взять диммер ? или как собрать ?
_________________ Виль
|
|
| Вернуться к началу |
|
 |
|
Medved
|
Добавлено: Вт июн 26, 2012 2:40 pm |
|
 |
| Заслуженный |
 |
Зарегистрирован: Пт апр 30, 2010 12:41 am Сообщения: 983 Откуда: Украина.Днепр Репутация: 65 [ ? ]
Машина: Carina E
Год выпуска: 1993
Двигатель: 4A-FE,LB
|
wAnTed писал(а): а поближе можно фото? так сказать в режиме "макро"  Неа, девайс уже уехал радовать владельца но для справки ширина платы 10мм, длинна 240мм на плате 24диода 5050(3х критальных). Корпус выковырян из рамки для номерных знаков с подсветкой. Skif1980 писал(а): Medved Дык такие вещи нужно в печечке запиливать! Но печечка эта дорогая, цука! А если не секрет что за чудо печка такая дорогая. Vilf писал(а): Medved понравился эффект с помощью диммера. Где взять диммер ? или как собрать ? Использована найденая на просторах тырнета схема "вежливого света" для салона модифицированная для работы в двух режимах - 100% яркость в режиме день и 70% яркость в режиме габарит.
|
|
| Вернуться к началу |
|
 |
|
Vilf
|
Добавлено: Вт июн 26, 2012 2:57 pm |
|
 |
| Его именем пора назвать улицу |
 |
Зарегистрирован: Ср ноя 10, 2010 11:51 am Сообщения: 1877 Откуда: Казань - 16rus Репутация: 40 [ ? ]
Машина: Toyota carina E , Town Ace '90
Год выпуска: 1996
Двигатель: 7A-FE LB
|
|
а для чего в режиме день использовать подсветку приборки ?
Добавлено спустя 49 секунд: Medved Скинь пожалуйста эту схемку?
_________________ Виль
|
|
| Вернуться к началу |
|
 |
|
Vilf
|
Добавлено: Вт июн 26, 2012 4:21 pm |
|
 |
| Его именем пора назвать улицу |
 |
Зарегистрирован: Ср ноя 10, 2010 11:51 am Сообщения: 1877 Откуда: Казань - 16rus Репутация: 40 [ ? ]
Машина: Toyota carina E , Town Ace '90
Год выпуска: 1996
Двигатель: 7A-FE LB
|
Medved писал(а): Medved писал(а): схема "вежливого света" для салона модифицированная для работы в двух режимах - 100% яркость в режиме день и 70% яркость в режиме габарит. а режим приглушения света выполнил с помощью нагрузочных резисторов ? цепь коммутируется релюшкой ?
_________________ Виль
Последний раз редактировалось Vilf Вт июн 26, 2012 4:27 pm, всего редактировалось 1 раз.
|
|
| Вернуться к началу |
|
 |
|
Skif1980
|
Добавлено: Вт июн 26, 2012 4:22 pm |
|
 |
| Герой былин народных |
 |
Зарегистрирован: Вс сен 14, 2008 2:02 am Сообщения: 3591 Откуда: Мурманск Репутация: 67 [ ? ]
Машина: Карина Е. Японосборка
Год выпуска: 1996
Двигатель: 4a-сток
|
Medved писал(а): А если не секрет что за чудо печка такая дорогая. Конвенционная печь для пайки smd компонентов.. Найдешь дешевую, рубля за два хотя бы, звони!
_________________ drive2.ru, Мне 35
|
|
| Вернуться к началу |
|
 |
|
Vilf
|
Добавлено: Вт июн 26, 2012 4:25 pm |
|
 |
| Его именем пора назвать улицу |
 |
Зарегистрирован: Ср ноя 10, 2010 11:51 am Сообщения: 1877 Откуда: Казань - 16rus Репутация: 40 [ ? ]
Машина: Toyota carina E , Town Ace '90
Год выпуска: 1996
Двигатель: 7A-FE LB
|
|
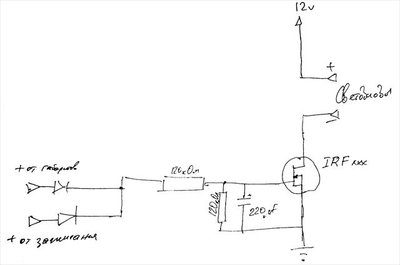
IRF9540 на схеме- это спаренный полевой транзистор , что ли ? или хитрая микросхема (операционный усилитель) ? Где берут такую? есть ли отечественные аналоги ?
_________________ Виль
|
|
| Вернуться к началу |
|
 |
|
Mouflon
|
Добавлено: Вт июн 26, 2012 4:36 pm |
|
 |
| Человек-легенда |
 |
Зарегистрирован: Ср фев 13, 2008 2:13 pm Сообщения: 7062 Откуда: Мытищи Репутация: 150 [ ? ]
Машина: Mitsubishi Outlander XL
Год выпуска: 2008
|
|
Полевик.
_________________ Mitsubishi Outlander XL'2008 6B31 "Кролик" Любителям считать деньги в чужих карманах не хватает времени залатать дыры в своих.
|
|
| Вернуться к началу |
|
 |
|
Vilf
|
Добавлено: Вт июн 26, 2012 4:41 pm |
|
 |
| Его именем пора назвать улицу |
 |
Зарегистрирован: Ср ноя 10, 2010 11:51 am Сообщения: 1877 Откуда: Казань - 16rus Репутация: 40 [ ? ]
Машина: Toyota carina E , Town Ace '90
Год выпуска: 1996
Двигатель: 7A-FE LB
|
|
Mouflon наших нема ?
Добавлено спустя 1 минуту 50 секунд: нашел: отечественный аналог - КП785А
_________________ Виль
|
|
| Вернуться к началу |
|
 |
|
Mouflon
|
Добавлено: Вт июн 26, 2012 4:44 pm |
|
 |
| Человек-легенда |
 |
Зарегистрирован: Ср фев 13, 2008 2:13 pm Сообщения: 7062 Откуда: Мытищи Репутация: 150 [ ? ]
Машина: Mitsubishi Outlander XL
Год выпуска: 2008
|
Vilf писал(а): Mouflon наших нема ?
Добавлено спустя 1 минуту 50 секунд: нашел: отечественный аналог - КП785А Госпидя, ты где его откопал?
_________________ Mitsubishi Outlander XL'2008 6B31 "Кролик" Любителям считать деньги в чужих карманах не хватает времени залатать дыры в своих.
|
|
| Вернуться к началу |
|
 |
|
Medved
|
Добавлено: Вт июн 26, 2012 5:58 pm |
|
 |
| Заслуженный |
 |
Зарегистрирован: Пт апр 30, 2010 12:41 am Сообщения: 983 Откуда: Украина.Днепр Репутация: 65 [ ? ]
Машина: Carina E
Год выпуска: 1993
Двигатель: 4A-FE,LB
|
|
Можно ставить практически любой похожий полевик, например IRF9530. Режимы день ночь комутируются релюшкой с добавочным резистором по входу питания всего диммера, так скачек в сторону понижения питания более незаметен.
|
|
| Вернуться к началу |
|
 |
|
Lifeyar
|
Добавлено: Вт июн 26, 2012 6:12 pm |
|
 |
| На доске почета |
 |
Зарегистрирован: Чт сен 09, 2010 6:21 pm Сообщения: 1329 Откуда: Ярославль Репутация: 75 [ ? ]
Машина: Honda CR-V RD1
Год выпуска: 2000
Двигатель: B20Z2
|
|
Vilf
А что мешает посмотрев даташит, подобрать аналог?
|
|
| Вернуться к началу |
|
 |
|
Vilf
|
Добавлено: Вт июн 26, 2012 9:03 pm |
|
 |
| Его именем пора назвать улицу |
 |
Зарегистрирован: Ср ноя 10, 2010 11:51 am Сообщения: 1877 Откуда: Казань - 16rus Репутация: 40 [ ? ]
Машина: Toyota carina E , Town Ace '90
Год выпуска: 1996
Двигатель: 7A-FE LB
|
Vilf писал(а): нашел: отечественный аналог - КП785А Слово Даташит я узнал от тебя . Спасибо.Залез в инет http://www.chipfind.ru/datasheet/search ... 40&t=part- КП785А подтвердилось. Я радиолюбительством занимался в школе и начале института- потом стало не до этого. У нс в городе радиорынок умер . только на заказ, я думаю.
_________________ Виль
|
|
| Вернуться к началу |
|
 |
|
Mouflon
|
Добавлено: Вт июн 26, 2012 9:08 pm |
|
 |
| Человек-легенда |
 |
Зарегистрирован: Ср фев 13, 2008 2:13 pm Сообщения: 7062 Откуда: Мытищи Репутация: 150 [ ? ]
Машина: Mitsubishi Outlander XL
Год выпуска: 2008
|
|
Я планирую в эту субботу мимо Казани проехать - если сможем пересечься, то я могу попробовать найти что то подобное.
_________________ Mitsubishi Outlander XL'2008 6B31 "Кролик" Любителям считать деньги в чужих карманах не хватает времени залатать дыры в своих.
|
|
| Вернуться к началу |
|
 |
|
Medved
|
Добавлено: Вт июн 26, 2012 9:20 pm |
|
 |
| Заслуженный |
 |
Зарегистрирован: Пт апр 30, 2010 12:41 am Сообщения: 983 Откуда: Украина.Днепр Репутация: 65 [ ? ]
Машина: Carina E
Год выпуска: 1993
Двигатель: 4A-FE,LB
|
Mouflon писал(а): я могу попробовать найти что то подобное. Если я не ошибаюсь ты выходной каскад подсветки "настроение" на похожих мострах собирал.
|
|
| Вернуться к началу |
|
 |
|
Lifeyar
|
Добавлено: Вт июн 26, 2012 9:27 pm |
|
 |
| На доске почета |
 |
Зарегистрирован: Чт сен 09, 2010 6:21 pm Сообщения: 1329 Откуда: Ярославль Репутация: 75 [ ? ]
Машина: Honda CR-V RD1
Год выпуска: 2000
Двигатель: B20Z2
|
|
Medved Не, у Алексея как раз на ТДА 200Х, это у меня на полевиках было.
|
|
| Вернуться к началу |
|
 |
|
Medved
|
Добавлено: Вт июн 26, 2012 9:32 pm |
|
 |
| Заслуженный |
 |
Зарегистрирован: Пт апр 30, 2010 12:41 am Сообщения: 983 Откуда: Украина.Днепр Репутация: 65 [ ? ]
Машина: Carina E
Год выпуска: 1993
Двигатель: 4A-FE,LB
|
|
Вот вот. помню что в той теме проскакивало. А у кого конкретно не помню.
|
|
| Вернуться к началу |
|
 |
|
Vilf
|
Добавлено: Вт июн 26, 2012 9:44 pm |
|
 |
| Его именем пора назвать улицу |
 |
Зарегистрирован: Ср ноя 10, 2010 11:51 am Сообщения: 1877 Откуда: Казань - 16rus Репутация: 40 [ ? ]
Машина: Toyota carina E , Town Ace '90
Год выпуска: 1996
Двигатель: 7A-FE LB
|
|
Mouflon Буду рад ) на машине будешь ?
_________________ Виль
|
|
| Вернуться к началу |
|
 |
|
Mouflon
|
Добавлено: Вт июн 26, 2012 9:50 pm |
|
 |
| Человек-легенда |
 |
Зарегистрирован: Ср фев 13, 2008 2:13 pm Сообщения: 7062 Откуда: Мытищи Репутация: 150 [ ? ]
Машина: Mitsubishi Outlander XL
Год выпуска: 2008
|
|
Ага. в Ижевск едем на неделю.
_________________ Mitsubishi Outlander XL'2008 6B31 "Кролик" Любителям считать деньги в чужих карманах не хватает времени залатать дыры в своих.
|
|
| Вернуться к началу |
|
 |
|
Vilf
|
Добавлено: Вт июн 26, 2012 9:51 pm |
|
 |
| Его именем пора назвать улицу |
 |
Зарегистрирован: Ср ноя 10, 2010 11:51 am Сообщения: 1877 Откуда: Казань - 16rus Репутация: 40 [ ? ]
Машина: Toyota carina E , Town Ace '90
Год выпуска: 1996
Двигатель: 7A-FE LB
|
|
Добро.
_________________ Виль
|
|
| Вернуться к началу |
|
 |
|
Mouflon
|
Добавлено: Вт июн 26, 2012 11:07 pm |
|
 |
| Человек-легенда |
 |
Зарегистрирован: Ср фев 13, 2008 2:13 pm Сообщения: 7062 Откуда: Мытищи Репутация: 150 [ ? ]
Машина: Mitsubishi Outlander XL
Год выпуска: 2008
|
|
Кстати, 2Medved - есть принципиальная разница в коммутации минусом или плюсом?
_________________ Mitsubishi Outlander XL'2008 6B31 "Кролик" Любителям считать деньги в чужих карманах не хватает времени залатать дыры в своих.
|
|
| Вернуться к началу |
|
 |
|
Medved
|
Добавлено: Ср июн 27, 2012 9:30 am |
|
 |
| Заслуженный |
 |
Зарегистрирован: Пт апр 30, 2010 12:41 am Сообщения: 983 Откуда: Украина.Днепр Репутация: 65 [ ? ]
Машина: Carina E
Год выпуска: 1993
Двигатель: 4A-FE,LB
|
|
По мне так нет, просто в приборке использованы плюсовые сигналы "Зажигание" и "Габариты" а в центральном плафоне салона даже родная комутация идет по минусу.
|
|
| Вернуться к началу |
|
 |
|
Mouflon
|
Добавлено: Ср июн 27, 2012 10:01 am |
|
 |
| Человек-легенда |
 |
Зарегистрирован: Ср фев 13, 2008 2:13 pm Сообщения: 7062 Откуда: Мытищи Репутация: 150 [ ? ]
Машина: Mitsubishi Outlander XL
Год выпуска: 2008
|
|
Тогда может вместо p-канального полевика использовать n-канальный?
| Вложения: |
Комментарий к файлу: Как то так

DSC_0138.jpg [ 21.13 КБ | Просмотров: 11934 ]
|
_________________ Mitsubishi Outlander XL'2008 6B31 "Кролик" Любителям считать деньги в чужих карманах не хватает времени залатать дыры в своих.
|
|
| Вернуться к началу |
|
 |
Кто сейчас на конференции |
Сейчас этот форум просматривают: нет зарегистрированных пользователей и гости: 0 |
|
Вы не можете начинать темы Вы не можете отвечать на сообщения Вы не можете редактировать свои сообщения Вы не можете удалять свои сообщения Вы не можете добавлять вложения
|
|