Сообщения без ответов | Активные темы
| Автор |
Сообщение |
|
Namik
|
Добавлено: Ср апр 08, 2009 10:42 pm |
|
 |
| Инструктор |
 |
Зарегистрирован: Вт окт 28, 2008 7:32 pm Сообщения: 280 Откуда: Москва, Зеленоград Репутация: 3 [ ? ]
|
|
Бэндэр
Да, ты прав, торец у шильда получается черным или белым(зависит от пластика). А кольца можно сделать из тонкого. 0,6 мм не так уж и много. А если учесть, что сама панель у нас тоже черная, то не должно смотреться убого, а может даже и наоборот
_________________ Carina E , седан , 97г. , 4A-FE не LB, англичанка.
|
|
| Вернуться к началу |
|
 |
|
Skif1980
|
Добавлено: Ср апр 08, 2009 11:43 pm |
|
 |
| Герой былин народных |
 |
Зарегистрирован: Вс сен 14, 2008 2:02 am Сообщения: 3591 Откуда: Мурманск Репутация: 67 [ ? ]
Машина: Карина Е. Японосборка
Год выпуска: 1996
Двигатель: 4a-сток
|
|
Самый главный плюс этого тюниха - приборы лучше видно ! В газа бросаются... Считывать тоже наверное легше
_________________ drive2.ru, Мне 35
|
|
| Вернуться к началу |
|
 |
|
Namik
|
Добавлено: Ср апр 08, 2009 11:48 pm |
|
 |
| Инструктор |
 |
Зарегистрирован: Вт окт 28, 2008 7:32 pm Сообщения: 280 Откуда: Москва, Зеленоград Репутация: 3 [ ? ]
|
На любителя. По мне лучше как есть. Не очень люблю хром и алюминий в салоне 
_________________ Carina E , седан , 97г. , 4A-FE не LB, англичанка.
|
|
| Вернуться к началу |
|
 |
|
Бэндэр
|
Добавлено: Чт апр 09, 2009 6:45 pm |
|
 |
| Внесен в большую энциклопедию |
 |
Зарегистрирован: Ср дек 24, 2008 9:59 pm Сообщения: 2449 Откуда: Нижегородская обл.Заволжье Репутация: 66 [ ? ]
Машина: Carina-E -хорошая была машина
Год выпуска: 1992
Двигатель: 4AFE LB
|
Namik писал(а): сделать из тонкого. 0,6 мм не так уж и много.
ну ето вобще бесмыслица, проще росамаху попросить он наклеечку такую сделает из зеркальной пленки.
_________________ обновленный файл-исходник для клубных наклеек, шильдиков, номерных рамок и куча всего: download/file.php?id=28352
|
|
| Вернуться к началу |
|
 |
|
Namik
|
Добавлено: Чт апр 09, 2009 7:04 pm |
|
 |
| Инструктор |
 |
Зарегистрирован: Вт окт 28, 2008 7:32 pm Сообщения: 280 Откуда: Москва, Зеленоград Репутация: 3 [ ? ]
|
Для того, чтобы увидеть торец шириной в 1,6 мм нужен соответствующий угол обзора. Это же как нужно заглядывать в приборку, чтобы его стало видно 
_________________ Carina E , седан , 97г. , 4A-FE не LB, англичанка.
|
|
| Вернуться к началу |
|
 |
|
Alien007
|
Добавлено: Пт апр 10, 2009 1:16 am |
|
 |
| Инструктор |
 |
Зарегистрирован: Пн май 05, 2008 2:46 pm Сообщения: 297 Откуда: Taллинн, Эcтония Репутация: 1 [ ? ]
|
Короче ребят если кто что сварганит из подручных материалов, дайте знать, а то в Эстонию я так понимаю заказывать без резонно, так сказать! 
_________________ Tише едешь, меньше должен!
Была: Carina E 04/1995 седан МКПП 4AFE 1600CC 16 VALVE DOHC EFI не LB Англия Есть VW Passat B5 -98 седан МКПП 1,8 125 л.с.
|
|
| Вернуться к началу |
|
 |
|
Jackinda
|
Добавлено: Чт июн 04, 2009 7:49 pm |
|
 |
| На доске почета |
 |
Зарегистрирован: Вс янв 18, 2009 2:36 pm Сообщения: 1005 Откуда: Moscow, North Bootovo Репутация: 12 [ ? ]
|
|
Присоединюсь, для панели Т22 нада, кто возьмется сварганить и почем будет стоить?
_________________ BMW 318i, 90 кузов, 2,0л/136лс 2011г.в. BMW 523, 39 кузов, 2,5л/170hp 98г.в.
Мечта: Mustang Shelby GT 500 KR, 5,4л/540hp
|
|
| Вернуться к началу |
|
 |
|
Dima
|
Добавлено: Пт июн 05, 2009 12:22 pm |
|
 |
| Контролер |
 |
Зарегистрирован: Ср окт 29, 2008 3:10 pm Сообщения: 538 Откуда: Украина, Днепропетровск Репутация: 18 [ ? ]
|
|
Интересен вопрос по поводу колец для Т18
_________________ _________________ Карина, 1992, 3S-FE, 2л GLI, МКПП, Японка, Фиолетовая - была Honda Accord 2.0 executive АКПП, 2006, черная - была ŠKODA Superb 2012г. 1,8 TSI Elegance, 6-АКПП ______________________________________ Хочется чего то большого и чистого....слона помыть чтоли
|
|
| Вернуться к началу |
|
 |
|
Namik
|
Добавлено: Пт июн 05, 2009 12:54 pm |
|
 |
| Инструктор |
 |
Зарегистрирован: Вт окт 28, 2008 7:32 pm Сообщения: 280 Откуда: Москва, Зеленоград Репутация: 3 [ ? ]
|
|
Если бы кто-нить мне скинул точный диаметр колец, то я бы попробовал.
_________________ Carina E , седан , 97г. , 4A-FE не LB, англичанка.
|
|
| Вернуться к началу |
|
 |
|
Jackinda
|
Добавлено: Пт июн 05, 2009 12:57 pm |
|
 |
| На доске почета |
 |
Зарегистрирован: Вс янв 18, 2009 2:36 pm Сообщения: 1005 Откуда: Moscow, North Bootovo Репутация: 12 [ ? ]
|
|
Namik
Сегодня замерю, у меня дома лежит т22 разобранная, но штангена нету
_________________ BMW 318i, 90 кузов, 2,0л/136лс 2011г.в. BMW 523, 39 кузов, 2,5л/170hp 98г.в.
Мечта: Mustang Shelby GT 500 KR, 5,4л/540hp
|
|
| Вернуться к началу |
|
 |
|
Namik
|
Добавлено: Пт июн 05, 2009 1:00 pm |
|
 |
| Инструктор |
 |
Зарегистрирован: Вт окт 28, 2008 7:32 pm Сообщения: 280 Откуда: Москва, Зеленоград Репутация: 3 [ ? ]
|
|
Jackinda
Ок. Если не сложно, то продублируй в личку.
Добавлено спустя 1 минуту 43 секунды:
И вдогонку вопрос. T18 и Т22 - это японка и англичанка соответсвенно?:)
_________________ Carina E , седан , 97г. , 4A-FE не LB, англичанка.
|
|
| Вернуться к началу |
|
 |
|
evgen_test
|
Добавлено: Пт июн 05, 2009 7:12 pm |
|
 |
| Бригадир |
 |
Зарегистрирован: Вс мар 29, 2009 11:34 pm Сообщения: 160 Откуда: н.новгород Репутация: 0 [ ? ]
|
а я сделал колечки за бесплатно! 
| Вложения: |

Панель.jpg [ 41.16 КБ | Просмотров: 6742 ]
|
_________________ карина е хатч бек 4afe
|
|
| Вернуться к началу |
|
 |
|
MerTV
|
Добавлено: Пт июн 05, 2009 7:37 pm |
|
 |
| У него свой шкафчик в раздевалке |
 |
Зарегистрирован: Ср июл 16, 2008 9:35 am Сообщения: 7639 Откуда: Нижний Новгород Репутация: 358 [ ? ]
Машина: Тойота Ками. Мелкий проходимец
Год выпуска: 1999
Двигатель: Контрактный
|
evgen_test писал(а): а я сделал колечки за бесплатно! 
Давай земляк,колись где и как,хочу такие же:)
_________________ Ремонт ДВС японских и корейских автомобилей SWAP-сервис в Нижнем Новгороде
|
|
| Вернуться к началу |
|
 |
|
Jackinda
|
Добавлено: Пт июн 05, 2009 7:51 pm |
|
 |
| На доске почета |
 |
Зарегистрирован: Вс янв 18, 2009 2:36 pm Сообщения: 1005 Откуда: Moscow, North Bootovo Репутация: 12 [ ? ]
|
Namik
Мля, штангена сегодня не будет 
_________________ BMW 318i, 90 кузов, 2,0л/136лс 2011г.в. BMW 523, 39 кузов, 2,5л/170hp 98г.в.
Мечта: Mustang Shelby GT 500 KR, 5,4л/540hp
|
|
| Вернуться к началу |
|
 |
|
Олег
|
Добавлено: Пт июн 05, 2009 8:27 pm |
|
 |
| Заслуженный |
 |
Зарегистрирован: Вт апр 29, 2008 12:32 am Сообщения: 771 Откуда: г. Дубна, Моск. обл. Репутация: 11 [ ? ]
|
evgen_test
Да. Колись давай. Тоже хочу 
_________________ Carina E 2.0, LiftBack, 3S-FE, АКПП, АБС, ГУР, 94 г. японка.
|
|
| Вернуться к началу |
|
 |
|
XaMillion
|
Добавлено: Пт июн 05, 2009 8:43 pm |
|
 |
| Инструктор |
 |
Зарегистрирован: Пт янв 09, 2009 2:47 am Сообщения: 371 Откуда: г.Тверь Репутация: 3 [ ? ]
|
|
evgen_test
Секрет пожалуйста раскрой.
Из какого материала?
_________________ Carina E 1.8, 7A-FE,Темно-Зелёный, 1997,(England)
|
|
| Вернуться к началу |
|
 |
|
Олег
|
Добавлено: Пт июн 05, 2009 9:12 pm |
|
 |
| Заслуженный |
 |
Зарегистрирован: Вт апр 29, 2008 12:32 am Сообщения: 771 Откуда: г. Дубна, Моск. обл. Репутация: 11 [ ? ]
|
А еще лучше фотоотчет! 
_________________ Carina E 2.0, LiftBack, 3S-FE, АКПП, АБС, ГУР, 94 г. японка.
|
|
| Вернуться к началу |
|
 |
|
вася
|
Добавлено: Пт июн 05, 2009 11:29 pm |
|
 |
| Инструктор |
 |
Зарегистрирован: Вт янв 06, 2009 5:01 pm Сообщения: 383 Откуда: Мурманск Репутация: 4 [ ? ]
|
|
хотим фильму !!!
_________________ Toyota carina e соmbi 1.8
год 1996
двиг.-7А-FE .lb
Цвет-темно-серый , тонированная ,
мощ.107л.с АКПП, Англичанка,
|
|
| Вернуться к началу |
|
 |
|
evgen_test
|
Добавлено: Сб июн 06, 2009 12:06 pm |
|
 |
| Бригадир |
 |
Зарегистрирован: Вс мар 29, 2009 11:34 pm Сообщения: 160 Откуда: н.новгород Репутация: 0 [ ? ]
|
|
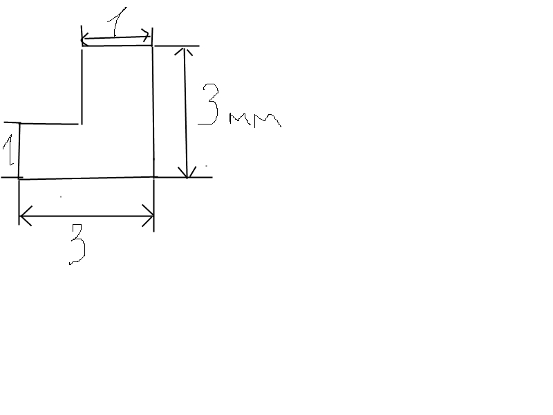
фильмы не получится! я как то уже писал что увидел такие кольца тут,разобрал панель,замерил диаметр, прикинул толщину(она там 3 и 2 мм ступенькой) и отнес отцу на работу, он на фрезе или на токарном станке выточил из обычного металла и шлифонул, я покрыл их лаком и вклеил! так что если у вас есть знакомые фрезировщики вы все это можете сделать очень очень не дорого!
Добавлено спустя 6 минут 27 секунд:
в разрезе это как то так,я в чертежах не силен!
_________________ карина е хатч бек 4afe
|
|
| Вернуться к началу |
|
 |
|
DreW
|
Добавлено: Сб июн 06, 2009 2:40 pm |
|
 |
| Бригадир |
 |
Зарегистрирован: Вс май 24, 2009 1:54 pm Сообщения: 126 Откуда: Kazahstan, Pavlodar Репутация: 0 [ ? ]
|
Namik
Тот же вопрос интересует, В чем же разница? Визуально не вижу?
Добавлено спустя 3 минуты:
evgen_test писал(а): ...из обычного металла ...
А точнее из какого, не в курсе?
_________________ ______________________________________
Toyota Carina E 4A-FE LB т.зеленый Wagon 94г.в.
____________________________________
В нормальных автомобилях ставят AIR BAGи, а в жигулях вешают ИКОНКИ.
|
|
| Вернуться к началу |
|
 |
|
evgen_test
|
Добавлено: Вс июн 07, 2009 1:00 pm |
|
 |
| Бригадир |
 |
Зарегистрирован: Вс мар 29, 2009 11:34 pm Сообщения: 160 Откуда: н.новгород Репутация: 0 [ ? ]
|
|
понятия не имею обычное железо 4 просто отпалированное! просто нужен хороший токарь или фрезировщик,он сам сообразит из чего сделать!
_________________ карина е хатч бек 4afe
|
|
| Вернуться к началу |
|
 |
|
PageUp
|
Добавлено: Ср июн 10, 2009 10:51 pm |
|
 |
| Заслуженный |
 |
Зарегистрирован: Ср май 13, 2009 1:36 pm Сообщения: 758 Откуда: Петербург Репутация: 6 [ ? ]
|
|
а выслать не сможешь?
_________________ 3S-FE , 1994, нидерландка =) лифтБЭК, танк в комплектации люкс! JT164STK100052005 
|
|
| Вернуться к началу |
|
 |
|
Bets
|
Добавлено: Чт июн 11, 2009 1:04 am |
|
 |
| Инструктор |
 |
Зарегистрирован: Ср авг 06, 2008 11:24 pm Сообщения: 485 Откуда: из Питера Репутация: 20 [ ? ]
Машина: Carina E 4wd
Год выпуска: 1993
Двигатель: 3S-GTE
|
evgen_test
открывай своё производство я тоже неоткажусь! 
_________________ Carina E GTT liftback (4wd 3S-GTE) `93
|
|
| Вернуться к началу |
|
 |
|
Mouflon
|
Добавлено: Чт июн 11, 2009 1:07 am |
|
 |
| Человек-легенда |
 |
Зарегистрирован: Ср фев 13, 2008 2:13 pm Сообщения: 7062 Откуда: Мытищи Репутация: 150 [ ? ]
Машина: Mitsubishi Outlander XL
Год выпуска: 2008
|
Бросил человеку из Ёбурга запрос на тему "Сколько будет стоить", и "Будут ли клубные скидки"  Посмотрим что ответит.
_________________ Mitsubishi Outlander XL'2008 6B31 "Кролик" Любителям считать деньги в чужих карманах не хватает времени залатать дыры в своих.
|
|
| Вернуться к началу |
|
 |
|
Лев
|
Добавлено: Чт июн 11, 2009 11:00 am |
|
 |
| Коллекционер ведер, Модератор |
 |
Зарегистрирован: Пн апр 06, 2009 7:41 pm Сообщения: 4705 Откуда: Санкт-Петербург Репутация: 84 [ ? ]
Машина: Carina-E
Год выпуска: 1992
Двигатель: 3S-GE
|
|
Jackinda
Т ыдавай размеры мерь, у меня есть подозрение, что можно поршневые кольца подобрать))
_________________ Carina E 3S-FE 93г. Японка, левый руль, МКПП +Sprinter CArib AE95, Ford Explorer I, Skoda Yeti, VW Multivan T5, Mercedes R-Class W251, Газель матушка)) Будь тем кто ты есть.... до грани и за гранью Хочешь создать тему? тогда тебе сюда http://carina-e.ru/viewtopic.php?t=1607
|
|
| Вернуться к началу |
|
 |
Кто сейчас на конференции |
Сейчас этот форум просматривают: нет зарегистрированных пользователей и гости: 4 |
|
Вы не можете начинать темы Вы не можете отвечать на сообщения Вы не можете редактировать свои сообщения Вы не можете удалять свои сообщения Вы не можете добавлять вложения
|
|