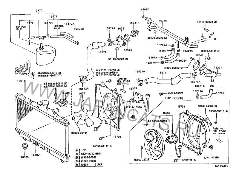
nitroz писал(а):
......кстати он и потёк,причём сильно...двигатель 3S-FE.Подскажите плиз зачем он нужен и где его купить?если есть аналог напишите какой.
С патрубками ситуёвина вообще грустная. В основном подбор по образу на разборке. Отец на 7A-FE подобрал за 4 $ похожий шланг и отрезал ту часть, которая ему нужна.
_________________
Carina E 7A-FE,LB 11.96 г. газенваген
Сдам комнату одной девушке. Двоим не сдам - здоровье уже не то.
