Сообщения без ответов | Активные темы
| Автор |
Сообщение |
|
diablo
|
Добавлено: Ср дек 03, 2008 3:23 pm |
|
 |
| Герой былин народных |
 |
Зарегистрирован: Чт апр 10, 2008 8:17 am Сообщения: 3255 Откуда: Самый Север МО Репутация: 9 [ ? ]
|
jacky69 писал(а): слишком много проводов из двери придется вытягивать, а все провода, которые в дверь идут можно вне нее найти...
зачем чего то вытягивать из двери, когда в туда уже проведены все провода управления подъемом всех стекол(блок управления стеклоподъемника то там как раз находится).
_________________ Сaldina GT-T KIA SORENTO 3.3v6 ЗНАНИЕ ЗАКОНА УМЕНЬШАЕТ СУММУ ВЗЯТКИ! 
|
|
| Вернуться к началу |
|
 |
|
jacky69
|
Добавлено: Ср дек 03, 2008 3:50 pm |
|
 |
| Инструктор |
 |
Зарегистрирован: Ср ноя 19, 2008 11:58 pm Сообщения: 285 Откуда: MoscowCity, ЮВАО Репутация: 8 [ ? ]
|
На датчики от сигналки, аккум и другие двери... а это все, и все что в двери - лучше снаружи найти, пусть дольше, но зато практичнее)) это сугубо мое личное мнение)
Добавлено спустя 12 минут 44 секунды:
Вот он замок багажника)) все элементарно! (извиняюсь за размытость фото)

_________________ НЕ БОЙТЕСЬ ДЕЛАТЬ ЧТО-ЛИБО СВОИМИ РУКАМИ, ИБО ТИТАНИК СОБРАЛИ ПРОФЕССИОНАЛЫ, А КОВЧЕГ - ЛЮБИТЕЛЬ!
8(915)050-27-13
Carina E GLI, 1995, England, теперь 3S-GE yamaha, бодрое ведро на палке;)...а почему после 230км/ч разгоняется плоховато? =)))
http://vkontakte.ru/jacky69
http://www.drive2.ru/cars/toyota/carina ... n/jacky69/
|
|
| Вернуться к началу |
|
 |
|
diablo
|
Добавлено: Ср дек 03, 2008 4:10 pm |
|
 |
| Герой былин народных |
 |
Зарегистрирован: Чт апр 10, 2008 8:17 am Сообщения: 3255 Откуда: Самый Север МО Репутация: 9 [ ? ]
|
|
у меня просто стоит блок такой в двери.. и к нему помоему идет один что ли провод снаружи. если ошибаюсь то не сильно(+1 провод)
_________________ Сaldina GT-T KIA SORENTO 3.3v6 ЗНАНИЕ ЗАКОНА УМЕНЬШАЕТ СУММУ ВЗЯТКИ! 
|
|
| Вернуться к началу |
|
 |
|
diablo
|
Добавлено: Ср дек 03, 2008 4:17 pm |
|
 |
| Герой былин народных |
 |
Зарегистрирован: Чт апр 10, 2008 8:17 am Сообщения: 3255 Откуда: Самый Север МО Репутация: 9 [ ? ]
|
|
очень удобный такой блок. на него с сигналки идет провод и по команде он начинает по одному закрывать все стекла.. закрывает все 4 шт.
_________________ Сaldina GT-T KIA SORENTO 3.3v6 ЗНАНИЕ ЗАКОНА УМЕНЬШАЕТ СУММУ ВЗЯТКИ! 
|
|
| Вернуться к началу |
|
 |
|
jacky69
|
Добавлено: Ср дек 03, 2008 4:21 pm |
|
 |
| Инструктор |
 |
Зарегистрирован: Ср ноя 19, 2008 11:58 pm Сообщения: 285 Откуда: MoscowCity, ЮВАО Репутация: 8 [ ? ]
|
|
А у меня по сигналке закрываются два передних одновременно)) на четыре времени не хватило доделать...с тех пор замялось)
_________________ НЕ БОЙТЕСЬ ДЕЛАТЬ ЧТО-ЛИБО СВОИМИ РУКАМИ, ИБО ТИТАНИК СОБРАЛИ ПРОФЕССИОНАЛЫ, А КОВЧЕГ - ЛЮБИТЕЛЬ!
8(915)050-27-13
Carina E GLI, 1995, England, теперь 3S-GE yamaha, бодрое ведро на палке;)...а почему после 230км/ч разгоняется плоховато? =)))
http://vkontakte.ru/jacky69
http://www.drive2.ru/cars/toyota/carina ... n/jacky69/
|
|
| Вернуться к началу |
|
 |
|
diablo
|
Добавлено: Ср дек 03, 2008 4:23 pm |
|
 |
| Герой былин народных |
 |
Зарегистрирован: Чт апр 10, 2008 8:17 am Сообщения: 3255 Откуда: Самый Север МО Репутация: 9 [ ? ]
|
|
вот тебе б блок такой.
_________________ Сaldina GT-T KIA SORENTO 3.3v6 ЗНАНИЕ ЗАКОНА УМЕНЬШАЕТ СУММУ ВЗЯТКИ! 
|
|
| Вернуться к началу |
|
 |
|
Pininforino
|
Добавлено: Ср дек 03, 2008 4:57 pm |
|
 |
| Инструктор |
 |
Зарегистрирован: Пт ноя 16, 2007 9:00 pm Сообщения: 498 Откуда: Москва, Южное Бутово Репутация: 5 [ ? ]
|
|
diablo
У тебя стоит блок доводчик и штатные стеклоподъемники??? Тогда рассказывай как подключался к нему?
_________________ TOYOTA Carina E 2.0 3S-FE АКПП 1994 Liftback Англичанка Продал  ((( Ваз 21213 (Нива) 99 г. Mazda 3 2007 1.6 Акпп
|
|
| Вернуться к началу |
|
 |
|
diablo
|
Добавлено: Ср дек 03, 2008 5:17 pm |
|
 |
| Герой былин народных |
 |
Зарегистрирован: Чт апр 10, 2008 8:17 am Сообщения: 3255 Откуда: Самый Север МО Репутация: 9 [ ? ]
|
|
а я его не подключал.. он там стоял уже до меня. думаю нет сложности в его подключении никакой. стеклоподъемники то родные.. только какое отношение они имеют к этому блоку то?
_________________ Сaldina GT-T KIA SORENTO 3.3v6 ЗНАНИЕ ЗАКОНА УМЕНЬШАЕТ СУММУ ВЗЯТКИ! 
|
|
| Вернуться к началу |
|
 |
|
Pininforino
|
Добавлено: Ср дек 03, 2008 5:20 pm |
|
 |
| Инструктор |
 |
Зарегистрирован: Пт ноя 16, 2007 9:00 pm Сообщения: 498 Откуда: Москва, Южное Бутово Репутация: 5 [ ? ]
|
|
погоди, объясни, у тебя стоит блок доводчик стекол, и стеклоподъемники родные? и как я понял не ты его ставил а до тебя кто то
_________________ TOYOTA Carina E 2.0 3S-FE АКПП 1994 Liftback Англичанка Продал  ((( Ваз 21213 (Нива) 99 г. Mazda 3 2007 1.6 Акпп
|
|
| Вернуться к началу |
|
 |
|
diablo
|
Добавлено: Ср дек 03, 2008 5:32 pm |
|
 |
| Герой былин народных |
 |
Зарегистрирован: Чт апр 10, 2008 8:17 am Сообщения: 3255 Откуда: Самый Север МО Репутация: 9 [ ? ]
|
|
да стоит .. в двери. ставили до меня.
какая разница какие стеклоподъемники.. там ж только мотор
_________________ Сaldina GT-T KIA SORENTO 3.3v6 ЗНАНИЕ ЗАКОНА УМЕНЬШАЕТ СУММУ ВЗЯТКИ! 
|
|
| Вернуться к началу |
|
 |
|
Vitek
|
Добавлено: Ср дек 03, 2008 11:51 pm |
|
 |
| Внесен в большую энциклопедию |
 |
Зарегистрирован: Пн апр 14, 2008 2:45 am Сообщения: 2960 Откуда: Моск.обл. г.Юбилейный Репутация: 87 [ ? ]
Машина: Carina-E Hatch
Год выпуска: 1997
Двигатель: 7A-FE LB
|
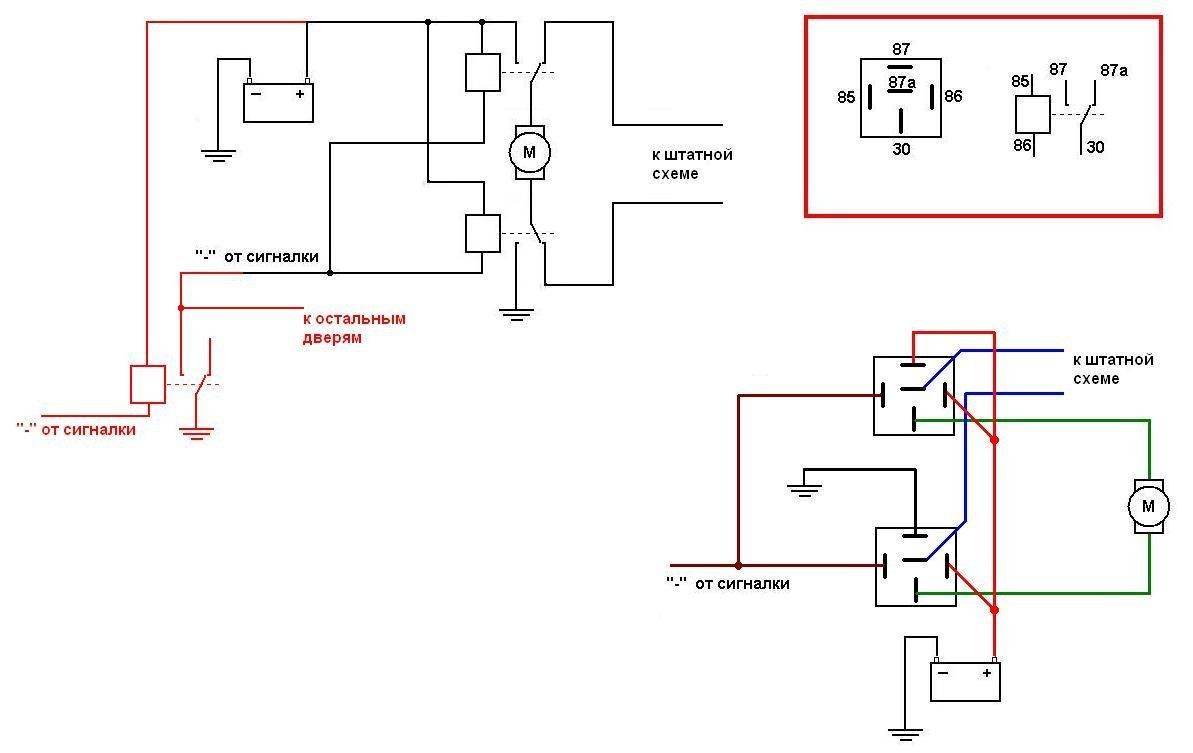
jacky69 писал(а): Vitek Реле один и два друг друга не дублируют, а при подаче на реле1 Минуса - из нее выходит Минус, а из реле два Плюс, если ты заметил... то есть они одновременно подают Плюс и Минус на мотор... Гораздо проще было сделать, как на схеме: для одной двери - чёрный кусок схемы. Всего два реле, одно подаёт +, другое -, одновременно оба ... jacky69 писал(а): а реле три размыкает цепь, что б ток в штатную проводку не ушел... ... размыкают свои участки штатной проводки. Красный кусочек схемы - добавка, если есть желание установить такую приблуду на все четыре двери. По два реле на дверь, итого восемь. Многовато может быть для управляющего выхода сигналки. Соответственно добавляем реле (всего одно, см. красный участок схемы), которым этот выход будет управлять, а на него гроздью навешиваем остальные восемь. Теперь уж точно в сигналке ничего не погорит. Рядом внизу схемка попроще - монтажная, для тех, кто не силён в схемах принципиальных. Там показано соединение проводов на релюхах при виде снизу. Схема для одной двери, без дополнительного общего реле. Как его воткнуть, думаю, и так понятно. jacky69 писал(а): ... а только два провода с переменными токами на мотор...  откуда в машине переменный ток? 
| Вложения: |

Схема 1.JPG [ 57.8 КБ | Просмотров: 3477 ]
|
_________________ Что один человек сделал, - другой всегда разобрать сумеет! (кузнец из к/ф "Формула любви") Carina-E Liftback 01/97 7A-FE(LB)
|
|
| Вернуться к началу |
|
 |
|
old_Duglas
|
Добавлено: Ср дек 03, 2008 11:54 pm |
|
 |
| Герой былин народных |
 |
Зарегистрирован: Вт янв 15, 2008 1:29 am Сообщения: 3162 Откуда: г.Ижевск Репутация: 291 [ ? ]
Машина: TOYOTA Carina E
Год выпуска: 1992
Двигатель: 3S-GTE 4WD
|
ох и наофтопили мы, от модератора по шапке попадет
jacky69 писал(а): Вот он замок багажника)) все элементарно! (извиняюсь за размытость фото)
Это он у Тебя в крышке багажника или всетаки в кузове.
PS Хотел попробовать описать алгорим замка, но запутался в конец. Саму лечинку перебирал, к замку (тот что в крышке) от нее идет тяга Ты к ней прицепил?
PSS А замки у лифтбэка и седана одинаковые?
_________________ СЯО CDC TOYOTA CarinaE GLI; кузов - liftback [LB]; 4AFE-> 4AGE BT-> 3S-GTE; C51(2WD)-> E56F2-05B 4WD!!!; цвет - Rally Red Exterior [3j6]; ABS, TORSEN, ЛЮК, КЛИМАТ. 7/1992год ( одна из первых, Японка из Голландии) logbook D2
|
|
| Вернуться к началу |
|
 |
|
Beso
|
Добавлено: Ср дек 03, 2008 11:55 pm |
|
 |
| Он знает о машинах все, ex-Модератор. |
 |
Зарегистрирован: Пт ноя 30, 2007 7:08 pm Сообщения: 11065 Откуда: SPb Репутация: 224 [ ? ]
|
Vitek писал(а): переменный ток?
Строго говоря, переменного тока в машине полно.
Начиная с генератора, заканчивая радиоприёмником.  ))
ЗЫ: сам себя забаню за провокацию флейма. %-)
_________________ Не надо верить всякой херне, которая у меня над аватаркой написана.
|
|
| Вернуться к началу |
|
 |
|
jacky69
|
Добавлено: Чт дек 04, 2008 12:00 am |
|
 |
| Инструктор |
 |
Зарегистрирован: Ср ноя 19, 2008 11:58 pm Сообщения: 285 Откуда: MoscowCity, ЮВАО Репутация: 8 [ ? ]
|
Vitek
Ну сигнал переменный в смысле  извиняюсь, не так выразился...
А я смотрю ты тоже по этой теме замороченный, да?
old_Duglas
Это он стоит прям на крышке багажника, он как раз и подключен к тяге, которя замок отщелкивает)
А замки на лифтбэке и седаме должны быть немного разные, скорее всего, по конструкции... но работать по одному и тому же принципу)))
_________________ НЕ БОЙТЕСЬ ДЕЛАТЬ ЧТО-ЛИБО СВОИМИ РУКАМИ, ИБО ТИТАНИК СОБРАЛИ ПРОФЕССИОНАЛЫ, А КОВЧЕГ - ЛЮБИТЕЛЬ!
8(915)050-27-13
Carina E GLI, 1995, England, теперь 3S-GE yamaha, бодрое ведро на палке;)...а почему после 230км/ч разгоняется плоховато? =)))
http://vkontakte.ru/jacky69
http://www.drive2.ru/cars/toyota/carina ... n/jacky69/
|
|
| Вернуться к началу |
|
 |
|
Vitek
|
Добавлено: Чт дек 04, 2008 12:02 am |
|
 |
| Внесен в большую энциклопедию |
 |
Зарегистрирован: Пн апр 14, 2008 2:45 am Сообщения: 2960 Откуда: Моск.обл. г.Юбилейный Репутация: 87 [ ? ]
Машина: Carina-E Hatch
Год выпуска: 1997
Двигатель: 7A-FE LB
|
Beso
На флейм ты таки нарвался
В генераторе не считается, там он "весь внутри"  снаружи уже постоянка. И в радиоприёмнике не переменный, а постоянный, но с изменяемой амплитудой. Мягко говоря, немножко разные вещи. 
_________________ Что один человек сделал, - другой всегда разобрать сумеет! (кузнец из к/ф "Формула любви") Carina-E Liftback 01/97 7A-FE(LB)
|
|
| Вернуться к началу |
|
 |
|
jacky69
|
Добавлено: Чт дек 04, 2008 12:13 am |
|
 |
| Инструктор |
 |
Зарегистрирован: Ср ноя 19, 2008 11:58 pm Сообщения: 285 Откуда: MoscowCity, ЮВАО Репутация: 8 [ ? ]
|
Vitek
Ну по последней схемке логичнее всего по-моему будет сделать))
Неплохая конечно затейка с этими реле, но я думаю читателей в край запутали))) 
_________________ НЕ БОЙТЕСЬ ДЕЛАТЬ ЧТО-ЛИБО СВОИМИ РУКАМИ, ИБО ТИТАНИК СОБРАЛИ ПРОФЕССИОНАЛЫ, А КОВЧЕГ - ЛЮБИТЕЛЬ!
8(915)050-27-13
Carina E GLI, 1995, England, теперь 3S-GE yamaha, бодрое ведро на палке;)...а почему после 230км/ч разгоняется плоховато? =)))
http://vkontakte.ru/jacky69
http://www.drive2.ru/cars/toyota/carina ... n/jacky69/
|
|
| Вернуться к началу |
|
 |
|
Beso
|
Добавлено: Чт дек 04, 2008 12:37 am |
|
 |
| Он знает о машинах все, ex-Модератор. |
 |
Зарегистрирован: Пт ноя 30, 2007 7:08 pm Сообщения: 11065 Откуда: SPb Репутация: 224 [ ? ]
|
Vitek писал(а): И в радиоприёмнике не переменный, Да не, там и переменного хватает.  У несущей полупериоды в антенном тракте не обрЕзаны. До диода-детектора деткторного приёмника, например.  )))) В мозгах есть кварцевый генератор тактовой частоты, например. Там тоже не пульсирующий (и не прямоугольной формы. тем паче), а самый натуральный переменный ток. Добавлено спустя 1 минуту 25 секунд:Vitek писал(а): постоянный, но с изменяемой амплитудой
а термин "амплитуда" для постоянного тока вообще прикольно звучит. да? 
_________________ Не надо верить всякой херне, которая у меня над аватаркой написана.
|
|
| Вернуться к началу |
|
 |
|
diablo
|
Добавлено: Чт дек 04, 2008 2:22 am |
|
 |
| Герой былин народных |
 |
Зарегистрирован: Чт апр 10, 2008 8:17 am Сообщения: 3255 Откуда: Самый Север МО Репутация: 9 [ ? ]
|
Бесо похоже на поправку пошел 
_________________ Сaldina GT-T KIA SORENTO 3.3v6 ЗНАНИЕ ЗАКОНА УМЕНЬШАЕТ СУММУ ВЗЯТКИ! 
|
|
| Вернуться к началу |
|
 |
|
MerTV
|
Добавлено: Чт дек 04, 2008 7:13 am |
|
 |
| У него свой шкафчик в раздевалке |
 |
Зарегистрирован: Ср июл 16, 2008 9:35 am Сообщения: 7416 Откуда: Нижний Новгород Репутация: 358 [ ? ]
Машина: Тойота Ками. Мелкий проходимец
Год выпуска: 1999
Двигатель: Контрактный
|
|
Устанавливал доводчик стекол сам,и насколько помню на моей машине оба провода идущие на мотор стеклоподъемника всегда замкнуты на массу. А кнопки управления разрывают цепь и подают плюс в на один провод,в зависимости куда нужно двигать стекло вверх или вниз. Думаю можно по одному реле на дверь использовать,и одно общее
_________________ Ремонт ДВС японских и корейских автомобилей SWAP-сервис в Нижнем Новгороде
|
|
| Вернуться к началу |
|
 |
|
Vitek
|
Добавлено: Чт дек 04, 2008 8:54 am |
|
 |
| Внесен в большую энциклопедию |
 |
Зарегистрирован: Пн апр 14, 2008 2:45 am Сообщения: 2960 Откуда: Моск.обл. г.Юбилейный Репутация: 87 [ ? ]
Машина: Carina-E Hatch
Год выпуска: 1997
Двигатель: 7A-FE LB
|
MerTV
Самое интересное - ты прав! Поднял схему из букваря - всё так и есть. Просто сразу не посмотрел, а стал дорабатывать схему jacky69. Так что нижнее по моей схеме (и на принципиальной и на монтажной) реле тоже можно выкинуть, обойдясь всего одним реле на дверь. Но общее дополнительное я всё же оставлю.
Beso
И всё же это разные вещи. И амплитуда для постоянного тока звучит нормально, хотя речь, вообще-то в данном случае о напряжении. На графиках понятнее. Однако, мы флудим.  Как бы нас с тобой Тоша не забанил, у него точно уши от всей этой физики вянут.
jacky69
А читателей теперь и вправду запутали 
| Вложения: |

Токи.JPG [ 44.98 КБ | Просмотров: 3448 ]
|
_________________ Что один человек сделал, - другой всегда разобрать сумеет! (кузнец из к/ф "Формула любви") Carina-E Liftback 01/97 7A-FE(LB)
|
|
| Вернуться к началу |
|
 |
Кто сейчас на конференции |
Сейчас этот форум просматривают: нет зарегистрированных пользователей и гости: 7 |
|
Вы не можете начинать темы Вы не можете отвечать на сообщения Вы не можете редактировать свои сообщения Вы не можете удалять свои сообщения Вы не можете добавлять вложения
|
|