Сообщения без ответов | Активные темы
|
Страница 1 из 1
|
[ Сообщений: 9 ] |
|
| Автор |
Сообщение |
|
Beg
|
Добавлено: Пт янв 16, 2009 1:23 am |
|
 |
| Состоявшийся |
 |
Зарегистрирован: Сб июл 05, 2008 12:21 pm Сообщения: 53 Откуда: Львов,Украина Репутация: 0 [ ? ]
|
|
Видел как открывали и закрывали багажник на БМВ 7 с помощью кнопки на самой крышке багажника.Интересно можно ли такую приблуду установить в Карину и может кто знает где такую купить можна.
_________________ Toyota Carina E Wagon 1.6 4A-FE LB 1994 Японка
 картинки в подписи
|
|
| Вернуться к началу |
|
 |
|
slk
|
Добавлено: Пт янв 16, 2009 1:54 am |
|
 |
| Летописец |
 |
Зарегистрирован: Пн мар 17, 2008 4:49 am Сообщения: 4513 Откуда: Санкт -Петербург,Приморский р-он Репутация: 37 [ ? ]
Машина: Тойота Карина-Е,Спортвагон
Год выпуска: 1996
Двигатель: 7 Афе
|
то же самое на вольво стоит и работает от пульта 
_________________ Carina E , Red SportWagon 7 A-FЕ LB 1996г. Англичанка. Сarina E , Серо-Синий Седан 4 A-FE Не LB 1993 г. Продана. Hyundai Elantra IV Синий седан 1,6 2007 г. Корея. Продам всё что относится к задней хлопушке универсала
|
|
| Вернуться к началу |
|
 |
|
Пётр
|
Добавлено: Пт янв 16, 2009 1:58 am |
|
 |
| Главный фотограф Питера, Модератор |
 |
Зарегистрирован: Пн окт 01, 2007 12:56 am Сообщения: 1935 Откуда: Россия, Санкт-Петербург, Озерки Репутация: 60 [ ? ]
Машина: Carina E
Год выпуска: 1994
Двигатель: 4A-FE LB
|
| Вложения: |

SchemeImg.jpg [ 202.19 КБ | Просмотров: 2804 ]
|
_________________ Carina E, 4A-FE LB, лифтбэк, AT190L-BLMDKW, РКПП С51, 1994 г.в., англия.....
Не летайте быстрее своего Ангела Хранителя.
Перед тем как включить то, что ты починил, ляг ногами в сторону предполагаемого ВзРыВа !!!
|
|
| Вернуться к началу |
|
 |
|
Beg
|
Добавлено: Пт янв 16, 2009 2:24 am |
|
 |
| Состоявшийся |
 |
Зарегистрирован: Сб июл 05, 2008 12:21 pm Сообщения: 53 Откуда: Львов,Украина Репутация: 0 [ ? ]
|
А теперь усложняем задачу -на универсал 
_________________ Toyota Carina E Wagon 1.6 4A-FE LB 1994 Японка
 картинки в подписи
|
|
| Вернуться к началу |
|
 |
|
Пётр
|
Добавлено: Пт янв 16, 2009 2:28 am |
|
 |
| Главный фотограф Питера, Модератор |
 |
Зарегистрирован: Пн окт 01, 2007 12:56 am Сообщения: 1935 Откуда: Россия, Санкт-Петербург, Озерки Репутация: 60 [ ? ]
Машина: Carina E
Год выпуска: 1994
Двигатель: 4A-FE LB
|
|
Beg
первая ссылка, там картинка для RX, а у него дверь как на универсале
Добавлено спустя 1 минуту 22 секунды:
нет ничего проще))))
| Вложения: |

SchemeImg.jpg [ 197.74 КБ | Просмотров: 2773 ]
|
_________________ Carina E, 4A-FE LB, лифтбэк, AT190L-BLMDKW, РКПП С51, 1994 г.в., англия.....
Не летайте быстрее своего Ангела Хранителя.
Перед тем как включить то, что ты починил, ляг ногами в сторону предполагаемого ВзРыВа !!!
|
|
| Вернуться к началу |
|
 |
|
Beg
|
Добавлено: Пт янв 16, 2009 2:38 am |
|
 |
| Состоявшийся |
 |
Зарегистрирован: Сб июл 05, 2008 12:21 pm Сообщения: 53 Откуда: Львов,Украина Репутация: 0 [ ? ]
|
|
25 тыс.руб.=в доларах(меня почемуто по этой ссылке не пускает я с Украины)[/quote]
_________________ Toyota Carina E Wagon 1.6 4A-FE LB 1994 Японка
 картинки в подписи
|
|
| Вернуться к началу |
|
 |
|
Пётр
|
Добавлено: Пт янв 16, 2009 2:45 am |
|
 |
| Главный фотограф Питера, Модератор |
 |
Зарегистрирован: Пн окт 01, 2007 12:56 am Сообщения: 1935 Откуда: Россия, Санкт-Петербург, Озерки Репутация: 60 [ ? ]
Машина: Carina E
Год выпуска: 1994
Двигатель: 4A-FE LB
|
|
Beg
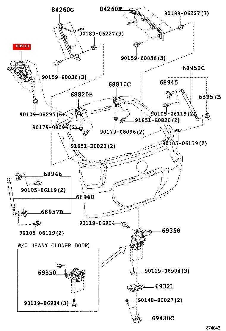
вот код 68910-48012
_________________ Carina E, 4A-FE LB, лифтбэк, AT190L-BLMDKW, РКПП С51, 1994 г.в., англия.....
Не летайте быстрее своего Ангела Хранителя.
Перед тем как включить то, что ты починил, ляг ногами в сторону предполагаемого ВзРыВа !!!
|
|
| Вернуться к началу |
|
 |
|
Beg
|
Добавлено: Пт янв 16, 2009 2:59 am |
|
 |
| Состоявшийся |
 |
Зарегистрирован: Сб июл 05, 2008 12:21 pm Сообщения: 53 Откуда: Львов,Украина Репутация: 0 [ ? ]
|
68910-48012Механизм стеклоподъемника -это то что у меня выдает
Добавлено спустя 8 минут 7 секунд:
Пётр спасибо за инфу. Если это то что я спрашивал то его цена на екзисте $828.49-сразу что то расхотелось  .Нужно наверное по разборкам поискать.
_________________ Toyota Carina E Wagon 1.6 4A-FE LB 1994 Японка
 картинки в подписи
|
|
| Вернуться к началу |
|
 |
|
old_Duglas
|
Добавлено: Пт янв 16, 2009 9:46 am |
|
 |
| Герой былин народных |
 |
Зарегистрирован: Вт янв 15, 2008 1:29 am Сообщения: 3162 Откуда: г.Ижевск Репутация: 291 [ ? ]
Машина: TOYOTA Carina E
Год выпуска: 1992
Двигатель: 3S-GTE 4WD
|
Встречал на просторах рунета, в тюнинх разделах приблудку: "электротяга" ставить вмсесто гозового аммортизатора на хэтч и универсалах.
Добавлено спустя 5 минут 35 секунд:
на ниссане грамада такая финча, а у него как раз как у универсалов пятая дверь 
_________________ СЯО CDC TOYOTA CarinaE GLI; кузов - liftback [LB]; 4AFE-> 4AGE BT-> 3S-GTE; C51(2WD)-> E56F2-05B 4WD!!!; цвет - Rally Red Exterior [3j6]; ABS, TORSEN, ЛЮК, КЛИМАТ. 7/1992год ( одна из первых, Японка из Голландии) logbook D2
|
|
| Вернуться к началу |
|
 |
|
Страница 1 из 1
|
[ Сообщений: 9 ] |
|
Кто сейчас на конференции |
Сейчас этот форум просматривают: нет зарегистрированных пользователей и гости: 13 |
|
Вы не можете начинать темы Вы не можете отвечать на сообщения Вы не можете редактировать свои сообщения Вы не можете удалять свои сообщения Вы не можете добавлять вложения
|
|