Сообщения без ответов | Активные темы
| Автор |
Сообщение |
|
sedoy2000
|
Добавлено: Ср ноя 04, 2009 9:20 pm |
|
 |
| Герой былин народных |
 |
Зарегистрирован: Чт фев 05, 2009 6:38 pm Сообщения: 3813 Откуда: Пермский край Репутация: 65 [ ? ]
Машина: QASHQAI
Год выпуска: 2010
Двигатель: HR16DE
|
|
evgen_test, поясни какие светодиоды ставишь. Лучше фотки.
Mouflon, что-то меня зацепило... схемку выложи, которой ты игрался. А ШИМ регуляторы не пробовал использовать?
_________________ CarinaE GLI 4A-FE(Lean Burn) 1993г. механика JPP красный (3j6) седан. Skoda Octavia Combi tour Год выпуска 2005 Двигатель 1,6 AKL ( всё в прошлом), CarinaE GLI LB 3S-fe 1992г. механика, JPP синенький лифт.
|
|
| Вернуться к началу |
|
 |
|
Mouflon
|
Добавлено: Ср ноя 04, 2009 9:27 pm |
|
 |
| Человек-легенда |
 |
Зарегистрирован: Ср фев 13, 2008 2:13 pm Сообщения: 7062 Откуда: Мытищи Репутация: 150 [ ? ]
Машина: Mitsubishi Outlander XL
Год выпуска: 2008
|
sedoy2000 писал(а): evgen_test, поясни какие светодиоды ставишь. Лучше фотки. Mouflon, что-то меня зацепило... схемку выложи, которой ты игрался. А ШИМ регуляторы не пробовал использовать?
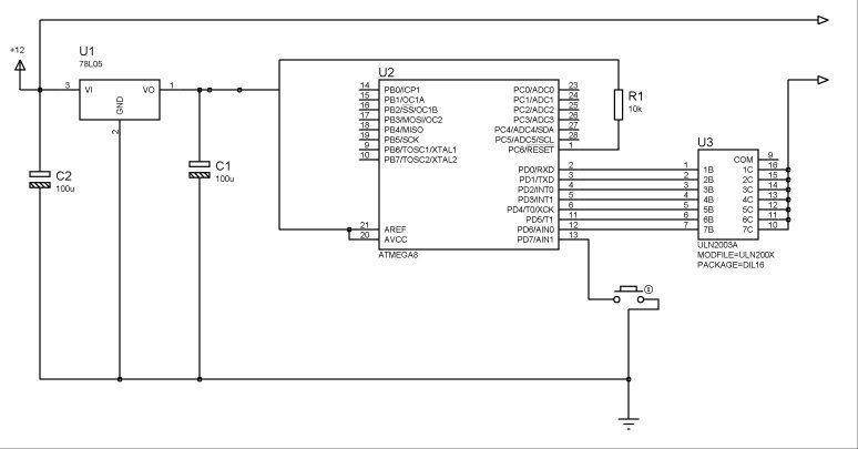
Это был регулятор для паяльника (Отцу собирал) с цифровым управлением...  Схема простейшая как писал 7805 + Atmega8 + кнопка + светодиод через резистор.
PS. Я на работе сейчас... Нечем нарисовать...
PPS... Вот ещё поглядел - можно использовать ULN2003 - 7 каналов по 500 мА - имхо более чем достаточно для светододов.
_________________ Mitsubishi Outlander XL'2008 6B31 "Кролик" Любителям считать деньги в чужих карманах не хватает времени залатать дыры в своих.
|
|
| Вернуться к началу |
|
 |
|
Бэндэр
|
Добавлено: Ср ноя 04, 2009 10:30 pm |
|
 |
| Внесен в большую энциклопедию |
 |
Зарегистрирован: Ср дек 24, 2008 9:59 pm Сообщения: 2439 Откуда: Нижегородская обл.Заволжье Репутация: 66 [ ? ]
Машина: Carina-E -хорошая была машина
Год выпуска: 1992
Двигатель: 4AFE LB
|
Mouflon писал(а): Написать что ли как реализовать изменение уровня освещения на светодиодах
так вроде кто-то писал, что впаиваются еще сопротивления в саму крутилку?
_________________ обновленный файл-исходник для клубных наклеек, шильдиков, номерных рамок и куча всего: download/file.php?id=28352
|
|
| Вернуться к началу |
|
 |
|
Mouflon
|
Добавлено: Ср ноя 04, 2009 10:34 pm |
|
 |
| Человек-легенда |
 |
Зарегистрирован: Ср фев 13, 2008 2:13 pm Сообщения: 7062 Откуда: Мытищи Репутация: 150 [ ? ]
Машина: Mitsubishi Outlander XL
Год выпуска: 2008
|
Бэндэр писал(а): Mouflon писал(а): Написать что ли как реализовать изменение уровня освещения на светодиодах так вроде кто-то писал, что впаиваются еще сопротивления в саму крутилку?
Э... не ну может быть и так, но что то я себе слабо представляю как менять яркость свечения у светодиода путём добавления резистора...
_________________ Mitsubishi Outlander XL'2008 6B31 "Кролик" Любителям считать деньги в чужих карманах не хватает времени залатать дыры в своих.
|
|
| Вернуться к началу |
|
 |
|
Бэндэр
|
Добавлено: Ср ноя 04, 2009 10:39 pm |
|
 |
| Внесен в большую энциклопедию |
 |
Зарегистрирован: Ср дек 24, 2008 9:59 pm Сообщения: 2439 Откуда: Нижегородская обл.Заволжье Репутация: 66 [ ? ]
Машина: Carina-E -хорошая была машина
Год выпуска: 1992
Двигатель: 4AFE LB
|
Mouflon писал(а): резистора...
резисторов там вроде было- ступенчато 
_________________ обновленный файл-исходник для клубных наклеек, шильдиков, номерных рамок и куча всего: download/file.php?id=28352
|
|
| Вернуться к началу |
|
 |
|
evgen_test
|
Добавлено: Ср ноя 04, 2009 10:39 pm |
|
 |
| Бригадир |
 |
Зарегистрирован: Вс мар 29, 2009 11:34 pm Сообщения: 160 Откуда: н.новгород Репутация: 0 [ ? ]
|
sedoy2000 писал(а): evgen_test, поясни какие светодиоды ставишь. Лучше фотки. диоды самые обычные! в штатное место, они же в габарит подходят! а резистор какой нужен? я так понимаю если впаеваем резистор то яркости большой не получим?
_________________ карина е хатч бек 4afe
|
|
| Вернуться к началу |
|
 |
|
Mouflon
|
Добавлено: Ср ноя 04, 2009 10:44 pm |
|
 |
| Человек-легенда |
 |
Зарегистрирован: Ср фев 13, 2008 2:13 pm Сообщения: 7062 Откуда: Мытищи Репутация: 150 [ ? ]
Машина: Mitsubishi Outlander XL
Год выпуска: 2008
|
Бэндэр писал(а): Mouflon писал(а): резистора... резисторов там вроде было- ступенчато 
К сожалению, нет времени найти описание того, как кто то это сделал...
Если кинешь прямую ссылку на мессагу с описанием - буду благодарен.
_________________ Mitsubishi Outlander XL'2008 6B31 "Кролик" Любителям считать деньги в чужих карманах не хватает времени залатать дыры в своих.
|
|
| Вернуться к началу |
|
 |
|
Бэндэр
|
Добавлено: Ср ноя 04, 2009 10:47 pm |
|
 |
| Внесен в большую энциклопедию |
 |
Зарегистрирован: Ср дек 24, 2008 9:59 pm Сообщения: 2439 Откуда: Нижегородская обл.Заволжье Репутация: 66 [ ? ]
Машина: Carina-E -хорошая была машина
Год выпуска: 1992
Двигатель: 4AFE LB
|
evgen_test писал(а): диоды самые обычные
самые обычные диоды как правило перегорают от бортовой сети на счет РАЗ., а утебя диоды походу адаптированы под бортовую сеть (покупал как на 12 вольт?) всетки фото бы или ссылку, если нет то на 1 диод - 1-1,2 КОм, на цепочку из трех последовательных 200 Ом,- при таком раскладе не перегорит (проверено) и без стабилитронов мона.
Добавлено спустя 2 минуты:
проверь напругу в сети 
_________________ обновленный файл-исходник для клубных наклеек, шильдиков, номерных рамок и куча всего: download/file.php?id=28352
|
|
| Вернуться к началу |
|
 |
|
Mouflon
|
Добавлено: Чт ноя 05, 2009 7:43 pm |
|
 |
| Человек-легенда |
 |
Зарегистрирован: Ср фев 13, 2008 2:13 pm Сообщения: 7062 Откуда: Мытищи Репутация: 150 [ ? ]
Машина: Mitsubishi Outlander XL
Год выпуска: 2008
|
sedoy2000 писал(а): evgen_test, поясни какие светодиоды ставишь. Лучше фотки. Mouflon, что-то меня зацепило... схемку выложи, которой ты игрался. А ШИМ регуляторы не пробовал использовать?
Что то типа такой приблуды.
| Вложения: |

Регулировка света в машине.jpg [ 46.38 КБ | Просмотров: 5912 ]
|
_________________ Mitsubishi Outlander XL'2008 6B31 "Кролик" Любителям считать деньги в чужих карманах не хватает времени залатать дыры в своих.
|
|
| Вернуться к началу |
|
 |
|
sedoy2000
|
Добавлено: Чт ноя 05, 2009 7:53 pm |
|
 |
| Герой былин народных |
 |
Зарегистрирован: Чт фев 05, 2009 6:38 pm Сообщения: 3813 Откуда: Пермский край Репутация: 65 [ ? ]
Машина: QASHQAI
Год выпуска: 2010
Двигатель: HR16DE
|
|
Mouflon, м-да.... и прошивка есть?
Я пожалуй заморачиваться таким очумельством не буду. Проще наверное будет собрать на базе какого-нибудь импульсного блока питания.
_________________ CarinaE GLI 4A-FE(Lean Burn) 1993г. механика JPP красный (3j6) седан. Skoda Octavia Combi tour Год выпуска 2005 Двигатель 1,6 AKL ( всё в прошлом), CarinaE GLI LB 3S-fe 1992г. механика, JPP синенький лифт.
|
|
| Вернуться к началу |
|
 |
|
Mouflon
|
Добавлено: Чт ноя 05, 2009 7:54 pm |
|
 |
| Человек-легенда |
 |
Зарегистрирован: Ср фев 13, 2008 2:13 pm Сообщения: 7062 Откуда: Мытищи Репутация: 150 [ ? ]
Машина: Mitsubishi Outlander XL
Год выпуска: 2008
|
sedoy2000 писал(а): Mouflon, м-да.... и прошивка есть? Я пожалуй заморачиваться таким очумельством не буду. Проще наверное будет собрать на базе какого-нибудь импульсного блока питания.
Прошивка на сях пишется в течении часа, максимум 2х... Блин, разгребусь с работой - выкрою денёк и сделаю. Но в ближайшее время не получается - сплю по 5 часов. Остальное работа и дорога на работу и с работы... 
_________________ Mitsubishi Outlander XL'2008 6B31 "Кролик" Любителям считать деньги в чужих карманах не хватает времени залатать дыры в своих.
|
|
| Вернуться к началу |
|
 |
|
Dmitry_R
|
Добавлено: Чт ноя 05, 2009 7:56 pm |
|
 |
| Главный специалист по FAQ, Модератор |
 |
Зарегистрирован: Вс фев 24, 2008 3:24 pm Сообщения: 7554 Откуда: Украина, Днепропетровская обл. Репутация: 167 [ ? ]
Машина: CarinaE Англ. / Accord TypeR
Год выпуска: 1995
Двигатель: 4A-FE LB С52
|
Жесть, Зачем так все усложнять? Вы ещё компьютер приспособьте светодиодами управлять
Mouflon писал(а): слабо представляю как менять яркость свечения у светодиода путём добавления резистора... Яркость светодиода напрямую зависит от проходящего через него тока, а резистор самая простая и древняя деталь, ограничивающая этот самый ток. Бэндэр писал(а): так вроде кто-то писал, что впаиваются еще сопротивления в саму крутилку
Я писал. Сделал себе регулятор для светодиодов за 15 мин. из нескольких резисторов.
И я же писал, что можно поставить регулируемый стабилизатор тока (плюс ещё микросборка) но заморачиватся влом было.
И даже схему рисовал, как бы даже не в этой теме
И про ШИМ писал, причины, почему этого делать не стоит.
Кто захочет, все найдёт 
_________________ CarinaE 4A-FE LB, седан. + HONDA Accord TypeR_______________________________________________ Кто хочет - ищет способ, кто не хочет - ищет причину.
|
|
| Вернуться к началу |
|
 |
|
sedoy2000
|
Добавлено: Чт ноя 05, 2009 7:59 pm |
|
 |
| Герой былин народных |
 |
Зарегистрирован: Чт фев 05, 2009 6:38 pm Сообщения: 3813 Откуда: Пермский край Репутация: 65 [ ? ]
Машина: QASHQAI
Год выпуска: 2010
Двигатель: HR16DE
|
Бэндэр, он же сам сознался, что всё это Dmitry_R писал(а): "Колхозно-сиротский тюнинг"
_________________ CarinaE GLI 4A-FE(Lean Burn) 1993г. механика JPP красный (3j6) седан. Skoda Octavia Combi tour Год выпуска 2005 Двигатель 1,6 AKL ( всё в прошлом), CarinaE GLI LB 3S-fe 1992г. механика, JPP синенький лифт.
|
|
| Вернуться к началу |
|
 |
|
Бэндэр
|
Добавлено: Чт ноя 05, 2009 8:03 pm |
|
 |
| Внесен в большую энциклопедию |
 |
Зарегистрирован: Ср дек 24, 2008 9:59 pm Сообщения: 2439 Откуда: Нижегородская обл.Заволжье Репутация: 66 [ ? ]
Машина: Carina-E -хорошая была машина
Год выпуска: 1992
Двигатель: 4AFE LB
|
sedoy2000 писал(а): он же сам сознался, что всё это
ну работает -же?
ЗЫ: я и сам все стабилитроны у себя повыбрасывал- 1,2 КОм - рулит, в подсветку кнопок ярче и не надо
_________________ обновленный файл-исходник для клубных наклеек, шильдиков, номерных рамок и куча всего: download/file.php?id=28352
|
|
| Вернуться к началу |
|
 |
|
Mouflon
|
Добавлено: Чт ноя 05, 2009 8:11 pm |
|
 |
| Человек-легенда |
 |
Зарегистрирован: Ср фев 13, 2008 2:13 pm Сообщения: 7062 Откуда: Мытищи Репутация: 150 [ ? ]
Машина: Mitsubishi Outlander XL
Год выпуска: 2008
|
Бэндэр писал(а): sedoy2000 писал(а): он же сам сознался, что всё это ну работает -же? ЗЫ: я и сам все стабилитроны у себя повыбрасывал- 1,2 КОм - рулит, в подсветку кнопок ярче и не надо
Болт можно открутить пассатижами, но лучше использовать ключ. Если у кого то нет ключа, или руки под пассатижи заточены - то это его личные сексуальные предпочтения.
Светодиоды правильно регулировать шимом. У меня в регуляторе для паяльника динамическая индикация отлично так работала.В конкретный момент времени горит только один сегмент, но видно все 4 знака.
Так что ИМХО надо делать всё правильно, а не тяп-ляп.
_________________ Mitsubishi Outlander XL'2008 6B31 "Кролик" Любителям считать деньги в чужих карманах не хватает времени залатать дыры в своих.
|
|
| Вернуться к началу |
|
 |
|
sedoy2000
|
Добавлено: Чт ноя 05, 2009 8:16 pm |
|
 |
| Герой былин народных |
 |
Зарегистрирован: Чт фев 05, 2009 6:38 pm Сообщения: 3813 Откуда: Пермский край Репутация: 65 [ ? ]
Машина: QASHQAI
Год выпуска: 2010
Двигатель: HR16DE
|
Бэндэр писал(а): ну работает -же? Естественно... даже больше скажу, должно работать. Mouflon писал(а): Болт можно открутить пассатижами, но лучше использовать ключ. Воистину так...
В данном случае каждый изгаляется так, как ему позволяют желание, умение и возможности... 
_________________ CarinaE GLI 4A-FE(Lean Burn) 1993г. механика JPP красный (3j6) седан. Skoda Octavia Combi tour Год выпуска 2005 Двигатель 1,6 AKL ( всё в прошлом), CarinaE GLI LB 3S-fe 1992г. механика, JPP синенький лифт.
|
|
| Вернуться к началу |
|
 |
|
Mouflon
|
Добавлено: Чт ноя 05, 2009 8:18 pm |
|
 |
| Человек-легенда |
 |
Зарегистрирован: Ср фев 13, 2008 2:13 pm Сообщения: 7062 Откуда: Мытищи Репутация: 150 [ ? ]
Машина: Mitsubishi Outlander XL
Год выпуска: 2008
|
Dmitry_R писал(а): И ещё последняя полезная информация. Как показала практика и многочисленные испытания, самый яркий и равномерный свет дают вот такие типы готовых светодиодных ламп. http://www.ledlamp.com.ua/catalog/index ... NT_ID=1411http://www.ledlamp.com.ua/catalog/index ... NT_ID=1197http://www.ledlamp.com.ua/catalog/index ... NT_ID=1193Заграница нам поможет. PS. Методику испытаний в кратце можно услышать? Добавлено спустя 1 минуту 13 секунд:sedoy2000 писал(а): Бэндэр писал(а): ну работает -же? Естественно... даже больше скажу, должно работать. Mouflon писал(а): Болт можно открутить пассатижами, но лучше использовать ключ. Воистину так... В данном случае каждый изгаляется так, как ему позволяют желание, умение и возможности... 
7805, Атмега8 и 2003 у меня лежат в коробке. 
_________________ Mitsubishi Outlander XL'2008 6B31 "Кролик" Любителям считать деньги в чужих карманах не хватает времени залатать дыры в своих.
|
|
| Вернуться к началу |
|
 |
|
sedoy2000
|
Добавлено: Чт ноя 05, 2009 8:20 pm |
|
 |
| Герой былин народных |
 |
Зарегистрирован: Чт фев 05, 2009 6:38 pm Сообщения: 3813 Откуда: Пермский край Репутация: 65 [ ? ]
Машина: QASHQAI
Год выпуска: 2010
Двигатель: HR16DE
|
Dmitry_R писал(а): И про ШИМ писал, причины, почему этого делать не стоит. Ага... нашел http://carina-e.ru/viewtopic.php?p=49314#49314Цитата: да никчему такие сложности при столь малых токах, каковы требуются для подсветки органов контроля и управления. (ШИМ применяется для повышения КПД регулятора и именьшения тепловыделения)
_________________ CarinaE GLI 4A-FE(Lean Burn) 1993г. механика JPP красный (3j6) седан. Skoda Octavia Combi tour Год выпуска 2005 Двигатель 1,6 AKL ( всё в прошлом), CarinaE GLI LB 3S-fe 1992г. механика, JPP синенький лифт.
|
|
| Вернуться к началу |
|
 |
|
Mouflon
|
Добавлено: Чт ноя 05, 2009 8:37 pm |
|
 |
| Человек-легенда |
 |
Зарегистрирован: Ср фев 13, 2008 2:13 pm Сообщения: 7062 Откуда: Мытищи Репутация: 150 [ ? ]
Машина: Mitsubishi Outlander XL
Год выпуска: 2008
|
sedoy2000 писал(а): Dmitry_R писал(а): И про ШИМ писал, причины, почему этого делать не стоит. Ага... нашел http://carina-e.ru/viewtopic.php?p=49314#49314
Чорт, надо срочняком снимать усилители с машины... там импульсные блоки питания... А то вдруг сломается...
_________________ Mitsubishi Outlander XL'2008 6B31 "Кролик" Любителям считать деньги в чужих карманах не хватает времени залатать дыры в своих.
|
|
| Вернуться к началу |
|
 |
|
Dmitry_R
|
Добавлено: Чт ноя 05, 2009 8:54 pm |
|
 |
| Главный специалист по FAQ, Модератор |
 |
Зарегистрирован: Вс фев 24, 2008 3:24 pm Сообщения: 7554 Откуда: Украина, Днепропетровская обл. Репутация: 167 [ ? ]
Машина: CarinaE Англ. / Accord TypeR
Год выпуска: 1995
Двигатель: 4A-FE LB С52
|
Mouflon писал(а): надо срочняком снимать усилители с машины...
Вот сколько форум существует, хотелось бы увидеть хоть один реализованный на практике подобный проэкт.
Можно кстати и КПК подключить, тогда яркость посветки можно будет на сенсорном диспее регилировать и автоматически в зависимости от времени суток и фаз луны.
Эх. такую бы энергию, да в мирных целях... в усовершенствование подвески и тормозов например...
_________________ CarinaE 4A-FE LB, седан. + HONDA Accord TypeR_______________________________________________ Кто хочет - ищет способ, кто не хочет - ищет причину.
|
|
| Вернуться к началу |
|
 |
|
Mouflon
|
Добавлено: Чт ноя 05, 2009 9:00 pm |
|
 |
| Человек-легенда |
 |
Зарегистрирован: Ср фев 13, 2008 2:13 pm Сообщения: 7062 Откуда: Мытищи Репутация: 150 [ ? ]
Машина: Mitsubishi Outlander XL
Год выпуска: 2008
|
Dmitry_R писал(а): Вот сколько форум существует, хотелось бы увидеть хоть один реализованный на практике подобный проэкт. По русски проект пишется. Хотя на украине может быть и по другому. Если всё правильно, то сорри... Цитата: Можно кстати и КПК подключить, тогда яркость посветки можно будет на сенсорном диспее регилировать и автоматически в зависимости от времени суток и фаз луны. Дмитрий, не с тобой ли мы дискутировали по поводу светодиодов? Что то я припоминаю кого то, с альтернативным подходом к диспуту... Цитата: Эх. такую бы энергию, да в мирных целях... в усовершенствование подвески и тормозов например...
К сожалению, на данный момент моя энергия направлена на зарабатывание денег. По поводу помех от маломощного ШИМ регулятора - а помехи от катушки зажигания Вас не смущают?
_________________ Mitsubishi Outlander XL'2008 6B31 "Кролик" Любителям считать деньги в чужих карманах не хватает времени залатать дыры в своих.
|
|
| Вернуться к началу |
|
 |
|
sedoy2000
|
Добавлено: Чт ноя 05, 2009 9:03 pm |
|
 |
| Герой былин народных |
 |
Зарегистрирован: Чт фев 05, 2009 6:38 pm Сообщения: 3813 Откуда: Пермский край Репутация: 65 [ ? ]
Машина: QASHQAI
Год выпуска: 2010
Двигатель: HR16DE
|
Dmitry_R писал(а): Вот сколько форум существует, хотелось бы увидеть хоть один реализованный на практике подобный проэкт. вот как только светодиоды поставлю.... обязательно что-нибудь соберу.
Только ещё светодиоды бы где-то приобрести - в магазинах нет, а с интернет-магазинами надоело работать 
_________________ CarinaE GLI 4A-FE(Lean Burn) 1993г. механика JPP красный (3j6) седан. Skoda Octavia Combi tour Год выпуска 2005 Двигатель 1,6 AKL ( всё в прошлом), CarinaE GLI LB 3S-fe 1992г. механика, JPP синенький лифт.
Последний раз редактировалось sedoy2000 Чт ноя 05, 2009 9:35 pm, всего редактировалось 1 раз.
|
|
| Вернуться к началу |
|
 |
|
Dmitry_R
|
Добавлено: Чт ноя 05, 2009 9:30 pm |
|
 |
| Главный специалист по FAQ, Модератор |
 |
Зарегистрирован: Вс фев 24, 2008 3:24 pm Сообщения: 7554 Откуда: Украина, Днепропетровская обл. Репутация: 167 [ ? ]
Машина: CarinaE Англ. / Accord TypeR
Год выпуска: 1995
Двигатель: 4A-FE LB С52
|
sedoy2000 писал(а): обязательно что-нибудь соберу. Верю что сделаешь, и думаю схема у тебя будет гораздо проще  Mouflon писал(а): потому что светодиод грубо говоря или работает, или не работает Mouflon писал(а): Э... не ну может быть и так, но что то я себе слабо представляю как менять яркость свечения у светодиода путём добавления резистора...
После этих фраз дискуссия бессмысленна и неинтересна, поэтому из темы ушел. Удачи 
_________________ CarinaE 4A-FE LB, седан. + HONDA Accord TypeR_______________________________________________ Кто хочет - ищет способ, кто не хочет - ищет причину.
|
|
| Вернуться к началу |
|
 |
Кто сейчас на конференции |
Сейчас этот форум просматривают: нет зарегистрированных пользователей и гости: 11 |
|
Вы не можете начинать темы Вы не можете отвечать на сообщения Вы не можете редактировать свои сообщения Вы не можете удалять свои сообщения Вы не можете добавлять вложения
|
|