Сообщения без ответов | Активные темы
| Автор |
Сообщение |
|
Vilf
|
Добавлено: Ср ноя 14, 2012 3:34 pm |
|
 |
| Его именем пора назвать улицу |
 |
Зарегистрирован: Ср ноя 10, 2010 11:51 am Сообщения: 1793 Откуда: Казань - 16rus Репутация: 40 [ ? ]
Машина: Toyota carina E , Town Ace '90
Год выпуска: 1996
Двигатель: 7A-FE LB
|
MegaDriveаа.. Это тумблеры . усе понял. 
_________________ Виль
|
|
| Вернуться к началу |
|
 |
|
Kupr_Soft
|
Добавлено: Ср ноя 14, 2012 4:45 pm |
|
 |
| Внесен в большую энциклопедию |
 |
Зарегистрирован: Чт июл 21, 2011 9:52 am Сообщения: 2599 Откуда: Питер м.Электросила Репутация: 65 [ ? ]
Машина: Carina-E GLi Лифтбэк
Год выпуска: 1992
Двигатель: 3SFE -> 3SGE Beams 200лс
|
Kentavr писал(а): хе-хе, к стати тупо по номеру 8JB 008 023-021 на экзисте можно взять !
|
|
| Вернуться к началу |
|
 |
|
Artem23
|
Добавлено: Ср ноя 14, 2012 6:35 pm |
|
 |
| Токарь клуба |
 |
Зарегистрирован: Чт ноя 19, 2009 1:04 am Сообщения: 2682 Откуда: Ковров Репутация: 139 [ ? ]
Машина: toyota carina E
Год выпуска: 1995
Двигатель: 4a-fe не LB
|
|
у себя сделал вот так как на фото ниже, запитался из багажника , проводка вся под обшивкой потолка , сделал когда делал шумку крыши . С тройниками не стал колхозить ибо убого выглядит и к тому же проводов куча по всему салону , кишки эти висят постоянно . А тут все аккуратно убрано и ничего не мешается и прикуриватель свободен .
| Вложения: |

рег2.jpg [ 452.53 КБ | Просмотров: 4353 ]
|

рег1.jpg [ 451.75 КБ | Просмотров: 4353 ]
|
_________________ Сarina E 1995 4A-FE не LB МКПП зеленый седан с ГБО Ася 395650358 , Artem23@bk.ru , 89209131550 ВИДЕООТЧЕТЫ
|
|
| Вернуться к началу |
|
 |
|
Kentavr
|
Добавлено: Ср ноя 14, 2012 8:31 pm |
|
 |
| Kentavr форума |
 |
Зарегистрирован: Вт май 06, 2008 9:33 pm Сообщения: 6128 Откуда: Москва, ЗАО, Раменки - Мытищи, МО Репутация: 245 [ ? ]
Машина: Carina-E ST191L LIFTBACK
Год выпуска: 1997
Двигатель: 3SFE 2000CC 16-VALVE DOHC EFI
|
|
[quote="Kupr_Soft"][/quote] можно, но эти ребята у меня под боком...
_________________ Олег Я на drive2.ru ГБО BRC 4-го поколения Вы не любите Тойоту? - Вы просто не умеете ею управлять!
|
|
| Вернуться к началу |
|
 |
|
sol-minor
|
Добавлено: Ср ноя 14, 2012 9:45 pm |
|
 |
| Контролер |
 |
Зарегистрирован: Пт апр 01, 2011 1:54 pm Сообщения: 679 Откуда: Алматы Репутация: 6 [ ? ]
Машина: Caldina АКПП 4WD
Год выпуска: 1996
Двигатель: 3S-GE
|
Artem23 писал(а): у себя сделал вот так как на фото ниже, запитался из багажника , проводка вся под обшивкой потолка , сделал когда делал шумку крыши . С тройниками не стал колхозить ибо убого выглядит и к тому же проводов куча по всему салону , кишки эти висят постоянно . А тут все аккуратно убрано и ничего не мешается и прикуриватель свободен . Вот то что хотел,а в багажнике каким образом ты запитался ? от толстого плюса,всё через предохранитель ?
_________________ Теперь CaldinaБыла Carina EБыл Subaru Legacy TwinTurboИз всех упражнений для лифтёра важнейшим являются приседания со штангой
|
|
| Вернуться к началу |
|
 |
|
Artem23
|
Добавлено: Ср ноя 14, 2012 9:53 pm |
|
 |
| Токарь клуба |
 |
Зарегистрирован: Чт ноя 19, 2009 1:04 am Сообщения: 2682 Откуда: Ковров Репутация: 139 [ ? ]
Машина: toyota carina E
Год выпуска: 1995
Двигатель: 4a-fe не LB
|
не , без предохранителя , тупо нашел свободную фишку какую то в левом заднем крыле ,и в ней нашел плюс с минусом которые появляются при включении замка зажигания , туда и подцепился 
_________________ Сarina E 1995 4A-FE не LB МКПП зеленый седан с ГБО Ася 395650358 , Artem23@bk.ru , 89209131550 ВИДЕООТЧЕТЫ
|
|
| Вернуться к началу |
|
 |
|
Тит 32
|
Добавлено: Ср ноя 14, 2012 10:41 pm |
|
 |
| Контролер |
 |
Зарегистрирован: Пн июл 04, 2011 11:27 pm Сообщения: 731 Откуда: г.Брянск Репутация: 13 [ ? ]
Машина: Карина Е 2.0
Год выпуска: 1993
Двигатель: 3SFE
|
|
Artem23 На проводах регистратора и антирадара есть штеккера для подключения в прикуриватель. Ты их срезал и напрямую к фишке? Или как???
_________________ Сергей. Сине-зеленый седан.МКПП. GL TYPE 
|
|
| Вернуться к началу |
|
 |
|
Artem23
|
Добавлено: Чт ноя 15, 2012 12:37 am |
|
 |
| Токарь клуба |
 |
Зарегистрирован: Чт ноя 19, 2009 1:04 am Сообщения: 2682 Откуда: Ковров Репутация: 139 [ ? ]
Машина: toyota carina E
Год выпуска: 1995
Двигатель: 4a-fe не LB
|
|
разобрал эти вилки их и посмотрел че внутри , у регистратора была микросхема в вилке , а у антирадара не было , вот у радара срезал вилку и смотал с питанием , у монитора также , у регистратора припаял два куска провода примерно по 10см к контактам вилки , и эти провода так же смотал с питанием.
| Вложения: |

11.jpg [ 76.88 КБ | Просмотров: 4248 ]
|
_________________ Сarina E 1995 4A-FE не LB МКПП зеленый седан с ГБО Ася 395650358 , Artem23@bk.ru , 89209131550 ВИДЕООТЧЕТЫ
|
|
| Вернуться к началу |
|
 |
|
chip
|
Добавлено: Чт ноя 15, 2012 3:03 am |
|
 |
| Бригадир |
 |
Зарегистрирован: Вс янв 17, 2010 12:22 pm Сообщения: 107 Откуда: Тверская область, г.Нелидово, Санкт-Питер Репутация: 1 [ ? ]
Машина: CT190 лифтбэк XL
Год выпуска: 1994
Двигатель: 2С
|
Artem23А без предохранителя ниче не будет? Или фишка идет через него?
_________________ Carina родилась в 94г. в Англии, имеет 74 л.с.(но зато какие!), двиг. на 2.0л, питается исключительно диз.топливом, хэтчбек 
|
|
| Вернуться к началу |
|
 |
|
Тит 32
|
Добавлено: Чт ноя 15, 2012 9:00 am |
|
 |
| Контролер |
 |
Зарегистрирован: Пн июл 04, 2011 11:27 pm Сообщения: 731 Откуда: г.Брянск Репутация: 13 [ ? ]
Машина: Карина Е 2.0
Год выпуска: 1993
Двигатель: 3SFE
|
Artem23 
_________________ Сергей. Сине-зеленый седан.МКПП. GL TYPE 
|
|
| Вернуться к началу |
|
 |
|
Krannik01
|
Добавлено: Вт июл 07, 2015 12:08 pm |
|
 |
| Состоявшийся |
 |
Зарегистрирован: Пн дек 28, 2009 12:26 am Сообщения: 67 Откуда: Беларусь,Г.Солигорск Репутация: 1 [ ? ]
|
|
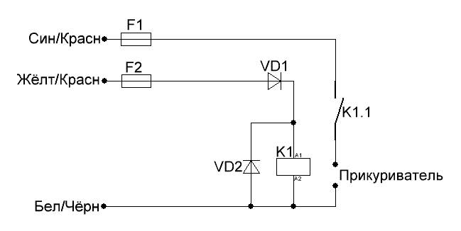
С появлением различных автомобильных гаджетов появилась проблема с розеткой прикуривателя. Суть проблемаы в том, что постоянно не хватает свободных гнёзд для питания. А ещё в наших машинах штатный прикуриватель начинает работать с режима "ACC" и при запуске двигателя питание отключается (во время прокучивания стартером). В результате все устройства, включенные в штатный прикуриватель, перезагружаются. Предлагаю вот такой вариант реализации тройника. Внешние устройства включаются в бордачке, а провода прячутся за обшивкой. Питание устройств осуществляется только во время работы двигателя!
| Вложения: |
Комментарий к файлу: Для размножения гнёзд прикуривателя был приобретён тройник.

1.jpg [ 164.51 КБ | Просмотров: 4075 ]
|
Комментарий к файлу: Однако торчащий вид сего устройства никак не устраивал, а также хотелось придумать автоматическое включение тройника после запуска двигателя. В результате была придумана вот такая схема
Схема.GIF [4.9 КБ]
Скачиваний: 1
|
Комментарий к файлу: В качестве "Автоматизации схемы" был использован вывод "L" генератора (жёлто/красный провод).На нём появляется +12 Вольт при появлении зарядки.
Реле можно использовать любое малогабаритное с катушкой на 12 Вольт и током коммутации не меннее 3 Ампер. Монтаж выполняем навесным монтажём.

2.jpg [ 150.9 КБ | Просмотров: 4075 ]
|
Комментарий к файлу: После припайки проводов к реле все тщательно изолируем и размещаем внутри тройника.

3.jpg [ 156.7 КБ | Просмотров: 4075 ]
|
Комментарий к файлу: Для удобства я разместил тройник в бардачке. Приклеил на двухсторонний скотч.

5.jpg [ 96.05 КБ | Просмотров: 4075 ]
|
Комментарий к файлу: Првоода питания подключаем на штатном разъёме прикуривателя

7.jpg [ 113.54 КБ | Просмотров: 4075 ]
|
Комментарий к файлу: Провод для управления схемой (жёлто/красный) подключаем либо на гегераторе, либо за бордачком находим этот провод на блоке упрвления (справа от ЭБУ двигателя) в верхней фишке.

8.jpg [ 168.16 КБ | Просмотров: 4075 ]
|
Комментарий к файлу: Окончательный вид получился вот такой. Также можно использовать гнёзда "USB" для питания или зарядки различных устройств.

9.jpg [ 105.82 КБ | Просмотров: 4075 ]
|
_________________ Carina e,1997,4A-FE,седан,англичанка, не LB, XLI продана Carina e Flash,1997,7A-FE,хэтчбек,англичанка,LB
|
|
| Вернуться к началу |
|
 |
Кто сейчас на конференции |
Сейчас этот форум просматривают: нет зарегистрированных пользователей и гости: 20 |
|
Вы не можете начинать темы Вы не можете отвечать на сообщения Вы не можете редактировать свои сообщения Вы не можете удалять свои сообщения Вы не можете добавлять вложения
|
|