Сообщения без ответов | Активные темы
| Автор |
Сообщение |
|
Дмб
|
Добавлено: Ср июн 01, 2022 10:45 pm |
|
 |
| Атлант клуба |
 |
Зарегистрирован: Чт июл 05, 2012 5:19 pm Сообщения: 3636 Откуда: Ивановская область г.Шуя Репутация: 35 [ ? ]
Машина: CARINA E liftback
Год выпуска: 1996
Двигатель: 3S-FE
|
Конденсатор может потерять емкость и не разбухнуть 
_________________ Просто Димка на Каринке Тойота Карина Е Sportswagon 97г.4А-FE LB, МКПП (продана) Тойота Карина Е Liftback 96 г.3S-FE, МКПП, есть всё.
|
|
| Вернуться к началу |
|
 |
|
Twomax
|
Добавлено: Ср июн 01, 2022 10:45 pm |
|
 |
| Бригадир |
 |
Зарегистрирован: Пн июн 02, 2014 2:38 pm Сообщения: 240 Откуда: Ростов-на-Дону Репутация: 4 [ ? ]
Машина: Toyota Carina E
Год выпуска: 1995
Двигатель: 3S-FE
|
Azamat_630 писал(а): Не знаю, у владельцев 3S было такое,что конденсаторы в ЭБУ вспухают? Даже не знаю.. Не слышал такого даже Azamat_630 писал(а): Мойку двигателя не делали случайно? Нет, не делал. Хотя давно пора бы) Добавлено спустя 2 минуты 8 секунд:Re: Глохнет при трогании, кто сталкивался помогите пожалуйстаДмб писал(а): Конденсатор может потерять емкость и не разбухнуть И тогда они могут заставить машину себя так вести? - Сначала запустить на холодную, потом на горячую отлично работать - Потом троение, глюки тахометра - А потом не запускать ни на холодную, ни на горячую
_________________ Toyota Carina E, 1995г., 3S-FE, 2.0л., седан, англичаночка
|
|
| Вернуться к началу |
|
 |
|
Azamat_630
|
Добавлено: Ср июн 01, 2022 10:52 pm |
|
 |
| Летописец |
 |
Зарегистрирован: Сб мар 07, 2015 10:54 am Сообщения: 4604 Откуда: Адыгея Репутация: 90 [ ? ]
Машина: Toyota Carina E, Cедан,BEMNKW
Год выпуска: 1997
Двигатель: 4A-FE Std,Bosch Motronic
|
Twomax писал(а): А потом не запускать ни на холодную, ни на горячую В смысле, после выключения горячего двигателя потом не запускается? В смысле на горячую не заводится? Добавлено спустя 4 минуты 51 секунду:Re: Глохнет при трогании, кто сталкивался помогите пожалуйстаФорсунки синего цвета?
_________________ Судьбы неведомое и загадочное завтра...
|
|
| Вернуться к началу |
|
 |
|
Twomax
|
Добавлено: Ср июн 01, 2022 11:03 pm |
|
 |
| Бригадир |
 |
Зарегистрирован: Пн июн 02, 2014 2:38 pm Сообщения: 240 Откуда: Ростов-на-Дону Репутация: 4 [ ? ]
Машина: Toyota Carina E
Год выпуска: 1995
Двигатель: 3S-FE
|
Azamat_630Да, когда всё только началось, она перестала заводиться на горячую. А потом и на холодную не заводилась. НО опишу детальнее, как всё было именно сегодня. Мне привезли новую катушку зажигания. Пошёл в машину - снял трамблёр (новый, с исправными датчиками внутри), поменял катушку, поставил обратно - не завелась (на холодную). Крутит, но как-будто нет искры. Понял, что крышка трамблёра не та (с тонкими контактами, бегунок не доставал) - поставил другую крышку (с нормальными контактами). Завелась. Обороты ровненькие, не троит, не тупит, на газ реагирует бодро, никаких ошибок нет - ни 12ой, ни 14ой. Полчаса работала просто отлично! Решил проехаться. Проехался по дворам - всё просто супер было. Запарковался обратно и счастливый пошёл домой. Через 15 минут пошёл в машину, надо было по городу поехать по делам. Сел. Завёл. Завелась отлично (уже на горячую). Но не успел проехать и километра, как началось то, о чём я писал в самом первом моём сообщении - двигатель троит, обороты начали скакать, стрелка тахометра лишилась рассудка и, в итоге, заглохла. Потом завелась на пару секунд и почти сразу глохнет. Потом опять так же. Кое как припарковался. Снял трамблёр. Переставил новую катушку в старый трамблёр, всё поставил обратно - завелась, поехал. Проехал 500 метров, припарковался у дома. Машина работает на холостых и через минуту опять начал троить двигатель/стрелка дёргается/глохнет. Психанул, ушёл домой писать на форуме. И вот я здесь) Добавлено спустя 45 секунд:Re: Глохнет при трогании, кто сталкивался помогите пожалуйстаAzamat_630 писал(а): Форсунки синего цвета? А вот этого даже не знаю Я туда и не лазил никогда даже
_________________ Toyota Carina E, 1995г., 3S-FE, 2.0л., седан, англичаночка
|
|
| Вернуться к началу |
|
 |
|
Azamat_630
|
Добавлено: Чт июн 02, 2022 9:41 am |
|
 |
| Летописец |
 |
Зарегистрирован: Сб мар 07, 2015 10:54 am Сообщения: 4604 Откуда: Адыгея Репутация: 90 [ ? ]
Машина: Toyota Carina E, Cедан,BEMNKW
Год выпуска: 1997
Двигатель: 4A-FE Std,Bosch Motronic
|
Twomax писал(а): Машина работает на холостых и через минуту опять начал троить двигатель/стрелка дёргается/глохнет. Давай так, надо найти причину из трёх основных проблем: искра, топливо, воздух. Искра. Чтобы исключить трамблёр - надо после того как заглохла проверить наличие искры на свечах. Для этого надо взять любую рабочую искру, одеть на любой свечной бронепровод идущий от трамблёра, приложить к корпусу клапанной крышки и прокрутить двигатель с открытым зажиганием на нейтральной скорости и ручнике (если под уклоном). Я это делаю так: viewtopic.php?p=799113#p799113 Если искра будет - надо смотреть в сторону топлива.
_________________ Судьбы неведомое и загадочное завтра...
|
|
| Вернуться к началу |
|
 |
|
Twomax
|
Добавлено: Чт июн 02, 2022 9:45 pm |
|
 |
| Бригадир |
 |
Зарегистрирован: Пн июн 02, 2014 2:38 pm Сообщения: 240 Откуда: Ростов-на-Дону Репутация: 4 [ ? ]
Машина: Toyota Carina E
Год выпуска: 1995
Двигатель: 3S-FE
|
Итак, результат сегодняшних мучений. На холодную машина не заводится. Поменял свечи. Старые отработали около года (K20RU11). На всех свечах чёрный нагар на контактах и по кругу. На керамической части только слабый жёлтый налёт. А вот на 4ём цилиндре свеча была, очень мягко выражаясь, в плохом состоянии. Чёрный нагар, вперемешку с каким-то белым, полностью закрыли свечной контакт. В общем, поменял свечи и начал. Сначала попробовал на новом трамблёре + новая катушка - не завелась. Самодиагностика выдала ошибку 14 (неисправная катушка). Потом новый трамблёр+старая катушка - не завелась. Самодиагностика выдала ошибку 14. Дальше - старый трамблёр+новая катушка - не завелась. Выдала ошибку 12, но исчезла 14ая (это, бл  - как?!  ) Под конец старый трамблёр+старая катушка - не завелась. Ошибки даже смотреть не стал. Каждый раз, когда менял местами трамблёр и катушку, полностью отсоединял аккум и вытаскивал EFI. Все попытки завести проходили при снятом корпусе воздушного фильтра и снятой гофре. Попутно почистил клапан EGR - был наглухо забит, оказывается. Проверил клемму на ДХХ - в порядке. С ДПДЗ снять не смог - там, видимо, защёлка хитрая, не стал мучиться. В общем, проводку, где смог, визуально посмотрел, посрезАл некоторые уже засохшие и рассыпающиеся кожухи, - визуально всё в порядке с проводами. В итоге, психанул, начал всё собирать обратно, оставив старый трамблёр и старую катушку. Поставил корпус возд.фильтра и гофру. Сел.. решил напоследок ещё раз крутануть зажигание. На сколько же я охренел, когда она завелась! Вот как это работает...?! Поработала она, в общем, пару минут. Обороты держала около 2ух тысяч (оно и понятно, клеммы и EFI были скинуты) Думаю - дай проверю на работающей, может где-то контакт плохой. Начал аккуратно, по очереди, дёргать клеммы и проводкИ: 2ух контактная на трамблёре - ноль реакции. Клемма ДПДЗ - ноль реакции. Клемма ДХХ - ноль реакции. 4ех контактная на трамблёре - обороты резко упали с 2ух до, примерно, 1,5 тысяч... Думаю - совпадение? Похоже, что просто прогрелась. Продолжил дёргать - разницы не заметил. В общем, поработала она ещё какое-то время - подтраивала, вибрировала, не сильно подёргивалась, но работала. В общем, заглушил, и пошёл домой - думать о дальнейшем плане действий. Искру сегодня проверять не стал. Проверю завтра при поддержке жены. Плюс, думаю что найду омметр (очень не хочу покупать, хоть и не дорого. Итак уже денег вбухано  ) и проверю сопротивление на всех имеющихся "в запасе" катушках. А их сейчас 5 штук  и проверю сопротивление всех проводов, а их - три комплекта. Масума, Сат и какие-то ноу-нейм. В общем, вот такие пироги за сегодня.
_________________ Toyota Carina E, 1995г., 3S-FE, 2.0л., седан, англичаночка
|
|
| Вернуться к началу |
|
 |
|
Fidel
|
Добавлено: Пт июн 03, 2022 12:34 pm |
|
 |
| Внесен в большую энциклопедию |
 |
Зарегистрирован: Ср фев 25, 2009 9:36 am Сообщения: 2986 Откуда: Краснод. край Репутация: 186 [ ? ]
Машина: Toyota Avensis Liftback 3M3
Год выпуска: 1997
Двигатель: 7A-FE LB, МКПП
|
Twomax писал(а): Теперь буду знать, что он только на дизелях, спасибо!) Не надо это знать, ибо это не так. ТНВД случаются и на бензиновых моторах. 3S-FSE, например. По симптомам я бы смотрел в сторону электрики. Не будет тахометр плясать от неисправностей топливной системы. Не исключено, что источник проблем - генератор. Когда в сети не постоянное, а хаотично скачущее напряжение - возможны проблемы и с приборами, и с зажиганием. И убить катушки тоже можно, если напряжение еще и сильно превышает норму.
_________________ Андрей, TOYOTA AVENSIS 97г.в. 7A-FE (LB), КПП мех, Liftback 3M3, LINEA TERRA, теперь с кондиционером. ICQ Нервные клетки не восстанавливаются? Да и хрен с ними - нервные сдохнут, спокойные останутся... ИМХОячу.
|
|
| Вернуться к началу |
|
 |
|
Azamat_630
|
Добавлено: Пт июн 03, 2022 5:19 pm |
|
 |
| Летописец |
 |
Зарегистрирован: Сб мар 07, 2015 10:54 am Сообщения: 4604 Откуда: Адыгея Репутация: 90 [ ? ]
Машина: Toyota Carina E, Cедан,BEMNKW
Год выпуска: 1997
Двигатель: 4A-FE Std,Bosch Motronic
|
Twomax писал(а): вот такие пироги за сегодня Обрати внимание на цвет форсунок, я сам на сталкивался, но на форуме часто жаловались на форсунки синего цвета, мол после прогрева они начинают глючить...
_________________ Судьбы неведомое и загадочное завтра...
|
|
| Вернуться к началу |
|
 |
|
Twomax
|
Добавлено: Сб июн 04, 2022 3:16 pm |
|
 |
| Бригадир |
 |
Зарегистрирован: Пн июн 02, 2014 2:38 pm Сообщения: 240 Откуда: Ростов-на-Дону Репутация: 4 [ ? ]
Машина: Toyota Carina E
Год выпуска: 1995
Двигатель: 3S-FE
|
|
Fidel Напряжение может подниматься до 14,5 только на холодный запуск. После не большого прогрева выше 14,3 не поднимается, держится на уровне 14-14,2. При всех включённых потребителях (кондёр, дальний - светодиоды, магнитола, обогрев заднего стелка, аварийка) ниже 13,6-13,7 не опускается. Если это всё выключить,то возвращается к норме 14-14,2, не выше. Это показания по бортовику. Зарядку с генератора на аккум не проверял.
Azamat_630 Там всё в грязи))) Да, каюсь, двигатель надо мыть) Но завтра увезу её к электрику, пусть уже копается, всё досконально смотрит. Но, мне кажется, Фидель правильно говорит, что тахометр не будет себя так вести при неисправности топливной системы. Копать надо в электрику.
_________________ Toyota Carina E, 1995г., 3S-FE, 2.0л., седан, англичаночка
|
|
| Вернуться к началу |
|
 |
|
Череп
|
Добавлено: Сб июн 04, 2022 4:35 pm |
|
 |
| Герой былин народных |
Зарегистрирован: Сб янв 18, 2014 7:59 pm Сообщения: 3541 Откуда: Таганрог Репутация: 58 [ ? ]
Машина: Toyota Carina-E
Год выпуска: 1996
Двигатель: 1.6LB
|
TwomaxСигнал на трахометр идет с коммутатора Добавлено спустя 3 минуты 17 секунд:Re: Глохнет при трогании, кто сталкивался помогите пожалуйстаAzamat_630 писал(а): на форуме часто жаловались на форсунки синего цвета, мол после прогрева они начинают глючить. Это атрибутика 4А. На 3S другие форсунки. Их иногда чистить надо. Добавлено спустя 3 минуты 55 секунд:Re: Глохнет при трогании, кто сталкивался помогите пожалуйстаTwomax писал(а): И тогда они могут заставить машину себя так вести? Тогда может пробить даже новую кукушку зажигания, и унести с собой коммутатор. У всех по-разному. Кому 2км хватает, кто-то 150км проехать умудряется.
_________________ В третий раз купил старик Toyota Carina-E...
|
|
| Вернуться к началу |
|
 |
|
Twomax
|
Добавлено: Сб июн 04, 2022 5:18 pm |
|
 |
| Бригадир |
 |
Зарегистрирован: Пн июн 02, 2014 2:38 pm Сообщения: 240 Откуда: Ростов-на-Дону Репутация: 4 [ ? ]
Машина: Toyota Carina E
Год выпуска: 1995
Двигатель: 3S-FE
|
Череп писал(а): Сигнал на трахометр идет с коммутатора Вот огромное спасибо тебе за это, добрый человек!  Наверное, плохо искал, но я половину форума облазил в поисках инф-ы, откуда идут показания на тахометр в моём двиге! Это который к стакану прикручен, возле диагностического разъёма, да? Снимать и разбирать я его не стал, но клемма более чем живая, что снаружи, что внутри - нет ни малейшего намёка на КЗ. Но точно сказать можно будет, разумеется, только после прозвонки и диагностики внутренностей. Учитывая, что самодиагностика выдаёт ошибку 12. Не смотря на то, что это ошибка датчика положения коленвала, что в трамблёре, общая инф-а из букваря говорит, что 12ая ошибка - это ошибка тахометра и его цепь. Теперь, благодаря тебе, под прицел попал и коммутатор.
_________________ Toyota Carina E, 1995г., 3S-FE, 2.0л., седан, англичаночка
|
|
| Вернуться к началу |
|
 |
|
Череп
|
Добавлено: Сб июн 04, 2022 6:14 pm |
|
 |
| Герой былин народных |
Зарегистрирован: Сб янв 18, 2014 7:59 pm Сообщения: 3541 Откуда: Таганрог Репутация: 58 [ ? ]
Машина: Toyota Carina-E
Год выпуска: 1996
Двигатель: 1.6LB
|
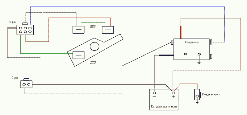
Twomax писал(а): Наверное, плохо искал, но я половину форума облазил в поисках инф-ы, откуда идут показания на тахометр в моём двиге! А я случайно узнал. Оказывается, такая схема применяется на любом бензиновом моторе, с любым трамблером. Twomax писал(а): Это который к стакану прикручен, возле диагностического разъёма, да? Видимо да. У меня машина на 3S последний раз была в 2007 году, я уже не помню, что там и как. На моем ведре к левому стакану все это хозяйство прикручено. Но у меня 4А. Twomax писал(а): Снимать и разбирать я его не стал, Не нужно этого делать. Мутатор не разборный. Максимум 1 из половинок корпуса можно снять. Надо искать откуда на него плюс питания поступает. Или не поступает, хотя должен. Короч, приложу схемы, которые нарыл для своих нужд. Мож пригодятся
| Вложения: |

камутатор тайота 5 контактов.jpg [ 94.42 КБ | Просмотров: 3559 ]
|

зажигание 4А.jpg [ 159.54 КБ | Просмотров: 3559 ]
|
Схема тромба 6+2.GIF [7.92 КБ]
Скачиваний: 0
|
_________________ В третий раз купил старик Toyota Carina-E...
|
|
| Вернуться к началу |
|
 |
|
Twomax
|
Добавлено: Вс июн 12, 2022 9:24 pm |
|
 |
| Бригадир |
 |
Зарегистрирован: Пн июн 02, 2014 2:38 pm Сообщения: 240 Откуда: Ростов-на-Дону Репутация: 4 [ ? ]
Машина: Toyota Carina E
Год выпуска: 1995
Двигатель: 3S-FE
|
Итак.. победил проблему) В итоге, это действительно оказался коммутатор! Заменил на БУ-шный оригинал, и машина завелась и поехала. Несколько дней обкатки и проверок показали, что проблема ушла - ошибок нет, заводится и на холодную и на горячую, при трогании не глохнет, да и вообще едет))) Проявилась другая проблемка - напряжение доходит до бортовика с хорошими такими потерями. Генератор выдаёт 14,2-14,3, до аккума доходит 14,1-14,2, а вот до бортовика уже доходит 13,6-13,8. А если включить кондёр и габариты, то, на холостых, может просесть вообще до 13. На ходу может подняться до 13,9, потом скакнуть до 13,2, потом обратно на 13,9-14. В общем, скачет напряжение либо по пути к мозгам, либо по пути к бортовику. На старом коммутаторе такого не было. Но это уже, думаю, обсуждать нужно в другой теме) В общем, Череп, земляк, огромное тебе спасибо за наводку на коммутатор! 
_________________ Toyota Carina E, 1995г., 3S-FE, 2.0л., седан, англичаночка
|
|
| Вернуться к началу |
|
 |
Кто сейчас на конференции |
Сейчас этот форум просматривают: нет зарегистрированных пользователей и гости: 17 |
|
Вы не можете начинать темы Вы не можете отвечать на сообщения Вы не можете редактировать свои сообщения Вы не можете удалять свои сообщения Вы не можете добавлять вложения
|
|