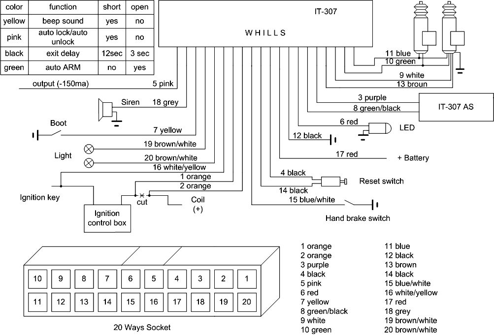
Сирену расковырял, батареек там тоже нет, батарейки точно должны быть? и еще, без пульта можно как-то включить сигналку, проверить? выносной диод не мигает. кнопка аварийного выключения никак не реагирует.
Добавлено спустя 40 минут 38 секунд:
SaiD писал(а):
На Фотке №2 слева синяя верхняя релюха похоже и есть реле блокировки двигателя. чтобы машина работала без сигналки нужно соединить в разъеме 2 верхних левых провода с этой-же фотки - они как раз идут на контакты этого реле.
так и есть, с разьема два провода уходят на ЦЗ .
