Сообщения без ответов | Активные темы
| Автор |
Сообщение |
|
old_Duglas
|
Добавлено: Пт апр 18, 2014 11:19 am |
|
 |
| Герой былин народных |
 |
Зарегистрирован: Вт янв 15, 2008 1:29 am Сообщения: 3162 Откуда: г.Ижевск Репутация: 291 [ ? ]
Машина: TOYOTA Carina E
Год выпуска: 1992
Двигатель: 3S-GTE 4WD
|
у меня как у кариновода вынашиваемому эту идею куча вопросов. - запчасти подбирал с левого руля? - электрика автономна? Т.е. подаем "+" и "-" и система работает (за исключением конечно кондиционерных. имеется донор с которого все планировалось переставлять, а теперь зная что это реально, очень не терпится. Но хотелось бы с минимальными потерями по времени это сделать. 
_________________ СЯО CDC TOYOTA CarinaE GLI; кузов - liftback [LB]; 4AFE-> 4AGE BT-> 3S-GTE; C51(2WD)-> E56F2-05B 4WD!!!; цвет - Rally Red Exterior [3j6]; ABS, TORSEN, ЛЮК, КЛИМАТ. 7/1992год ( одна из первых, Японка из Голландии) logbook D2
|
|
| Вернуться к началу |
|
 |
|
СергейS
|
Добавлено: Пт апр 18, 2014 11:59 am |
|
 |
| Братва из Казахстана |
 |
Зарегистрирован: Вт ноя 24, 2009 8:24 pm Сообщения: 2664 Откуда: г.Астана Репутация: 54 [ ? ]
Машина: Subaru Legacy B4
Год выпуска: 2000
Двигатель: 2500
|
Ждём фотоотчёта  и копим денюшку на комплектующие 
_________________ 
|
|
| Вернуться к началу |
|
 |
|
-=Zhen_DOS=-
|
Добавлено: Пт апр 18, 2014 12:10 pm |
|
 |
| Инструктор |
Зарегистрирован: Пн сен 24, 2012 7:19 pm Сообщения: 376 Откуда: Чебоксары Репутация: 3 [ ? ]
Машина: Toyota Carina E
Год выпуска: 1997
Двигатель: 3s-fe
|
|
Faranos А вот скажи пожалуйста по нынешним ценам, в какую сумму встанет покупка запчастей для такого проекта?
_________________ 
|
|
| Вернуться к началу |
|
 |
|
Роман44
|
Добавлено: Пт апр 18, 2014 2:04 pm |
|
 |
| Герой былин народных |
 |
Зарегистрирован: Чт фев 12, 2009 11:19 am Сообщения: 3061 Откуда: Кострома Репутация: 31 [ ? ]
Машина: Avensis
Год выпуска: 2001
Двигатель: 3S-FE
|
Faranos писал(а): не работает 
_________________ CARINA E 3SFE 1993 - продана AVENSIS AT22, 3SFE SOL 2001 www.plus-kostroma.ru
|
|
| Вернуться к началу |
|
 |
|
old_Duglas
|
Добавлено: Пт апр 18, 2014 2:07 pm |
|
 |
| Герой былин народных |
 |
Зарегистрирован: Вт янв 15, 2008 1:29 am Сообщения: 3162 Откуда: г.Ижевск Репутация: 291 [ ? ]
Машина: TOYOTA Carina E
Год выпуска: 1992
Двигатель: 3S-GTE 4WD
|
|
Роман44 часа 3 назад показывало
_________________ СЯО CDC TOYOTA CarinaE GLI; кузов - liftback [LB]; 4AFE-> 4AGE BT-> 3S-GTE; C51(2WD)-> E56F2-05B 4WD!!!; цвет - Rally Red Exterior [3j6]; ABS, TORSEN, ЛЮК, КЛИМАТ. 7/1992год ( одна из первых, Японка из Голландии) logbook D2
|
|
| Вернуться к началу |
|
 |
|
Vital 3S
|
Добавлено: Пт апр 18, 2014 7:58 pm |
|
 |
| Самостоятельный |
 |
Зарегистрирован: Ср окт 09, 2013 11:39 am Сообщения: 41 Откуда: Краснодар Репутация: 9 [ ? ]
Машина: Toyota Carina E GLI, Хэтчбэк
Год выпуска: 1997
Двигатель: 7A-FE
|
FaranosБраво! 
_________________ Сейчас Carina E GLI, 7A-FE, хэчбек, цвет: сине-зеленый, Англия; 1997 г.в./// 3S-GE BEAMS Redtop 1999; MT s54-06d torsen; Клима Ранее Carina E GLI, 3S-FE, седан, цвет: серый металлик, Япония. 1993 г.в.
|
|
| Вернуться к началу |
|
 |
|
андрей софьин
|
Добавлено: Пн апр 21, 2014 8:33 pm |
|
 |
| Инструктор |
 |
Зарегистрирован: Чт сен 20, 2012 8:35 am Сообщения: 322 Откуда: Н.Новгород, Линда Репутация: 8 [ ? ]
Машина: caldina191 ниво-зомби
Год выпуска: 1993
Двигатель: 3sfe
|
Цитата: На столе пробовал, проблем нет, пока какой нибудь из датчиков не обрубишь, вот тогда и не адекватное поведение начинается.
вы меня не слышите. система у меня работает с Вашей точки зрения отлично. а чтобы понять, о чем я говорю, надо сравнить климат наших тойот с климатом современных, пусть тоже тойот  вот тогда Вам станет ясно. тока никому об этом не говорите 
|
|
| Вернуться к началу |
|
 |
|
Faranos
|
Добавлено: Пн апр 21, 2014 10:04 pm |
|
 |
| Летописец |
 |
Зарегистрирован: Чт дек 04, 2008 6:46 pm Сообщения: 4383 Откуда: Улан-Удэ Репутация: 250 [ ? ]
Машина: Carina-E->LEXUS
Год выпуска: 2020
Двигатель: 4A>3s>3s-ge beams vvt-i
|
|
Может мы о разных вариантах говорим? Как выяснилось у корон калдин три варианта блоков управления климой, смею предположить 1й с92 по 94г-сырой, 2й с 94 по конец 94-доработанный и 3й с 94 по 96 -усовершенствованный))) У меня последний вариант.
_________________ Моя барахолка ..…..............…….. Мы на DRIVE2
|
|
| Вернуться к началу |
|
 |
|
old_Duglas
|
Добавлено: Пн апр 21, 2014 10:51 pm |
|
 |
| Герой былин народных |
 |
Зарегистрирован: Вт янв 15, 2008 1:29 am Сообщения: 3162 Откуда: г.Ижевск Репутация: 291 [ ? ]
Машина: TOYOTA Carina E
Год выпуска: 1992
Двигатель: 3S-GTE 4WD
|
|
У меня тогда сырой вариант на доноре, его можно имплантировать?
_________________ СЯО CDC TOYOTA CarinaE GLI; кузов - liftback [LB]; 4AFE-> 4AGE BT-> 3S-GTE; C51(2WD)-> E56F2-05B 4WD!!!; цвет - Rally Red Exterior [3j6]; ABS, TORSEN, ЛЮК, КЛИМАТ. 7/1992год ( одна из первых, Японка из Голландии) logbook D2
|
|
| Вернуться к началу |
|
 |
|
den732
|
Добавлено: Ср апр 23, 2014 8:24 pm |
|
 |
| Инструктор |
 |
Зарегистрирован: Чт янв 29, 2009 3:38 pm Сообщения: 459 Откуда: Йошкар-Ола Репутация: 18 [ ? ]
Машина: Carina E
Год выпуска: 1994
Двигатель: 4a-fe
|
|
Faranos а как планируется победить неправильную форму нижней части панели управления
_________________ Денис TOYOTA CARINA E 4A-FE не LB седанчик XLi `93г. сине-зеленая ласточка-англичанка
|
|
| Вернуться к началу |
|
 |
|
андрей софьин
|
Добавлено: Чт апр 24, 2014 1:02 am |
|
 |
| Инструктор |
 |
Зарегистрирован: Чт сен 20, 2012 8:35 am Сообщения: 322 Откуда: Н.Новгород, Линда Репутация: 8 [ ? ]
Машина: caldina191 ниво-зомби
Год выпуска: 1993
Двигатель: 3sfe
|
Цитата: Может мы о разных вариантах говорим? вряд ли 
|
|
| Вернуться к началу |
|
 |
|
Vital 3S
|
Добавлено: Вс фев 08, 2015 3:11 am |
|
 |
| Самостоятельный |
 |
Зарегистрирован: Ср окт 09, 2013 11:39 am Сообщения: 41 Откуда: Краснодар Репутация: 9 [ ? ]
Машина: Toyota Carina E GLI, Хэтчбэк
Год выпуска: 1997
Двигатель: 7A-FE
|
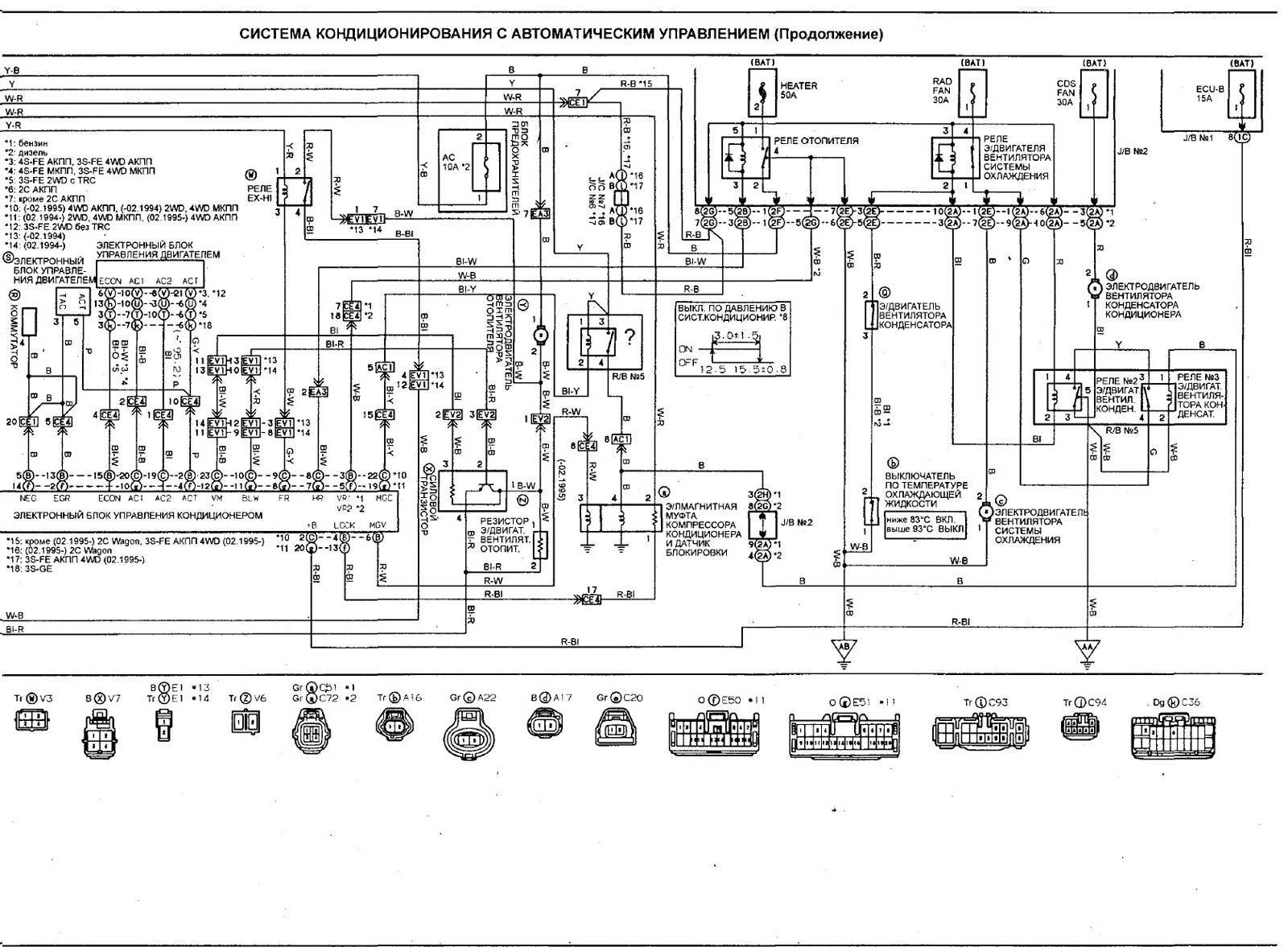
Решил поднять тему, пока Faranos готовит отчет, который мы все так ждем. Всем кто параллельно работает над проектом климат контроля, выкладываю электрическую схему, пригодится  : Вложение:
Клима 92-97 (1).jpg [ 431.51 КБ | Просмотров: 4775 ]
Вложение:
Клима 92-97 (2).jpg [ 409.99 КБ | Просмотров: 4775 ]
Вложение:
2015207163023.jpg [ 414.25 КБ | Просмотров: 4775 ]
_________________ Сейчас Carina E GLI, 7A-FE, хэчбек, цвет: сине-зеленый, Англия; 1997 г.в./// 3S-GE BEAMS Redtop 1999; MT s54-06d torsen; Клима Ранее Carina E GLI, 3S-FE, седан, цвет: серый металлик, Япония. 1993 г.в.
|
|
| Вернуться к началу |
|
 |
|
Алексей60
|
Добавлено: Вс фев 08, 2015 12:16 pm |
|
 |
| Внесен в большую энциклопедию |
 |
Зарегистрирован: Пн окт 06, 2008 11:26 pm Сообщения: 2034 Откуда: ПСКОВ Репутация: 71 [ ? ]
Машина: CALDINA ST191G CZ TYPE
Год выпуска: 1995
Двигатель: 3S-FE
|
|
М-ммм, посмотрел бегло видео - не увидел управления краником печки, оно ведь тоже авто. Может просмотрел просто....
_________________ CALDINA ST191G 95г. 3s-fe У меня очень мягкий характер. Типа накопительной системы скидок...Главное - потом не попасть под раздачу бонусов!
|
|
| Вернуться к началу |
|
 |
|
alexrotor
|
Добавлено: Вс фев 08, 2015 12:24 pm |
|
 |
| Внесен в большую энциклопедию |
 |
Зарегистрирован: Сб фев 12, 2011 11:09 am Сообщения: 2115 Откуда: Нижегородская область УРЕНЬ Репутация: 78 [ ? ]
Машина: LEXUS GS300
Год выпуска: 2008
Двигатель: 3GRFSE
|
|
Алексей60 По моему с климатом краник не используется, горячо-холодно регулируется только воздушной заслонкой.
_________________ 89108943598Я на DRIVE2 
|
|
| Вернуться к началу |
|
 |
|
Vital 3S
|
Добавлено: Вс фев 08, 2015 7:28 pm |
|
 |
| Самостоятельный |
 |
Зарегистрирован: Ср окт 09, 2013 11:39 am Сообщения: 41 Откуда: Краснодар Репутация: 9 [ ? ]
Машина: Toyota Carina E GLI, Хэтчбэк
Год выпуска: 1997
Двигатель: 7A-FE
|
alexrotor писал(а): Алексей60 По моему с климатом краник не используется, горячо-холодно регулируется только воздушной заслонкой.  На последних годах краника нет... Для меня интерес представляет заслонка Направления воздушным потоком. Может кто знает на Левый руль с чего подходит? С завода три крепления на корпусе печки есть. Остальные заслонки можно переделать и с правого руля. Заслонка забора воздуха: Вложение:
2015104124202.jpg [ 294.03 КБ | Просмотров: 4687 ]
Заслонка смешивания потока: Вложение:
2015104124129.jpg [ 414.67 КБ | Просмотров: 4687 ]
_________________ Сейчас Carina E GLI, 7A-FE, хэчбек, цвет: сине-зеленый, Англия; 1997 г.в./// 3S-GE BEAMS Redtop 1999; MT s54-06d torsen; Клима Ранее Carina E GLI, 3S-FE, седан, цвет: серый металлик, Япония. 1993 г.в.
|
|
| Вернуться к началу |
|
 |
|
Faranos
|
Добавлено: Вс фев 08, 2015 8:06 pm |
|
 |
| Летописец |
 |
Зарегистрирован: Чт дек 04, 2008 6:46 pm Сообщения: 4383 Откуда: Улан-Удэ Репутация: 250 [ ? ]
Машина: Carina-E->LEXUS
Год выпуска: 2020
Двигатель: 4A>3s>3s-ge beams vvt-i
|
old_Duglas писал(а): у меня как у кариновода вынашиваемому эту идею куча вопросов. - запчасти подбирал с левого руля? - электрика автономна? Т.е. подаем "+" и "-" и система работает (за исключением конечно кондиционерных. 50 на 50 Автономна, несколько плюсиков и масс -=Zhen_DOS=- писал(а): Faranos А вот скажи пожалуйста по нынешним ценам, в какую сумму встанет покупка запчастей для такого проекта? Затрудняюсь ответить, я за весь проект столько денег вбухал den732 писал(а): Faranos а как планируется победить неправильную форму нижней части панели управления Это такие мелочи))) Vital 3S писал(а): Решил поднять тему, пока Faranos готовит отчет, который мы все так ждем. Отчёт в норме, вот тырнет это проблема у меня..... Vital 3S писал(а): Для меня интерес представляет заслонка Направления воздушным потоком. Может кто знает на Левый руль с чего подходит? С завода три крепления на корпусе печки есть. Остальные заслонки можно переделать и с правого руля. Заслонка забора воздуха: Я знаю С CORONA EXSIOR ))))) остальные с прульки можно вживить.... Добавлено спустя 19 минут 30 секунд:Кстати крепления под сервопривода есть далеко не у всех, у кого они есть тот Счастливчик))
_________________ Моя барахолка ..…..............…….. Мы на DRIVE2
|
|
| Вернуться к началу |
|
 |
|
l_denis
|
Добавлено: Вс фев 08, 2015 8:42 pm |
|
 |
| Его именем пора назвать улицу |
 |
Зарегистрирован: Вс дек 26, 2010 8:37 pm Сообщения: 1747 Откуда: Ростовская обл., Орловский п. Репутация: 25 [ ? ]
Машина: Carina FF (CT190)
Год выпуска: 1994
Двигатель: 2C
|
Алексей60 писал(а): М-ммм, посмотрел бегло видео - не увидел управления краником печки, оно ведь тоже авто. Может просмотрел просто.... на 170-х, 190-х кузовах климат управляет краником одновременно с заслонкой. На серврприводе заслонки есть крючок для тросика, который тягает краник. Доводилось менять этот тросик, это такой секас, скажу я вам. Цитата: На последних годах краника нет... А как же без краника? Заслонка это понятно, но радиатор все равно будет под панелью жарить. Или там клапан открыто/закрыто используется?
_________________ Toyota Carina УЛЫБКА, Белый Седан, 1994 г.в, дизель 2С, МКПП, ABS, Климат-контроль, пруль, JDM.
|
|
| Вернуться к началу |
|
 |
|
Faranos
|
Добавлено: Вс фев 08, 2015 9:08 pm |
|
 |
| Летописец |
 |
Зарегистрирован: Чт дек 04, 2008 6:46 pm Сообщения: 4383 Откуда: Улан-Удэ Репутация: 250 [ ? ]
Машина: Carina-E->LEXUS
Год выпуска: 2020
Двигатель: 4A>3s>3s-ge beams vvt-i
|
|
Ни чего там не используется, просто заслонка перекрывает полностью радиатор, одновременно подавая холодный воздух с улицы. От краников япошки стали уходить в 95 году, теперь машинки имеют более эффективное охолождение летом, а то жара и радиатор один работает, зимой на оборот получается)
_________________ Моя барахолка ..…..............…….. Мы на DRIVE2
|
|
| Вернуться к началу |
|
 |
|
l_denis
|
Добавлено: Вс фев 08, 2015 9:11 pm |
|
 |
| Его именем пора назвать улицу |
 |
Зарегистрирован: Вс дек 26, 2010 8:37 pm Сообщения: 1747 Откуда: Ростовская обл., Орловский п. Репутация: 25 [ ? ]
Машина: Carina FF (CT190)
Год выпуска: 1994
Двигатель: 2C
|
|
Ясно. Видимо поэтому в кашкае панель управления печкой и пластик вокруг постоянно горячие...
_________________ Toyota Carina УЛЫБКА, Белый Седан, 1994 г.в, дизель 2С, МКПП, ABS, Климат-контроль, пруль, JDM.
|
|
| Вернуться к началу |
|
 |
|
Vital 3S
|
Добавлено: Вс фев 08, 2015 9:15 pm |
|
 |
| Самостоятельный |
 |
Зарегистрирован: Ср окт 09, 2013 11:39 am Сообщения: 41 Откуда: Краснодар Репутация: 9 [ ? ]
Машина: Toyota Carina E GLI, Хэтчбэк
Год выпуска: 1997
Двигатель: 7A-FE
|
Faranos писал(а): Vital 3S писал(а): Для меня интерес представляет заслонка Направления воздушным потоком. Может кто знает на Левый руль с чего подходит? С завода три крепления на корпусе печки есть. Остальные заслонки можно переделать и с правого руля. Заслонка забора воздуха: Я знаю С CORONA EXSIOR ))))) остальные с прульки можно вживить.... Добавлено спустя 19 минут 30 секунд:Кстати крепления под сервопривода есть далеко не у всех, у кого они есть тот Счастливчик)) Значит действительно повезло!)) Досталась Карина Е, 97 года, англия. Краника нет, препления под привод заслонки направления потоков есть. Мне бы знать кат номер этой чудо заслонки направлений потоков!  Счастью б не было предела!)) Перешел на климу в длинные новогодние праздники, чтобы поменять направление приходится нырять рукой под панель и регулировать вручную.
_________________ Сейчас Carina E GLI, 7A-FE, хэчбек, цвет: сине-зеленый, Англия; 1997 г.в./// 3S-GE BEAMS Redtop 1999; MT s54-06d torsen; Клима Ранее Carina E GLI, 3S-FE, седан, цвет: серый металлик, Япония. 1993 г.в.
|
|
| Вернуться к началу |
|
 |
|
Faranos
|
Добавлено: Вс фев 08, 2015 9:23 pm |
|
 |
| Летописец |
 |
Зарегистрирован: Чт дек 04, 2008 6:46 pm Сообщения: 4383 Откуда: Улан-Удэ Репутация: 250 [ ? ]
Машина: Carina-E->LEXUS
Год выпуска: 2020
Двигатель: 4A>3s>3s-ge beams vvt-i
|
Этого номера ни кто не знает, даже я. Выход не из простых, завтра постараюсь прояснить процесс, а ща 
_________________ Моя барахолка ..…..............…….. Мы на DRIVE2
|
|
| Вернуться к началу |
|
 |
|
Алексей60
|
Добавлено: Вс фев 08, 2015 11:10 pm |
|
 |
| Внесен в большую энциклопедию |
 |
Зарегистрирован: Пн окт 06, 2008 11:26 pm Сообщения: 2034 Откуда: ПСКОВ Репутация: 71 [ ? ]
Машина: CALDINA ST191G CZ TYPE
Год выпуска: 1995
Двигатель: 3S-FE
|
Давайте определимся, что мы ведем речь о КаринахЕ и Калдинах(Коронах), и не будем затрагивать Кашкаи и другие машины. alexrotor писал(а): По моему с климатом краник не используется, горячо-холодно регулируется только воздушной заслонкой. Как писАли выше, до каких то годов с краником, после - без. Но это касательно Карины. А климат мы перекидываем от Короны(Калдины), а там краник был! Соответственно надо внедрять его управление, иначе логика работы климата(Короны) будет нарушена.
_________________ CALDINA ST191G 95г. 3s-fe У меня очень мягкий характер. Типа накопительной системы скидок...Главное - потом не попасть под раздачу бонусов!
|
|
| Вернуться к началу |
|
 |
|
l_denis
|
Добавлено: Пн фев 09, 2015 12:30 am |
|
 |
| Его именем пора назвать улицу |
 |
Зарегистрирован: Вс дек 26, 2010 8:37 pm Сообщения: 1747 Откуда: Ростовская обл., Орловский п. Репутация: 25 [ ? ]
Машина: Carina FF (CT190)
Год выпуска: 1994
Двигатель: 2C
|
Алексей60 писал(а): Соответственно надо внедрять его управление, иначе логика работы климата(Короны) будет нарушена. цепляете трос краника на сервопривод управления заслонкой. вот и всё внедрение. Если ваш сервопривод без доп. крючка то немного сложнее, но тоже решаемо.
_________________ Toyota Carina УЛЫБКА, Белый Седан, 1994 г.в, дизель 2С, МКПП, ABS, Климат-контроль, пруль, JDM.
|
|
| Вернуться к началу |
|
 |
|
Faranos
|
Добавлено: Пн фев 09, 2015 8:29 am |
|
 |
| Летописец |
 |
Зарегистрирован: Чт дек 04, 2008 6:46 pm Сообщения: 4383 Откуда: Улан-Удэ Репутация: 250 [ ? ]
Машина: Carina-E->LEXUS
Год выпуска: 2020
Двигатель: 4A>3s>3s-ge beams vvt-i
|
Алексей60 писал(а): А климат мы перекидываем от Короны(Калдины), а там краник был! Соответственно надо внедрять его управление, иначе логика работы климата(Короны) будет нарушена. Вот только краник стоит не у всех корон  ( по моему до94 стоял) Ту возможно конечно влияние на работу климата, но только в режиме авто! И то скорей всего зависит от наличия датчика температуры радиатора печки. Если берётся комплект с машины в которой нет краника то и не надо его использовать.
_________________ Моя барахолка ..…..............…….. Мы на DRIVE2
|
|
| Вернуться к началу |
|
 |
Кто сейчас на конференции |
Сейчас этот форум просматривают: нет зарегистрированных пользователей и гости: 17 |
|
Вы не можете начинать темы Вы не можете отвечать на сообщения Вы не можете редактировать свои сообщения Вы не можете удалять свои сообщения Вы не можете добавлять вложения
|
|