Сообщения без ответов | Активные темы
|
Страница 1 из 1
|
[ Сообщений: 15 ] |
|
| Автор |
Сообщение |
|
Арчи
|
Добавлено: Чт окт 31, 2019 4:45 pm |
|
 |
| Стажер |
 |
Зарегистрирован: Вт май 15, 2018 6:06 pm Сообщения: 18 Репутация: 0 [ ? ]
Машина: Toyota Corolla
Год выпуска: 2000
Двигатель: 4AFE
|
|
приветствую всех форумчан! У меня проблема с зажиганием на двигателе 4AFE автомобиль Toyota Corolla 4 вд универсал. Расскажу предисторию. Машину купил у чужого деда год ездил проблем небыло (не считая железные ходовые бытности). Потом началось... На перекрёстке заглох и пока не под остыл не завёлся. Это было впервые. потом начал периодически глохнуть раз в два - три дня, потом два- три раза в день. Естественно забил тревогу, читал форумы, втыкал скрепку - ошибок небыло! Но глох... Поехал к электрику, тот поставил диагноз - умирает трамблёр (4/2). Купил новый трамблёр 4/2 тайваньский и он мне его заменил. Пол года я катался без проблем, но после холодов началось снова. Чукча был умный и старый трамблёр не выбросил... Начитался в мануалах о характеристиках катушек (сопротивление номинальное) и провёл диагностику своими силами сравнивая параметры помирающего тайваня с помирающей японией. Пришел к выводу - на тайване помирает коммутатор (он встроен в трамблёр). решил сэкономить денег и обхитрить судьбу и перекинул коммутатор с японского на тайваньский, так как на японском треснула катушка и от нагрева она отрубалась. Да и ушко у японского было обломано. Получился гибрид - дружба народов... Тайвань говняного качества и оно проявило себя в забросе масла через говняный сальник внутрь, в результате чего коммутатор япан развалился (отклеилась крышка) Я попытался его починить, но оторвал внутри дорожку так, что починить уже не получится. Купил комутатор тайвань и переставил тайваньскую катушку и комутатор в японский корпус и ездил так ещё год... Машинка ехала но при резком нажатии педальки проявлялся провал и потраивание. Пришлось мириться и кататься до талого (пока не уйдёт от меня в иные миры тайваньский трамблёрчик в японском корпусе) я понимал что тайвань сбоит из за качества. Ставил скрепку в диагностический рзьем и на заведенном двигателе чек показывал 14 ошибку, но при этом машина хотя бы ездила. И вот подошло время и в один прекрасный день ( точнее утро) я завелся и заглох, завелся снова прогрелся и поехал, но через минуту заглох снова... Потом глох , заводился и так пока не дотянул обратно до своего двора. Далее я купил контрактный и отьездил на нём неделю и опять 14 ошибка... Вернуть трамблёр обратно продавцу не реально, брал с рук, чека нет, трубку не берёт. Взял отгул, разобрал салон спереди, чтобы подлезть к мозгу отключил фишки и прозвонил провода IGF и IGT от мозга до трамблёра, провода в норме, на массу не коротят, между собой тоже, от фишки до фишки связь есть. Снял трамблёр, разобрал... Обматерил продавца через воздушное пространство, осознал что оказался в такой ситуации лохом, так как в японском контрактном оказался тайваньский комутатор... Думал от злости убьюсь об стену... Денег нема, контрактный стоит 7 тысяч (этот купил у гандона за 4) комутатор отдельно найти коньтрактный не смог, поэтому принял решение по деньгам и купил внешний коммутатор японский контрактный от двигателя 3SFE. Произвёл операцию с трамблёром по удалению тайваня с японии и выводу проводов для подключения внешнего. Подключил... Машина завелась, покрутил на слух обороты, заглушил и оставил до утра. Ехать проверять по темноте не рискнул. Машинка адекватно отзывается на газ и не глохнет (тест драйв даст более ясную картину) , но поставил скрепку и на заведенном моторе ОПЯТЬ ЭТА ДОЛБАННАЯ ОШИБКА 14!!! но двигатель не троит и не глохнет! Ребята я натрахался, не знаю что ещё ей нужно? На фишке заметил лишний провод, он был смотан на фишке на выводе IGF тоесть на четырех пиновый разьем идут - на три пина по одному проводу а на четвертый пин двойной провод. Вот собственно и вопрос - так должно быть? откинул этот провод, но ничего не изменилось... ошибка на месте, мотор не глохнет. Ну и по самой пляске с бубном по теме тоже хотелось бы услышать варианты. Благодарю.
Добавлено спустя 9 минут 45 секунд: Нужно ли на ней скинуть клемму с аккума чтобы ошибку обнулить или она должна сама уйти по мере устранения проблемы? Может висит просто в памяти? (просто не оххота опять всё перенастраивать после сброса клеммы)
|
|
| Вернуться к началу |
|
 |
|
ALEX-72
|
Добавлено: Чт окт 31, 2019 7:07 pm |
|
 |
| Герой былин народных |
 |
Зарегистрирован: Пн сен 30, 2013 7:47 am Сообщения: 3890 Откуда: Тюмень Репутация: 123 [ ? ]
Машина: Carina E Sedan
Год выпуска: 1993
Двигатель: 7A-FE STD теперь АКПП :-)
|
Арчи писал(а): скинуть клемму с аккума чтобы ошибку обнулить Можно вынуть предохранитель "EFI" скорее всего в подкапотном блоке предохранителей, так обнулится только память "мозгов", сама ошибка не уйдет Добавлено спустя 2 минуты 1 секунду:Хотел тебе вот это посоветовать почитать, но ты уже сам всё сделал 
_________________ Алексей.
|
|
| Вернуться к началу |
|
 |
|
Мурат1623
|
Добавлено: Чт окт 31, 2019 11:45 pm |
|
 |
| Его именем пора назвать улицу |
 |
Зарегистрирован: Сб мар 08, 2014 12:15 pm Сообщения: 1848 Откуда: Регион 11 Репутация: 23 [ ? ]
Машина: Carina E седан цвет 746
Год выпуска: 1997
Двигатель: 4A-FE БОШ
|
АрчиАрчи писал(а): но поставил скрепку и на заведенном моторе ОПЯТЬ ЭТА ДОЛБАННАЯ ОШИБКА 14! А на приборке то чек горит?
_________________ Ничто и ничего на земле не исчезает,просто в какой-то момент исчезнувшее переходит в другое состояние. My words.. ........................................
|
|
| Вернуться к началу |
|
 |
|
Арчи
|
Добавлено: Пт ноя 01, 2019 1:49 am |
|
 |
| Стажер |
 |
Зарегистрирован: Вт май 15, 2018 6:06 pm Сообщения: 18 Репутация: 0 [ ? ]
Машина: Toyota Corolla
Год выпуска: 2000
Двигатель: 4AFE
|
Мурат1623 писал(а): АрчиАрчи писал(а): но поставил скрепку и на заведенном моторе ОПЯТЬ ЭТА ДОЛБАННАЯ ОШИБКА 14! А на приборке то чек горит? Нет без скрепки чек при езде не горит, ошибка мигает только при работающем двигателе при перемычке Е1 ТЕ1 Добавлено спустя 5 минут 41 секунду:ALEX-72 писал(а): Арчи писал(а): скинуть клемму с аккума чтобы ошибку обнулить Можно вынуть предохранитель "EFI" скорее всего в подкапотном блоке предохранителей, так обнулится только память "мозгов", сама ошибка не уйдет Добавлено спустя 2 минуты 1 секунду:Хотел тебе вот это дать посоветовать почитать, но ты уже сам всё сделал  По поводу предохранителя, обнулю... Сама ошибка не уйдет потому чтог в памяти мозгов или имеется ввиду от проблемы (которая наверняка гдето зарыта) не уйдет? И вообще как у машин устроено ошибки сами уходят или обязательно обнулять (вытаскивать предохранитель, скидывать клемму) для этого? Может проблем никаких нет а висит старая ошибка?
|
|
| Вернуться к началу |
|
 |
|
ALEX-72
|
Добавлено: Пт ноя 01, 2019 8:02 am |
|
 |
| Герой былин народных |
 |
Зарегистрирован: Пн сен 30, 2013 7:47 am Сообщения: 3890 Откуда: Тюмень Репутация: 123 [ ? ]
Машина: Carina E Sedan
Год выпуска: 1993
Двигатель: 7A-FE STD теперь АКПП :-)
|
Арчи писал(а): проблем никаких нет а висит старая ошибка?  я это и имел в виду, у разных машин по разному, у наших пока мозги не обесточишь, ошибка хранится в памяти Это сделано для того, чтоб можно было прочитать ошибку, даже если неисправность не постоянная, чтоб знать "куда копать" 
_________________ Алексей.
|
|
| Вернуться к началу |
|
 |
|
Арчи
|
Добавлено: Сб ноя 02, 2019 10:18 am |
|
 |
| Стажер |
 |
Зарегистрирован: Вт май 15, 2018 6:06 pm Сообщения: 18 Репутация: 0 [ ? ]
Машина: Toyota Corolla
Год выпуска: 2000
Двигатель: 4AFE
|
ALEX-72 писал(а): Арчи писал(а): проблем никаких нет а висит старая ошибка?  я это и имел в виду, у разных машин по разному, у наших пока мозги не обесточишь, ошибка хранится в памяти Это сделано для того, чтоб можно было прочитать ошибку, даже если неисправность не постоянная, чтоб знать "куда копать"  Благодарю, сегодня вытащу предохранитель после доработки и выставления УОЗ. Приобрёл фишку под коммутатор, термоусадку, провода, болтики. Буду ставить коммутатор на постоянное место пребывания. Ни разу пока не глох, но коммутатор нагревается. Думаю это от того что он не прикручен а просто висит на проводах, плюс нагнагревается от движка, там тепло должно на кузов по идее рассеиваться. 
|
|
| Вернуться к началу |
|
 |
|
ALEX-72
|
Добавлено: Сб ноя 02, 2019 2:30 pm |
|
 |
| Герой былин народных |
 |
Зарегистрирован: Пн сен 30, 2013 7:47 am Сообщения: 3890 Откуда: Тюмень Репутация: 123 [ ? ]
Машина: Carina E Sedan
Год выпуска: 1993
Двигатель: 7A-FE STD теперь АКПП :-)
|
Арчи писал(а): от того что он не прикручен Ну да  , я бы его или на левую чашку стойки прикрутил, если не ошибаюсь, там он на ЛБ и крепится  , или где нибудь на моторном щите пристроил Кстати на 3S именно так и построено зажигание, по крайней мере у калдины, трамблер с встроенной катушкой, а коммутатор внешний, вопрос почему 
_________________ Алексей.
|
|
| Вернуться к началу |
|
 |
|
vikking42
|
Добавлено: Чт дек 05, 2019 4:40 pm |
|
 |
| Самостоятельный |
 |
Зарегистрирован: Ср май 21, 2014 11:22 am Сообщения: 28 Откуда: Анапа, Краснодарский край Репутация: 0 [ ? ]
Машина: Toyota Carina E
Год выпуска: 1994
Двигатель: 4A-FE
|
|
Господа приветствую Вас, может кто поможет? Уважаемые кариноводы, спецы, помогите. Шарил по поиску ничего не нашел в том числе и в Гугле. Чем отличается трамблер 19020-15170 от 16250 так понял оба 5+2 для 4,5 А-Фе. Можно-ли на мою Каринку 1-й поставить. Моя MODEL: AT190L-AEMDK, ENGINE: 4A-FE 1587 CC, FRAME№.АТ190-0114574, на МКПП XL седан. Ан не свой давай разглядывать он 6+2, значит из двух один надо собирать, так?
|
|
| Вернуться к началу |
|
 |
|
ALEX-72
|
Добавлено: Чт дек 05, 2019 7:15 pm |
|
 |
| Герой былин народных |
 |
Зарегистрирован: Пн сен 30, 2013 7:47 am Сообщения: 3890 Откуда: Тюмень Репутация: 123 [ ? ]
Машина: Carina E Sedan
Год выпуска: 1993
Двигатель: 7A-FE STD теперь АКПП :-)
|
vikking42 писал(а): трамблер 19020-15170 Какой-то очень древний похоже, до 92-го года выпускался, для переделки в 6*2 подойдёт 19020-15180, только 1 датчик переставить, ну и разъём 6-ти пиновый вместо 4-х.
_________________ Алексей.
|
|
| Вернуться к началу |
|
 |
|
ALEX-72
|
Добавлено: Вт дек 10, 2019 8:09 am |
|
 |
| Герой былин народных |
 |
Зарегистрирован: Пн сен 30, 2013 7:47 am Сообщения: 3890 Откуда: Тюмень Репутация: 123 [ ? ]
Машина: Carina E Sedan
Год выпуска: 1993
Двигатель: 7A-FE STD теперь АКПП :-)
|
vikking42Вот ТУТ у ребят всё подробно расписано. Но думаю когда оба в руках будут, будет намного понятнее, расположение пинов в разъёмах одинаковое, просто к 4-х пиновому разъёму, с одной стороны ещё 2 добавятся 
_________________ Алексей.
|
|
| Вернуться к началу |
|
 |
|
vikking42
|
Добавлено: Вт дек 10, 2019 6:27 pm |
|
 |
| Самостоятельный |
 |
Зарегистрирован: Ср май 21, 2014 11:22 am Сообщения: 28 Откуда: Анапа, Краснодарский край Репутация: 0 [ ? ]
Машина: Toyota Carina E
Год выпуска: 1994
Двигатель: 4A-FE
|
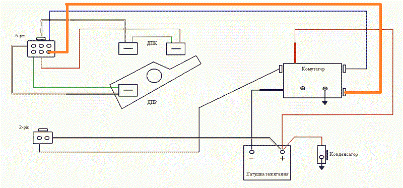
СПасибо Алексей именно по этому мануалу и руководствуюсь но тут все-таки 5+2 получается по схеме http://www.tcm-club.ru/phpBB3/download/file.php?id=11798&sid=28656df635b8a6c90394f5e40d9098da. Получил эту древность сделана намного качественнее, но увы время не щадит там скол, там отломано, вернул, хотя по креплению подходит и можно было заморочиться, с проводками. Катушка там в полтора раза объемнее, ДПРВ и ДПК тоже массивнее, причем на ДПК какая-то звездочка стоит на валу. Протестить не смог крышка колотая и он 5+2 а у меня 6+2. Находил вот это электрик поймет, но до меня не все дошло, как до жирафа. А да ещё там конденсатор о двух контактах, ну и масса крепиться. Впервые увидел такое.
| Вложения: |

Схема трамблера на 6+2 веб.jpg [ 21.94 КБ | Просмотров: 19702 ]
|
|
|
| Вернуться к началу |
|
 |
|
ALEX-72
|
Добавлено: Ср дек 11, 2019 8:41 pm |
|
 |
| Герой былин народных |
 |
Зарегистрирован: Пн сен 30, 2013 7:47 am Сообщения: 3890 Откуда: Тюмень Репутация: 123 [ ? ]
Машина: Carina E Sedan
Год выпуска: 1993
Двигатель: 7A-FE STD теперь АКПП :-)
|
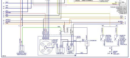
vikking42 писал(а): все-таки 5+2 получается по схеме Странно что пока не ты сказал, я и не замечал этого  , это они немного не дорисовали, вот добавил проводок Вложение:
CX-1.GIF [ 74.95 КБ | Просмотров: 19607 ]
vikking42 писал(а): на ДПК какая-то звездочка стоит на валу Вооот, я ещё подумал, а вдруг там и форма сигналов отличается, похоже так оно и есть, такой вообще не заработал бы видимо  , а свой вообще не вариант починить, что с ним?
_________________ Алексей.
|
|
| Вернуться к началу |
|
 |
|
vikking42
|
Добавлено: Пт дек 27, 2019 4:19 pm |
|
 |
| Самостоятельный |
 |
Зарегистрирован: Ср май 21, 2014 11:22 am Сообщения: 28 Откуда: Анапа, Краснодарский край Репутация: 0 [ ? ]
Машина: Toyota Carina E
Год выпуска: 1994
Двигатель: 4A-FE
|
|
Да спасибо, Алексей, именно свой и буду восстанавливать. Кстати у меня пока это не горит. Из-за чего все началось-то, после недавнего ремонта головки 5000 км., назад машина затроила на прогретом двигателе. Работает на бензине и на газу, сначала обратил внимание на троение на газу, поехал к мастеру, он перепроверив, сказал что по его части все хорошо, но если я хочу может поменять форсунки(?). Я отказался. Давай дальше копать, по симптомам походило вроде как на неисправный датчик ОЖ, его можно как-то померить, но у меня с этим проблема, не было цешки, выписал новый поменял, ничего не изменилось. скидывал ошибки, кстати их машина не показывала. Вот и решил, лезть в трамблер. Но промерять тоже не мог, нечем. В итоге, поменял высоковольтные провода, хотя они не светились (куплены около года назад Avantech IL0104), и о чудо машина ожила. Я уже грешил, что какой-то клапан при ремонте ГБЦ, оказался поджат, ан нет. а свой трамблер в итоге промерял у мастера, все в пределах нормы в соответствии с замерами, по вышеприводимой ссылке. Вот так вот бывает. видать в ходе ремонта какой-то бронепровод дернули и он то кантачит, а как подогреется начинает мозг парить.
|
|
| Вернуться к началу |
|
 |
|
Арчи
|
Добавлено: Вс янв 17, 2021 5:27 pm |
|
 |
| Стажер |
 |
Зарегистрирован: Вт май 15, 2018 6:06 pm Сообщения: 18 Репутация: 0 [ ? ]
Машина: Toyota Corolla
Год выпуска: 2000
Двигатель: 4AFE
|
ALEX-72 писал(а): Арчи писал(а): от того что он не прикручен Ну да  , я бы его или на левую чашку стойки прикрутил, если не ошибаюсь, там он на ЛБ и крепится  , или где нибудь на моторном щите пристроил Кстати на 3S именно так и построено зажигание, по крайней мере у калдины, трамблер с встроенной катушкой, а коммутатор внешний, вопрос почему  Потому что так надёжней! и я не пожалел что сделал выносной коммутатор. Теперь с вероятностью 99% можно без труда определить что подохло коммутатор или катушка Добавлено спустя 5 минут 15 секунд:2021 год на наступил, не разу не заглох! полёт нормальный. Могу снять фото если интересно кому
|
|
| Вернуться к началу |
|
 |
|
Страница 1 из 1
|
[ Сообщений: 15 ] |
|
Кто сейчас на конференции |
Сейчас этот форум просматривают: нет зарегистрированных пользователей и гости: 2 |
|
Вы не можете начинать темы Вы не можете отвечать на сообщения Вы не можете редактировать свои сообщения Вы не можете удалять свои сообщения Вы не можете добавлять вложения
|
|