Сообщения без ответов | Активные темы
| Автор |
Сообщение |
|
Mouflon
|
Добавлено: Пн май 31, 2010 7:03 pm |
|
 |
| Человек-легенда |
 |
Зарегистрирован: Ср фев 13, 2008 2:13 pm Сообщения: 7062 Откуда: Мытищи Репутация: 150 [ ? ]
Машина: Mitsubishi Outlander XL
Год выпуска: 2008
|
FunFan писал(а): Спасибо большое за консультацию.. Это я уже сообразил:) А что значит возможность установки логической 1 на DTR? Для чего это?
Ты это где взял? Если на экране настроек - то это ИМХО задизэйблено, и обращать внимание на неё не стоит.
_________________ Mitsubishi Outlander XL'2008 6B31 "Кролик" Любителям считать деньги в чужих карманах не хватает времени залатать дыры в своих.
|
|
| Вернуться к началу |
|
 |
|
FunFan
|
Добавлено: Пн май 31, 2010 7:36 pm |
|
 |
| Стажер |
 |
Зарегистрирован: Сб май 29, 2010 2:07 pm Сообщения: 19 Откуда: Barnaul Репутация: 0 [ ? ]
|
|
Да,это в настройках программы.Кстати,в 8000 не только дизаблено,но и отключен доступ к этому.. Последний глупый вопрос,если можно. 1 на 9-й ноге - это +5. А ноль - это отсутсвие сигнала или перемыкание 9 на землю. Иными словами-как идет сигнал с Vf1?"есть напряжение-нет напряжения" или "есть напряжение-перемыкание на землю"?Прошу прощения за корявость формулировки:)
_________________ Ipsum SXM-10 3S-FE
|
|
| Вернуться к началу |
|
 |
|
Mouflon
|
Добавлено: Пн май 31, 2010 7:39 pm |
|
 |
| Человек-легенда |
 |
Зарегистрирован: Ср фев 13, 2008 2:13 pm Сообщения: 7062 Откуда: Мытищи Репутация: 150 [ ? ]
Машина: Mitsubishi Outlander XL
Год выпуска: 2008
|
|
Когда на 9й ноге +5 вольт это логический 0. Когда на 9й ноге - 0 вольт - это логическая единица.
второй вариант.
_________________ Mitsubishi Outlander XL'2008 6B31 "Кролик" Любителям считать деньги в чужих карманах не хватает времени залатать дыры в своих.
|
|
| Вернуться к началу |
|
 |
|
FunFan
|
Добавлено: Пн май 31, 2010 7:49 pm |
|
 |
| Стажер |
 |
Зарегистрирован: Сб май 29, 2010 2:07 pm Сообщения: 19 Откуда: Barnaul Репутация: 0 [ ? ]
|
|
ага..Теперь сложил кубик-Рубика:) Значит когда идет логическая 1 с Vf1 - на выходе остается логический 0. Каким образом тогда формируется 0 на входе?Получается с Vf1 должно приходить -5в?
_________________ Ipsum SXM-10 3S-FE
Последний раз редактировалось FunFan Вт июн 01, 2010 5:01 am, всего редактировалось 1 раз.
|
|
| Вернуться к началу |
|
 |
|
Mouflon
|
Добавлено: Пн май 31, 2010 7:52 pm |
|
 |
| Человек-легенда |
 |
Зарегистрирован: Ср фев 13, 2008 2:13 pm Сообщения: 7062 Откуда: Мытищи Репутация: 150 [ ? ]
Машина: Mitsubishi Outlander XL
Год выпуска: 2008
|
|
в ECU открывается транзистор и на VF1 получается 0 вольт...
на в VF1 только 2 состояния +5 и 0 может быть... +5 распознаётся микросхемой как логический 0, а 0 вольт - как логическую единицу.
микросхема имеет инвертированный (перевёрнутый) вход.
_________________ Mitsubishi Outlander XL'2008 6B31 "Кролик" Любителям считать деньги в чужих карманах не хватает времени залатать дыры в своих.
|
|
| Вернуться к началу |
|
 |
|
sedoy2000
|
Добавлено: Пн май 31, 2010 7:53 pm |
|
 |
| Герой былин народных |
 |
Зарегистрирован: Чт фев 05, 2009 6:38 pm Сообщения: 3813 Откуда: Пермский край Репутация: 65 [ ? ]
Машина: QASHQAI
Год выпуска: 2010
Двигатель: HR16DE
|
|
Можно я вмешаюсь?
FunFan, по умолчанию (без перемычек) на 9-й лапке 0V. Программа видит его как единицу.
Если подаёшь +5V, тогда программа видит логический ноль.
_________________ CarinaE GLI 4A-FE(Lean Burn) 1993г. механика JPP красный (3j6) седан. Skoda Octavia Combi tour Год выпуска 2005 Двигатель 1,6 AKL ( всё в прошлом), CarinaE GLI LB 3S-fe 1992г. механика, JPP синенький лифт.
|
|
| Вернуться к началу |
|
 |
|
Mouflon
|
Добавлено: Пн май 31, 2010 7:54 pm |
|
 |
| Человек-легенда |
 |
Зарегистрирован: Ср фев 13, 2008 2:13 pm Сообщения: 7062 Откуда: Мытищи Репутация: 150 [ ? ]
Машина: Mitsubishi Outlander XL
Год выпуска: 2008
|
sedoy2000 писал(а): Можно я вмешаюсь?
Нужно... у меня через 5 часов самолёт, а я ещё с работы домой не уехал...
_________________ Mitsubishi Outlander XL'2008 6B31 "Кролик" Любителям считать деньги в чужих карманах не хватает времени залатать дыры в своих.
|
|
| Вернуться к началу |
|
 |
|
sedoy2000
|
Добавлено: Пн май 31, 2010 7:55 pm |
|
 |
| Герой былин народных |
 |
Зарегистрирован: Чт фев 05, 2009 6:38 pm Сообщения: 3813 Откуда: Пермский край Репутация: 65 [ ? ]
Машина: QASHQAI
Год выпуска: 2010
Двигатель: HR16DE
|
|
Нифига у вас диалог... фик угонишься...
_________________ CarinaE GLI 4A-FE(Lean Burn) 1993г. механика JPP красный (3j6) седан. Skoda Octavia Combi tour Год выпуска 2005 Двигатель 1,6 AKL ( всё в прошлом), CarinaE GLI LB 3S-fe 1992г. механика, JPP синенький лифт.
|
|
| Вернуться к началу |
|
 |
|
FunFan
|
Добавлено: Вт июн 01, 2010 4:37 am |
|
 |
| Стажер |
 |
Зарегистрирован: Сб май 29, 2010 2:07 pm Сообщения: 19 Откуда: Barnaul Репутация: 0 [ ? ]
|
sedoy2000 писал(а): Можно я вмешаюсь? FunFan, по умолчанию (без перемычек) на 9-й лапке 0V. Программа видит его как единицу. Если подаёшь +5V, тогда программа видит логический ноль.
Конечно можно..
Эх-х-х.. Ребят, да понял я уже что микросхема инвертирует, что кога на входе 1 - на выходе 0, на входе 0 - на выходе 1. Но в том-то и дело, что по умолчанию без перемычек на 9 ноге УЖЕ есть напряжение, когда втыкаешь в USB (то есть устройство включается, но пока без соединения с автомобилем, писал уже об этом). И это на втором уже шнурке со схожей платой. То есть при тестировании на инверсию программа СТ8000 видит 0, при замыкании на землю появляется на выходе 1.
СТ7091 при проверке сразу выводит единицу и не реагирует ни на подачу +5 на 9 ногу, ни на замыкание на землю.
Получается, нужно "перепутать" провода? На 8 вывод платы (9 нога ПЛь-ки) подключить ТЕ2+Е1, а сигнал с Vf1 подавать на 10 вывод платы (GND). Тогда при отсутствии сигнала на 9 ноге "по умолчанию" будет 1, а при "отрицательном" сигнале на 9 ноге будет 0.
(По крайней мере такой вариант я уже проверил программкой СТ8000 кратковременно подавая напряжение от батарейки на 4,5 В - работает  )
---
Блин, наверно такая элементарщина.. Но чувствую себя младенцем в этом деле. С машинными железяками попроще:)
_________________ Ipsum SXM-10 3S-FE
|
|
| Вернуться к началу |
|
 |
|
sedoy2000
|
Добавлено: Вт июн 01, 2010 9:18 am |
|
 |
| Герой былин народных |
 |
Зарегистрирован: Чт фев 05, 2009 6:38 pm Сообщения: 3813 Откуда: Пермский край Репутация: 65 [ ? ]
Машина: QASHQAI
Год выпуска: 2010
Двигатель: HR16DE
|
FunFan, извини, на сайт заглядываю изредка...
FunFan писал(а): а при "отрицательном" сигнале на 9 ноге будет 0
Обана... теперь я не в понятках. Это с выставленной инверсией тебе такое выдаёт? А если мультиметром померять напряжение прямо на 9-й ноге микросхемы?
Ещё как предложение... попробуй старую прогу поюзать... Которая ещё от chem407, версию эдак 778 или 779.
_________________ CarinaE GLI 4A-FE(Lean Burn) 1993г. механика JPP красный (3j6) седан. Skoda Octavia Combi tour Год выпуска 2005 Двигатель 1,6 AKL ( всё в прошлом), CarinaE GLI LB 3S-fe 1992г. механика, JPP синенький лифт.
|
|
| Вернуться к началу |
|
 |
|
FunFan
|
Добавлено: Вт июн 01, 2010 11:14 am |
|
 |
| Стажер |
 |
Зарегистрирован: Сб май 29, 2010 2:07 pm Сообщения: 19 Откуда: Barnaul Репутация: 0 [ ? ]
|
|
это даже в принципе без проги выдает:) Есть вариант конечно кардинальный-отпилить дорожку от 9-й ноги и померить так:) Потом припаять напрямую к 9 вход:)
_________________ Ipsum SXM-10 3S-FE
|
|
| Вернуться к началу |
|
 |
|
sedoy2000
|
Добавлено: Вт июн 01, 2010 11:27 am |
|
 |
| Герой былин народных |
 |
Зарегистрирован: Чт фев 05, 2009 6:38 pm Сообщения: 3813 Откуда: Пермский край Репутация: 65 [ ? ]
Машина: QASHQAI
Год выпуска: 2010
Двигатель: HR16DE
|
FunFan писал(а): напрямую к 9 вход резистор R10 лучше оставить
_________________ CarinaE GLI 4A-FE(Lean Burn) 1993г. механика JPP красный (3j6) седан. Skoda Octavia Combi tour Год выпуска 2005 Двигатель 1,6 AKL ( всё в прошлом), CarinaE GLI LB 3S-fe 1992г. механика, JPP синенький лифт.
|
|
| Вернуться к началу |
|
 |
|
Mouflon
|
Добавлено: Вт июн 01, 2010 12:31 pm |
|
 |
| Человек-легенда |
 |
Зарегистрирован: Ср фев 13, 2008 2:13 pm Сообщения: 7062 Откуда: Мытищи Репутация: 150 [ ? ]
Машина: Mitsubishi Outlander XL
Год выпуска: 2008
|
FunFan писал(а): Но в том-то и дело, что по умолчанию без перемычек на 9 ноге УЖЕ есть напряжение, когда втыкаешь в USB (то есть устройство включается, но пока без соединения с автомобилем, писал уже об этом). Да. там стоит резистор внутри микросхемы от +5 к 9й лапе. поэтому если не подключено ничего то на лапе есть +5, и микросхема выдаёт логический 0. Цитата: Получается, нужно "перепутать" провода?
нет. надо подключать как написано в инструкции к программе.
_________________ Mitsubishi Outlander XL'2008 6B31 "Кролик" Любителям считать деньги в чужих карманах не хватает времени залатать дыры в своих.
|
|
| Вернуться к началу |
|
 |
|
FunFan
|
Добавлено: Вт июн 01, 2010 6:21 pm |
|
 |
| Стажер |
 |
Зарегистрирован: Сб май 29, 2010 2:07 pm Сообщения: 19 Откуда: Barnaul Репутация: 0 [ ? ]
|
Добрый вечер, уважаемые знатоки(с)  Надеюсь, не очень достал своими "одними и теми же"?
Mouflon писал(а): нет. надо подключать как написано в инструкции к программе.
..нифига не работает, как написано в программе:(, а именно Vf1 на 8, Те2+Е1 на 11.
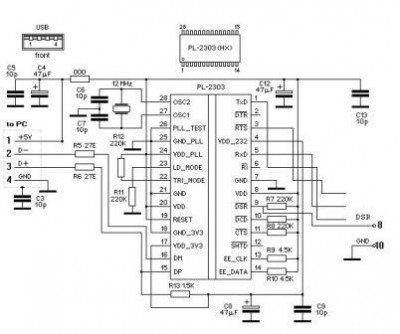
Итак, прошшупал прибором сегодня эту весьма распространенную схему на PL2303. Подключение DSR очень похоже на приведенном рисунке. При подключении в USB на 9 ногу через резистор 220 кОм приходит напруга (~4,06В), формируя 1 на входе (как я понял). От 9-й же ноги идет выход на 8 вывод платы. Значит, что при отсутствии напряжения на 8 выводе (то есть 1 с Vf1) на 9 ноге так и будет 1, что при подаче сигнала всё равно будет 1.
0 на 9 ноге будет, только если "заземлить" 8 на 10, что и было в исходной распайке шнура..
Или я чего-то не понимаю, или одно из двух..
| Вложения: |

Фрагм.JPG [ 24.04 КБ | Просмотров: 6342 ]
|
_________________ Ipsum SXM-10 3S-FE
|
|
| Вернуться к началу |
|
 |
|
sedoy2000
|
Добавлено: Вт июн 01, 2010 6:39 pm |
|
 |
| Герой былин народных |
 |
Зарегистрирован: Чт фев 05, 2009 6:38 pm Сообщения: 3813 Откуда: Пермский край Репутация: 65 [ ? ]
Машина: QASHQAI
Год выпуска: 2010
Двигатель: HR16DE
|
FunFan писал(а): 0 на 9 ноге будет, только если "заземлить" 8 на 10, что и было в исходной распайке шнура.. так и будет...
ЗЫ...Кажется это я ввёл в заблуждение постом выше...  Прошу прощения...
А какой провод используешь для подключения к разъёму? Имеется ввиду от платы на PL2303 до автомобильных контактов. Сфотай сам шнурок...
_________________ CarinaE GLI 4A-FE(Lean Burn) 1993г. механика JPP красный (3j6) седан. Skoda Octavia Combi tour Год выпуска 2005 Двигатель 1,6 AKL ( всё в прошлом), CarinaE GLI LB 3S-fe 1992г. механика, JPP синенький лифт.
|
|
| Вернуться к началу |
|
 |
|
FunFan
|
Добавлено: Вт июн 01, 2010 6:57 pm |
|
 |
| Стажер |
 |
Зарегистрирован: Сб май 29, 2010 2:07 pm Сообщения: 19 Откуда: Barnaul Репутация: 0 [ ? ]
|
|
До шнурка я ещё не добрался, потому как думаю, что пока не протестил само устройство - смысла нет цеплять провод. Понятно, что от качества исполнения провода зависит последующая "помехоустойчивость". Провод заготовлен, "толстый":) Экран с крокодилом на массу тоже присутствует. Кондюк тож на всякий случай имеется..
По поводу схемы.. Всё же два варианта остаются - "перевернуть" провода, кидая минус на 8, Vf1 на 10 (USB компа не попалю вроде, контроллер двига-вроде бы тоже), тем более в тестовом режиме от батарейки работает:) Но, блин, всё же как-то не по-людски:)
Или все же отцепить питание 9 ноги от через резистор 220 кОм и подключить Vf1 к 9-й ноге (через резистор опять таки).
_________________ Ipsum SXM-10 3S-FE
|
|
| Вернуться к началу |
|
 |
|
sedoy2000
|
Добавлено: Вт июн 01, 2010 7:01 pm |
|
 |
| Герой былин народных |
 |
Зарегистрирован: Чт фев 05, 2009 6:38 pm Сообщения: 3813 Откуда: Пермский край Репутация: 65 [ ? ]
Машина: QASHQAI
Год выпуска: 2010
Двигатель: HR16DE
|
FunFan, всё же собери полностью шнур... и протести на машине....
Ну а уж если не пойдёт, тогда дальше копать... 
_________________ CarinaE GLI 4A-FE(Lean Burn) 1993г. механика JPP красный (3j6) седан. Skoda Octavia Combi tour Год выпуска 2005 Двигатель 1,6 AKL ( всё в прошлом), CarinaE GLI LB 3S-fe 1992г. механика, JPP синенький лифт.
|
|
| Вернуться к началу |
|
 |
|
FunFan
|
Добавлено: Вт июн 01, 2010 7:17 pm |
|
 |
| Стажер |
 |
Зарегистрирован: Сб май 29, 2010 2:07 pm Сообщения: 19 Откуда: Barnaul Репутация: 0 [ ? ]
|
|
Хе,дык я же не просто так полез в дебри схемотехники и микроэлектроники:) просматривая ветку,я убедился,что частенько дата-кабели не работают при таком подключении. У меня один дата-кабель уже точно не пошел (схема такая же). Сейчас курочу уже вторую ПЛь-ку:D
_________________ Ipsum SXM-10 3S-FE
|
|
| Вернуться к началу |
|
 |
|
sedoy2000
|
Добавлено: Вт июн 01, 2010 7:23 pm |
|
 |
| Герой былин народных |
 |
Зарегистрирован: Чт фев 05, 2009 6:38 pm Сообщения: 3813 Откуда: Пермский край Репутация: 65 [ ? ]
Машина: QASHQAI
Год выпуска: 2010
Двигатель: HR16DE
|
FunFan, местонахождение своё обозначь... может кто рядом есть - помогут.
FunFan писал(а): Провод заготовлен, "толстый" Экран с крокодилом на массу тоже присутствует Для телефонных адаптеров толстый провод необязателен... достаточно взять обычный USB, например от принтера, или от мышек, но только не в прозрачной изоляции.
_________________ CarinaE GLI 4A-FE(Lean Burn) 1993г. механика JPP красный (3j6) седан. Skoda Octavia Combi tour Год выпуска 2005 Двигатель 1,6 AKL ( всё в прошлом), CarinaE GLI LB 3S-fe 1992г. механика, JPP синенький лифт.
|
|
| Вернуться к началу |
|
 |
|
GASCHE
|
Добавлено: Вт июн 01, 2010 9:31 pm |
|
 |
| Инструктор |
 |
Зарегистрирован: Пн мар 16, 2009 3:11 pm Сообщения: 306 Репутация: 5 [ ? ]
|
FunFan писал(а): По поводу схемы.. Всё же два варианта остаются - "перевернуть" провода, кидая минус на 8, Vf1 на 10 (USB компа не попалю вроде, контроллер двига-вроде бы тоже), тем более в тестовом режиме от батарейки работает Понять не могу, зачем переворачивать провода, если есть инверсия? Я бы подключил кабель и попробовал считать с инверсией и без.
_________________ Я не диагност я только учусь.
|
|
| Вернуться к началу |
|
 |
|
БелыйГусь
|
Добавлено: Вт июн 01, 2010 10:17 pm |
|
 |
| Хранитель традиций клуба, Модератор |
 |
Зарегистрирован: Пн сен 24, 2007 9:36 pm Сообщения: 4584 Откуда: Москва, ЗАО, Раменки Репутация: 141 [ ? ]
|
GASCHE писал(а): Понять не могу, зачем переворачивать провода, если есть инверсия? Я бы подключил кабель и попробовал считать с инверсией и без. Поясню. В программе имеется переключатель инверсности кабеля. Если его использовать, то перетыкивать провода не надо 
_________________ CarinaE SF, 7A-FE LB, 07.1996, англичанка
|
|
| Вернуться к началу |
|
 |
|
klop-2
|
Добавлено: Ср июн 02, 2010 1:27 am |
|
 |
| Студент |
Зарегистрирован: Ср июн 02, 2010 12:15 am Сообщения: 2 Откуда: Старый Оскол Репутация: 0 [ ? ]
|
Доброго всем времени суток!
- Для FunFan:.......Всё же два варианта остаются - "перевернуть" провода, кидая минус на 8, Vf1 на 10 (USB компа не попалю вроде, контроллер двига-вроде бы тоже), тем более в тестовом режиме от батарейки работает..........
- Ага, давайте-давайте!!! "переворачивайте" и будет нас двое... с пожжёными шнурками (я первый, Вы второй)
Дело было так: - купил шнурок (внутри PL-2303HX). Всё припоял... ну надож проверить на инверсию! Подаю 3.7v (литий-ионный элемент был под рукой). Единичка не появилась (нолик остался ноликом). Ну теперь надо считывание опробовать.... проводочки перемыкаю... такс хорошо, скорость 120, температура - 30, смесь богатая и т.д (полная белиберда короче).... Стоп!!! яж в настройках галочки не выставил по инверсии! Чтож, с галочкой теперь попробую "почитать"... работает!.... А!!! Ну-да!!! Какая зарница, что с чем замыкать Vf1 на общий или общий на Vf1 (инверсия она и в Африке...). Дальше не помню точный ход мысли... но, что-то типа, инверсия... как проверить... "перевернуть" - проскачило в голове. Надож проверить!!! делов-то! Беру те же 3.7v меняю местами + и - ("переворачиваю" инверсия-же), включаю проверку на инверсию... ВО!!! вот и нолик на еденичку сменился!...
- Только вот "незадача получилась"... еденичка теперь постоянно "выводится" (как только проверку на инверсию включаю) и скорости с температурами космическими, теперь мой адаптер не показывает... помер мой шнурок...
- Присоеденяйся комне, "переверни" проводки. Вдвоём всяко веселей :0))).
|
|
| Вернуться к началу |
|
 |
|
Atoll74
|
Добавлено: Ср июн 02, 2010 6:10 am |
|
 |
| Заслуженный |
 |
Зарегистрирован: Пт дек 14, 2007 6:29 pm Сообщения: 903 Репутация: 23 [ ? ]
Машина: Toyota CarinaE
Год выпуска: 1994
Двигатель: 4A-EF LB
|
А теперь я, вставлю свои "пять копеек" на счет инверсии. Не нужно путать инверсионный вход микросхемы с инверсией, например на электордвигателе. Инверсионный вход микросхемы подразумевает считывание данных наоборот, т.е. подаешь 1, а схема выдает на выходе 0. И наоборот. Для правильного считывания DataStrim с Vf1 такой схемой, в проге и придусмотрено инвертирование сигнала.
FunFan писал(а): Прошерстил почти все страницы. Пробую разные варианты. (Уже моск поломал 1. Адаптер BM8050 от МастерКит. Соединяю экранированным шнуром с разъемом двигателя. Запускаем СТ7091. Зажигание. Запуск двигателя... Что имеем? Помехи, обороты 3250, скорость на месте 128 км/ч И помехи само собой. СТ8000 вообще не считывает Проверяю производительность - "Средняя неточность отсчета - - 0,12671мс, Мах - 1010,75 мс"(!!! )(!!! ) Понятно, что программа рисует цифры погоды на Марсе
С этим переходником не все так просто. Я уже писал про это http://carina-e.ru/viewtopic.php?p=59474#59474 и http://carina-e.ru/viewtopic.php?p=61344#61344. И еще, на счет помех и по защите от них. ИМХО это просто заблуждение. Если переходник с ноутом работает нормально, то и данные пишутся без каких либо помех. А если переходник дуру гонит, то ни один экранированный кабель, ни какой кондер не поможет. Если бы FunFan не запускал двигатель, а просто бы включил зажигание, то то же бы увидел что прога рисует и обороты и скорость..... А движек ведь не запущен, следовательно нет ни каких помех....
_________________ Петрович Toyota Carina E, 1,6 4A-FE LB, МКПП, 1994, Japan, Универсал. Ищу фонари на заднюю дверь своей ласточки.
Последний раз редактировалось Atoll74 Ср июн 02, 2010 6:29 am, всего редактировалось 1 раз.
|
|
| Вернуться к началу |
|
 |
|
FunFan
|
Добавлено: Ср июн 02, 2010 6:25 am |
|
 |
| Стажер |
 |
Зарегистрирован: Сб май 29, 2010 2:07 pm Сообщения: 19 Откуда: Barnaul Репутация: 0 [ ? ]
|
|
Ребят.. Да понял я уже про инверсию, не пишите больше про неё, плиз.
Я понимаю, что коряво объясняю, но всё же.. Просто хочу разобраться. Я перепробовал уже все рекомендации (если б не пробовал - так бы и написал "ах, какой же болван я - не включил флажок "инверсия", или не сделал ещё чего..)
--
Как бы объяснить-то правильно? Вот вернёмся к вышеприведенной схеме. Втыкаем в USB компа (пока не подключаясь к внешнему сигналу). Через R7 220 кОм на 9 ногу идет напряжение, то есть на входе уже логическая 1. На выходе - понятно ноль (ура инверсии! Чур больше про неё не писать, иначе она мне уже во сне приснится:)). Подаём внешний сигнал на DSR. То есть с Vf1 приходит 1. Что будет на 9 ноге? Будет напряжение:), то есть логическая 1. Что приходит с Vf1, чтобы на 9 ноге сформировался 0? На приведенной раньше осциллограмме видно, что 0 соответствует 0 В. Это отсутствие напряжения, а значит и сигнала с контроллера? Если так, то на 9 ноге ничего и не изменится, так как все равно она запитана от R7. То есть, что есть сигнал на входе, что нету - результат один.
_________________ Ipsum SXM-10 3S-FE
|
|
| Вернуться к началу |
|
 |
|
Rash
|
Добавлено: Ср июн 02, 2010 7:22 am |
|
 |
| Его именем пора назвать улицу |
 |
Зарегистрирован: Пт мар 05, 2010 1:27 pm Сообщения: 1777 Откуда: Казахстан Кокшетау Репутация: 78 [ ? ]
Машина: Carina E Wagon, KIA Sportage
Год выпуска: 1995
Двигатель: 4A-FE LB
|
FunFan писал(а): Если так, то на 9 ноге ничего и не изменится, так как все равно она запитана от R7. То есть, что есть сигнал на входе, что нету - результат один.
Вот тут ты не прав. Дело в том, что при нуле на входе сопротивление между Vf1 и землей мало, допустим 1 кОм, получается делитель напряжения, 220 кОм(R7) - 1 кОм, если посчитать, то выход с такого делителя напряжения будет практически 0В. Вот и все, когда на входе лог 1, отцепляется 1 кОм от земли, делителя больше нет, и на вход микрухи шурует напряжение от R7. Так что цепляй шнурок и вперед к машине!
_________________ Carina E(JT) AT190L-DWMDKW Wagon XLi 03.1995 4A-FE(LB) C52 3j6 ФОТО Продам: правый поворотник оригинал б/у Новые: опоры передних амортизаторов RBI T1310F
|
|
| Вернуться к началу |
|
 |
Кто сейчас на конференции |
Сейчас этот форум просматривают: нет зарегистрированных пользователей и гости: 3 |
|
Вы не можете начинать темы Вы не можете отвечать на сообщения Вы не можете редактировать свои сообщения Вы не можете удалять свои сообщения Вы не можете добавлять вложения
|
|