Сообщения без ответов | Активные темы
|
Страница 1 из 1
|
[ Сообщений: 20 ] |
|
| Автор |
Сообщение |
|
Litvin
|
Добавлено: Пт июл 26, 2019 12:28 am |
|
 |
| Стажер |
Зарегистрирован: Вт мар 12, 2019 12:57 pm Сообщения: 22 Репутация: 1 [ ? ]
Машина: carina E
Год выпуска: 1997
Двигатель: 7A-FE
|
|
Какая проблема: ЦЗ ведет себя так как будто забыт ключ в замке зажигания, закрывая с ключа, срабатывает открытие всех дверей. Проводку в двери проверил, замок из двери извлекал, все почищено, прозвонено, все норм. Грешил на датчик/концевик который установлен в замке зажигания, сверху над личинкой, сегодня снял замок, концевик сам то работает, от него уходит два провода, когда ключ повернут в АСС и далее, концевик нажат, идет прозвонка, вроде бы все норм. Но эти два провода от концевика уходят в жгут за щиток приборов. Так вот если их прозвонить то они звонятся, получается машина думает, что постоянно вставлен ключ. Может есть у кого схема, знает куда уходят эти два провода из концевика в замке зажигания?
|
|
| Вернуться к началу |
|
 |
|
ALEX-72
|
Добавлено: Пт июл 26, 2019 4:06 pm |
|
 |
| Герой былин народных |
 |
Зарегистрирован: Пн сен 30, 2013 7:47 am Сообщения: 3927 Откуда: Тюмень Репутация: 123 [ ? ]
Машина: Carina E Sedan
Год выпуска: 1993
Двигатель: 7A-FE STD теперь АКПП :-)
|
Litvin писал(а): куда уходят эти два провода из концевика в замке зажигания? В реле центрального замка, где то в центральной консоли, в районе магнитолы, по звуку можно найти Добавлено спустя 1 минуту 11 секунд:Если не ошибаюсь, между бардачком и магнитолой Добавлено спустя 12 минут 32 секунды:Сними разъём с реле, и снова прозвони провода концевика, если коротыша не будет, проблема в реле, если останется, проблема в проводке 
_________________ Алексей.
|
|
| Вернуться к началу |
|
 |
|
Litvin
|
Добавлено: Пт июл 26, 2019 4:28 pm |
|
 |
| Стажер |
Зарегистрирован: Вт мар 12, 2019 12:57 pm Сообщения: 22 Репутация: 1 [ ? ]
Машина: carina E
Год выпуска: 1997
Двигатель: 7A-FE
|
ALEX-72 писал(а): В реле центрального замка, где то в центральной консоли, в районе магнитолы, по звуку можно найти Добавлено спустя 1 минуту 11 секунд:Если не ошибаюсь, между бардачком и магнитолой Добавлено спустя 12 минут 32 секунды:Сними разъём с реле, и снова прозвони провода концевика, если коротыша не будет, проблема в реле, если останется, проблема в проводке  реле на момент проверки снято, почему звонятся?)
|
|
| Вернуться к началу |
|
 |
|
Виталичек
|
Добавлено: Пт июл 26, 2019 4:37 pm |
|
 |
| Внесен в большую энциклопедию |
 |
Зарегистрирован: Пн ноя 05, 2012 2:20 pm Сообщения: 2377 Откуда: Лен. обл. п.Сиверский Репутация: 61 [ ? ]
Машина: карина е
Год выпуска: 1996
Двигатель: 7A FE LB
|
ALEX-72 писал(а): проблема в проводке Подёргать провода "с пристрастием"
_________________ Виталий, Карина Е, седан, 1996, англичанка, 1,8л, 7А-FE LB, владею с мая 2012г.VIN SB153ABK10E047455.
|
|
| Вернуться к началу |
|
 |
|
ALEX-72
|
Добавлено: Пт июл 26, 2019 6:13 pm |
|
 |
| Герой былин народных |
 |
Зарегистрирован: Пн сен 30, 2013 7:47 am Сообщения: 3927 Откуда: Тюмень Репутация: 123 [ ? ]
Машина: Carina E Sedan
Год выпуска: 1993
Двигатель: 7A-FE STD теперь АКПП :-)
|
Litvin писал(а): почему звонятся? В разъеме концевика замка зажигания, один провод масса, скорее всего белый с черной полосой, второй провод сигнальный, вот его скорее всего и нужно обследовать, или перетерся и замкнул на массу, или куда нибудь зажали при ремонте, и изоляция повредилась, ну и без этого могли чего нибудь наворотить, кто знает, что там с машиной прежние владельцы делали Добавлено спустя 6 минут 23 секунды:Если верить схеме, сигнальный провод черного цвета, идет от концевика к реле, больше ни к чему не подключается, в крайнем случае можно другой провод пробросить, провод черный, вполне могли с массой перепутать, когда что нибудь устанавливали, особенно если вычисляли с ключом в замке хотя тогда сразу бы заглючило  , в общем направление дали, а искать самому, тебе там виднее 
_________________ Алексей.
|
|
| Вернуться к началу |
|
 |
|
Litvin
|
Добавлено: Пт июл 26, 2019 11:01 pm |
|
 |
| Стажер |
Зарегистрирован: Вт мар 12, 2019 12:57 pm Сообщения: 22 Репутация: 1 [ ? ]
Машина: carina E
Год выпуска: 1997
Двигатель: 7A-FE
|
ALEX-72 писал(а): Если верить схеме, сигнальный провод черного цвета, идет от концевика к реле, больше ни к чему не подключается, в крайнем случае можно другой провод пробросить, провод черный, вполне могли с массой перепутать, когда что нибудь устанавливали, особенно если вычисляли с ключом в замке хотя тогда сразу бы заглючило  , в общем направление дали, а искать самому, тебе там виднее  Спасибо, а можно схему приложить?
|
|
| Вернуться к началу |
|
 |
|
ALEX-72
|
Добавлено: Сб июл 27, 2019 6:24 am |
|
 |
| Герой былин народных |
 |
Зарегистрирован: Пн сен 30, 2013 7:47 am Сообщения: 3927 Откуда: Тюмень Репутация: 123 [ ? ]
Машина: Carina E Sedan
Год выпуска: 1993
Двигатель: 7A-FE STD теперь АКПП :-)
|
Можно, только качество не очень, и она от дорестайла, а точнее от короны, но сомневаюсь что там могли что-то изменить. Вложение:
ЦЗ.jpg [ 203.36 КБ | Просмотров: 10747 ]
_________________ Алексей.
|
|
| Вернуться к началу |
|
 |
|
Litvin
|
Добавлено: Вт июл 30, 2019 11:09 pm |
|
 |
| Стажер |
Зарегистрирован: Вт мар 12, 2019 12:57 pm Сообщения: 22 Репутация: 1 [ ? ]
Машина: carina E
Год выпуска: 1997
Двигатель: 7A-FE
|
ALEX-72 писал(а): Если верить схеме, сигнальный провод черного цвета, идет от концевика к реле, больше ни к чему не подключается Добрался еще раз. У меня на этом проводе, контакт №7 на реле, приходит плюс, когда ключ поворачиваю в АСС и далее, плюс пропадает. Так происходит с подключенным реле и без него. Должен быть там плюс? или где-то что-то закантачено? Свиду все норм, все цело.
|
|
| Вернуться к началу |
|
 |
|
ALEX-72
|
Добавлено: Ср июл 31, 2019 12:21 pm |
|
 |
| Герой былин народных |
 |
Зарегистрирован: Пн сен 30, 2013 7:47 am Сообщения: 3927 Откуда: Тюмень Репутация: 123 [ ? ]
Машина: Carina E Sedan
Год выпуска: 1993
Двигатель: 7A-FE STD теперь АКПП :-)
|
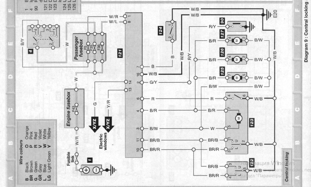
Litvin писал(а): Должен быть там плюс? По схеме плюс на контакте 8 - постоянно, на контакте 1 - при вкл. зажигании или АСС  , на контакте 7, тем более без реле, его быть не должно с подключенным реле допускаю что может быть, через электронику реле, но очень слаботочный, даже 5W лампочка не зажжется. вот еще в англоязычном мануале нашел: Вложение:
РЕЛЕ.jpg [ 136.6 КБ | Просмотров: 10606 ]
_________________ Алексей.
|
|
| Вернуться к началу |
|
 |
|
Litvin
|
Добавлено: Чт авг 01, 2019 10:10 pm |
|
 |
| Стажер |
Зарегистрирован: Вт мар 12, 2019 12:57 pm Сообщения: 22 Репутация: 1 [ ? ]
Машина: carina E
Год выпуска: 1997
Двигатель: 7A-FE
|
ALEX-72 писал(а): вот еще в англоязычном мануале нашел: Вложение: РЕЛЕ.jpg Залез еще раз) некоторых коннекторов и проводов нет, которые есть на вашем скрине. В частности нет контакта №1, второй контакт работает в обратной последовательности, когда дверь открыта, 12 вольт пропадает на нем. Контакт № 7 обрезал совсем, вставил реле, ничего не изменилось, работает как и прежде. Не знаю куда копать, в саму кнопку в водительской двери, реле купил нерабочее? На данный момент, с покупки машины, ЦЗ управляется через контакты 3 и 4. На них сигналка подает плюс, двери открывают и закрываются. Все это работает без реле. Кнопка на водительской двери при этом не работает никак. На время тестов сигналку отключаю, вся проводка восстановлена. Визуально все жгуты идущие к реле ЦЗ целые, под личинкой замка зажигания тоже все целое. В водительской двери тоже все проверено, все целое. Как бы относительно все устраивает, но хотелось бы восстановить заводскую работы ЦЗ, кнопки и правильно подключить сигналку. Может еще какие советы будут? Спасибо.
|
|
| Вернуться к началу |
|
 |
|
ALEX-72
|
Добавлено: Пт авг 02, 2019 12:48 pm |
|
 |
| Герой былин народных |
 |
Зарегистрирован: Пн сен 30, 2013 7:47 am Сообщения: 3927 Откуда: Тюмень Репутация: 123 [ ? ]
Машина: Carina E Sedan
Год выпуска: 1993
Двигатель: 7A-FE STD теперь АКПП :-)
|
Litvin писал(а): нет контакта №1 Это плохо, этот контакт разрешает закрыть ЦЗ когда ключ в замке, и двигатель запущен, в том числе в движении. Litvin писал(а): второй контакт работает в обратной последовательности, когда дверь открыта, 12 вольт пропадает на нем. Тут всё верно, так и должно работать, дверь закрыта, кнопка разомкнута, массы нет, 12 вольт прет через схему, открыл дверь, кнопка замкнулась на массу, естественно относительно массы должен быть 0  , видимо косяк в мануале, и я недоглядел  . Litvin писал(а): Контакт № 7 обрезал совсем, вставил реле, ничего не изменилось, работает как и прежде. Если с нумерацией контактов не напутал, то похоже что реле неисправно на последней картинке разъём реле, тот который на проводке, повернут той стороной, куда входят пины реле, провода сзади, точно правильно считаешь? Litvin писал(а): На время тестов сигналку отключаю, вся проводка восстановлена. Отключаешь от питания, или от контактов 3 и 4?, если от контактов, то всё верно, а если только питание, то мог спалить реле  , потому что оба выхода сигналки, в режиме покоя замкнуты на массу, и если с штатного реле пойдет +, то получится КЗ и победит сильнейший, поэтому сигналку и не подключают к силовым выводам реле, только к управляющим, где может быть или масса или ничего Что еще посоветовать даже не знаю, там и проверять особо и нечего, концевик замка водителя, приходит на контакт №6, если не ошибаюсь, должен быть замкнут на массу когда замок открыт, и соответственно разомкнут когда закрыт (или наоборот  ). Кнопка управления ЦЗ и концевики ключа в двери включены параллельно, можно и их проверить, питание от предохранителя POWER постоянное, на контакт №1 при включении зажигания, и всё Вскрой аккуратно само реле, может там чего будет видно 
_________________ Алексей.
|
|
| Вернуться к началу |
|
 |
|
Litvin
|
Добавлено: Пт авг 02, 2019 1:25 pm |
|
 |
| Стажер |
Зарегистрирован: Вт мар 12, 2019 12:57 pm Сообщения: 22 Репутация: 1 [ ? ]
Машина: carina E
Год выпуска: 1997
Двигатель: 7A-FE
|
ALEX-72 писал(а): Litvin писал(а): нет контакта №1 Это плохо, этот контакт разрешает закрыть ЦЗ когда ключ в замке, и двигатель запущен, в том числе в движении. Этого контакта нет и в самом реле, ну то есть там нет даже прорези, жилы, коннектора) контакты не путаю, они же подписаны) ALEX-72 писал(а): Отключаешь от питания, или от контактов 3 и 4? отключаю от контактов Спасибо за помощь и советы, буду копать
|
|
| Вернуться к началу |
|
 |
|
ALEX-72
|
Добавлено: Пт авг 02, 2019 2:00 pm |
|
 |
| Герой былин народных |
 |
Зарегистрирован: Пн сен 30, 2013 7:47 am Сообщения: 3927 Откуда: Тюмень Репутация: 123 [ ? ]
Машина: Carina E Sedan
Год выпуска: 1993
Двигатель: 7A-FE STD теперь АКПП :-)
|
Litvin писал(а): нет даже прорези Странно конечно, у тебя судя по году англичанка, знаю что там реле внешне другое, но вот чтоб распиновку или функционал изменили, не думаю, а в целом по количеству пинов сходится?, может он теперь под другим номером У японского на плате все пины подписаны, посмотри, может у твоего тоже 
_________________ Алексей.
|
|
| Вернуться к началу |
|
 |
|
Litvin
|
Добавлено: Пт авг 02, 2019 2:56 pm |
|
 |
| Стажер |
Зарегистрирован: Вт мар 12, 2019 12:57 pm Сообщения: 22 Репутация: 1 [ ? ]
Машина: carina E
Год выпуска: 1997
Двигатель: 7A-FE
|
ALEX-72 писал(а): Странно конечно, у тебя судя по году англичанка, знаю что там реле внешне другое, но вот чтоб распиновку или функционал изменили, не думаю, а в целом по количеству пинов сходится?, может он теперь под другим номером У японского на плате все пины подписаны, посмотри, может у твоего тоже   По количеству пинов сходится коннектор с реле
| Вложения: |

YSjpw8Wyh9I.jpg [ 71.39 КБ | Просмотров: 10500 ]
|
|
|
| Вернуться к началу |
|
 |
|
ALEX-72
|
Добавлено: Пт авг 02, 2019 6:41 pm |
|
 |
| Герой былин народных |
 |
Зарегистрирован: Пн сен 30, 2013 7:47 am Сообщения: 3927 Откуда: Тюмень Репутация: 123 [ ? ]
Машина: Carina E Sedan
Год выпуска: 1993
Двигатель: 7A-FE STD теперь АКПП :-)
|
Ну да, такие на англичанок ставились, странно почему нет 1 контакта по всем схемам одно и то же нарисовано, вот еще парочку нашел, то же что и на первой: Вложение:
схема.jpg [ 221.69 КБ | Просмотров: 10491 ]
Вложение:
схема2.jpg [ 211.44 КБ | Просмотров: 10491 ]
а реле вскрывал, внешне все нормально? Добавлено спустя 15 минут 1 секунду:чет я повспоминал, по моему такое поведение должно быть при открытой водительской двери, а ты писал что что то не так с концевиком, наверное надо рыть в этом направлении 
_________________ Алексей.
|
|
| Вернуться к началу |
|
 |
|
Litvin
|
Добавлено: Сб авг 03, 2019 11:11 am |
|
 |
| Стажер |
Зарегистрирован: Вт мар 12, 2019 12:57 pm Сообщения: 22 Репутация: 1 [ ? ]
Машина: carina E
Год выпуска: 1997
Двигатель: 7A-FE
|
ALEX-72 писал(а): а реле вскрывал, внешне все нормально? Добавлено спустя 15 минут 1 секунду:чет я повспоминал, по моему такое поведение должно быть при открытой водительской двери, а ты писал что что то не так с концевиком, наверное надо рыть в этом направлении  Да реле вскрывал, все целое, красивое. Я писал про концевик в замке зажигания, вот бы кто проверил с рабочим ЦЗ, есть ли 12 вольт на 7 контакте при вынутом ключе зажигания
|
|
| Вернуться к началу |
|
 |
|
ALEX-72
|
Добавлено: Вс авг 04, 2019 6:23 am |
|
 |
| Герой былин народных |
 |
Зарегистрирован: Пн сен 30, 2013 7:47 am Сообщения: 3927 Откуда: Тюмень Репутация: 123 [ ? ]
Машина: Carina E Sedan
Год выпуска: 1993
Двигатель: 7A-FE STD теперь АКПП :-)
|
Litvin писал(а): есть ли 12 вольт на 7 контакте при вынутом ключе зажигания Сегодня проверю, но только со стороны замка зажигания, как раз с замком нужно поковыряться, сегодня вечером или завтра отпишусь Litvin писал(а): Кнопка на водительской двери при этом не работает никак Я вот про это, или ты про кнопку управления ЦЗ писал? Пиши так чтоб было понятнее, а то там кнопок тьма Litvin писал(а): реле вскрывал, все целое, красивое А выводы подписаны?, на японцах подписаны, может в случае если все будет указывать на реле, тебе от японца реле поискать Вообще от любой модели, главное этих годов выпуска, королла, корона, калдина, главное чтоб разъем был таким же, а там уже 99,9% что распиновка совпадает, вон их, как грязи, и цена копеечная: https://baza.drom.ru/sell_spare_parts/+ ... polnitelno
_________________ Алексей.
|
|
| Вернуться к началу |
|
 |
|
ALEX-72
|
Добавлено: Вс авг 04, 2019 6:12 pm |
|
 |
| Герой былин народных |
 |
Зарегистрирован: Пн сен 30, 2013 7:47 am Сообщения: 3927 Откуда: Тюмень Репутация: 123 [ ? ]
Машина: Carina E Sedan
Год выпуска: 1993
Двигатель: 7A-FE STD теперь АКПП :-)
|
ALEX-72 писал(а): Сегодня проверю Померил напряжение на контакте 7 относительно массы без ключа 0,9 - 1,1 вольта, с ключом ноль соответственно,но выводы делать рано, у нас разные реле, возможно поэтому и показания разные И кстати как я и говорил, с ключом в замке, ЦЗ "отщелкивает" обратно, только когда открыта водительская дверь, когда дверь закрыта, закрывает и открывает как обычно.
_________________ Алексей.
|
|
| Вернуться к началу |
|
 |
|
Litvin
|
Добавлено: Вс авг 04, 2019 7:50 pm |
|
 |
| Стажер |
Зарегистрирован: Вт мар 12, 2019 12:57 pm Сообщения: 22 Репутация: 1 [ ? ]
Машина: carina E
Год выпуска: 1997
Двигатель: 7A-FE
|
ALEX-72 писал(а): Litvin писал(а): Я вот про это, или ты про кнопку управления ЦЗ писал? А выводы подписаны? Да, я про кнопку ЦЗ на двери, открыть/закрыть, ну она вместе с кнопками стеклоподъемников стоит. Выводы на реле подписаны, я фото прикладывал, там видно. Спасибо за измерение, буду копать, пробовать.
|
|
| Вернуться к началу |
|
 |
|
ALEX-72
|
Добавлено: Пн авг 05, 2019 12:27 pm |
|
 |
| Герой былин народных |
 |
Зарегистрирован: Пн сен 30, 2013 7:47 am Сообщения: 3927 Откуда: Тюмень Репутация: 123 [ ? ]
Машина: Carina E Sedan
Год выпуска: 1993
Двигатель: 7A-FE STD теперь АКПП :-)
|
Litvin писал(а): Выводы на реле подписаны, я фото прикладывал Я не про нумерацию, у японских реле на самой плате, написаны назначения выводов, хотя конечно маловероятно, что там что-то изменили 
_________________ Алексей.
|
|
| Вернуться к началу |
|
 |
|
Страница 1 из 1
|
[ Сообщений: 20 ] |
|
Кто сейчас на конференции |
Сейчас этот форум просматривают: нет зарегистрированных пользователей и гости: 12 |
|
Вы не можете начинать темы Вы не можете отвечать на сообщения Вы не можете редактировать свои сообщения Вы не можете удалять свои сообщения Вы не можете добавлять вложения
|
|