Сообщения без ответов | Активные темы
| Автор |
Сообщение |
|
komandor
|
Добавлено: Вт сен 07, 2010 8:40 pm |
|
 |
| Самостоятельный |
Зарегистрирован: Пт мар 13, 2009 8:46 pm Сообщения: 35 Откуда: Калуга Репутация: 0 [ ? ]
|
|
Здравствуйте, нужен маленький совет.
Я менял подводящие резиновые трубки к отопителю, которые идут от двигателя, но не запомнил какой патрубок от двигателя с каким патрубком отопителя должен соединяться. Кажется они были крест-накрест: верхний патрубок от двигателя соединялся с нижним патрубком отопителя. Так ли это? Что будет, если я соединю по-другому?
_________________ Carina E лифтбек, англичанка,1.6, 4A-FE, 1997 г.
|
|
| Вернуться к началу |
|
 |
|
ToXa
|
Добавлено: Вт сен 07, 2010 9:44 pm |
|
 |
| Бригадир |
 |
Зарегистрирован: Вт май 19, 2009 11:33 pm Сообщения: 193 Откуда: Смоленск Репутация: 5 [ ? ]
Машина: Subaru Forester
Год выпуска: 2004
Двигатель: 2,5 Атмо
|
|
Думаю разницы нет - там вход и выход, какая разница как будет проходить антифрис с лева направо по радиатору или справа-налево, главное чтоб проходил.
_________________ бало: Toyota Carina E SportsWagon, 7A-FE LB, МКПП, Flash, 1997 стало: Subaru Forester II, 2.5л, АКПП, L.L.Bean, 2004
|
|
| Вернуться к началу |
|
 |
|
Mister ToCaE
|
Добавлено: Вт сен 07, 2010 10:03 pm |
|
 |
| Контролер |
Зарегистрирован: Сб мар 14, 2009 1:05 am Сообщения: 726 Откуда: Киев Репутация: 5 [ ? ]
|
|
Когда-то на Сиерре потёк радиатор печки - при замене перепутал шланги. Зима была. Помёрз пару дней, поменял шланги местами - потом ездил в футболке.
_________________ Carina E 1.6 4A-FE LB МКПП 1996 универсал (Англия)
|
|
| Вернуться к началу |
|
 |
|
komandor
|
Добавлено: Ср сен 08, 2010 12:34 am |
|
 |
| Самостоятельный |
Зарегистрирован: Пт мар 13, 2009 8:46 pm Сообщения: 35 Откуда: Калуга Репутация: 0 [ ? ]
|
|
Спасибо за советы, но мне бы точно знать.
Может кто-нибудь на днях заглянет под капот своей Карины?
А то мало ли что, не хотелось бы потом иметь проблемы с печкой.
_________________ Carina E лифтбек, англичанка,1.6, 4A-FE, 1997 г.
|
|
| Вернуться к началу |
|
 |
|
ribalov75
|
Добавлено: Ср сен 08, 2010 12:54 am |
|
 |
| На доске почета |
 |
Зарегистрирован: Пн фев 23, 2009 11:52 am Сообщения: 1030 Откуда: Германия Репутация: 16 [ ? ]
Машина: Toyota Picnic
Год выпуска: 1998
Двигатель: 3S-FE
|
ToXa писал(а): Думаю разницы нет - там вход и выход, какая разница как будет проходить антифрис с лева направо по радиатору или справа-налево, главное чтоб проходил.
не скажи....а если не справа-налево,а сверху вниз или снизу-вверх? вот тогда будет разница,проверенно!
_________________ Была CARINA E 04.96. kombi 7A-FE LB, 1.8l.англичанка.185.км. Бенз+газ Сейчас Toyota Picnic 12.98 3S-FE 154 т.км. Бенз+Газ. Citroen Berlingo First. 2006. 1,4 бенз. ,,Пути Тока неисповедимы как пути Господни!" (Конфуций).
|
|
| Вернуться к началу |
|
 |
|
SaiD
|
Добавлено: Ср сен 08, 2010 8:55 am |
|
 |
| Человек-легенда |
 |
Зарегистрирован: Вт июл 20, 2010 1:32 am Сообщения: 5758 Откуда: г.Вятка (в миру Киров) Репутация: 95 [ ? ]
Машина: Corona AT170 (зубатка) 1,5 АКП
Год выпуска: 1990
Двигатель: 5А-FE
|
komandor писал(а): Здравствуйте, нужен маленький совет. Я менял подводящие резиновые трубки к отопителю, которые идут от двигателя, но не запомнил какой патрубок от двигателя с каким патрубком отопителя должен соединяться. Кажется они были крест-накрест: верхний патрубок от двигателя соединялся с нижним патрубком отопителя. Так ли это? Что будет, если я соединю по-другому?
А ваще по барабану - когда герметоса какого - нить в радиатор напихают - печка часто греть перестает, так после замены ОЖ несколько раз местами переставлять патрубки приходилось - просто чтоб выбить остаткаи герметика разнонаправленными потоками - греет на тех авто где приходилось такую процедуру проводить (в.т.ч.на моей) практически одинаково.
_________________ Саня. Осень. Доживем-ли, долетим-ли до ответа, что-же будет с РОДИНОЙ и с нами (с Юрий Шевчук ДДТ)
|
|
| Вернуться к началу |
|
 |
|
Mister ToCaE
|
Добавлено: Ср сен 08, 2010 9:12 am |
|
 |
| Контролер |
Зарегистрирован: Сб мар 14, 2009 1:05 am Сообщения: 726 Откуда: Киев Репутация: 5 [ ? ]
|
Счёт 2-2. 
_________________ Carina E 1.6 4A-FE LB МКПП 1996 универсал (Англия)
|
|
| Вернуться к началу |
|
 |
|
deniskra
|
Добавлено: Ср сен 08, 2010 10:17 am |
|
 |
| Инструктор |
 |
Зарегистрирован: Чт июл 30, 2009 4:40 pm Сообщения: 297 Откуда: Санкт-Петербург /Купчино/ Репутация: 7 [ ? ]
|
Нижний от двигателя к верхнему патрубку печки, верхний от двигателя к кранику и и далее в нижний патрубок печки.
Т.е. крест на крест, подсоединяй.
ТОлько что смотрел 
_________________ CARINA E(UKP) CT190 SEDAN автомат
03/1994 4A-FE (не LB)
|
|
| Вернуться к началу |
|
 |
|
well
|
Добавлено: Ср сен 08, 2010 12:06 pm |
|
 |
| Человек-легенда |
 |
Зарегистрирован: Ср дек 17, 2008 8:03 am Сообщения: 6559 Откуда: Нижегородская обл.Бор. Репутация: 157 [ ? ]
Машина: Carina E,седан,GLi,цвет 205
Год выпуска: 1993
Двигатель: 3S-FE
|
ToXa писал(а): Думаю разницы нет -
не правильно.охлаждающая жидкость должна подходить от двигателя к радиатору отопителя именно снизу.проверено опытным путем на многих машинах.хрен знает почему,но так теплее поток воздуха.
_________________ была Carina E 94г.англичанка.1.6.STD.GLI..попала в аварию..сейчас JT153STK100015540 двухлитровая 天皇陛下万歳) "Nemo omnia potest scire"
|
|
| Вернуться к началу |
|
 |
|
nullVoid
|
Добавлено: Ср сен 08, 2010 12:49 pm |
|
 |
| Бригадир |
Зарегистрирован: Пт мар 13, 2009 1:11 pm Сообщения: 109 Откуда: Tomsk Репутация: 10 [ ? ]
|
|
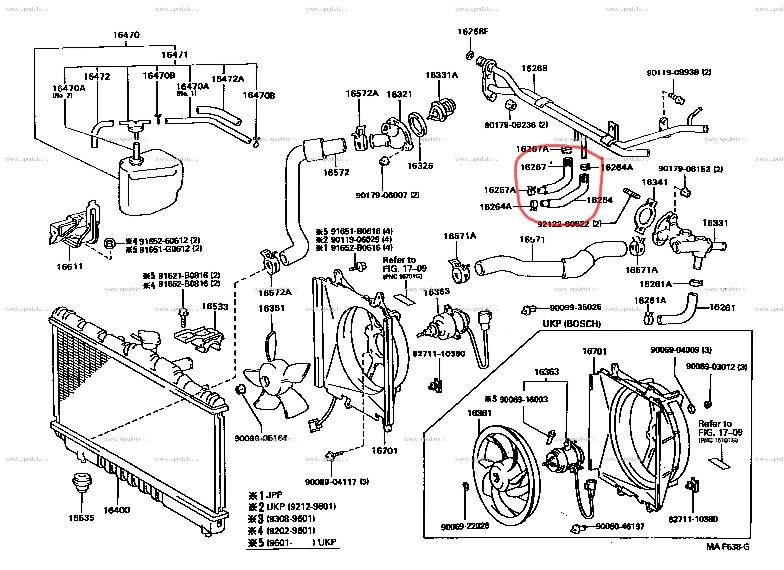
Какбэ вот
| Вложения: |

1.jpg [ 212.67 КБ | Просмотров: 41113 ]
|
_________________ Carina E AT190L-BEMDKW 4AFE 116hp (Bosh)
|
|
| Вернуться к началу |
|
 |
|
komandor
|
Добавлено: Ср сен 08, 2010 9:29 pm |
|
 |
| Самостоятельный |
Зарегистрирован: Пт мар 13, 2009 8:46 pm Сообщения: 35 Откуда: Калуга Репутация: 0 [ ? ]
|
Спасибо всем. Так я и подозревал!  А я уже по-другому поставил. На днях переставлю.
Я думаю может ОЖ должна идти от двигателя к печке снизу потому,
что пузырьки воздуха, которые могут появляться в ОЖ поднимаются к верху печки и ОЖ, поступающая снизу, будет их выносить из печки.
А если ОЖ будет идти сверху, то она будет из заталкивать вглубь печки и она будет завоздушиваться. И почему это я подумал так, а поставил по-другому? 
_________________ Carina E лифтбек, англичанка,1.6, 4A-FE, 1997 г.
|
|
| Вернуться к началу |
|
 |
|
well
|
Добавлено: Ср сен 08, 2010 9:57 pm |
|
 |
| Человек-легенда |
 |
Зарегистрирован: Ср дек 17, 2008 8:03 am Сообщения: 6559 Откуда: Нижегородская обл.Бор. Репутация: 157 [ ? ]
Машина: Carina E,седан,GLi,цвет 205
Год выпуска: 1993
Двигатель: 3S-FE
|
komandor писал(а): И почему это я подумал так, а поставил по-другому?
off.бывали случаи,когда с горящей спичкой смотрели в бак,сколько там бензина.хотя знали что взорвется,а здесь не фатально 
_________________ была Carina E 94г.англичанка.1.6.STD.GLI..попала в аварию..сейчас JT153STK100015540 двухлитровая 天皇陛下万歳) "Nemo omnia potest scire"
|
|
| Вернуться к началу |
|
 |
|
pax217
|
Добавлено: Вт фев 14, 2012 12:36 am |
|
 |
| Студент |
Зарегистрирован: Ср фев 16, 2011 8:19 pm Сообщения: 2 Откуда: Беларусь Репутация: 0 [ ? ]
Машина: Carina E
Год выпуска: 1997
Двигатель: 7afe
|
Добрый день, уважаемые форумчане! Что то никак я не нашел ответа на свой вопрос в интернете, наверное потому что он слишком глупый  Нужно было запоминать)) Вопрос заключается в следующем: Какой патрубок от двигателя к печке идет сверху а какой снизу? Печка замерзла, отсоединял все и прогревал ИК обогревателем, а потом забыл какой шланг сверху был, а какой снизу)) Как сейчас подключил, печка не фурычит, один шланг горячий, второй еле теплый или вообще холодный.. а иногда бывают и оба теплых. Вообщем двигатель перегревается (он и до этого перегревался, так как крышка радиатора лопнула, потом я её менял, печка работала периодически) и печка сейчас совсем не пашет. Так вот интересно, это может быть от того, что не правильно патрубки я все таки поставил или что то другое?
|
|
| Вернуться к началу |
|
 |
|
Вася Макаров
|
Добавлено: Вт фев 14, 2012 12:56 am |
|
 |
| На доске почета |
 |
Зарегистрирован: Ср дек 16, 2009 3:26 am Сообщения: 1170 Откуда: Питер, Купчино-city Репутация: 33 [ ? ]
Машина: Ovensis
Год выпуска: 2000
Двигатель: 3S-GE BEAMS
|
|
pax217 по большому счету не важно, как обратно присоединять патрубки. жижа будет то в одну сторону гнаться, то в другую. С другой стороны, если радиатор печки капитально засран до полной непроходимости антифриза - тут только снимать и чистить. по идее верхний на подачу, нижний - обратка
|
|
| Вернуться к началу |
|
 |
|
Rash
|
Добавлено: Вт фев 14, 2012 8:42 am |
|
 |
| Его именем пора назвать улицу |
 |
Зарегистрирован: Пт мар 05, 2010 1:27 pm Сообщения: 1777 Откуда: Казахстан Кокшетау Репутация: 78 [ ? ]
Машина: Carina E Wagon, KIA Sportage
Год выпуска: 1995
Двигатель: 4A-FE LB
|
pax217Трубки печки под капотом перекрещиваются, т.е. та, что вышла с двигателя верхней, в печку заходит снизу и наоборот. Вот тема http://carina-e.ru/viewtopic.php?p=247924&highlight=%EF%E5%F7%EA%E0#247924
_________________ Carina E(JT) AT190L-DWMDKW Wagon XLi 03.1995 4A-FE(LB) C52 3j6 ФОТО Продам: правый поворотник оригинал б/у Новые: опоры передних амортизаторов RBI T1310F
| Последний раз редактировалось Fidel Вт фев 14, 2012 9:45 am, всего редактировалось 1 раз. |
| Спасибо, объединил. |
|
|
| Вернуться к началу |
|
 |
|
Rash
|
Добавлено: Вт фев 14, 2012 10:22 am |
|
 |
| Его именем пора назвать улицу |
 |
Зарегистрирован: Пт мар 05, 2010 1:27 pm Сообщения: 1777 Откуда: Казахстан Кокшетау Репутация: 78 [ ? ]
Машина: Carina E Wagon, KIA Sportage
Год выпуска: 1995
Двигатель: 4A-FE LB
|
Fidel писал(а): Спасибо, объединил. Вот еще клон http://www.carina-e.ru/viewtopic.php?t=8810
_________________ Carina E(JT) AT190L-DWMDKW Wagon XLi 03.1995 4A-FE(LB) C52 3j6 ФОТО Продам: правый поворотник оригинал б/у Новые: опоры передних амортизаторов RBI T1310F
|
|
| Вернуться к началу |
|
 |
|
pax217
|
Добавлено: Вт фев 14, 2012 3:07 pm |
|
 |
| Студент |
Зарегистрирован: Ср фев 16, 2011 8:19 pm Сообщения: 2 Откуда: Беларусь Репутация: 0 [ ? ]
Машина: Carina E
Год выпуска: 1997
Двигатель: 7afe
|
Спасибо за ответы, и за то что объединили темы. Извините, упустил, из-за того что не правильно искал. Патрубки так и стоят, значит проблема в чем то другом 
|
|
| Вернуться к началу |
|
 |
|
dokix35
|
Добавлено: Чт янв 07, 2016 3:27 pm |
|
 |
| Инструктор |
 |
Зарегистрирован: Чт фев 12, 2015 7:17 pm Сообщения: 263 Репутация: 4 [ ? ]
Машина: Карина Е 7 MKПП C57
Год выпуска: 1996
Двигатель: 7AFE
|
Rash писал(а): pax217Трубки печки под капотом перекрещиваются, т.е. та, что вышла с двигателя верхней, в печку заходит снизу и наоборот. Вот тема http://carina-e.ru/viewtopic.php?p=247924&highlight=%EF%E5%F7%EA%E0#247924 Было так седня поменял местами трубки радость наступило... печка греет...Но мороз седня только 13. отпишусь потом как хорошие морозы буду. А так я понимаю с помпы идет на печку и с печки в корпус. Если с корпуса будет идти то я думаю муде получиться... Вот тут на видео видно что у чела патрубки прямо стоят!1 а не крест накрест. http://www.youtube.com/watch?v=tKDIV120Tp0
|
|
| Вернуться к началу |
|
 |
|
dokix35
|
Добавлено: Сб янв 09, 2016 4:18 pm |
|
 |
| Инструктор |
 |
Зарегистрирован: Чт фев 12, 2015 7:17 pm Сообщения: 263 Репутация: 4 [ ? ]
Машина: Карина Е 7 MKПП C57
Год выпуска: 1996
Двигатель: 7AFE
|
|
Катаюсь уже какой день все супер.. закрыл морской бриз...теперь замена антифриза в планах.
|
|
| Вернуться к началу |
|
 |
|
Azamat_630
|
Добавлено: Сб янв 09, 2016 9:44 pm |
|
 |
| Летописец |
 |
Зарегистрирован: Сб мар 07, 2015 10:54 am Сообщения: 4536 Откуда: Адыгея Репутация: 90 [ ? ]
Машина: Toyota Carina E, Cедан,BEMNKW
Год выпуска: 1997
Двигатель: 4A-FE Std,Bosch Motronic
|
well писал(а): подходить от двигателя к радиатору отопителя именно снизу.проверено опытным путем на многих машинах.хрен знает почему,но так теплее поток воздуха. По законам физики, горячая ОЖ стремится вверх, поэтому её подают вниз радиатора,чтобы ей было легче пройти через неё отдавая тепло. Как то у нас дома,лет 25 назад, "мастер" по отоплению подключал бойлер к газовому котлу наоборот, тогда я и задумался, где тут не так...
_________________ Судьбы неведомое и загадочное завтра...
|
|
| Вернуться к началу |
|
 |
|
dokix35
|
Добавлено: Пт янв 15, 2016 7:46 pm |
|
 |
| Инструктор |
 |
Зарегистрирован: Чт фев 12, 2015 7:17 pm Сообщения: 263 Репутация: 4 [ ? ]
Машина: Карина Е 7 MKПП C57
Год выпуска: 1996
Двигатель: 7AFE
|
|
Ну может так и есть. Что с низа но когда перевернул трупки то греет лучше.
|
|
| Вернуться к началу |
|
 |
|
alexrotor
|
Добавлено: Ср окт 11, 2017 9:13 am |
|
 |
| Внесен в большую энциклопедию |
 |
Зарегистрирован: Сб фев 12, 2011 11:09 am Сообщения: 2115 Откуда: Нижегородская область УРЕНЬ Репутация: 78 [ ? ]
Машина: LEXUS GS300
Год выпуска: 2008
Двигатель: 3GRFSE
|
|
Они должны идти на теплообменник, который под фильтром должен стоять.
_________________ 89108943598Я на DRIVE2 
|
|
| Вернуться к началу |
|
 |
|
DOROFART
|
Добавлено: Ср окт 11, 2017 10:07 am |
|
 |
| Стажер |
 |
Зарегистрирован: Сб июл 30, 2011 1:36 pm Сообщения: 21 Откуда: Алтайский край, г.Бийск Репутация: 2 [ ? ]
Машина: Carina E, Liftback
Год выпуска: 1997
Двигатель: 3s-fe
|
alexrotor писал(а): Они должны идти на теплообменник, который под фильтром должен стоять. Спасибо, ясно. А может ли моя перемычка отрицательно влиять на теплопроизводительность печки, ведь часть потока антифриза через неё проходит а не через радиатор печки, или пофиг? И ещё, теплообменник под фильтром для чего нужен и плохо ли то, что у меня его нету?
|
|
| Вернуться к началу |
|
 |
|
alexrotor
|
Добавлено: Ср окт 11, 2017 10:20 am |
|
 |
| Внесен в большую энциклопедию |
 |
Зарегистрирован: Сб фев 12, 2011 11:09 am Сообщения: 2115 Откуда: Нижегородская область УРЕНЬ Репутация: 78 [ ? ]
Машина: LEXUS GS300
Год выпуска: 2008
Двигатель: 3GRFSE
|
|
DOROFART На печку не влияет. В Японии вообще не ставили этот теплообменник. Я думаю это не значительно сказаться на тепловом балансе.
_________________ 89108943598Я на DRIVE2 
|
|
| Вернуться к началу |
|
 |
Кто сейчас на конференции |
Сейчас этот форум просматривают: нет зарегистрированных пользователей и гости: 19 |
|
Вы не можете начинать темы Вы не можете отвечать на сообщения Вы не можете редактировать свои сообщения Вы не можете удалять свои сообщения Вы не можете добавлять вложения
|
|