Сообщения без ответов | Активные темы
| Автор |
Сообщение |
|
СергейS
|
Добавлено: Сб окт 18, 2014 2:22 pm |
|
 |
| Братва из Казахстана |
 |
Зарегистрирован: Вт ноя 24, 2009 8:24 pm Сообщения: 2912 Откуда: г.Астана Репутация: 54 [ ? ]
Машина: Subaru Legacy B4
Год выпуска: 2000
Двигатель: 2500
|
СергейS писал(а): Парни подскажите на какой контакт ЭБУ приходит плюс именно при включении "зажигания" и не пропадает при переключении ключа в положение "стартер" ??? Спасибо всем за ответы  , уже разобрался, это контакт B+ ? на ЭБУ самый первый сверху справа 
_________________ 
|
|
| Вернуться к началу |
|
 |
|
Upiter
|
Добавлено: Вс май 24, 2015 8:13 pm |
|
 |
| Контролер |
 |
Зарегистрирован: Вт июл 20, 2010 11:24 am Сообщения: 570 Откуда: 24rus Репутация: 21 [ ? ]
Машина: Carina E
Год выпуска: 1993
Двигатель: 3S-Ge
|
|
Пин SPD - скорость, и если я не ошибаюсь AC1 это кондей.
_________________ Карина Е,92 г.в, седан 4A-fe, не л.б. мкпп, зеленая(742). Продана... Карина Е GTi 93, 3S-Ge 2gen -> 3gen 180 л.с. тёмно-серый седан, люк, кондей,SSS. 助け — Таскэ Авенсис 2000 г.в. 7a-fe. мкпп дорестайл.
|
|
| Вернуться к началу |
|
 |
|
RADIK
|
Добавлено: Вс май 24, 2015 8:27 pm |
|
 |
| На доске почета |
 |
Зарегистрирован: Пн авг 09, 2010 7:42 pm Сообщения: 1452 Откуда: г.Ковров,Владимир.обл. Репутация: 17 [ ? ]
Машина: Toyota Caldina st246w
Год выпуска: 2003
Двигатель: 3S-GTE
|
|
Upiter Так это понятно, девать то их куда?! В новом мозге нет таких пинов. Или они не нужны? ISCV то должен быть по логике?
Добавлено спустя 4 минуты 22 секунды: или может называются по другому? ничего не нагуглил,
_________________ Carina E 4A-FE не LB седан 1997 г.в. GLI England продана Carina E 3S-GE gen3 LiftBack 1992 г.в. была http://www.drive2.ru/r/toyota/840293продам запчасти http://www.drive2.ru/l/7722237/Toyota caldina 241 2л,152л.с. была Toyota caldina st246w n-edition
|
|
| Вернуться к началу |
|
 |
|
Upiter
|
Добавлено: Вс май 24, 2015 8:35 pm |
|
 |
| Контролер |
 |
Зарегистрирован: Вт июл 20, 2010 11:24 am Сообщения: 570 Откуда: 24rus Репутация: 21 [ ? ]
Машина: Carina E
Год выпуска: 1993
Двигатель: 3S-Ge
|
|
Ты мозг от мр2 ставишь? на фото есть оба пина которые я написал. видимо просто обозначения другие, не такие как у нас. У тебя вибер есть?
_________________ Карина Е,92 г.в, седан 4A-fe, не л.б. мкпп, зеленая(742). Продана... Карина Е GTi 93, 3S-Ge 2gen -> 3gen 180 л.с. тёмно-серый седан, люк, кондей,SSS. 助け — Таскэ Авенсис 2000 г.в. 7a-fe. мкпп дорестайл.
|
|
| Вернуться к началу |
|
 |
|
RADIK
|
Добавлено: Вс май 24, 2015 9:06 pm |
|
 |
| На доске почета |
 |
Зарегистрирован: Пн авг 09, 2010 7:42 pm Сообщения: 1452 Откуда: г.Ковров,Владимир.обл. Репутация: 17 [ ? ]
Машина: Toyota Caldina st246w
Год выпуска: 2003
Двигатель: 3S-GTE
|
Upiter писал(а): Ты мозг от мр2 ставишь от калдоса. Upiter писал(а): Пин SPD - скорость, и если я не ошибаюсь AC1 это кондей. эти то есть, RADIK писал(а): ISCV клапан увелич. частоты вращ. х.х. при вкл. кондее SP1,SP2 Датчики скорости L1,L2,L3 Электр.блок управления TEMS PSCT,AC2 х.з. кто такие а вот этих нет
_________________ Carina E 4A-FE не LB седан 1997 г.в. GLI England продана Carina E 3S-GE gen3 LiftBack 1992 г.в. была http://www.drive2.ru/r/toyota/840293продам запчасти http://www.drive2.ru/l/7722237/Toyota caldina 241 2л,152л.с. была Toyota caldina st246w n-edition
|
|
| Вернуться к началу |
|
 |
|
Upiter
|
Добавлено: Пн май 25, 2015 12:32 am |
|
 |
| Контролер |
 |
Зарегистрирован: Вт июл 20, 2010 11:24 am Сообщения: 570 Откуда: 24rus Репутация: 21 [ ? ]
Машина: Carina E
Год выпуска: 1993
Двигатель: 3S-Ge
|
|
не понял, от какого калдоса? знаю калдыны с ге мотором только бимс, а с таким мотором как у тебя разве были? буквари чё говорят по поводу распиновки?
_________________ Карина Е,92 г.в, седан 4A-fe, не л.б. мкпп, зеленая(742). Продана... Карина Е GTi 93, 3S-Ge 2gen -> 3gen 180 л.с. тёмно-серый седан, люк, кондей,SSS. 助け — Таскэ Авенсис 2000 г.в. 7a-fe. мкпп дорестайл.
|
|
| Вернуться к началу |
|
 |
|
RADIK
|
Добавлено: Пн май 25, 2015 1:47 am |
|
 |
| На доске почета |
 |
Зарегистрирован: Пн авг 09, 2010 7:42 pm Сообщения: 1452 Откуда: г.Ковров,Владимир.обл. Репутация: 17 [ ? ]
Машина: Toyota Caldina st246w
Год выпуска: 2003
Двигатель: 3S-GTE
|
|
да все были.Если не ошибаюсь до 95г. ген2, до 98 или 99г. ген3, дальше бимс
Добавлено спустя 14 минут 54 секунды: Никита говорил, что движка с калдоса. И на мозгах написано ST195 3SGE ATM. У нас на ГТИ 95г. ведь тоже 4фишки на ген3! Хотя в легионовском букваре инфы нет. Так же в и букваре на калдину195 схема на ген2 с 3мя фишками. Вот легионовская схема на калдину 97-02г.
| Вложения: |

калда.jpg [ 346.53 КБ | Просмотров: 7007 ]
|

калда2.jpg [ 390.84 КБ | Просмотров: 7007 ]
|
_________________ Carina E 4A-FE не LB седан 1997 г.в. GLI England продана Carina E 3S-GE gen3 LiftBack 1992 г.в. была http://www.drive2.ru/r/toyota/840293продам запчасти http://www.drive2.ru/l/7722237/Toyota caldina 241 2л,152л.с. была Toyota caldina st246w n-edition
|
|
| Вернуться к началу |
|
 |
|
RADIK
|
Добавлено: Пн май 25, 2015 4:05 am |
|
 |
| На доске почета |
 |
Зарегистрирован: Пн авг 09, 2010 7:42 pm Сообщения: 1452 Откуда: г.Ковров,Владимир.обл. Репутация: 17 [ ? ]
Машина: Toyota Caldina st246w
Год выпуска: 2003
Двигатель: 3S-GTE
|
|
вот нашел распиновку с ген3, как у меня на мозгах
| Вложения: |

распиновка ген3.png [ 187.85 КБ | Просмотров: 6999 ]
|
_________________ Carina E 4A-FE не LB седан 1997 г.в. GLI England продана Carina E 3S-GE gen3 LiftBack 1992 г.в. была http://www.drive2.ru/r/toyota/840293продам запчасти http://www.drive2.ru/l/7722237/Toyota caldina 241 2л,152л.с. была Toyota caldina st246w n-edition
|
|
| Вернуться к началу |
|
 |
|
RADIK
|
Добавлено: Пн май 25, 2015 1:30 pm |
|
 |
| На доске почета |
 |
Зарегистрирован: Пн авг 09, 2010 7:42 pm Сообщения: 1452 Откуда: г.Ковров,Владимир.обл. Репутация: 17 [ ? ]
Машина: Toyota Caldina st246w
Год выпуска: 2003
Двигатель: 3S-GTE
|
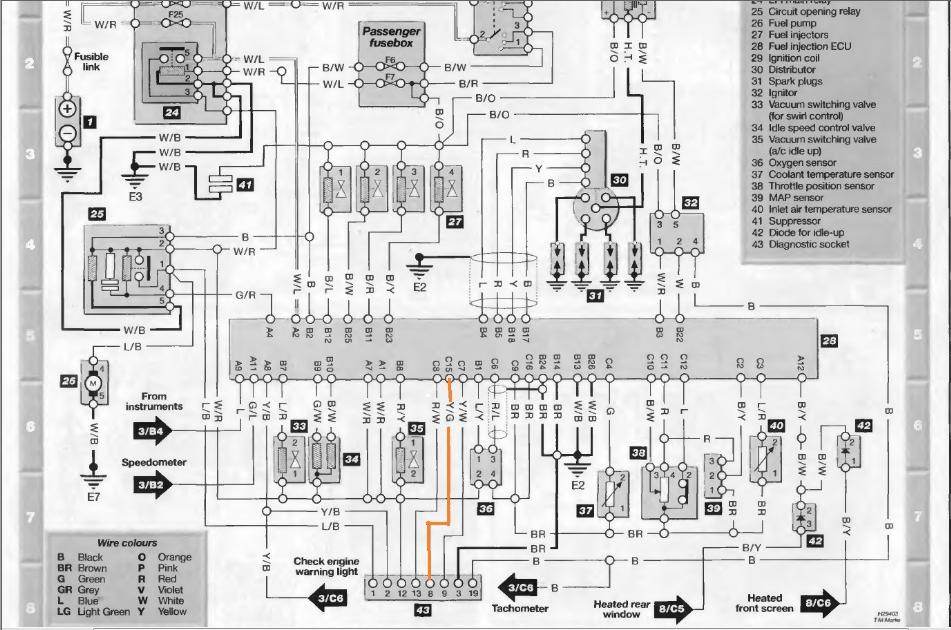
Насколько я понял, SP1 и SPD это одно и тоже-датчик скорости на приборку. значит нашел. SP2 мне не нужен L1,L2,L3 если это действительно Электр.блок управления TEMS! если верить http://forums.drom.ru/toyota-carina-ed- ... 27417.html, то тоже лесом. Ни в одном букваре их нет, равно как и PSCT и AC2. может PSCT это PS Датчик-выключатель по давлению в системе ГУР? пока все их отрублю. Остался вопрос с ISCV!(клапан увелич. частоты вращ. х.х. при вкл. кондее) в букваре на ЕД/Эксив на ген3 ISCV есть, и висит на 3ем пине 3фишки, на моих мозгах там пусто. В легионовском букваре на калдину97-2002 его нет на схеме ЭБУ. Схема повышения хх на калду:
| Вложения: |

хх.png [ 232.16 КБ | Просмотров: 6983 ]
|
_________________ Carina E 4A-FE не LB седан 1997 г.в. GLI England продана Carina E 3S-GE gen3 LiftBack 1992 г.в. была http://www.drive2.ru/r/toyota/840293продам запчасти http://www.drive2.ru/l/7722237/Toyota caldina 241 2л,152л.с. была Toyota caldina st246w n-edition
|
|
| Вернуться к началу |
|
 |
|
old_Duglas
|
Добавлено: Пн май 25, 2015 4:50 pm |
|
 |
| Герой былин народных |
 |
Зарегистрирован: Вт янв 15, 2008 1:29 am Сообщения: 3883 Откуда: г.Ижевск Репутация: 291 [ ? ]
Машина: TOYOTA Carina E
Год выпуска: 1992
Двигатель: 3S-GTE 4WD
|
|
обычно на мозге контакты ELS отвечают за повышение времени впрыска и повышение ХХ
_________________ СЯО CDC TOYOTA CarinaE GLI; кузов - liftback [LB]; 4AFE-> 4AGE BT-> 3S-GTE; C51(2WD)-> E56F2-05B 4WD!!!; цвет - Rally Red Exterior [3j6]; ABS, TORSEN, ЛЮК, КЛИМАТ. 7/1992год ( одна из первых, Японка из Голландии) logbook D2
|
|
| Вернуться к началу |
|
 |
|
ALEX-72
|
Добавлено: Вт май 26, 2015 10:44 am |
|
 |
| Герой былин народных |
 |
Зарегистрирован: Пн сен 30, 2013 7:47 am Сообщения: 3927 Откуда: Тюмень Репутация: 123 [ ? ]
Машина: Carina E Sedan
Год выпуска: 1993
Двигатель: 7A-FE STD теперь АКПП :-)
|
RADIK писал(а): куда перемычку цеплять? О какой речь?, если "запрет запуска", то STA и NSW, по крайней мере на 4A-FE так, вряд ли на 3S-GE по другому обозвали эти контакты.
_________________ Алексей.
|
|
| Вернуться к началу |
|
 |
|
Upiter
|
Добавлено: Вт май 26, 2015 1:07 pm |
|
 |
| Контролер |
 |
Зарегистрирован: Вт июл 20, 2010 11:24 am Сообщения: 570 Откуда: 24rus Репутация: 21 [ ? ]
Машина: Carina E
Год выпуска: 1993
Двигатель: 3S-Ge
|
RADIK писал(а): ISCV разобрался,ISCV=VISC Тоже нашёл в своих записях что это одно и тоже но поздно, перемычка которая убирает "парковку" (смотри в букваре) на автоматном эбу, чтобы можно было на механике ездить, или в личку Жеке (Engine08) стукнись, думаю подскажет.
_________________ Карина Е,92 г.в, седан 4A-fe, не л.б. мкпп, зеленая(742). Продана... Карина Е GTi 93, 3S-Ge 2gen -> 3gen 180 л.с. тёмно-серый седан, люк, кондей,SSS. 助け — Таскэ Авенсис 2000 г.в. 7a-fe. мкпп дорестайл.
|
|
| Вернуться к началу |
|
 |
|
RADIK
|
Добавлено: Вт май 26, 2015 2:25 pm |
|
 |
| На доске почета |
 |
Зарегистрирован: Пн авг 09, 2010 7:42 pm Сообщения: 1452 Откуда: г.Ковров,Владимир.обл. Репутация: 17 [ ? ]
Машина: Toyota Caldina st246w
Год выпуска: 2003
Двигатель: 3S-GTE
|
Upiter писал(а): ine08) стукнись, думаю подскажет. ему электрик делал ALEX-72 писал(а): то STA и NSW у меня нет NSW
_________________ Carina E 4A-FE не LB седан 1997 г.в. GLI England продана Carina E 3S-GE gen3 LiftBack 1992 г.в. была http://www.drive2.ru/r/toyota/840293продам запчасти http://www.drive2.ru/l/7722237/Toyota caldina 241 2л,152л.с. была Toyota caldina st246w n-edition
|
|
| Вернуться к началу |
|
 |
|
ALEX-72
|
Добавлено: Вт май 26, 2015 2:53 pm |
|
 |
| Герой былин народных |
 |
Зарегистрирован: Пн сен 30, 2013 7:47 am Сообщения: 3927 Откуда: Тюмень Репутация: 123 [ ? ]
Машина: Carina E Sedan
Год выпуска: 1993
Двигатель: 7A-FE STD теперь АКПП :-)
|
RADIK писал(а): у меня нет NSW А писал что распиновка на картинке как у тебя, а мозг точно от АКПП?, просто по книге, если мозг АКПП то этот контакт везде присутствует, а если МКПП, то его нет, это касаемо 3S-GE, может он не нужен 
_________________ Алексей.
|
|
| Вернуться к началу |
|
 |
|
ALEX-72
|
Добавлено: Ср май 27, 2015 6:33 am |
|
 |
| Герой былин народных |
 |
Зарегистрирован: Пн сен 30, 2013 7:47 am Сообщения: 3927 Откуда: Тюмень Репутация: 123 [ ? ]
Машина: Carina E Sedan
Год выпуска: 1993
Двигатель: 7A-FE STD теперь АКПП :-)
|
RADIKПересмотрел все картинки, везде нарисован NSW, а на самом мозге его получается нет?, надписи на плате хорошо проверил?, пробуй тогда без него, в худшем случае не заведешь. Может на авто с которого двигатель как то по другому "запрет" был реализован 
_________________ Алексей.
|
|
| Вернуться к началу |
|
 |
|
RADIK
|
Добавлено: Ср май 27, 2015 8:48 am |
|
 |
| На доске почета |
 |
Зарегистрирован: Пн авг 09, 2010 7:42 pm Сообщения: 1452 Откуда: г.Ковров,Владимир.обл. Репутация: 17 [ ? ]
Машина: Toyota Caldina st246w
Год выпуска: 2003
Двигатель: 3S-GTE
|
ALEX-72 писал(а): надписи на плате хорошо проверил? на плате он подписан, а в жгуте точно нет его, 2 раза смотрел. Да и правильно пишут, что неправильно-в мозги с паяльником лазить, когда можно в разьёме акпп воткнуть)
_________________ Carina E 4A-FE не LB седан 1997 г.в. GLI England продана Carina E 3S-GE gen3 LiftBack 1992 г.в. была http://www.drive2.ru/r/toyota/840293продам запчасти http://www.drive2.ru/l/7722237/Toyota caldina 241 2л,152л.с. была Toyota caldina st246w n-edition
|
|
| Вернуться к началу |
|
 |
|
ALEX-72
|
Добавлено: Ср май 27, 2015 9:00 am |
|
 |
| Герой былин народных |
 |
Зарегистрирован: Пн сен 30, 2013 7:47 am Сообщения: 3927 Откуда: Тюмень Репутация: 123 [ ? ]
Машина: Carina E Sedan
Год выпуска: 1993
Двигатель: 7A-FE STD теперь АКПП :-)
|
RADIK писал(а): можно в разьёме акпп воткнуть Теперь дошло, у тебя в провОдке его нет  , возьми подходящий пин, воткни в соответствующее гнездо разъема, возле ЭБУ, и запаралель с выводом STA 
_________________ Алексей.
|
|
| Вернуться к началу |
|
 |
|
RADIK
|
Добавлено: Чт май 28, 2015 9:17 pm |
|
 |
| На доске почета |
 |
Зарегистрирован: Пн авг 09, 2010 7:42 pm Сообщения: 1452 Откуда: г.Ковров,Владимир.обл. Репутация: 17 [ ? ]
Машина: Toyota Caldina st246w
Год выпуска: 2003
Двигатель: 3S-GTE
|
завелась  правда несколько ошибок вылезло, но это вторично) Добавлено спустя 4 минуты 26 секунд:после перепиновки остался провод(подписал неправильно), ума не приложу кто такой  с первой фишки(на 26пинов) из тонких желтый с зелёной полосой. на схеме не найду никак
_________________ Carina E 4A-FE не LB седан 1997 г.в. GLI England продана Carina E 3S-GE gen3 LiftBack 1992 г.в. была http://www.drive2.ru/r/toyota/840293продам запчасти http://www.drive2.ru/l/7722237/Toyota caldina 241 2л,152л.с. была Toyota caldina st246w n-edition
|
|
| Вернуться к началу |
|
 |
|
ALEX-72
|
Добавлено: Пт май 29, 2015 7:01 am |
|
 |
| Герой былин народных |
 |
Зарегистрирован: Пн сен 30, 2013 7:47 am Сообщения: 3927 Откуда: Тюмень Репутация: 123 [ ? ]
Машина: Carina E Sedan
Год выпуска: 1993
Двигатель: 7A-FE STD теперь АКПП :-)
|
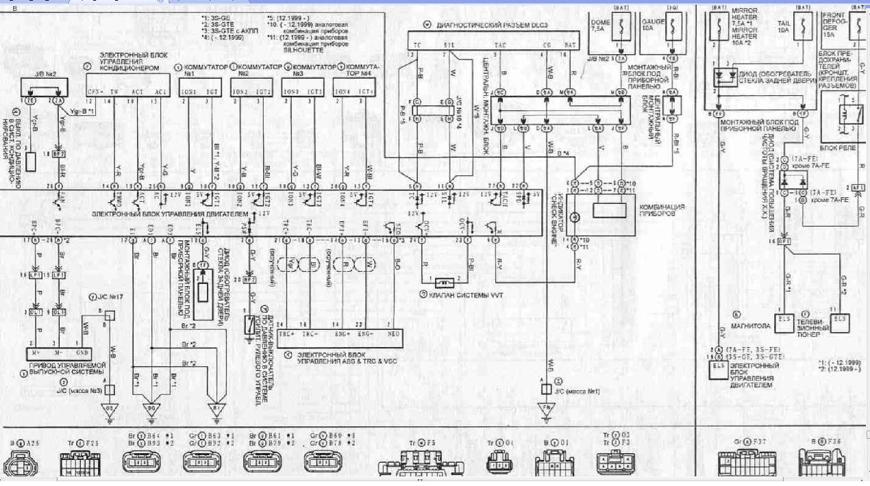
RADIK писал(а): желтый с зелёной полосой. на схеме не найду никак Только на одной схеме удалось найти такую расцветку, если верить ей, то уходит в диагностический разъем, проверь, если действительно туда, то посмотри на какой контакт, и подключи соответственно распиновке твоего ЭБУ, вот оранжевым выделил:
| Вложения: |

Безымянный.jpg [ 118.33 КБ | Просмотров: 6866 ]
|
_________________ Алексей.
|
|
| Вернуться к началу |
|
 |
Кто сейчас на конференции |
Сейчас этот форум просматривают: нет зарегистрированных пользователей и гости: 7 |
|
Вы не можете начинать темы Вы не можете отвечать на сообщения Вы не можете редактировать свои сообщения Вы не можете удалять свои сообщения Вы не можете добавлять вложения
|
|