Сообщения без ответов | Активные темы
| Автор |
Сообщение |
|
Виталичек
|
Добавлено: Сб ноя 30, 2013 9:53 pm |
|
 |
| Внесен в большую энциклопедию |
 |
Зарегистрирован: Пн ноя 05, 2012 2:20 pm Сообщения: 2366 Откуда: Лен. обл. п.Сиверский Репутация: 61 [ ? ]
Машина: карина е
Год выпуска: 1996
Двигатель: 7A FE LB
|
Deli писал(а): Лампа горит постоянно. Лампа АБС ? При считывании ошибок должна мигать другая лампочка. Есть тема отдельная с видео. Я сам ещё ошибки не считывал.
_________________ Виталий, Карина Е, седан, 1996, англичанка, 1,8л, 7А-FE LB, владею с мая 2012г.VIN SB153ABK10E047455.
|
|
| Вернуться к началу |
|
 |
|
R-tem
|
Добавлено: Сб ноя 30, 2013 10:28 pm |
|
 |
| Его именем пора назвать улицу |
 |
Зарегистрирован: Пн янв 21, 2008 8:31 pm Сообщения: 1788 Откуда: Одесса Репутация: 29 [ ? ]
|
Виталичек писал(а): Лампа АБС ? При считывании ошибок должна мигать другая лампочка интересно какая? ))
_________________ Carina E '93, 3S-FE, механика, Japan, Liftback,Red,GLI, люк, кондиционер, дерево, ГБО Camry '00, 5S-FE, автомат, USA, ГБО
|
|
| Вернуться к началу |
|
 |
|
Виталичек
|
Добавлено: Сб ноя 30, 2013 11:41 pm |
|
 |
| Внесен в большую энциклопедию |
 |
Зарегистрирован: Пн ноя 05, 2012 2:20 pm Сообщения: 2366 Откуда: Лен. обл. п.Сиверский Репутация: 61 [ ? ]
Машина: карина е
Год выпуска: 1996
Двигатель: 7A FE LB
|
R-tem писал(а): интересно какая?  Правильно! Надо заглянуть в FAQ. Раздел Электронная система впрыска топлива бензиновых двигателей. "Диагностика ABS, "скрепочная", инструментальная. Заглянул! Должна мигать лампочка ABS! Помогая другим и сам узнаю много интересного об устройстве Каринки! Со своими советами уже дважды Прав один наш форумчанин - "иногда лучше жевать, чем говорить!"
_________________ Виталий, Карина Е, седан, 1996, англичанка, 1,8л, 7А-FE LB, владею с мая 2012г.VIN SB153ABK10E047455.
|
|
| Вернуться к началу |
|
 |
|
Deli
|
Добавлено: Вс дек 01, 2013 12:26 am |
|
 |
| Студент |
Зарегистрирован: Пт ноя 29, 2013 1:17 am Сообщения: 4 Откуда: Минск Репутация: 0 [ ? ]
Машина: Карина Е
Год выпуска: 1996
Двигатель: 2.0 тд
|
|
Минск .
Как через разъем под капотом ? Одну перемычку снимаю, вторую Е1+Ts ставлю. Лампа просто горит. или есть способ прямо с разъема снять показания ?
P.S. Если замкнуть E1+Tc - мигает лампа подушки .
|
|
| Вернуться к началу |
|
 |
|
R-tem
|
Добавлено: Вс дек 01, 2013 12:34 am |
|
 |
| Его именем пора назвать улицу |
 |
Зарегистрирован: Пн янв 21, 2008 8:31 pm Сообщения: 1788 Откуда: Одесса Репутация: 29 [ ? ]
|
|
я бы на твоем месте снял приборку и посмотрел что там сзади творится, возможно шаманили там уже наши умельцы, я как то встречал на карине запараллеленую лампу абс с лампой Check)) при E1+Tc таки должна лампа абс мигать.
_________________ Carina E '93, 3S-FE, механика, Japan, Liftback,Red,GLI, люк, кондиционер, дерево, ГБО Camry '00, 5S-FE, автомат, USA, ГБО
|
|
| Вернуться к началу |
|
 |
|
Deli
|
Добавлено: Вс дек 01, 2013 12:55 am |
|
 |
| Студент |
Зарегистрирован: Пт ноя 29, 2013 1:17 am Сообщения: 4 Откуда: Минск Репутация: 0 [ ? ]
Машина: Карина Е
Год выпуска: 1996
Двигатель: 2.0 тд
|
Моё первое сообщение. Deli писал(а): приветствую всех. У меня такая проблема, лампа АБС горит постоянно и даже в режиме диагностики не моргает. Иногда она сама тухнет и все работает отлично. Потом при каком либо старте она опять загорается. Какие будут предположения ? За ранее всем спасибо. Добавлю что почти 3 года АБС работал прекрасно. Отсюда вывод, что не приборка. По поводу Ts и Tc, на этом же форуме я нашел , что это опечатка в книге, и действительно, при замыкании на Tc мигает лампа SRS.
|
|
| Вернуться к началу |
|
 |
|
bastynda
|
Добавлено: Вс дек 01, 2013 8:45 am |
|
 |
| На доске почета |
 |
Зарегистрирован: Сб апр 23, 2011 6:48 pm Сообщения: 1195 Откуда: Витебск Репутация: 48 [ ? ]
Машина: Carina_E
Год выпуска: 1997
Двигатель: 4AFE\LB
|
Deli писал(а): Лампа просто горит. -очень странно,ни разу не слышал от механиков,что бы вылетал блок-насос абс.Она не должна гореть постоянно при проверке скрепкой,если абс неисправен.Я бы проверил передние тестером(дохнут они обычно),скинул клемму акк(сброс),сменил тормозуху(может влаги напиталась ?).Я отключал датчики по очереди и скрепкой моргала именно лампочка АБС и точно по номеру отключенного датчика.  -Это может быть причиной :Ошибка моргала только когда зажигание включаяется после закорачивания диагностических разъемов и вытаскивания перемычки, а не перед Добавлено спустя 5 минут 2 секунды:R-tem писал(а): при E1+Tc таки должна лампа абс мигать. -Забыл сфоткать,но у японок и англичанок вроде разные контакты в DIAGNOSTIC на проверку ?,у меня англ.,при е1+Тс моргает подушка
_________________ Carina-E 1.6, ЛБ ,1997 wagon,МКПП Хочешь помочь взрослому - объясни. Хочешь помочь мастеру - не мешай. Хочешь помочь дураку - сам дурак. Продам лишнее(или поменяю) viewtopic.php?f=34&t=20740&p=675676#p675676
|
|
| Вернуться к началу |
|
 |
|
1bike
|
Добавлено: Вт дек 03, 2013 12:08 pm |
|
 |
| Самостоятельный |
Зарегистрирован: Ср окт 19, 2011 7:45 pm Сообщения: 33 Откуда: РБ, г.Минск Репутация: 0 [ ? ]
Машина: Toyota Carina E
Год выпуска: 1997
Двигатель: 7A-FE LB
|
|
Доброго дня всем! Загорелась у меня лампочка ABS. После включения зажигания горит постоянно. Вставил скрепочку, посчитал моргания. Выдало код 23 - обрыв или короткое замыкание в электромагнитном клапане заднего правого колеса. Я так понимаю, что это клапан в самом модуляторе давления. Открыл книгу, нашел распиновку выводов на разъем модулятора. Теперь хочу посоветоваться, правильно ли я расшифровал выводы. SRR- заднее правое колесо SFRS - наверное общий для правых колес SFR- переднее правое колесо SRL-заднее левое SFLS-общий для левых колес SFL- переднее левое Если я все правильно понял, то должны прозваниваться (с сопротивлением) SRR и SFRS, SFR и SFRS, ну и т.д. подскажите кто знает..
| Вложения: |

Модулятор.JPG [ 23.03 КБ | Просмотров: 8548 ]
|

Модулятор.JPG [ 23.03 КБ | Просмотров: 8548 ]
|
|
|
| Вернуться к началу |
|
 |
|
Makwein
|
Добавлено: Вт дек 03, 2013 5:30 pm |
|
 |
| Бригадир |
 |
Зарегистрирован: Ср мар 03, 2010 10:56 pm Сообщения: 203 Откуда: Украина Репутация: 4 [ ? ]
Машина: Carina-E
Год выпуска: 1995
Двигатель: 4-A BOSCH
|
|
Должны прозваниваться с сопротивлением, причем все с одинаковым. В блоке БОШ (а судя по году выпуска машины должен быть БОШ), на два клапана больше чем в японском, соответственно и схемы разные. Клапана находятся в модуляторе, а мозги, которые проверяют всю систему и выдают ошибку, в салоне. Соеденено это все проводкой моторного отсека. Так вот, проблема скорее всего там. Прозвони провода от мозгов до модулятора (на корпус тоже звони). Такой блок, мозги и проводка лежат в гараже. Появлюсь там в пятницу, если к этому времени не разберешся пиши, сделаю замеры и посмотрю места возможных замыканий.
_________________ Carina E GLI, 1995г, Англия, лифтбек, 4A-FE Motronik (хочу Black top)
Шуруп, забитый молотком, держится крепче чем гвоздь, закрученый отверткой!!!
|
|
| Вернуться к началу |
|
 |
|
1bike
|
Добавлено: Вт дек 03, 2013 5:45 pm |
|
 |
| Самостоятельный |
Зарегистрирован: Ср окт 19, 2011 7:45 pm Сообщения: 33 Откуда: РБ, г.Минск Репутация: 0 [ ? ]
Машина: Toyota Carina E
Год выпуска: 1997
Двигатель: 7A-FE LB
|
|
Makwein совершенно верно, блок БОШ (44510-0501). Сразу буду пробовать модулятор прозвонить, если там все гуд, то тогда уже в проводку полезу. Попутный вопрос: если подключить другой модулятор вместо моего (только разъемы) пропадет ли ошибка или без установки с прокачкой не прокатит?
|
|
| Вернуться к началу |
|
 |
|
Makwein
|
Добавлено: Вт дек 03, 2013 8:47 pm |
|
 |
| Бригадир |
 |
Зарегистрирован: Ср мар 03, 2010 10:56 pm Сообщения: 203 Откуда: Украина Репутация: 4 [ ? ]
Машина: Carina-E
Год выпуска: 1995
Двигатель: 4-A BOSCH
|
|
Если подключить все разъемы, то прокатит.
Добавлено спустя 57 секунд: А где возьмешь другой блок?
_________________ Carina E GLI, 1995г, Англия, лифтбек, 4A-FE Motronik (хочу Black top)
Шуруп, забитый молотком, держится крепче чем гвоздь, закрученый отверткой!!!
|
|
| Вернуться к началу |
|
 |
|
1bike
|
Добавлено: Ср дек 04, 2013 1:18 pm |
|
 |
| Самостоятельный |
Зарегистрирован: Ср окт 19, 2011 7:45 pm Сообщения: 33 Откуда: РБ, г.Минск Репутация: 0 [ ? ]
Машина: Toyota Carina E
Год выпуска: 1997
Двигатель: 7A-FE LB
|
|
есть тут на разборке блок за 30$. подъезжал пробовал подключить, но ошибка не пропала (правда есть подозрения, что я не все правильно делал, т.к. темнело, и разборка закрывалась и я торопился). Но сначала хочу все же свой проверить.
|
|
| Вернуться к началу |
|
 |
|
1bike
|
Добавлено: Ср дек 04, 2013 3:05 pm |
|
 |
| Самостоятельный |
Зарегистрирован: Ср окт 19, 2011 7:45 pm Сообщения: 33 Откуда: РБ, г.Минск Репутация: 0 [ ? ]
Машина: Toyota Carina E
Год выпуска: 1997
Двигатель: 7A-FE LB
|
|
Стал смотреть свой модулятор, так там разъемы другие. один на 4 контакта, а второй на 8 контактов!!!!! Я в панике!!!!! как проверять........?
| Вложения: |

модулятор фотка.jpg [ 35.85 КБ | Просмотров: 8493 ]
|
|
|
| Вернуться к началу |
|
 |
|
ravendmishik
|
Добавлено: Ср дек 04, 2013 4:56 pm |
|
 |
| Практикант |
Зарегистрирован: Чт ноя 28, 2013 11:39 pm Сообщения: 6 Репутация: 0 [ ? ]
Машина: Toyota Carina E
Год выпуска: 1993
Двигатель: 4A-FE
|
БелыйГусь писал(а): BAVAR писал(а): у меня нормальной эл.схему нет, а которая есть в ней сам чёрт голову сломит..... Все известные схемы и даже более есть здесь - viewtopic.php?t=1079чего то не перейти по ссылке... сколько ищю не могу найти электро схему абс
|
|
| Вернуться к началу |
|
 |
|
Makwein
|
Добавлено: Ср дек 04, 2013 10:37 pm |
|
 |
| Бригадир |
 |
Зарегистрирован: Ср мар 03, 2010 10:56 pm Сообщения: 203 Откуда: Украина Репутация: 4 [ ? ]
Машина: Carina-E
Год выпуска: 1995
Двигатель: 4-A BOSCH
|
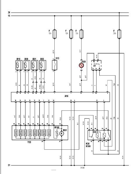
По ходу твоя схема: Добавлено спустя 3 минуты 46 секунд:Тот разьем, который на 8 контактов - выходы с клапанов (ибо их 8 ), контакт разьема В4 - общий всех клапанов. Просто! 
| Вложения: |

ABS.png [ 24.5 КБ | Просмотров: 8472 ]
|
_________________ Carina E GLI, 1995г, Англия, лифтбек, 4A-FE Motronik (хочу Black top)
Шуруп, забитый молотком, держится крепче чем гвоздь, закрученый отверткой!!!
|
|
| Вернуться к началу |
|
 |
|
1bike
|
Добавлено: Чт дек 05, 2013 2:59 pm |
|
 |
| Самостоятельный |
Зарегистрирован: Ср окт 19, 2011 7:45 pm Сообщения: 33 Откуда: РБ, г.Минск Репутация: 0 [ ? ]
Машина: Toyota Carina E
Год выпуска: 1997
Двигатель: 7A-FE LB
|
Makwein писал(а): По ходу твоя схема: Тот разьем, который на 8 контактов - выходы с клапанов (ибо их 8 ), контакт разьема В4 - общий всех клапанов. Просто!  А можешь картинку с лучшим разрешением скинуть? Когда эту открываю, то обозначения вообще прочитать не могу, все размыто. А с какого мануала схемку взял? Я уже который день интернет гуглю, никаких других мануалов найти не могу. Может поделишься мануальчиком? 
|
|
| Вернуться к началу |
|
 |
|
Makwein
|
Добавлено: Чт дек 05, 2013 5:27 pm |
|
 |
| Бригадир |
 |
Зарегистрирован: Ср мар 03, 2010 10:56 pm Сообщения: 203 Откуда: Украина Репутация: 4 [ ? ]
Машина: Carina-E
Год выпуска: 1995
Двигатель: 4-A BOSCH
|
Autodata версия не ниже 3.18 Добавлено спустя 16 минут 36 секунд:RE Добавлено спустя 3 минуты 16 секунд:Y22 - гидроблок, разьем А - клапана, контакт разьема В4 - общий клапанов. Ставишь тестер на 200 Ом, одна нога на В4, остальные звоним по очереди. 
| Вложения: |

ABS.png [ 44.8 КБ | Просмотров: 8445 ]
|
_________________ Carina E GLI, 1995г, Англия, лифтбек, 4A-FE Motronik (хочу Black top)
Шуруп, забитый молотком, держится крепче чем гвоздь, закрученый отверткой!!!
|
|
| Вернуться к началу |
|
 |
|
ravendmishik
|
Добавлено: Чт дек 05, 2013 9:43 pm |
|
 |
| Практикант |
Зарегистрирован: Чт ноя 28, 2013 11:39 pm Сообщения: 6 Репутация: 0 [ ? ]
Машина: Toyota Carina E
Год выпуска: 1993
Двигатель: 4A-FE
|
Makwein писал(а): По ходу твоя схема: Добавлено спустя 3 минуты 46 секунд:Тот разьем, который на 8 контактов - выходы с клапанов (ибо их 8 ), контакт разьема В4 - общий всех клапанов. Просто!  благодарю)
|
|
| Вернуться к началу |
|
 |
|
Makwein
|
Добавлено: Чт дек 05, 2013 11:47 pm |
|
 |
| Бригадир |
 |
Зарегистрирован: Ср мар 03, 2010 10:56 pm Сообщения: 203 Откуда: Украина Репутация: 4 [ ? ]
Машина: Carina-E
Год выпуска: 1995
Двигатель: 4-A BOSCH
|
Да мне не жалко. 
_________________ Carina E GLI, 1995г, Англия, лифтбек, 4A-FE Motronik (хочу Black top)
Шуруп, забитый молотком, держится крепче чем гвоздь, закрученый отверткой!!!
|
|
| Вернуться к началу |
|
 |
|
1bike
|
Добавлено: Пт дек 06, 2013 1:35 pm |
|
 |
| Самостоятельный |
Зарегистрирован: Ср окт 19, 2011 7:45 pm Сообщения: 33 Откуда: РБ, г.Минск Репутация: 0 [ ? ]
Машина: Toyota Carina E
Год выпуска: 1997
Двигатель: 7A-FE LB
|
|
Makwein спасибо за схемку. А целиком мануальчиком не поделишься? Буду очень благодарен....
|
|
| Вернуться к началу |
|
 |
|
Makwein
|
Добавлено: Пт дек 06, 2013 6:34 pm |
|
 |
| Бригадир |
 |
Зарегистрирован: Ср мар 03, 2010 10:56 pm Сообщения: 203 Откуда: Украина Репутация: 4 [ ? ]
Машина: Carina-E
Год выпуска: 1995
Двигатель: 4-A BOSCH
|
Это не мануал, это прога для авторемонта - Autodata называется. Там много разных автомобилей. У меня версия 3.18 (весит 1,8 ГБ), что касается электрики Карины-Е - в ней есть схемы АБС, кондея и мотора 1,8. Последняя версия, насколько я знаю, 3,38. Что в ней добавили не знаю. Скинул - бы, но такой размер файла не знаю куда положить. 
_________________ Carina E GLI, 1995г, Англия, лифтбек, 4A-FE Motronik (хочу Black top)
Шуруп, забитый молотком, держится крепче чем гвоздь, закрученый отверткой!!!
|
|
| Вернуться к началу |
|
 |
|
1bike
|
Добавлено: Пн дек 09, 2013 3:52 pm |
|
 |
| Самостоятельный |
Зарегистрирован: Ср окт 19, 2011 7:45 pm Сообщения: 33 Откуда: РБ, г.Минск Репутация: 0 [ ? ]
Машина: Toyota Carina E
Год выпуска: 1997
Двигатель: 7A-FE LB
|
Makwein, спасибо за ценную инфу!  Я все понял. Буду разбираться, по итогам отпишусь.
|
|
| Вернуться к началу |
|
 |
|
1bike
|
Добавлено: Вт дек 10, 2013 3:33 pm |
|
 |
| Самостоятельный |
Зарегистрирован: Ср окт 19, 2011 7:45 pm Сообщения: 33 Откуда: РБ, г.Минск Репутация: 0 [ ? ]
Машина: Toyota Carina E
Год выпуска: 1997
Двигатель: 7A-FE LB
|
|
прозвонил я свой модулятор. Верхний ряд контактов (4 штуки) звонится по 9 Ом, а нижний (остальных 4) по 5 Ом. Получается он живой???? Надо проверять проводку похоже.... Морозненько на улице((((( А ты не знаешь какого цвета провода отвечают за задний правый клапан?
|
|
| Вернуться к началу |
|
 |
|
1bike
|
Добавлено: Сб янв 11, 2014 3:51 pm |
|
 |
| Самостоятельный |
Зарегистрирован: Ср окт 19, 2011 7:45 pm Сообщения: 33 Откуда: РБ, г.Минск Репутация: 0 [ ? ]
Машина: Toyota Carina E
Год выпуска: 1997
Двигатель: 7A-FE LB
|
|
Прозвонил я свой модулятор. Верхний ряд контактов (4 штуки) звонится по 9 Ом, а нижний (остальных 4) по 5 Ом. Между собой и с корпусом у них КЗ нет. Получается он живой???? Надо проверять проводку похоже.... Морозненько на улице((((( Как снять мозг ABS в салоне? Не получается у меня отсоединить разъем с него не снимая. Кто подскажет??? Может в проводах от модулятора до мозга проблема.
| Вложения: |
Комментарий к файлу: мои разъемы на модуляторе

модулятор мой.JPG [ 28.41 КБ | Просмотров: 8231 ]
|
|
|
| Вернуться к началу |
|
 |
|
1bike
|
Добавлено: Пн янв 13, 2014 6:22 pm |
|
 |
| Самостоятельный |
Зарегистрирован: Ср окт 19, 2011 7:45 pm Сообщения: 33 Откуда: РБ, г.Минск Репутация: 0 [ ? ]
Машина: Toyota Carina E
Год выпуска: 1997
Двигатель: 7A-FE LB
|
|
неужели ни кто не снимал?
|
|
| Вернуться к началу |
|
 |
Кто сейчас на конференции |
Сейчас этот форум просматривают: нет зарегистрированных пользователей и гости: 20 |
|
Вы не можете начинать темы Вы не можете отвечать на сообщения Вы не можете редактировать свои сообщения Вы не можете удалять свои сообщения Вы не можете добавлять вложения
|
|