Сообщения без ответов | Активные темы
Автор |
Сообщение |
Upiter
|
Добавлено: Чт июн 05, 2014 6:55 pm |
|
 |
Контролер |
 |
Зарегистрирован: Вт июл 20, 2010 11:24 am Сообщения: 570 Откуда: 24rus Репутация: 21 [ ? ]
Машина: Carina E
Год выпуска: 1993
Двигатель: 3S-Ge
|
sever.max У меня раньше так и стояли, правый (кривой) видимо оригинал до сих пор живой, а левый прямой труп, вот его и надо поменять. От мака тоже кривые. Guarorart Там пишут при замене подвески со страта на мак и после этого какие тяги и наконечники ставят, когда я полтора месяца назад поставил подвеску мак, то был в шоке, т.к. с тягами и наконечниками от страта я не мог оба колеса поставить ровно, допустим если левое прямо то правое вывернутовправо, если правое поставить ровно то левое вывернуто влево, на следующий день поехал купил тяги и наконечники, более менее поставил колёса ровно и поехал на сход-развал, так они не смогли мне поставить колёса ровно оба колеса смотрели во внутрь, так как тяга при закручивании упиралась в наконечник, пришлось по 1 см пильнуть тяги, только тогда всё получилось. Тяга от мака длиннее чем на страте, а наконечник не помню. Сегодня приехала подвеска, завтра заберу, послезавтра буду ставить, если подойдёт...
_________________ Карина Е,92 г.в, седан 4A-fe, не л.б. мкпп, зеленая(742). Продана... Карина Е GTi 93, 3S-Ge 2gen -> 3gen 180 л.с. тёмно-серый седан, люк, кондей,SSS. 助け — Таскэ Авенсис 2000 г.в. 7a-fe. мкпп дорестайл.
|
|
Вернуться к началу |
|
 |
sever.max
|
Добавлено: Пт июн 06, 2014 10:02 pm |
|
 |
Его именем пора назвать улицу |
 |
Зарегистрирован: Вс июн 05, 2011 3:24 pm Сообщения: 1849 Откуда: Белгород Репутация: 36 [ ? ]
Машина: Toyota Carina E
Год выпуска: 1993
Двигатель: Yamaha 3S-GTE
|
Никита писал(а): Поменял вчера тягу рулевую,поставил дубль A01RE10350 ,качество отличное,покупал у нашего одноклубника Musachi,покопавшись у него на складе,нашли еще подходящие тяги от Марка 2 в сотом кузове полноприводного вот оригинальный номер 4550329535 и замен на него куча в отличии от наших!!!
_________________ 3S-GTE, 2.0 GTi, 260 л.с.,4wd e150f-08b+torsen, SSS,1993 год, лифтбек, люк, japan, чёрный металлик Я на драв2 http://www.drive2.ru/cars/toyota/carina ... sever-max/
|
|
Вернуться к началу |
|
 |
SID48rus
|
Добавлено: Пт июн 06, 2014 10:27 pm |
|
 |
Инструктор |
Зарегистрирован: Пт мар 11, 2011 2:14 am Сообщения: 360 Откуда: Липецк Репутация: 10 [ ? ]
Машина: Карина Е GTi
Год выпуска: 1993
Двигатель: 3S-GE
|
Upiter
На первой странице указывал наконечники - прямые 555, от бусика какого-то..
_________________ Владимир. JT164STK200016310,1993г,3S-GE красный лифт
|
|
Вернуться к началу |
|
 |
Diman__2008
|
Добавлено: Сб июн 07, 2014 9:01 am |
|
 |
Контролер |
 |
Зарегистрирован: Вс янв 12, 2014 3:37 pm Сообщения: 529 Откуда: Рубцовск/Санкт-Петербург Репутация: 31 [ ? ]
Машина: Carina E 2.0 GTI, подвеска-SSS
Год выпуска: 1993
Двигатель: 3S-GTE 4gen
|
Парни, подскажите, кто каким бензом кормит свой GE ? И как сильно заметна разница ? А то я вообще на 92 езжу( так как сомневаюсь насчет качественности 95,98 в нашем городе. Причем лямбда у меня не работает, но расход нормальный)
_________________ Carina E 3S-GTE, liftback, 09/1992, ST191L-ALMVFW. Подвеска- СуперСтрат. Торсен. Бортжурнал моей машиныОдо-дневникКрасная Carina E GTI на DRIVE2
|
|
Вернуться к началу |
|
 |
SID48rus
|
Добавлено: Сб июн 07, 2014 12:46 pm |
|
 |
Инструктор |
Зарегистрирован: Пт мар 11, 2011 2:14 am Сообщения: 360 Откуда: Липецк Репутация: 10 [ ? ]
Машина: Карина Е GTi
Год выпуска: 1993
Двигатель: 3S-GE
|
Мотор звенел на 92, даже 12-летняя дочка замечает  Детонация появляется при интенсивном разгоне  На 95 Лукойле катаюсь и мозг не парю(лучше заправок нет).... Проверял через 40тыс сетку в бензобаке и распиливал т.фильтр - криминала не обнаружено. Не экономте на спичках, дороже выйдет 
_________________ Владимир. JT164STK200016310,1993г,3S-GE красный лифт
|
|
Вернуться к началу |
|
 |
afrikos
|
Добавлено: Сб июн 07, 2014 12:53 pm |
|
 |
Инструктор |
 |
Зарегистрирован: Пт апр 09, 2010 12:27 am Сообщения: 443 Откуда: Воронеж Репутация: 8 [ ? ]
Машина: Carina E GTI
Год выпуска: 1995
Двигатель: 3s-gte
|
Diman__2008 писал(а): Парни, подскажите, кто каким бензом кормит свой GE ? И как сильно заметна разница ? А то я вообще на 92 езжу( так как сомневаюсь насчет качественности 95,98 в нашем городе. Причем лямбда у меня не работает, но расход нормальный) Согласно книжке и интернету, то наш движок просит только 98, но может ездить и на 95 (это если нормально ездить). Лично я заправляю только 98 и только на лукойле, пару раз заправлял 95 на трассе, т.к. с 98-м там проблемс, разницу я не ощутил, но как говорят мотористы, если производитель говорит что 98, значит 98. А на 95 мы просто ускоряем износ двигателя( по этому поводу, в инете есть очень много видео и передач).
_________________ Андрей - я. CARINA E GTI 3s-gte, 1995 г.в., япошка лифт http://www.drive2.ru/r/toyota/1196559/
|
|
Вернуться к началу |
|
 |
SID48rus
|
Добавлено: Сб июн 07, 2014 1:03 pm |
|
 |
Инструктор |
Зарегистрирован: Пт мар 11, 2011 2:14 am Сообщения: 360 Откуда: Липецк Репутация: 10 [ ? ]
Машина: Карина Е GTi
Год выпуска: 1993
Двигатель: 3S-GE
|
_________________ Владимир. JT164STK200016310,1993г,3S-GE красный лифт
|
|
Вернуться к началу |
|
 |
sever.max
|
Добавлено: Сб июн 07, 2014 4:18 pm |
|
 |
Его именем пора назвать улицу |
 |
Зарегистрирован: Вс июн 05, 2011 3:24 pm Сообщения: 1849 Откуда: Белгород Репутация: 36 [ ? ]
Машина: Toyota Carina E
Год выпуска: 1993
Двигатель: Yamaha 3S-GTE
|
Раньше заправлял ток 95,щас лью 98 уже пол года!
_________________ 3S-GTE, 2.0 GTi, 260 л.с.,4wd e150f-08b+torsen, SSS,1993 год, лифтбек, люк, japan, чёрный металлик Я на драв2 http://www.drive2.ru/cars/toyota/carina ... sever-max/
|
|
Вернуться к началу |
|
 |
afrikos
|
Добавлено: Сб июн 07, 2014 7:35 pm |
|
 |
Инструктор |
 |
Зарегистрирован: Пт апр 09, 2010 12:27 am Сообщения: 443 Откуда: Воронеж Репутация: 8 [ ? ]
Машина: Carina E GTI
Год выпуска: 1995
Двигатель: 3s-gte
|
Diman__2008 писал(а): sever.max И как динамика в сравнении с 95? Как расход ? Если не тошнить, то разницы нет.
_________________ Андрей - я. CARINA E GTI 3s-gte, 1995 г.в., япошка лифт http://www.drive2.ru/r/toyota/1196559/
|
|
Вернуться к началу |
|
 |
Upiter
|
Добавлено: Сб июн 07, 2014 8:32 pm |
|
 |
Контролер |
 |
Зарегистрирован: Вт июл 20, 2010 11:24 am Сообщения: 570 Откуда: 24rus Репутация: 21 [ ? ]
Машина: Carina E
Год выпуска: 1993
Двигатель: 3S-Ge
|
Всегда лью 92, детонации ни разу не было по сравнению с 95 чуть хуже но прям ощутимой разницы нет, заправляюсь только на газпроме, лукойла у нас нет, тоже буду переходить на 95. sever.max Вчера пришли зап. части с владика, в косых и прямых рычагах шаровые двигаются свободно, но каких-то люфтов, закусов и стуков нет, верхние шаровые тоже двигаются свободно без каких либо усилий, у тебя так же и на сколько это критично, я думаю если люфт есть, то его можно определить только под нагрузкой, скорее всего завтра измерю длину рычагов, пружины видно что тоньше чем наши и опорники не много другие.
_________________ Карина Е,92 г.в, седан 4A-fe, не л.б. мкпп, зеленая(742). Продана... Карина Е GTi 93, 3S-Ge 2gen -> 3gen 180 л.с. тёмно-серый седан, люк, кондей,SSS. 助け — Таскэ Авенсис 2000 г.в. 7a-fe. мкпп дорестайл.
|
|
Вернуться к началу |
|
 |
sever.max
|
Добавлено: Сб июн 07, 2014 10:43 pm |
|
 |
Его именем пора назвать улицу |
 |
Зарегистрирован: Вс июн 05, 2011 3:24 pm Сообщения: 1849 Откуда: Белгород Репутация: 36 [ ? ]
Машина: Toyota Carina E
Год выпуска: 1993
Двигатель: Yamaha 3S-GTE
|
Diman__2008 писал(а): И как динамика в сравнении с 95? Как расход ? Сильной разницы нет в поведении,но и в цене то же разница не особо, лучше 98 заливать,может с низов по лучше тянет и когда газ/тормоз по меньше ест чутка! Короче я думаю так кто гоняет постоянно по городу лейте 98,а кто иногда и более менее спокойно и накладно по монете лейте 95! Upiter писал(а): Всегда лью 92, детонации ни разу не было по сравнению с 95 чуть хуже но прям ощутимой разницы нет Да ну нафиг сразу литра на 4 больше ест и не едет,и по любому датчик детонации срабатывает и машина работает в аварийном режиме!Не жадничай лей норм бенз! Upiter писал(а): в косых и прямых рычагах шаровые двигаются свободно, но каких-то люфтов, закусов и стуков нет, верхние шаровые тоже двигаются свободно без каких либо усилий, у тебя так же и на сколько это критично, я думаю если люфт есть, то его можно определить только под нагрузкой Бинокль в прямом рычаге должен крутится легко(под своим весом) шаровые главное чтоб не стучали,ну а то что они легко ходят это уже они разработались(тут уже хз на сколько хватит,могут долго бегать,а могут пару норм ям и всё,ну конечно рулится будет норм,но грякать будет на кочках если умрут) У меня походу на косых начали грякать на норм ямах,я просто по области проехал не хило так,можно было и колёса потерять!
_________________ 3S-GTE, 2.0 GTi, 260 л.с.,4wd e150f-08b+torsen, SSS,1993 год, лифтбек, люк, japan, чёрный металлик Я на драв2 http://www.drive2.ru/cars/toyota/carina ... sever-max/
|
|
Вернуться к началу |
|
 |
Upiter
|
Добавлено: Пн июн 09, 2014 6:03 pm |
|
 |
Контролер |
 |
Зарегистрирован: Вт июл 20, 2010 11:24 am Сообщения: 570 Откуда: 24rus Репутация: 21 [ ? ]
Машина: Carina E
Год выпуска: 1993
Двигатель: 3S-Ge
|
Не большой отчёт по подвеске SSS Карины Е и Левина в АЕ111 кузове, все рычаги и стойки полностью идентичны, за исключением опорного подшипника, площадок крепления шаровых и если ставить страт от левина то только с этими площадками. Штока на стойке одинаковые на 22, а вот пружины слабее на карине 13мм на левине 12. Верхние шаровые тоже подходят на нашу ступицу!
Вложения: |

IMAG0187.jpg [ 158 КБ | Просмотров: 8939 ]
|

IMAG0189.jpg [ 131.93 КБ | Просмотров: 8939 ]
|

IMAG0188.jpg [ 126.3 КБ | Просмотров: 8939 ]
|

IMAG0190.jpg [ 138.92 КБ | Просмотров: 8939 ]
|
Комментарий к файлу: Вот то различие в креплении шаровых, о котором я говорил.

IMAG0193.jpg [ 125.04 КБ | Просмотров: 8939 ]
|
_________________ Карина Е,92 г.в, седан 4A-fe, не л.б. мкпп, зеленая(742). Продана... Карина Е GTi 93, 3S-Ge 2gen -> 3gen 180 л.с. тёмно-серый седан, люк, кондей,SSS. 助け — Таскэ Авенсис 2000 г.в. 7a-fe. мкпп дорестайл.
|
|
Вернуться к началу |
|
 |
Upiter
|
Добавлено: Вт июн 10, 2014 3:29 am |
|
 |
Контролер |
 |
Зарегистрирован: Вт июл 20, 2010 11:24 am Сообщения: 570 Откуда: 24rus Репутация: 21 [ ? ]
Машина: Carina E
Год выпуска: 1993
Двигатель: 3S-Ge
|
сегодня поставлю посмотрю какие косяки есть, а так то да доволен))) косые рычаги такие же, сам сайлент шире, а диаметр втулки такойже как у нас.
_________________ Карина Е,92 г.в, седан 4A-fe, не л.б. мкпп, зеленая(742). Продана... Карина Е GTi 93, 3S-Ge 2gen -> 3gen 180 л.с. тёмно-серый седан, люк, кондей,SSS. 助け — Таскэ Авенсис 2000 г.в. 7a-fe. мкпп дорестайл.
|
|
Вернуться к началу |
|
 |
sever.max
|
Добавлено: Вт июн 10, 2014 4:22 am |
|
 |
Его именем пора назвать улицу |
 |
Зарегистрирован: Вс июн 05, 2011 3:24 pm Сообщения: 1849 Откуда: Белгород Репутация: 36 [ ? ]
Машина: Toyota Carina E
Год выпуска: 1993
Двигатель: Yamaha 3S-GTE
|
Не знаю у меня и оригинальная втулка болтается когда болт суёшь,поэтому делаю у токаря постоянно втулки чтоб плотно было!
_________________ 3S-GTE, 2.0 GTi, 260 л.с.,4wd e150f-08b+torsen, SSS,1993 год, лифтбек, люк, japan, чёрный металлик Я на драв2 http://www.drive2.ru/cars/toyota/carina ... sever-max/
|
|
Вернуться к началу |
|
 |
Shtusha
|
Добавлено: Вт июн 10, 2014 12:13 pm |
|
 |
Инструктор |
 |
Зарегистрирован: Сб мар 03, 2012 9:08 pm Сообщения: 499 Откуда: Санкт-Петербург Репутация: 15 [ ? ]
Машина: Carina E "Пулька"
Год выпуска: 1994
Двигатель: 3S-GE
|
Upiter писал(а): Верхние шаровые тоже подходят на нашу ступицу! А ехист так и выдает применяемость: "CARINA E COROLLA LEVIN/TRUENO LVN/CRE/TRN/MRN " По фотке, вроде как площадки разные, межцентровое расстояние разное между центральным и левым отверстием? Не? Показалось? Это значит на кулак не встанет на наш, только на левиновский, он, кстати, другим номером идет.
_________________ Былое: Toyota Corona SF 1,8 МТ 1995 зеленая Тоже уже былое: Toyota Carina E 2,0 GTI 1994 "Пулька" черная
|
|
Вернуться к началу |
|
 |
Upiter
|
Добавлено: Вт июн 10, 2014 2:44 pm |
|
 |
Контролер |
 |
Зарегистрирован: Вт июл 20, 2010 11:24 am Сообщения: 570 Откуда: 24rus Репутация: 21 [ ? ]
Машина: Carina E
Год выпуска: 1993
Двигатель: 3S-Ge
|
sever.max Есть размеры втулок? Shtusha Показалось, я примерял подходят как родные, номером другим идёт возможно из-за ступицы, если кулак продаётся вместе с ней, т.к. у левина 4 шпильки крепления колеса. Работа не даёт заняться подвеской(((
_________________ Карина Е,92 г.в, седан 4A-fe, не л.б. мкпп, зеленая(742). Продана... Карина Е GTi 93, 3S-Ge 2gen -> 3gen 180 л.с. тёмно-серый седан, люк, кондей,SSS. 助け — Таскэ Авенсис 2000 г.в. 7a-fe. мкпп дорестайл.
|
|
Вернуться к началу |
|
 |
Upiter
|
Добавлено: Вт июн 10, 2014 4:03 pm |
|
 |
Контролер |
 |
Зарегистрирован: Вт июл 20, 2010 11:24 am Сообщения: 570 Откуда: 24rus Репутация: 21 [ ? ]
Машина: Carina E
Год выпуска: 1993
Двигатель: 3S-Ge
|
sever.max т.е. внутренний диаметр втулки точили по болту?
_________________ Карина Е,92 г.в, седан 4A-fe, не л.б. мкпп, зеленая(742). Продана... Карина Е GTi 93, 3S-Ge 2gen -> 3gen 180 л.с. тёмно-серый седан, люк, кондей,SSS. 助け — Таскэ Авенсис 2000 г.в. 7a-fe. мкпп дорестайл.
|
|
Вернуться к началу |
|
 |
sever.max
|
Добавлено: Вт июн 10, 2014 4:06 pm |
|
 |
Его именем пора назвать улицу |
 |
Зарегистрирован: Вс июн 05, 2011 3:24 pm Сообщения: 1849 Откуда: Белгород Репутация: 36 [ ? ]
Машина: Toyota Carina E
Год выпуска: 1993
Двигатель: Yamaha 3S-GTE
|
Upiter писал(а): т.е. внутренний диаметр втулки точили по болту? Да, первый раз я носил болт и полиуретановый С/Б,а второй раз я носил гайку(на болт накручивалась ток шаг другой) от шаровой косого рычага и косой рычаг от левина 101!
_________________ 3S-GTE, 2.0 GTi, 260 л.с.,4wd e150f-08b+torsen, SSS,1993 год, лифтбек, люк, japan, чёрный металлик Я на драв2 http://www.drive2.ru/cars/toyota/carina ... sever-max/
|
|
Вернуться к началу |
|
 |
Shtusha
|
Добавлено: Пн июн 30, 2014 9:37 am |
|
 |
Инструктор |
 |
Зарегистрирован: Сб мар 03, 2012 9:08 pm Сообщения: 499 Откуда: Санкт-Петербург Репутация: 15 [ ? ]
Машина: Carina E "Пулька"
Год выпуска: 1994
Двигатель: 3S-GE
|
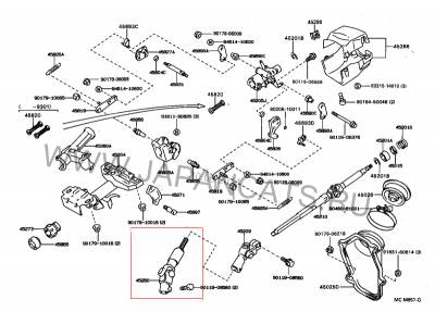
Други! Кто сталкивался, чем у нас вал рулевой отличается от других карин? Номера разные.
Вложения: |

CImage.ashx.png [ 130.19 КБ | Просмотров: 8787 ]
|
_________________ Былое: Toyota Corona SF 1,8 МТ 1995 зеленая Тоже уже былое: Toyota Carina E 2,0 GTI 1994 "Пулька" черная
|
|
Вернуться к началу |
|
 |
sever.max
|
Добавлено: Пн июн 30, 2014 3:59 pm |
|
 |
Его именем пора назвать улицу |
 |
Зарегистрирован: Вс июн 05, 2011 3:24 pm Сообщения: 1849 Откуда: Белгород Репутация: 36 [ ? ]
Машина: Toyota Carina E
Год выпуска: 1993
Двигатель: Yamaha 3S-GTE
|
Shtusha Длиной,наш короче вроде! Можно поставить от обычной и на оборот! Я себе менял несколько раз уже и забыл какой щас стоит!
Добавлено спустя 4 минуты 28 секунд: Upiter отпишись как подвеска?) а то я уже свою убил,ни куда не тянет и едет бодро,ток скрипит!(((
Вложения: |

IMG_20140407_195940.jpg [ 339.85 КБ | Просмотров: 8769 ]
|
_________________ 3S-GTE, 2.0 GTi, 260 л.с.,4wd e150f-08b+torsen, SSS,1993 год, лифтбек, люк, japan, чёрный металлик Я на драв2 http://www.drive2.ru/cars/toyota/carina ... sever-max/
|
|
Вернуться к началу |
|
 |
Shtusha
|
Добавлено: Вт июл 01, 2014 9:13 am |
|
 |
Инструктор |
 |
Зарегистрирован: Сб мар 03, 2012 9:08 pm Сообщения: 499 Откуда: Санкт-Петербург Репутация: 15 [ ? ]
Машина: Carina E "Пулька"
Год выпуска: 1994
Двигатель: 3S-GE
|
sever.max Вот, спасибо!
_________________ Былое: Toyota Corona SF 1,8 МТ 1995 зеленая Тоже уже былое: Toyota Carina E 2,0 GTI 1994 "Пулька" черная
|
|
Вернуться к началу |
|
 |
Кто сейчас на конференции |
Сейчас этот форум просматривают: нет зарегистрированных пользователей и гости: 0 |
|
Вы не можете начинать темы Вы не можете отвечать на сообщения Вы не можете редактировать свои сообщения Вы не можете удалять свои сообщения Вы не можете добавлять вложения
|
|