Сообщения без ответов | Активные темы
| Автор |
Сообщение |
|
vovgun
|
Добавлено: Вт авг 19, 2014 1:34 pm |
|
 |
| Контролер |
 |
Зарегистрирован: Пн янв 10, 2011 10:57 pm Сообщения: 550 Откуда: Казахстан, г.Алма-Ата Репутация: 9 [ ? ]
Машина: Toyota Carina E
Год выпуска: 1994
Двигатель: 4A-FE LB
|
|
спасибо, но придется наверное его брать с собой на разбор.
_________________ Была 4A-FE LB Sportswagon 1994 МКПП GLI Jапонка Есть Skoda Octavia A5 2008 лифтбек 1.6MPI МКПП 4ешка  Mitsubishi Outlander 2003 2.4 АКПП
|
|
| Вернуться к началу |
|
 |
|
vovgun
|
Добавлено: Пн сен 01, 2014 4:29 pm |
|
 |
| Контролер |
 |
Зарегистрирован: Пн янв 10, 2011 10:57 pm Сообщения: 550 Откуда: Казахстан, г.Алма-Ата Репутация: 9 [ ? ]
Машина: Toyota Carina E
Год выпуска: 1994
Двигатель: 4A-FE LB
|
|
Насчет самого моторчика (якорь с магнитами в корпусе) не знаю, а редуктор у них другой, зеркально повернутый. Обошел весь авторынок, пока подобрал подходящий.
_________________ Была 4A-FE LB Sportswagon 1994 МКПП GLI Jапонка Есть Skoda Octavia A5 2008 лифтбек 1.6MPI МКПП 4ешка  Mitsubishi Outlander 2003 2.4 АКПП
|
|
| Вернуться к началу |
|
 |
|
Okshish
|
Добавлено: Чт сен 04, 2014 9:41 pm |
|
 |
| Инструктор |
 |
Зарегистрирован: Вс янв 22, 2012 5:16 pm Сообщения: 392 Откуда: Москва Репутация: 6 [ ? ]
Машина: Москва, Карина е
Год выпуска: 1993
Двигатель: 4а-fe
|
|
Моторчик стеклоочистителя с японки взаимозаменяем на моторчик с англичанки?
_________________ 1.6 не ЛБ АКПП 1993 седан синий японец
|
|
| Вернуться к началу |
|
 |
|
Kraizer
|
Добавлено: Чт сен 04, 2014 10:13 pm |
|
 |
| Заслуженный |
 |
Зарегистрирован: Вс окт 26, 2008 11:46 pm Сообщения: 889 Откуда: Латвия,Рига Репутация: 49 [ ? ]
Машина: MB E200D W212
Год выпуска: 2010
Двигатель: 2.2D
|
Okshishвзаимозаменяем НО только в зборе с трапецияй дворников.Тут кто то ставил от десятки моторчик ,толи какую то её часть - поищи в форуме. оргинальный б.у -дорогой а оргинальный новый -очень очень дорогой. 
_________________ CarinaE 2C 95" и 2CT 97г-уехали в Африку . Carina E sedan 97г. 1.8 7A-FE, Toyota Hiace, 2002г. 2.5 D-4D Vovlo V70 D5 2002г VW Passat B6 1.9tdi Пусть Доброта зародится там, где ещё отсутствует,где уже зародилась ,пусть никогда не уменьшится ,но растёт всё больше и большe!
|
|
| Вернуться к началу |
|
 |
|
super-medved
|
Добавлено: Пн ноя 09, 2015 10:24 pm |
|
 |
| Практикант |
Зарегистрирован: Вс окт 11, 2009 1:39 pm Сообщения: 8 Откуда: Самара Репутация: 0 [ ? ]
Машина: Toyota Carina E
Год выпуска: 1993
Двигатель: 3SFE
|
|
Моторчик передних дворников на Carina E японской сборки уникальный или от каких-нибудь других тойот всё же подходит?
_________________ Toyota Carina E, 1993, ST191, 3SFE, Japan
|
|
| Вернуться к началу |
|
 |
|
Kupr_Soft
|
Добавлено: Пн ноя 09, 2015 10:58 pm |
|
 |
| Внесен в большую энциклопедию |
 |
Зарегистрирован: Чт июл 21, 2011 9:52 am Сообщения: 2599 Откуда: Питер м.Электросила Репутация: 65 [ ? ]
Машина: Carina-E GLi Лифтбэк
Год выпуска: 1992
Двигатель: 3SFE -> 3SGE Beams 200лс
|
super-medved писал(а): Моторчик передних дворников на Carina E японской сборки уникальный или от каких-нибудь других тойот всё же подходит? от 10 встаёт с доработкой напильником... ищи где-то были описания...
|
|
| Вернуться к началу |
|
 |
|
agastii
|
Добавлено: Вт ноя 10, 2015 12:29 am |
|
 |
| Инструктор |
 |
Зарегистрирован: Вт янв 03, 2012 6:56 pm Сообщения: 396 Откуда: Нижегородская область г.Выкса Репутация: 18 [ ? ]
Машина: toyota avensis
Год выпуска: 1998
Двигатель: 2.0
|
Kupr_Soft писал(а): от 10 встаёт с доработкой напильником... ищи где-то были описания... я ставил, как времянка пойдёт. Надо брать нового Образца и сверло на 6 если не ошибаюсь
_________________ была:тойота carina Е 1992 гв, 3 sfe 2.0 японочка седан! сейчас: тойота авенсис 1998 гв, 2.0 3sfe. седан!
|
|
| Вернуться к началу |
|
 |
|
super-medved
|
Добавлено: Вт ноя 10, 2015 9:54 pm |
|
 |
| Практикант |
Зарегистрирован: Вс окт 11, 2009 1:39 pm Сообщения: 8 Откуда: Самара Репутация: 0 [ ? ]
Машина: Toyota Carina E
Год выпуска: 1993
Двигатель: 3SFE
|
|
Спасибо за ответы. А если не как времянка? Неужели только новый за 25 т.р. в exist покупать? (если в разборках именно 85110-20650 не найду)
_________________ Toyota Carina E, 1993, ST191, 3SFE, Japan
|
|
| Вернуться к началу |
|
 |
|
MerTV
|
Добавлено: Вт ноя 10, 2015 10:11 pm |
|
 |
| У него свой шкафчик в раздевалке |
 |
Зарегистрирован: Ср июл 16, 2008 9:35 am Сообщения: 7416 Откуда: Нижний Новгород Репутация: 358 [ ? ]
Машина: Тойота Ками. Мелкий проходимец
Год выпуска: 1999
Двигатель: Контрактный
|
|
у меня в наличии(если сам мотор нужен) 1700 руб. Оригинал,Денсо,состояние на 4+
_________________ Ремонт ДВС японских и корейских автомобилей SWAP-сервис в Нижнем Новгороде
|
|
| Вернуться к началу |
|
 |
|
sv_ilya
|
Добавлено: Вс янв 31, 2016 2:39 pm |
|
 |
| Самостоятельный |
Зарегистрирован: Пт янв 09, 2009 4:30 pm Сообщения: 25 Откуда: tula Репутация: 1 [ ? ]
|
Cail писал(а): спаиваем чёрный провод с чёрным(дес)(минус), синий с жёлтым(десятошным)(плюс),син-красн с синим, сине-бел с белым и сине-чёрн с серым. Мотор с десятки ставлю на япошку. Сделал как сказано. На первой прерывистой - дворники работают постоянно, на второй так же, а на самой быстрой работают медленнее. Напряжение замерять нечем, схемы читать не умею. Может кто подскажет какие еще варианты есть по цветам
_________________ 3S-fe Liftback
|
|
| Вернуться к началу |
|
 |
|
sv_ilya
|
Добавлено: Пн фев 01, 2016 5:07 pm |
|
 |
| Самостоятельный |
Зарегистрирован: Пт янв 09, 2009 4:30 pm Сообщения: 25 Откуда: tula Репутация: 1 [ ? ]
|
|
Поменял местами серый и синий скоростные режимы встали на место, только теперь не работает прерывистый режим. Вместо него - медленный непрерывный.
_________________ 3S-fe Liftback
|
|
| Вернуться к началу |
|
 |
|
Юрик2013
|
Добавлено: Ср июл 06, 2016 2:13 pm |
|
 |
| Стажер |
Зарегистрирован: Вт май 14, 2013 10:19 pm Сообщения: 11 Откуда: Питер Репутация: 0 [ ? ]
Машина: Toyota Carina E GLI лифт JT
Год выпуска: 1992
Двигатель: 4A-FE
|
MerTV писал(а): у меня в наличии(если сам мотор нужен) 1700 руб. Оригинал,Денсо,состояние на 4+ Если еще остался - я бы взял!
_________________ Toyota Carina E GLI лифт JT (японка леворукая) 4А-FE 1,6 (107коней) 1992г.
|
|
| Вернуться к началу |
|
 |
|
Terli
|
Добавлено: Ср янв 03, 2018 10:57 pm |
|
 |
| Самостоятельный |
Зарегистрирован: Сб июл 08, 2017 6:41 pm Сообщения: 25 Откуда: Москва/Тула Репутация: 4 [ ? ]
Машина: Toyota Carina E Lift Back
Год выпуска: 1997
Двигатель: 1.6 LB
|
|
Товарищи нужен совет по сращиванию разъема англичанки с моторчиком японки. Проблема: на английском моторе проводочкики: черный, красный ,синий ,салатовый, коричневый. На японском: черный, синий, синий с белой полоской, синий с красной полоской, синий с черной полоской В учебнике: Салатовый, салатовый с красным, салатовый с белым, голубой, бело-черный. Что с чем сращивать - я недоумеваю. Есть у кого опыт? Или как их прозвонить чтобы узнать ху из ху? Спасибо!
|
|
| Вернуться к началу |
|
 |
|
alexrotor
|
Добавлено: Ср янв 03, 2018 11:00 pm |
|
 |
| Внесен в большую энциклопедию |
 |
Зарегистрирован: Сб фев 12, 2011 11:09 am Сообщения: 2115 Откуда: Нижегородская область УРЕНЬ Репутация: 78 [ ? ]
Машина: LEXUS GS300
Год выпуска: 2008
Двигатель: 3GRFSE
|
|
Terli Так должно и так все работать. Или разъема нет на новой?
_________________ 89108943598Я на DRIVE2 
|
|
| Вернуться к началу |
|
 |
|
Terli
|
Добавлено: Ср янв 03, 2018 11:05 pm |
|
 |
| Самостоятельный |
Зарегистрирован: Сб июл 08, 2017 6:41 pm Сообщения: 25 Откуда: Москва/Тула Репутация: 4 [ ? ]
Машина: Toyota Carina E Lift Back
Год выпуска: 1997
Двигатель: 1.6 LB
|
|
На японке и англичанке разные разъемы.
|
|
| Вернуться к началу |
|
 |
|
Terli
|
Добавлено: Пн янв 08, 2018 6:20 pm |
|
 |
| Самостоятельный |
Зарегистрирован: Сб июл 08, 2017 6:41 pm Сообщения: 25 Откуда: Москва/Тула Репутация: 4 [ ? ]
Машина: Toyota Carina E Lift Back
Год выпуска: 1997
Двигатель: 1.6 LB
|
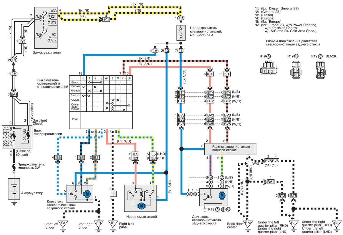
Отвечу сам себе: в учебнике даны цвета кабеля в самом автомобиле, на моем английском моторчике (который к тому же и не Бош, а ноунейм) комбинация цветов другая, на моторчике Денсо третья комбинация цветов (которая такая же как на короне). Собственно вот схема Карины и Короны. Добавлено спустя 7 минут 35 секунд:Собственно по разъемам: на денсовском разъеме 6 отверстий, на английском 5. Касаемо, того какой пин куда втыкать: в схеме есть нумерация и нумерация есть на разъемах( на фото обведено красным) соответственно втыкал Первый пин( черный провод) с мотора Денсо в 1 отверстие английского и т.д. Первый раз я ставил пины не по нумерации а по соответствию цветов, в итоге зеркально перепутал провода и дворники чистили капот... Добавлено спустя 14 минут 44 секунды:А еще я зачем-то полез в моторчик и после сборки дворники стали останавливаться там, где им приятнее в данный момент. Нашел инфу о том что есть датчик крайнего положения дворников, видимо пока я тягал якорь двигателя туда-сюда, датчик сбился. Вот у этого святого человека https://www.drive2.ru/l/7798799/ я подглядел инфу по этому вопросу и фотки на которых шестеренка и пластинка с датчиком над ним в нужном положении, дальше провернул вал так чтобы пеньки на обеих поверхностях совпадали между собой длинной стороной (а не стороной со скосом) и выставил в нужное положение, проблема исчезла. В итоге: дворники скребут изумительно, никакого люфта, никакого выкидывания со стекла - я очень доволен. 
| Вложения: |
Комментарий к файлу: Корона

sh20.jpg [ 114.73 КБ | Просмотров: 9419 ]
|
Комментарий к файлу: Карина

d435bc8s-960.jpg [ 247.75 КБ | Просмотров: 9419 ]
|
Комментарий к файлу: Красным обведены номера проводков со схемы, верхний ряд без нумерации но там по аналогии 1 2 3

x0Ny5XbxMjE.jpg [ 173.02 КБ | Просмотров: 9418 ]
|
Комментарий к файлу: Вот это диск с датчикм: синее положение шытрька неправильное, красное правильное

PQzBMwhwE-E.jpg [ 211.44 КБ | Просмотров: 9415 ]
|
Комментарий к файлу: Шестеренка идущая на вал: красное положение штырька правильное, синее неправильное

4xVRYRrS49Q.jpg [ 221.03 КБ | Просмотров: 9415 ]
|
|
|
| Вернуться к началу |
|
 |
Кто сейчас на конференции |
Сейчас этот форум просматривают: нет зарегистрированных пользователей и гости: 14 |
|
Вы не можете начинать темы Вы не можете отвечать на сообщения Вы не можете редактировать свои сообщения Вы не можете удалять свои сообщения Вы не можете добавлять вложения
|
|