Сообщения без ответов | Активные темы
| Автор |
Сообщение |
|
Mouflon
|
Добавлено: Вс май 30, 2010 4:59 pm |
|
 |
| Человек-легенда |
 |
Зарегистрирован: Ср фев 13, 2008 2:13 pm Сообщения: 7062 Откуда: Мытищи Репутация: 150 [ ? ]
Машина: Mitsubishi Outlander XL
Год выпуска: 2008
|
kuch писал(а): Mouflon писал(а): В режиме тестирования шнурка значение цифры должно меняться соединил 9 лапу и 5 разъем. запустил программу, в диспетчере уточнил ком-порт, на вкладке дополнительно выбрал "проверка кабеля на инверсию", запустил проверку, значение изменилось с 0 на 1. каков вердикт?
то что надо...
_________________ Mitsubishi Outlander XL'2008 6B31 "Кролик" Любителям считать деньги в чужих карманах не хватает времени залатать дыры в своих.
|
|
| Вернуться к началу |
|
 |
|
kuch
|
Добавлено: Вс май 30, 2010 8:05 pm |
|
 |
| Стажер |
Зарегистрирован: Сб май 29, 2010 9:36 pm Сообщения: 16 Откуда: Минск, Беларусь Репутация: 0 [ ? ]
|
|
sedoy2000
Mouflon
спасибо за помощь. на неделе проверю шнурок в действии, отпишусь
_________________ Carina E, 1997г., 7A-FE LB, англичанка, хэтчбек
|
|
| Вернуться к началу |
|
 |
|
sedoy2000
|
Добавлено: Вс май 30, 2010 8:25 pm |
|
 |
| Герой былин народных |
 |
Зарегистрирован: Чт фев 05, 2009 6:38 pm Сообщения: 3848 Откуда: Пермский край Репутация: 65 [ ? ]
Машина: QASHQAI
Год выпуска: 2010
Двигатель: HR16DE
|
Не за что...
kuch писал(а): отпишусь Только уже в этот топик http://carina-e.ru/viewtopic.php?t=1968
_________________ CarinaE GLI 4A-FE(Lean Burn) 1993г. механика JPP красный (3j6) седан. Skoda Octavia Combi tour Год выпуска 2005 Двигатель 1,6 AKL ( всё в прошлом), CarinaE GLI LB 3S-fe 1992г. механика, JPP синенький лифт.
|
|
| Вернуться к началу |
|
 |
|
Mouflon
|
Добавлено: Вс май 30, 2010 11:44 pm |
|
 |
| Человек-легенда |
 |
Зарегистрирован: Ср фев 13, 2008 2:13 pm Сообщения: 7062 Откуда: Мытищи Репутация: 150 [ ? ]
Машина: Mitsubishi Outlander XL
Год выпуска: 2008
|
Сделал второй шнурок вида WhiteGoose Edition для вартовчан.... Может быть фотоотчёт замутить когда буду для MerTV'а делать? Я туда диод добавил, так что в этот раз ему так просто его спалить не получится  Придётся изобретать что то новое  :):)
_________________ Mitsubishi Outlander XL'2008 6B31 "Кролик" Любителям считать деньги в чужих карманах не хватает времени залатать дыры в своих.
|
|
| Вернуться к началу |
|
 |
|
Beso
|
Добавлено: Вс май 30, 2010 11:51 pm |
|
 |
| Он знает о машинах все, ex-Модератор. |
 |
Зарегистрирован: Пт ноя 30, 2007 7:08 pm Сообщения: 11083 Откуда: SPb Репутация: 224 [ ? ]
|
|
Mouflon
Ых. %-)
_________________ Не надо верить всякой херне, которая у меня над аватаркой написана.
|
|
| Вернуться к началу |
|
 |
|
Mouflon
|
Добавлено: Вс май 30, 2010 11:54 pm |
|
 |
| Человек-легенда |
 |
Зарегистрирован: Ср фев 13, 2008 2:13 pm Сообщения: 7062 Откуда: Мытищи Репутация: 150 [ ? ]
Машина: Mitsubishi Outlander XL
Год выпуска: 2008
|
Beso писал(а): Mouflon Ых. %-)
В смысле?
_________________ Mitsubishi Outlander XL'2008 6B31 "Кролик" Любителям считать деньги в чужих карманах не хватает времени залатать дыры в своих.
|
|
| Вернуться к началу |
|
 |
|
Beso
|
Добавлено: Пн май 31, 2010 12:16 am |
|
 |
| Он знает о машинах все, ex-Модератор. |
 |
Зарегистрирован: Пт ноя 30, 2007 7:08 pm Сообщения: 11083 Откуда: SPb Репутация: 224 [ ? ]
|
|
Mouflon
Тоже шнурок надо. %-)
_________________ Не надо верить всякой херне, которая у меня над аватаркой написана.
|
|
| Вернуться к началу |
|
 |
|
FunFan
|
Добавлено: Пн май 31, 2010 7:51 am |
|
 |
| Стажер |
 |
Зарегистрирован: Сб май 29, 2010 2:07 pm Сообщения: 19 Откуда: Barnaul Репутация: 0 [ ? ]
|
|
Добрый день всем!
Авторам данного проекта диагностики двигателей огромнейший респектище!
Теперь о своих заморочках...
Прошерстил почти все страницы. Пробую разные варианты. (Уже моск поломал:)
1. Адаптер BM8050 от МастерКит. Соединяю экранированным шнуром с разъемом двигателя. Запускаем СТ7091. Зажигание. Запуск двигателя...
Что имеем? Помехи, обороты 3250, скорость на месте 128 км/ч:):):)
И помехи само собой.
СТ8000 вообще не считывает:)
Проверяю производительность - "Средняя неточность отсчета - - 0,12671мс, Мах - 1010,75 мс"(!!! )(!!! ) Понятно, что программа рисует цифры погоды на Марсе:)
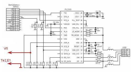
2. Шнурок от Panasonic GD87 на PL2303 (9-я нога микрухи -> на 8 вывод на плате + перемычка 10 (GND)). Прекрасная производительность "Средняя неточность отсчета - 0,0005 мс, Мах - 0,0886 мс". Но..
Разрезаю перемычку. СТ7091 проверку кабеля на инверсию вообще не производит. СТ8000 прекрасно тестит на инверсию, когда перемыкаешь 9 ногу на GND. При замере тестером на 9 ноге уже есть напряжение, то есть когда соединяем с землей как раз появляется единица при тестировнии на инверсию. В режиме считываения при кратковременном замыкании 9 ноги на GND глазок считывания работает, но данные естественно не считываются (респект СТ8000 за отбраковку кадров:))
Вопрос, к какому же всё-таки контакту цеплять провод с VF1? Или какой-то переходник мутить, который преобразует 1 с VF1 в замыкание 9 ноги на GND?
...
Извините, что так сумбурно и на пальцах, ибо в микросхемах и радиолюбительстве познания на уровне мультивибраторов на транзисторах Т13:))
_________________ Ipsum SXM-10 3S-FE
Последний раз редактировалось FunFan Пн май 31, 2010 8:27 am, всего редактировалось 1 раз.
|
|
| Вернуться к началу |
|
 |
|
Mouflon
|
Добавлено: Пн май 31, 2010 8:22 am |
|
 |
| Человек-легенда |
 |
Зарегистрирован: Ср фев 13, 2008 2:13 pm Сообщения: 7062 Откуда: Мытищи Репутация: 150 [ ? ]
Машина: Mitsubishi Outlander XL
Год выпуска: 2008
|
|
9я лапа pl2303 - это и есть инвертированный вход. т.е. тебе нужно всего 2 провода от неё отвести - с 9й лапы на Vf1, а с земли платы на Te2 и E1
_________________ Mitsubishi Outlander XL'2008 6B31 "Кролик" Любителям считать деньги в чужих карманах не хватает времени залатать дыры в своих.
|
|
| Вернуться к началу |
|
 |
|
GASCHE
|
Добавлено: Пн май 31, 2010 9:04 am |
|
 |
| Инструктор |
 |
Зарегистрирован: Пн мар 16, 2009 3:11 pm Сообщения: 306 Репутация: 5 [ ? ]
|
С начала попробуйте сделать запись так "Запускаем СТ7091. Зажигание" при этом думаю, большинство помех отсеется.
FunFan писал(а): Проверяю производительность - "Средняя неточность отсчета - - 0,12671мс, Мах - 1010,75 мс С учетом того, что длина бита в протоколе 8 мcек 1000мсек думаю многовато, смотрите, что у вас запущено на компе.
_________________ Я не диагност я только учусь.
|
|
| Вернуться к началу |
|
 |
|
FunFan
|
Добавлено: Пн май 31, 2010 9:13 am |
|
 |
| Стажер |
 |
Зарегистрирован: Сб май 29, 2010 2:07 pm Сообщения: 19 Откуда: Barnaul Репутация: 0 [ ? ]
|
В том-то и дело, что многовато:) При том, что ничего больше не запущено.. Причем, что на буке ,что на других компах производительность примерно такую и рисует для BM8050. Хотя тест на инверсию и тест програмкой tcom проходит на "ок". В таких же условиях шнурки для телефонов дают хорошую производительность..
Добавлено спустя 1 минуту 38 секунд:
Mouflon писал(а): 9я лапа pl2303 - это и есть инвертированный вход. т.е. тебе нужно всего 2 провода от неё отвести - с 9й лапы на Vf1, а с земли платы на Te2 и E1
То есть, должно получиться что-то типа
| Вложения: |

Cable USB-COM.JPG [ 24.55 КБ | Просмотров: 8129 ]
|
_________________ Ipsum SXM-10 3S-FE
|
|
| Вернуться к началу |
|
 |
|
Mouflon
|
Добавлено: Пн май 31, 2010 9:20 am |
|
 |
| Человек-легенда |
 |
Зарегистрирован: Ср фев 13, 2008 2:13 pm Сообщения: 7062 Откуда: Мытищи Репутация: 150 [ ? ]
Машина: Mitsubishi Outlander XL
Год выпуска: 2008
|
|
Угу.
_________________ Mitsubishi Outlander XL'2008 6B31 "Кролик" Любителям считать деньги в чужих карманах не хватает времени залатать дыры в своих.
|
|
| Вернуться к началу |
|
 |
|
FunFan
|
Добавлено: Пн май 31, 2010 9:22 am |
|
 |
| Стажер |
 |
Зарегистрирован: Сб май 29, 2010 2:07 pm Сообщения: 19 Откуда: Barnaul Репутация: 0 [ ? ]
|
То есть, необходимо восстановить перемычку между 8 и 10 на плате?
---
Хе.. Задачка.. Теперь ишшо бы подлезть к 9 ноге и припаяться 
_________________ Ipsum SXM-10 3S-FE
Последний раз редактировалось FunFan Пн май 31, 2010 9:24 am, всего редактировалось 1 раз.
|
|
| Вернуться к началу |
|
 |
|
Mouflon
|
Добавлено: Пн май 31, 2010 9:23 am |
|
 |
| Человек-легенда |
 |
Зарегистрирован: Ср фев 13, 2008 2:13 pm Сообщения: 7062 Откуда: Мытищи Репутация: 150 [ ? ]
Машина: Mitsubishi Outlander XL
Год выпуска: 2008
|
FunFan писал(а): То есть, необходимо восстановить перемычку между 8 и 10 на плате?
А можно рисунок платы, или ссылку на него? а то я тебе сейчас насоветую...
_________________ Mitsubishi Outlander XL'2008 6B31 "Кролик" Любителям считать деньги в чужих карманах не хватает времени залатать дыры в своих.
|
|
| Вернуться к началу |
|
 |
|
FunFan
|
Добавлено: Пн май 31, 2010 9:44 am |
|
 |
| Стажер |
 |
Зарегистрирован: Сб май 29, 2010 2:07 pm Сообщения: 19 Откуда: Barnaul Репутация: 0 [ ? ]
|
|
Вопрос такой уже был к Седому на 6 странице вроде. Плата такая (8 и 10 выводы - перемычка). Просто перемычку убрать и подать сигнал на 8 - уже пробовал. Не катит. Ни тестирование на инверсию, ни снятие сигнала
| Вложения: |

4807a4150165.jpg [ 51.91 КБ | Просмотров: 8029 ]
|
_________________ Ipsum SXM-10 3S-FE
|
|
| Вернуться к началу |
|
 |
|
GASCHE
|
Добавлено: Пн май 31, 2010 9:49 am |
|
 |
| Инструктор |
 |
Зарегистрирован: Пн мар 16, 2009 3:11 pm Сообщения: 306 Репутация: 5 [ ? ]
|
FunFan писал(а): Хотя тест на инверсию и тест програмкой tcom проходит на "ок". В таких же условиях шнурки для телефонов дают хорошую производительность.. Стоп. У меня нет исходников последней версии, но думаю производительность от "шнурков" не зависит. Скорее всего, под производительностью здесь имеется ввиду погрешность при измерении интервала времени.
_________________ Я не диагност я только учусь.
|
|
| Вернуться к началу |
|
 |
|
Mouflon
|
Добавлено: Пн май 31, 2010 9:49 am |
|
 |
| Человек-легенда |
 |
Зарегистрирован: Ср фев 13, 2008 2:13 pm Сообщения: 7062 Откуда: Мытищи Репутация: 150 [ ? ]
Машина: Mitsubishi Outlander XL
Год выпуска: 2008
|
Не могу рассмотреть по человечески  Попробуй прозвони 9ю лапу. где будет прозваниваться - туда и цеплять.
_________________ Mitsubishi Outlander XL'2008 6B31 "Кролик" Любителям считать деньги в чужих карманах не хватает времени залатать дыры в своих.
|
|
| Вернуться к началу |
|
 |
|
sedoy2000
|
Добавлено: Пн май 31, 2010 11:10 am |
|
 |
| Герой былин народных |
 |
Зарегистрирован: Чт фев 05, 2009 6:38 pm Сообщения: 3848 Откуда: Пермский край Репутация: 65 [ ? ]
Машина: QASHQAI
Год выпуска: 2010
Двигатель: HR16DE
|
FunFan, http://carina-e.ru/viewtopic.php?p=66287#66287 БГ выкладывал... Там та же плата присутствует
_________________ CarinaE GLI 4A-FE(Lean Burn) 1993г. механика JPP красный (3j6) седан. Skoda Octavia Combi tour Год выпуска 2005 Двигатель 1,6 AKL ( всё в прошлом), CarinaE GLI LB 3S-fe 1992г. механика, JPP синенький лифт.
|
|
| Вернуться к началу |
|
 |
|
FunFan
|
Добавлено: Пн май 31, 2010 1:09 pm |
|
 |
| Стажер |
 |
Зарегистрирован: Сб май 29, 2010 2:07 pm Сообщения: 19 Откуда: Barnaul Репутация: 0 [ ? ]
|
sedoy2000 писал(а): FunFan, http://carina-e.ru/viewtopic.php?p=66287#66287 БГ выкладывал... Там та же плата присутствует
Прошу прощения за назойливость, просто чё-то не догоняю своими лыжами, хотя на несколько раз прошерстил эту ветку:)
Я видал эту картинку.. У меня примерно то же самое. Плата KQ2303 только без переключателя на зарядку телефона и без потключения через AT TYNI. Вывод 8 и 10 платы соединены. То есть DSR через резистор подключен на "землю", формируя 1 на выходе. Разрезаю землю. Включаю шнурок в USB. Измеряю. На 9-й ноге 4.06 В. Примерно то же значение на 8 выводе платы. Это без припаянного кабеля и тем более подключения к машине. Так должно быть? Или рыть дальше, откуда на DSR уже напряжение:)
| Вложения: |

Фрагмент2.jpg [ 35.67 КБ | Просмотров: 8042 ]
|
_________________ Ipsum SXM-10 3S-FE
|
|
| Вернуться к началу |
|
 |
|
Mouflon
|
Добавлено: Пн май 31, 2010 3:00 pm |
|
 |
| Человек-легенда |
 |
Зарегистрирован: Ср фев 13, 2008 2:13 pm Сообщения: 7062 Откуда: Мытищи Репутация: 150 [ ? ]
Машина: Mitsubishi Outlander XL
Год выпуска: 2008
|
|
да. так и должно быть. т.е. 9я лапа подтянута к +5.
_________________ Mitsubishi Outlander XL'2008 6B31 "Кролик" Любителям считать деньги в чужих карманах не хватает времени залатать дыры в своих.
|
|
| Вернуться к началу |
|
 |
|
FunFan
|
Добавлено: Пн май 31, 2010 6:35 pm |
|
 |
| Стажер |
 |
Зарегистрирован: Сб май 29, 2010 2:07 pm Сообщения: 19 Откуда: Barnaul Репутация: 0 [ ? ]
|
И туда же подаётся импульс +5 с VF1, когда идёт логическая единица? То есть перемычку 8-10 всё же рубить.. Всё бы хорошо, только что-то не работает  Не идёт туда сигнал, хоть тресни.
СТ8000 хорошо отслеживает кратковременные перемыкания 8 на GND (естественно без записи кадра). На кратковременную подачу +5 на 8 - не работает.
Либо как вариант - уже второй лажовый шнурок от мобилы мне попадается
И с BM8050 никак не разберусь. Вроде как с другими устройствами (судя по отзывам в инете) работает..
Вот на месте СТ7091 кажет скорость 128 км/ч. И прочие показатели завышены. Едешь - начинают показатели расти (скорость, обороты).. Такое ощущение, что на полбайта сдвиг по всем показателям:)
_________________ Ipsum SXM-10 3S-FE
Последний раз редактировалось FunFan Пн май 31, 2010 6:40 pm, всего редактировалось 1 раз.
|
|
| Вернуться к началу |
|
 |
|
Mouflon
|
Добавлено: Пн май 31, 2010 6:37 pm |
|
 |
| Человек-легенда |
 |
Зарегистрирован: Ср фев 13, 2008 2:13 pm Сообщения: 7062 Откуда: Мытищи Репутация: 150 [ ? ]
Машина: Mitsubishi Outlander XL
Год выпуска: 2008
|
|
Оно 0 отлавливает. т.е. когда импульса нет - оно и ловит... Тестируется элементарно - если 9ю лапу замыкая на землю видишь изменения в программе в режиме проверка шнура - значит шнур работает.
_________________ Mitsubishi Outlander XL'2008 6B31 "Кролик" Любителям считать деньги в чужих карманах не хватает времени залатать дыры в своих.
|
|
| Вернуться к началу |
|
 |
|
FunFan
|
Добавлено: Пн май 31, 2010 6:47 pm |
|
 |
| Стажер |
 |
Зарегистрирован: Сб май 29, 2010 2:07 pm Сообщения: 19 Откуда: Barnaul Репутация: 0 [ ? ]
|
|
Это-то работает.. Почему +5 на 9-ю ногу не отслеживает? Не пойму. СТ7091 кстати тоже. Кстати, с BM8050 когда короткими импульсами подаёшь +5 на его псевдо-комовский 6 программа CT7091 даже пишет какие-то кадры. Понятно, что это из-за отсутствия отбраковки кадров...
Ладно, завтра на машине попробую СТ8000.
---
Кстати, а как работают варианты с ATTYNI? Насколько понял, после неё данные идут на Rx. Какая программа обрабатывает эти данные?
_________________ Ipsum SXM-10 3S-FE
|
|
| Вернуться к началу |
|
 |
|
Mouflon
|
Добавлено: Пн май 31, 2010 6:50 pm |
|
 |
| Человек-легенда |
 |
Зарегистрирован: Ср фев 13, 2008 2:13 pm Сообщения: 7062 Откуда: Мытищи Репутация: 150 [ ? ]
Машина: Mitsubishi Outlander XL
Год выпуска: 2008
|
FunFan писал(а): Это-то работает.. Почему +5 на 9-ю ногу не отслеживает?
потому что +5 на этой ноге по умолчанию. Вход инвертированный. в программе нужно ОБЯЗАТЕЛЬНО установить галочку про это...
когда на входе +5 она считает что это 0, а когда на входе 0 - она считает что это 1.
_________________ Mitsubishi Outlander XL'2008 6B31 "Кролик" Любителям считать деньги в чужих карманах не хватает времени залатать дыры в своих.
|
|
| Вернуться к началу |
|
 |
|
FunFan
|
Добавлено: Пн май 31, 2010 7:02 pm |
|
 |
| Стажер |
 |
Зарегистрирован: Сб май 29, 2010 2:07 pm Сообщения: 19 Откуда: Barnaul Репутация: 0 [ ? ]
|
|
Спасибо большое за консультацию.. Это я уже сообразил:) А что значит возможность установки логической 1 на DTR? Для чего это?
_________________ Ipsum SXM-10 3S-FE
|
|
| Вернуться к началу |
|
 |
Кто сейчас на конференции |
Сейчас этот форум просматривают: нет зарегистрированных пользователей и гости: 36 |
|
Вы не можете начинать темы Вы не можете отвечать на сообщения Вы не можете редактировать свои сообщения Вы не можете удалять свои сообщения Вы не можете добавлять вложения
|
|