Сообщения без ответов | Активные темы
| Автор |
Сообщение |
|
Ash
|
Добавлено: Пт янв 07, 2011 5:50 pm |
|
 |
| Реставратор ведерка |
 |
Зарегистрирован: Ср апр 08, 2009 1:15 pm Сообщения: 3935 Откуда: |48| Репутация: 156 [ ? ]
Машина: Carina E
Год выпуска: 1994
Двигатель: 3S-GE gen.4 Beams RT (ST202MT)
|
|
Возник такой вопрос. Кто что думает?Какая реализация будет более удачной и менее колхозной.
_________________ У тойот 90-х нет года выпуска. Есть состояние. Бортовой журнал. drive2Установка би-линз в фарыВедерки в хозяйстве: Toyota Isis Platana 1ZZ-FE A/T, Toyota Carina E LEGO 3S-GE Beams RedTop М/T, Nissan X-Trail T31 MR20DE CVT, Land Cruiser Prado KZJ95 1KZ-TE A/T
|
|
| Вернуться к началу |
|
 |
|
Spawn
|
Добавлено: Пт янв 07, 2011 6:32 pm |
|
 |
| Инструктор |
 |
Зарегистрирован: Сб фев 07, 2009 2:25 pm Сообщения: 342 Откуда: Saint-Petersburg Репутация: 10 [ ? ]
Машина: Saab 9-5
Год выпуска: 2000
Двигатель: 2.3 Turbo
|
|
(если я ничего не путаю, то)
Поставь перемычку в виде диода, чтобы ток пускал только в одну сторону между плюсами ближнего и дальнего света.
_________________ Carina E '92 Liftback, XLi, 1.6, 4A-FE Lean Burn, МКПП, ABS. -японка - продана Corona '92 SEDAN, EX SALOON, 2.0, 2c-DIESEL, АКПП. - с ионизатором...  - продана Saab 9-5 M00 2.3 Turbo, MT
|
|
| Вернуться к началу |
|
 |
|
Mouflon
|
Добавлено: Пт янв 07, 2011 6:39 pm |
|
 |
| Человек-легенда |
 |
Зарегистрирован: Ср фев 13, 2008 2:13 pm Сообщения: 7062 Откуда: Мытищи Репутация: 150 [ ? ]
Машина: Mitsubishi Outlander XL
Год выпуска: 2008
|
|
Диод поставь.
_________________ Mitsubishi Outlander XL'2008 6B31 "Кролик" Любителям считать деньги в чужих карманах не хватает времени залатать дыры в своих.
|
|
| Вернуться к началу |
|
 |
|
Ash
|
Добавлено: Пт янв 07, 2011 6:53 pm |
|
 |
| Реставратор ведерка |
 |
Зарегистрирован: Ср апр 08, 2009 1:15 pm Сообщения: 3935 Откуда: |48| Репутация: 156 [ ? ]
Машина: Carina E
Год выпуска: 1994
Двигатель: 3S-GE gen.4 Beams RT (ST202MT)
|
|
Spawn
Mouflon
А параметры какие диода нужны? Нужно чтобы шторка на дальнем работала...
_________________ У тойот 90-х нет года выпуска. Есть состояние. Бортовой журнал. drive2Установка би-линз в фарыВедерки в хозяйстве: Toyota Isis Platana 1ZZ-FE A/T, Toyota Carina E LEGO 3S-GE Beams RedTop М/T, Nissan X-Trail T31 MR20DE CVT, Land Cruiser Prado KZJ95 1KZ-TE A/T
|
|
| Вернуться к началу |
|
 |
|
Mouflon
|
Добавлено: Пт янв 07, 2011 7:17 pm |
|
 |
| Человек-легенда |
 |
Зарегистрирован: Ср фев 13, 2008 2:13 pm Сообщения: 7062 Откуда: Мытищи Репутация: 150 [ ? ]
Машина: Mitsubishi Outlander XL
Год выпуска: 2008
|
Ash писал(а): Spawn Mouflon А параметры какие диода нужны? Нужно чтобы шторка на дальнем работала...
20А, а лучше 40А.
PS... А что за шторка то?
_________________ Mitsubishi Outlander XL'2008 6B31 "Кролик" Любителям считать деньги в чужих карманах не хватает времени залатать дыры в своих.
|
|
| Вернуться к началу |
|
 |
|
MerTV
|
Добавлено: Пт янв 07, 2011 7:23 pm |
|
 |
| У него свой шкафчик в раздевалке |
 |
Зарегистрирован: Ср июл 16, 2008 9:35 am Сообщения: 7416 Откуда: Нижний Новгород Репутация: 358 [ ? ]
Машина: Тойота Ками. Мелкий проходимец
Год выпуска: 1999
Двигатель: Контрактный
|
Ангельские глазки небось 
_________________ Ремонт ДВС японских и корейских автомобилей SWAP-сервис в Нижнем Новгороде
|
|
| Вернуться к началу |
|
 |
|
Dmitriy
|
Добавлено: Пт янв 07, 2011 7:31 pm |
|
 |
| Инструктор |
 |
Зарегистрирован: Вс янв 10, 2010 6:40 pm Сообщения: 280 Откуда: Vyazma Репутация: 20 [ ? ]
|
MerTV писал(а): Ангельские глазки небось
Ну скорей не ангельские глазки а билинзы
_________________ Carina E, 4A-FE не LB, 1997г. XLi sedan, сыный. ПРОДАНА 
|
|
| Вернуться к началу |
|
 |
|
MerTV
|
Добавлено: Пт янв 07, 2011 7:38 pm |
|
 |
| У него свой шкафчик в раздевалке |
 |
Зарегистрирован: Ср июл 16, 2008 9:35 am Сообщения: 7416 Откуда: Нижний Новгород Репутация: 358 [ ? ]
Машина: Тойота Ками. Мелкий проходимец
Год выпуска: 1999
Двигатель: Контрактный
|
|
В билинзах не нужно реализовывать включение дальнего и ближнего. Лампа то одна,лишь шторка падает.
Или билинза дополнительно к ближнему?
_________________ Ремонт ДВС японских и корейских автомобилей SWAP-сервис в Нижнем Новгороде
|
|
| Вернуться к началу |
|
 |
|
Ash
|
Добавлено: Пт янв 07, 2011 8:06 pm |
|
 |
| Реставратор ведерка |
 |
Зарегистрирован: Ср апр 08, 2009 1:15 pm Сообщения: 3935 Откуда: |48| Репутация: 156 [ ? ]
Машина: Carina E
Год выпуска: 1994
Двигатель: 3S-GE gen.4 Beams RT (ST202MT)
|
|
Mouflon
Обычная шторка в билинзе. Которая дальний включает. Сами блоки будут скорее всегона штатных разъемах. А чтобы они не выключались нужно решить этот вопрос. Что собственно решается диодом.
MerTV
Лампа одна, а шторку над приколхозить к штатной проводке
_________________ У тойот 90-х нет года выпуска. Есть состояние. Бортовой журнал. drive2Установка би-линз в фарыВедерки в хозяйстве: Toyota Isis Platana 1ZZ-FE A/T, Toyota Carina E LEGO 3S-GE Beams RedTop М/T, Nissan X-Trail T31 MR20DE CVT, Land Cruiser Prado KZJ95 1KZ-TE A/T
|
|
| Вернуться к началу |
|
 |
|
Alex332
|
Добавлено: Пт янв 07, 2011 9:24 pm |
|
 |
| Инструктор |
 |
Зарегистрирован: Пт фев 19, 2010 3:53 pm Сообщения: 448 Откуда: Брянск Репутация: 26 [ ? ]
|
|
банально перемычку впаял, в реле(DIMMER), работает все корректно.
_________________ Carinа Е; 4AFE;93г.вишневый хэч., на палке.продана...
Mazda 626, 02г.: 2.0,палка,хэч,темно-синяя
|
|
| Вернуться к началу |
|
 |
|
vel
|
Добавлено: Пт янв 07, 2011 9:35 pm |
|
 |
| Инструктор |
 |
Зарегистрирован: Пт фев 06, 2009 8:22 pm Сообщения: 382 Откуда: Родина первого космонавта Репутация: 28 [ ? ]
Машина: Camry Престиж+
Год выпуска: 2012
Двигатель: 2AR-FE
|
|
Я все удивляюсь! Где Вы с дальним ездите?
_________________ Валерий Было: Carina E седан МКПП 7A FE LB 1995г. англичанка. Есть: Toyota Camry 2012 Япония Престиж+
|
|
| Вернуться к началу |
|
 |
|
Ash
|
Добавлено: Пт янв 07, 2011 10:13 pm |
|
 |
| Реставратор ведерка |
 |
Зарегистрирован: Ср апр 08, 2009 1:15 pm Сообщения: 3935 Откуда: |48| Репутация: 156 [ ? ]
Машина: Carina E
Год выпуска: 1994
Двигатель: 3S-GE gen.4 Beams RT (ST202MT)
|
|
Alex332
Поподробнее можешь объяснить?
Добавлено спустя 13 минут 1 секунду:
vel
у нас хватает неадекватов на дорогах %-)
_________________ У тойот 90-х нет года выпуска. Есть состояние. Бортовой журнал. drive2Установка би-линз в фарыВедерки в хозяйстве: Toyota Isis Platana 1ZZ-FE A/T, Toyota Carina E LEGO 3S-GE Beams RedTop М/T, Nissan X-Trail T31 MR20DE CVT, Land Cruiser Prado KZJ95 1KZ-TE A/T
|
|
| Вернуться к началу |
|
 |
|
Alex332
|
Добавлено: Сб янв 08, 2011 12:16 am |
|
 |
| Инструктор |
 |
Зарегистрирован: Пт фев 19, 2010 3:53 pm Сообщения: 448 Откуда: Брянск Репутация: 26 [ ? ]
|
Ash
"Диммер"-это нормальнозамкнутое реле (с мобильника не могу рисовать), оно перекидывает +(питание) лампы H4, с ближнего на дальний(есть фото этого "затюненого"  с проводком реле,завтра выложу), припаиваем проводок так, чтобы при вкл. Дальнего + оставался и на ближнем.
_________________ Carinа Е; 4AFE;93г.вишневый хэч., на палке.продана...
Mazda 626, 02г.: 2.0,палка,хэч,темно-синяя
|
|
| Вернуться к началу |
|
 |
|
Ash
|
Добавлено: Сб янв 08, 2011 12:32 am |
|
 |
| Реставратор ведерка |
 |
Зарегистрирован: Ср апр 08, 2009 1:15 pm Сообщения: 3935 Откуда: |48| Репутация: 156 [ ? ]
Машина: Carina E
Год выпуска: 1994
Двигатель: 3S-GE gen.4 Beams RT (ST202MT)
|
Alex332
Цитата: завтра выложу
отлично!
_________________ У тойот 90-х нет года выпуска. Есть состояние. Бортовой журнал. drive2Установка би-линз в фарыВедерки в хозяйстве: Toyota Isis Platana 1ZZ-FE A/T, Toyota Carina E LEGO 3S-GE Beams RedTop М/T, Nissan X-Trail T31 MR20DE CVT, Land Cruiser Prado KZJ95 1KZ-TE A/T
|
|
| Вернуться к началу |
|
 |
|
SaiD
|
Добавлено: Сб янв 08, 2011 12:55 am |
|
 |
| Человек-легенда |
 |
Зарегистрирован: Вт июл 20, 2010 1:32 am Сообщения: 5758 Откуда: г.Вятка (в миру Киров) Репутация: 95 [ ? ]
Машина: Corona AT170 (зубатка) 1,5 АКП
Год выпуска: 1990
Двигатель: 5А-FE
|
Долго не мог вникнуть в суть проблемы. Вроде понял так: В фаре стоит ооднонитевая лампа, а дальний - дергается шторкой как на ксеноне? Дык в Карине это можно реализовать исключив реле "ближний-дальний" и воткнув на его место 2 перемычки. Поправьте, если дико ошибаюсь. 
_________________ Саня. Осень. Доживем-ли, долетим-ли до ответа, что-же будет с РОДИНОЙ и с нами (с Юрий Шевчук ДДТ)
|
|
| Вернуться к началу |
|
 |
|
Makwein
|
Добавлено: Сб янв 08, 2011 2:55 pm |
|
 |
| Бригадир |
 |
Зарегистрирован: Ср мар 03, 2010 10:56 pm Сообщения: 203 Откуда: Украина Репутация: 4 [ ? ]
Машина: Carina-E
Год выпуска: 1995
Двигатель: 4-A BOSCH
|
|
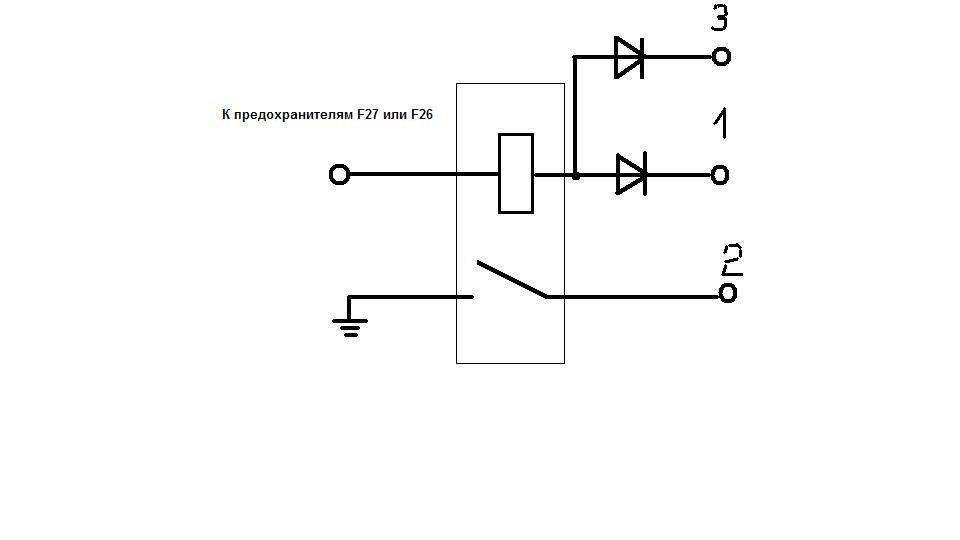
Вставлю "свои пять копеек": согласно схеме я бы поставил реле и пару диодов, разорвав цепь, как показано на рис 1. Заодно разгрузив контакты тубуса (хотя имеются подозрения что на разных Каринах схема включения света реализована по разному).
| Вложения: |

1.jpg [ 141.97 КБ | Просмотров: 14631 ]
|

2.jpg [ 20.23 КБ | Просмотров: 14622 ]
|
_________________ Carina E GLI, 1995г, Англия, лифтбек, 4A-FE Motronik (хочу Black top)
Шуруп, забитый молотком, держится крепче чем гвоздь, закрученый отверткой!!!
|
|
| Вернуться к началу |
|
 |
|
Alex332
|
Добавлено: Вс янв 09, 2011 11:15 am |
|
 |
| Инструктор |
 |
Зарегистрирован: Пт фев 19, 2010 3:53 pm Сообщения: 448 Откуда: Брянск Репутация: 26 [ ? ]
|
dimmer вскрываем, припаиваем перемычку(как на фото) и ближний не гаснет при вкл. дальнего 
| Вложения: |

реле _1.jpg [ 72.87 КБ | Просмотров: 14649 ]
|
_________________ Carinа Е; 4AFE;93г.вишневый хэч., на палке.продана...
Mazda 626, 02г.: 2.0,палка,хэч,темно-синяя
|
|
| Вернуться к началу |
|
 |
|
Makwein
|
Добавлено: Пн янв 10, 2011 1:02 am |
|
 |
| Бригадир |
 |
Зарегистрирован: Ср мар 03, 2010 10:56 pm Сообщения: 203 Откуда: Украина Репутация: 4 [ ? ]
Машина: Carina-E
Год выпуска: 1995
Двигатель: 4-A BOSCH
|
Makwein писал(а): (хотя имеются подозрения что на разных Каринах схема включения света реализована по разному).
О чем и говорилось  ,если есть Диммер, то Alex332 прав. Просто закорачиваем перемычкой нормально замкнутые контакты реле. 
_________________ Carina E GLI, 1995г, Англия, лифтбек, 4A-FE Motronik (хочу Black top)
Шуруп, забитый молотком, держится крепче чем гвоздь, закрученый отверткой!!!
|
|
| Вернуться к началу |
|
 |
|
Турбасов Тимур
|
Добавлено: Пн янв 10, 2011 3:52 am |
|
 |
| Инструктор |
 |
Зарегистрирован: Пт апр 30, 2010 4:37 pm Сообщения: 287 Откуда: ХМАО - Лянтор Репутация: 15 [ ? ]
Машина: Toyota Carina E
Год выпуска: 1992
Двигатель: 4A-FE
|
vel писал(а): Я все удивляюсь! Где Вы с дальним ездите?
 Блин, такой же вопрос! У меня никогда не получается с дальним ездить. Только включишь, обязательно какая-нибудь встречка появится
_________________ Избегайте тех, кто старается подорвать вашу веру в себя. Великий человек, наоборот, внушает чувство, что вы можете стать великим Toyota Carina E - 92г - 4A-FE - МКПП - Liftback - GLi - Japan - фиолетовый металлик
|
|
| Вернуться к началу |
|
 |
|
SaiD
|
Добавлено: Пн янв 10, 2011 11:23 am |
|
 |
| Человек-легенда |
 |
Зарегистрирован: Вт июл 20, 2010 1:32 am Сообщения: 5758 Откуда: г.Вятка (в миру Киров) Репутация: 95 [ ? ]
Машина: Corona AT170 (зубатка) 1,5 АКП
Год выпуска: 1990
Двигатель: 5А-FE
|
Makwein писал(а): Makwein писал(а): (хотя имеются подозрения что на разных Каринах схема включения света реализована по разному). О чем и говорилось  ,если есть Диммер, то Alex332 прав. Просто закорачиваем перемычкой нормально замкнутые контакты реле. 
Все-таки как-то бы определиться - цель переделки какая? Двух нитевые лампы при таком включении долго не проживут. Две однонитевые, как на десятых ТАЗиках, конечно будут нормально работать. Одна однонитевая со шторой - в реле вообще не нуждается.
_________________ Саня. Осень. Доживем-ли, долетим-ли до ответа, что-же будет с РОДИНОЙ и с нами (с Юрий Шевчук ДДТ)
|
|
| Вернуться к началу |
|
 |
|
Alex332
|
Добавлено: Пн янв 10, 2011 12:07 pm |
|
 |
| Инструктор |
 |
Зарегистрирован: Пт фев 19, 2010 3:53 pm Сообщения: 448 Откуда: Брянск Репутация: 26 [ ? ]
|
SaiD
У меня целью переделки было не выключение ближнего в фарах АГ  , думаю цель- ясна?
Для Н4, это излишне(попробовать конечно можно  ), но лучше не нужно!
_________________ Carinа Е; 4AFE;93г.вишневый хэч., на палке.продана...
Mazda 626, 02г.: 2.0,палка,хэч,темно-синяя
|
|
| Вернуться к началу |
|
 |
|
Ash
|
Добавлено: Пн янв 10, 2011 3:21 pm |
|
 |
| Реставратор ведерка |
 |
Зарегистрирован: Ср апр 08, 2009 1:15 pm Сообщения: 3935 Откуда: |48| Репутация: 156 [ ? ]
Машина: Carina E
Год выпуска: 1994
Двигатель: 3S-GE gen.4 Beams RT (ST202MT)
|
Добрался до гаража, вытащил это реле. Вроде оно должно быть.
Осталось дело за малым.
_________________ У тойот 90-х нет года выпуска. Есть состояние. Бортовой журнал. drive2Установка би-линз в фарыВедерки в хозяйстве: Toyota Isis Platana 1ZZ-FE A/T, Toyota Carina E LEGO 3S-GE Beams RedTop М/T, Nissan X-Trail T31 MR20DE CVT, Land Cruiser Prado KZJ95 1KZ-TE A/T
|
|
| Вернуться к началу |
|
 |
|
Alex332
|
Добавлено: Пн янв 10, 2011 3:40 pm |
|
 |
| Инструктор |
 |
Зарегистрирован: Пт фев 19, 2010 3:53 pm Сообщения: 448 Откуда: Брянск Репутация: 26 [ ? ]
|
Ash
Не совсем похоже(может уже менялось?)  , без него свет должен совсем не включаться, если это оно!
_________________ Carinа Е; 4AFE;93г.вишневый хэч., на палке.продана...
Mazda 626, 02г.: 2.0,палка,хэч,темно-синяя
|
|
| Вернуться к началу |
|
 |
Кто сейчас на конференции |
Сейчас этот форум просматривают: нет зарегистрированных пользователей и гости: 36 |
|
Вы не можете начинать темы Вы не можете отвечать на сообщения Вы не можете редактировать свои сообщения Вы не можете удалять свои сообщения Вы не можете добавлять вложения
|
|