Сообщения без ответов | Активные темы
| Автор |
Сообщение |
|
Саидин
|
Добавлено: Пн янв 17, 2011 2:49 pm |
|
 |
| Бригадир |
 |
Зарегистрирован: Вт ноя 10, 2009 11:37 pm Сообщения: 106 Откуда: Могилев, Беларусь Репутация: 3 [ ? ]
Машина: Carina E англичанка
Год выпуска: 1996
Двигатель: 2 СТ (турбодизель)
|
Поискал в ветке дизелей, не нашел отдельной темы про форсунки. Модераторы, если что перенесите плиз. Вопрос по форсункам. У меня стоят 23600-69125, если не ошибаюсь, у нас топливная система стоит DENSO. Какие симптомы, что пора сделать ревизию форсунок? У меня например расход большой, пришлось прижать количество впрыска, но стала вялая машина. Промывку ВИНСом делал, после этого подросли холостые обороты. Подтеканий нет, фильтра свежие. Заводится нормально. Но если поставлю количество впрыска как раньше было, то расход будет за 10-ку.... Я понимаю что зима... Но прошлой зимой было 8,5....
_________________ Честь ярма не приемлет!
|
|
| Вернуться к началу |
|
 |
|
Dimon_2C
|
Добавлено: Пн янв 17, 2011 8:52 pm |
|
 |
| Внесен в большую энциклопедию |
Зарегистрирован: Вт май 05, 2009 10:33 am Сообщения: 2906 Откуда: город_32 Репутация: 58 [ ? ]
Машина: Car-E->M6-GH wagon
Год выпуска: 2008
|
|
У меня в этом году тоже стала жрать много. Катаюсь в основном только на работу. За день пробег около 20 км, из них примерно одна треть на 1 и 2 в пробках, т.е машина дольше стоит чем едет. Когда форсунки льют, то при нажатии на педаль сзади черный шлейф как от тепловоза.
_________________ С уважением к форуму
|
|
| Вернуться к началу |
|
 |
|
l_denis
|
Добавлено: Пн янв 17, 2011 11:00 pm |
|
 |
| Его именем пора назвать улицу |
 |
Зарегистрирован: Вс дек 26, 2010 8:37 pm Сообщения: 1747 Откуда: Ростовская обл., Орловский п. Репутация: 25 [ ? ]
Машина: Carina FF (CT190)
Год выпуска: 1994
Двигатель: 2C
|
Замерял Dimon_2C писал(а): то при нажатии на педаль сзади черный шлейф как от тепловоза. Мой случай. Все говорят, что лют форсунки. Замерял расход, 10-ки на 100 км хватило, но с учетом прогрева по утрам в течении 20-30 минут. Жду когда потеплеет, чтобы снять их и отвезти аппаратурщику на проверку. В выходные тепло было а я был занят, номера получал потом обмывал Саидин писал(а): подросли холостые обороты А что отвечает за хх обороты при прогреве? У меня разом нормально (Сама держит 1200 пока не подогреется) А разом рывками добавляет и сбрасывает. В эти моменты самоподгазовки смотрел на аппаратуру - ничего не шевелится. Мож чего покрутить? Саидин писал(а): пришлось прижать количество впрыска
Обьясни, если не трудно, как это делается?
_________________ Toyota Carina УЛЫБКА, Белый Седан, 1994 г.в, дизель 2С, МКПП, ABS, Климат-контроль, пруль, JDM.
|
|
| Вернуться к началу |
|
 |
|
Саидин
|
Добавлено: Вт янв 18, 2011 12:32 pm |
|
 |
| Бригадир |
 |
Зарегистрирован: Вт ноя 10, 2009 11:37 pm Сообщения: 106 Откуда: Могилев, Беларусь Репутация: 3 [ ? ]
Машина: Carina E англичанка
Год выпуска: 1996
Двигатель: 2 СТ (турбодизель)
|
l_denis писал(а): Саидин писал(а): подросли холостые обороты А что отвечает за хх обороты при прогреве? У меня разом нормально (Сама держит 1200 пока не подогреется) А разом рывками добавляет и сбрасывает. В эти моменты самоподгазовки смотрел на аппаратуру - ничего не шевелится. Мож чего покрутить? Саидин писал(а): пришлось прижать количество впрыска Обьясни, если не трудно, как это делается?
Раз номера получал, то поздравляю с приобретением!
Есть такой узел, устройство управления прогревом двигателя. Смотри на ТНВД термоблок. К нему идут два шланга ОЖ. Вот он и добавляет обороты пока холодный. 1200 холодных оборотов многовато. Должно быть 1000-1100
А количество впрыска регулируется болтом (он на ТНВД, а рядом маслянный щуп двигателя, и винт МАКСИМАЛЬНЫХ оборотов) При выкручивании болта (предварительно приоткрутив контрагайку на нем) количество впрыска уменьшается, я выкрутил на 1/3 оборота.
Только особо крутить что на ТНВД не советуют, очень легко сбить регулировки. Лучше всего фотографируй положение винтов, перед тем как что нибуть крутить. Чтоб потом было легче вернуть все как было.
А вообще книжка по ремонту и эксплуатации есть? Самая лучшая вроде издательства "Легион Автодата" Поищи здесь на форуме, должны быть ссылки на файл.
_________________ Честь ярма не приемлет!
|
|
| Вернуться к началу |
|
 |
|
l_denis
|
Добавлено: Вт янв 18, 2011 10:19 pm |
|
 |
| Его именем пора назвать улицу |
 |
Зарегистрирован: Вс дек 26, 2010 8:37 pm Сообщения: 1747 Откуда: Ростовская обл., Орловский п. Репутация: 25 [ ? ]
Машина: Carina FF (CT190)
Год выпуска: 1994
Двигатель: 2C
|
Саидин писал(а): Самая лучшая вроде издательства "Легион Автодата"
Есть у меня такая, прошлый хозяин презентовал. В ней хорошо расписано как чего снимать и ремонтировать. А мне хотелось бы узнать назначение некоторых узлов, в книге много чего не нахожу.
Вот, например на фото. Стоит на ТНВД пластмассовая штуковина с ушками и рисками на ушках, видимо регулируется. К ней еще провода подходят. В книге описалова не нашел.
| Вложения: |

SP_A1101.jpg [ 67.81 КБ | Просмотров: 23326 ]
|

SP_A1100.jpg [ 109.97 КБ | Просмотров: 23326 ]
|
_________________ Toyota Carina УЛЫБКА, Белый Седан, 1994 г.в, дизель 2С, МКПП, ABS, Климат-контроль, пруль, JDM.
|
|
| Вернуться к началу |
|
 |
|
Dimon_2C
|
Добавлено: Вт янв 18, 2011 10:31 pm |
|
 |
| Внесен в большую энциклопедию |
Зарегистрирован: Вт май 05, 2009 10:33 am Сообщения: 2906 Откуда: город_32 Репутация: 58 [ ? ]
Машина: Car-E->M6-GH wagon
Год выпуска: 2008
|
l_denis писал(а): Стоит на ТНВД пластмассовая штуковина с ушками и рисками на ушках, видимо регулируется. К ней еще провода подходят. В книге описалова не нашел.
ну как же, вот оно ...
| Вложения: |

датчик.jpg [ 61.59 КБ | Просмотров: 23324 ]
|
_________________ С уважением к форуму
|
|
| Вернуться к началу |
|
 |
|
l_denis
|
Добавлено: Вт янв 18, 2011 10:40 pm |
|
 |
| Его именем пора назвать улицу |
 |
Зарегистрирован: Вс дек 26, 2010 8:37 pm Сообщения: 1747 Откуда: Ростовская обл., Орловский п. Репутация: 25 [ ? ]
Машина: Carina FF (CT190)
Год выпуска: 1994
Двигатель: 2C
|
Датчик положения рычага управления ТНВД
А как он связан с системой рециркуляции? И что он вообще делает?
_________________ Toyota Carina УЛЫБКА, Белый Седан, 1994 г.в, дизель 2С, МКПП, ABS, Климат-контроль, пруль, JDM.
|
|
| Вернуться к началу |
|
 |
|
Dimon_2C
|
Добавлено: Вт янв 18, 2011 11:02 pm |
|
 |
| Внесен в большую энциклопедию |
Зарегистрирован: Вт май 05, 2009 10:33 am Сообщения: 2906 Откуда: город_32 Репутация: 58 [ ? ]
Машина: Car-E->M6-GH wagon
Год выпуска: 2008
|
|
l_denis
Надо думать отслеживает перемещение рычага управления. Ставились только на японки, у меня такого чуда вообще нет. В букваре, в разделе "Топливная система" есть схема его установки и проверки под напряжением.
_________________ С уважением к форуму
|
|
| Вернуться к началу |
|
 |
|
l_denis
|
Добавлено: Вт янв 18, 2011 11:23 pm |
|
 |
| Его именем пора назвать улицу |
 |
Зарегистрирован: Вс дек 26, 2010 8:37 pm Сообщения: 1747 Откуда: Ростовская обл., Орловский п. Репутация: 25 [ ? ]
Машина: Carina FF (CT190)
Год выпуска: 1994
Двигатель: 2C
|
Dimon_2C писал(а): отслеживает перемещение рычага управления
Ну это из названия понятно.
Надыбал тут один сайт http://www.toyota-ace.ru/page11.htm
Курю статьи, немного по ТНВД прояснилось, мож чего и про датчик найду. Кстати у меня он может и не подключен. Провода оторваны от разъема и вроде скручены напрямки. Но это вроде.
_________________ Toyota Carina УЛЫБКА, Белый Седан, 1994 г.в, дизель 2С, МКПП, ABS, Климат-контроль, пруль, JDM.
|
|
| Вернуться к началу |
|
 |
|
Dimon_2C
|
Добавлено: Вт янв 18, 2011 11:27 pm |
|
 |
| Внесен в большую энциклопедию |
Зарегистрирован: Вт май 05, 2009 10:33 am Сообщения: 2906 Откуда: город_32 Репутация: 58 [ ? ]
Машина: Car-E->M6-GH wagon
Год выпуска: 2008
|
|
Узнай у azatei, у него Корона была, наверняка с таким же датчиком.
_________________ С уважением к форуму
|
|
| Вернуться к началу |
|
 |
|
azatei
|
Добавлено: Ср янв 19, 2011 8:44 pm |
|
 |
| Бригадир |
 |
Зарегистрирован: Вс фев 15, 2009 8:28 pm Сообщения: 234 Откуда: Нижневартовск Репутация: 3 [ ? ]
Машина: ланцер 9
Год выпуска: 2007
Двигатель: 1,6
|
|
Верно! был такой датчик. Действительно он отвечает за работу системы рециркуляции газов (Димон на 100% прав) отслеживает положение перемещения рычага газульки-передаёт на блок управления ЕГР.
Плюнь на него! отсоедени, попутно отсоедени на вакуумклапане управления ЕГР. Поставь металлическую прокладку между впускным коллектором и самим исполнительным клапаном ЕГР.
Сия приблуда стоит для [url]экологии[/url] и только вредит своими отработаными газами и сажей здоровью дизеля
_________________ Была-CORONA CT190Y 94г. 2C DIESEL A\T DRIVERS SCHOOL VEHICLE JAPAN Был-Town Ace Noan 3СТЕ 2.2 л. 105л.с. CR-50 99г.4WD Turbo Intercooler Скатился до митсуПиси..
|
|
| Вернуться к началу |
|
 |
|
l_denis
|
Добавлено: Пт янв 21, 2011 1:00 am |
|
 |
| Его именем пора назвать улицу |
 |
Зарегистрирован: Вс дек 26, 2010 8:37 pm Сообщения: 1747 Откуда: Ростовская обл., Орловский п. Репутация: 25 [ ? ]
Машина: Carina FF (CT190)
Год выпуска: 1994
Двигатель: 2C
|
|
azatei
Спасибо за инфу. Уже прочитал статейку про то как эту систему отключают и глушат клапан.
_________________ Toyota Carina УЛЫБКА, Белый Седан, 1994 г.в, дизель 2С, МКПП, ABS, Климат-контроль, пруль, JDM.
|
|
| Вернуться к началу |
|
 |
|
Van-diesel
|
Добавлено: Ср мар 02, 2011 7:04 pm |
|
 |
| Наставник |
 |
Зарегистрирован: Ср янв 13, 2010 5:31 pm Сообщения: 85 Откуда: РБ г.Витебск северные окрайны Репутация: 13 [ ? ]
Машина: Carina E
Год выпуска: 1997
Двигатель: 7A-FE
|
|
Привет всем. думаю по теме напишу вопрос. При снятии форсунок на моторе 2с какие кольца менять нужно? 11177-64010 или 11176-64010
Попутно- есть ли какие нюансы при снтии форсунок ? зарание спсб очень жду.
_________________ Carina E 1994 г.в. (2С) продана VW Passat B5 1999 г.в AFN 1.9tbi продана Honda Element 2004 г.в 2.4 k24 - в строю Carina E 1997 г.в. 1.8 7A-FE LB - в строю
|
|
| Вернуться к началу |
|
 |
|
azatei
|
Добавлено: Ср мар 02, 2011 9:56 pm |
|
 |
| Бригадир |
 |
Зарегистрирован: Вс фев 15, 2009 8:28 pm Сообщения: 234 Откуда: Нижневартовск Репутация: 3 [ ? ]
Машина: ланцер 9
Год выпуска: 2007
Двигатель: 1,6
|
|
Тут прокакивало как то про колечки... но что то поиском не нахожу их, ну да ладно.
Короче на форсунке установлено 3 колечка.
1- под самим распылителем, диаметр гдето 6 мм. объёмная- однозначно под замену
2- толстая, бронзовая под корпусом форсунки- её то можно и не менять..тока чутка на наждачке поправить плоскости
3 под обраткой, алюминиевая-проминается на раз... возможна повторная установка, тока тебе это надо чоб сосало из под него воздух- я его меняю сразу ( тем более я сразу их заказываю в эксизе (как и распылительные) штук так 20 кряду... пригодятся не мне так в ремонте.
Тут маленько описано..-http://forum.corona-club.ru/index.php?topic=9390.0
| Вложения: |
Комментарий к файлу: Зыы фотки с форума Дизельмастера

s8096932.jpg [ 9.76 КБ | Просмотров: 23459 ]
|
Комментарий к файлу: Зыы фотки с форума Дизельмастера

s6243533.jpg [ 5.58 КБ | Просмотров: 23459 ]
|
_________________ Была-CORONA CT190Y 94г. 2C DIESEL A\T DRIVERS SCHOOL VEHICLE JAPAN Был-Town Ace Noan 3СТЕ 2.2 л. 105л.с. CR-50 99г.4WD Turbo Intercooler Скатился до митсуПиси..
|
|
| Вернуться к началу |
|
 |
|
локи41
|
Добавлено: Чт мар 10, 2011 9:57 pm |
|
 |
| Стажер |
Зарегистрирован: Чт ноя 18, 2010 6:27 pm Сообщения: 20 Репутация: 0 [ ? ]
|
Саидин писал(а): Поискал в ветке дизелей, не нашел отдельной темы про форсунки. Модераторы, если что перенесите плиз. Вопрос по форсункам. У меня стоят 23600-69125, если не ошибаюсь, у нас топливная система стоит DENSO. Какие симптомы, что пора сделать ревизию форсунок? У меня например расход большой, пришлось прижать количество впрыска, но стала вялая машина. Промывку ВИНСом делал, после этого подросли холостые обороты. Подтеканий нет, фильтра свежие. Заводится нормально. Но если поставлю количество впрыска как раньше было, то расход будет за 10-ку.... Я понимаю что зима... Но прошлой зимой было 8,5....
Винсом лучше не мыть, ведь Винс предназначен для мытья автоматом, а так Плунжерная пара страдает от сухого топлива, да и форсунки то же.
|
|
| Вернуться к началу |
|
 |
|
VLADIMIR71
|
Добавлено: Чт мар 10, 2011 11:13 pm |
|
 |
| Инструктор |
 |
Зарегистрирован: Сб ноя 06, 2010 11:44 pm Сообщения: 271 Откуда: ТУЛА Репутация: 8 [ ? ]
|
Основа винса- керосин с присадками,так что ничего страшного с насосом не случится.Тем более,что ты не ездить на на нём собираешся.А промыть можно и без аппаарата. 
_________________ Прокати нас, Петруша, на тракторе, До околицы нас прокати! Лифт 94г 2С япоша.(Скончался)
|
|
| Вернуться к началу |
|
 |
|
Dimon_2C
|
Добавлено: Пт мар 11, 2011 10:44 pm |
|
 |
| Внесен в большую энциклопедию |
Зарегистрирован: Вт май 05, 2009 10:33 am Сообщения: 2906 Откуда: город_32 Репутация: 58 [ ? ]
Машина: Car-E->M6-GH wagon
Год выпуска: 2008
|
|
azatei
Решил таки снимать насос для замены прокладки впускного. При откручивании трубок, какие-нибудь кольца там меняются. На схеме вроде ничего нет.
| Вложения: |

трубки.jpg [ 55.98 КБ | Просмотров: 23324 ]
|
_________________ С уважением к форуму
|
|
| Вернуться к началу |
|
 |
|
azatei
|
Добавлено: Пт мар 11, 2011 11:55 pm |
|
 |
| Бригадир |
 |
Зарегистрирован: Вс фев 15, 2009 8:28 pm Сообщения: 234 Откуда: Нижневартовск Репутация: 3 [ ? ]
Машина: ланцер 9
Год выпуска: 2007
Двигатель: 1,6
|
Да нет Димон- тупо снимай насос..там соски на трубках конические-прижимные, нет никаких колечек.ЭЭЭ совет- сразу же после снятия ты хотя бы изолентой оберни соски форсов и топливной, и упакуй сами трубки в феллофан на наличие пыли\грязи. Всякое бывает... а на личном опыте я таки один раз угробил одну форсунку из-за разгильдяйства
Всё таки смаь тонким слоем неброского цветом геретика новую железную прокладку под впускным- думаю не помешает 
_________________ Была-CORONA CT190Y 94г. 2C DIESEL A\T DRIVERS SCHOOL VEHICLE JAPAN Был-Town Ace Noan 3СТЕ 2.2 л. 105л.с. CR-50 99г.4WD Turbo Intercooler Скатился до митсуПиси..
|
|
| Вернуться к началу |
|
 |
|
Dimon_2C
|
Добавлено: Сб мар 12, 2011 12:31 am |
|
 |
| Внесен в большую энциклопедию |
Зарегистрирован: Вт май 05, 2009 10:33 am Сообщения: 2906 Откуда: город_32 Репутация: 58 [ ? ]
Машина: Car-E->M6-GH wagon
Год выпуска: 2008
|
azatei писал(а): сразу же после снятия ты хотя бы изолентой оберни соски форсов и топливной, и упакуй сами трубки в феллофан на наличие пыли\грязи. Это само собой, упакуем в лучшем виде azatei писал(а): Всё таки смаь тонким слоем неброского цветом геретика новую железную прокладку под впускным- думаю не помешает 
Обычный АВRO наверное сгорит или номАно?
_________________ С уважением к форуму
|
|
| Вернуться к началу |
|
 |
|
azatei
|
Добавлено: Сб мар 12, 2011 12:42 am |
|
 |
| Бригадир |
 |
Зарегистрирован: Вс фев 15, 2009 8:28 pm Сообщения: 234 Откуда: Нижневартовск Репутация: 3 [ ? ]
Машина: ланцер 9
Год выпуска: 2007
Двигатель: 1,6
|
|
Им и пользуюсь! Предпочтение к чёрному
Добавлено спустя 6 минут 9 секунд:
Дима -а не хочешь сразу же сменить попутно напорные клапана?
Так то они стоят недорого+ к ним колечки
Обещяю -машинка сразу другой станет, приемлимость сразу повысится, + лучше запуск, меньше косу
_________________ Была-CORONA CT190Y 94г. 2C DIESEL A\T DRIVERS SCHOOL VEHICLE JAPAN Был-Town Ace Noan 3СТЕ 2.2 л. 105л.с. CR-50 99г.4WD Turbo Intercooler Скатился до митсуПиси..
|
|
| Вернуться к началу |
|
 |
|
Dimon_2C
|
Добавлено: Сб мар 12, 2011 1:26 am |
|
 |
| Внесен в большую энциклопедию |
Зарегистрирован: Вт май 05, 2009 10:33 am Сообщения: 2906 Откуда: город_32 Репутация: 58 [ ? ]
Машина: Car-E->M6-GH wagon
Год выпуска: 2008
|
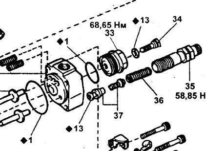
Эт чЁ такое?
То, что на картинке под номером 37?
| Вложения: |

нагнетатель.jpg [ 51.75 КБ | Просмотров: 23325 ]
|
_________________ С уважением к форуму
|
|
| Вернуться к началу |
|
 |
|
vovanc23
|
Добавлено: Чт дек 15, 2011 1:48 pm |
|
 |
| Самостоятельный |
 |
Зарегистрирован: Вс окт 24, 2010 4:39 pm Сообщения: 27 Откуда: Минск Репутация: 0 [ ? ]
|
|
Может кто знает в чем отличия распылителей Denso 093400-5420, 093400-5320, 093400-6110? По exist нужны последние, но нет в наличии.
_________________ Carina E, 93г.в., 2С, седан, белоснежная
|
|
| Вернуться к началу |
|
 |
|
любитель
|
Добавлено: Чт мар 01, 2012 8:07 pm |
|
 |
| Наставник |
Зарегистрирован: Вт апр 13, 2010 1:43 pm Сообщения: 86 Откуда: мурманская обл Репутация: 0 [ ? ]
|
|
Подскажите на какое давление должны настраиваться форсунки у атмосферника?
_________________ сам не сделаешь ни кто ни сделает. Тойота карина e белая как молоко универсал 2.0 дизель люк гур сигнализация цз и тонировка наклейка клубная под номером чёрная.
|
|
| Вернуться к началу |
|
 |
|
vovanc23
|
Добавлено: Чт мар 01, 2012 10:37 pm |
|
 |
| Самостоятельный |
 |
Зарегистрирован: Вс окт 24, 2010 4:39 pm Сообщения: 27 Откуда: Минск Репутация: 0 [ ? ]
|
|
145-155 новая форсунка 135-155 используемая форсунка
_________________ Carina E, 93г.в., 2С, седан, белоснежная
|
|
| Вернуться к началу |
|
 |
Кто сейчас на конференции |
Сейчас этот форум просматривают: нет зарегистрированных пользователей и гости: 0 |
|
Вы не можете начинать темы Вы не можете отвечать на сообщения Вы не можете редактировать свои сообщения Вы не можете удалять свои сообщения Вы не можете добавлять вложения
|
|