Сообщения без ответов | Активные темы
| Автор |
Сообщение |
|
Пожарник
|
Добавлено: Ср дек 18, 2013 2:59 pm |
|
 |
| Внесен в большую энциклопедию |
Зарегистрирован: Чт апр 12, 2012 6:27 pm Сообщения: 2026 Откуда: Ярославль Репутация: 78 [ ? ]
Машина: Сarina E Wagon
Год выпуска: 1997
Двигатель: 7A-FE LB
|
васяПопробуй сначала вентилятор напрямую от аккума пустить А там уже и будешь выводы делать
_________________ Бешеной собаке сто вёрст-не крюк!
|
|
| Вернуться к началу |
|
 |
|
вася
|
Добавлено: Сб дек 21, 2013 10:47 pm |
|
 |
| Инструктор |
 |
Зарегистрирован: Вт янв 06, 2009 5:01 pm Сообщения: 362 Откуда: Мурманск Репутация: 4 [ ? ]
|
|
решилась проблема тупо сгорел пред ветилятора кондея ,кстати на охлаждение включаются оба. спасиб всем кто откликнулся
_________________ Toyota carina e соmbi 1.8
год 1996
двиг.-7А-FE .lb
Цвет-темно-серый , тонированная ,
мощ.107л.с АКПП, Англичанка,
|
|
| Вернуться к началу |
|
 |
|
Sanchis85
|
Добавлено: Пн янв 26, 2015 1:25 pm |
|
 |
| Спортсмен клуба |
 |
Зарегистрирован: Вт сен 28, 2010 11:57 am Сообщения: 6328 Откуда: Новомосковск, Тульская область Репутация: 186 [ ? ]
Машина: Toyota Carina E
Год выпуска: 1995
Двигатель: 4A-FE std. Denso
|
Fidel писал(а): Если речь о вентиляторе кондея, то он без кондея и не должен работать. Должен работать. Там схема собрана так что они могут и последовательно работать , и параллельно. По одному не работают 
_________________ Toyota Carina E, 4A-FE не LB, Седан, АКПП, англицкая снаружи, японочка внутри  , 01.1995 г.в. Kia Ceed JD рестайл, 1.6 G4FG, Универсал, механика. 11.2016 г.в. Я на drive2.ru
|
|
| Вернуться к началу |
|
 |
|
Fidel
|
Добавлено: Пн янв 26, 2015 2:04 pm |
|
 |
| Внесен в большую энциклопедию |
 |
Зарегистрирован: Ср фев 25, 2009 9:36 am Сообщения: 2977 Откуда: Краснод. край Репутация: 186 [ ? ]
Машина: Toyota Avensis Liftback 3M3
Год выпуска: 1997
Двигатель: 7A-FE LB, МКПП
|
|
Sanchis85 А как тогда бескондейные машины обходятся одним односкоростным вентилятором? Если не изменяет память, то при выключенном кондее датчиком по температуре ОЖ включается один вентилятор на полную мощность. При включенном кондиционере, непрогретом моторе и малом давлении в магистрали кондея - два вентилятора вполсилы, последовательно. И при включенном кондее и сработке датчика температуры ОЖ и (или) давления в магистрали кондея - 2 на полную мощь, параллельно.
_________________ Андрей, TOYOTA AVENSIS 97г.в. 7A-FE (LB), КПП мех, Liftback 3M3, LINEA TERRA, теперь с кондиционером. ICQ Нервные клетки не восстанавливаются? Да и хрен с ними - нервные сдохнут, спокойные останутся... ИМХОячу.
|
|
| Вернуться к началу |
|
 |
|
Sanchis85
|
Добавлено: Пн янв 26, 2015 3:00 pm |
|
 |
| Спортсмен клуба |
 |
Зарегистрирован: Вт сен 28, 2010 11:57 am Сообщения: 6328 Откуда: Новомосковск, Тульская область Репутация: 186 [ ? ]
Машина: Toyota Carina E
Год выпуска: 1995
Двигатель: 4A-FE std. Denso
|
Fidel писал(а): А как тогда бескондейные машины обходятся одним односкоростным вентилятором? Андрей, я буквально недавно разбирался с этой схемой (месяца 2-3 назад) - себе даже выписал все возможные варианты работы. Вечером дома буду, напишу как там и чего, скажу что схема у кондейной машины другая нежели у бескондейной с одним вентилятором. А почему утверждаю - потому что у меня машина с нерабочим кондеем, и у меня работают два вентилятора вместе. И это не ошибка, а штатная работа 
_________________ Toyota Carina E, 4A-FE не LB, Седан, АКПП, англицкая снаружи, японочка внутри  , 01.1995 г.в. Kia Ceed JD рестайл, 1.6 G4FG, Универсал, механика. 11.2016 г.в. Я на drive2.ru
|
|
| Вернуться к началу |
|
 |
|
alexrotor
|
Добавлено: Пн янв 26, 2015 3:01 pm |
|
 |
| Внесен в большую энциклопедию |
 |
Зарегистрирован: Сб фев 12, 2011 11:09 am Сообщения: 2115 Откуда: Нижегородская область УРЕНЬ Репутация: 78 [ ? ]
Машина: LEXUS GS300
Год выпуска: 2008
Двигатель: 3GRFSE
|
Sanchis85 писал(а): потому что у меня машина с нерабочим кондеем, и у меня работают два вентилятора вместе. И это не ошибка, а штатная работа +1
_________________ 89108943598Я на DRIVE2 
|
|
| Вернуться к началу |
|
 |
|
Fidel
|
Добавлено: Пн янв 26, 2015 3:06 pm |
|
 |
| Внесен в большую энциклопедию |
 |
Зарегистрирован: Ср фев 25, 2009 9:36 am Сообщения: 2977 Откуда: Краснод. край Репутация: 186 [ ? ]
Машина: Toyota Avensis Liftback 3M3
Год выпуска: 1997
Двигатель: 7A-FE LB, МКПП
|
Sanchis85 писал(а): А почему утверждаю - потому что у меня машина с нерабочим кондеем, и у меня работают два вентилятора вместе. И это не ошибка, а штатная работа Не исключаю, я-то, признаться, авенсисовскую схему читал. У Карин слишком много различий по схемам. Кстати, эксперимента ради, попробуй с датчика давления кондея сдернуть фишку. И что-то кажется мне, что заработают твои вентиляторы по логике бескондейных схем.
_________________ Андрей, TOYOTA AVENSIS 97г.в. 7A-FE (LB), КПП мех, Liftback 3M3, LINEA TERRA, теперь с кондиционером. ICQ Нервные клетки не восстанавливаются? Да и хрен с ними - нервные сдохнут, спокойные останутся... ИМХОячу.
|
|
| Вернуться к началу |
|
 |
|
Driver
|
Добавлено: Пн янв 26, 2015 3:11 pm |
|
 |
| На доске почета |
 |
Зарегистрирован: Вс дек 12, 2010 2:14 pm Сообщения: 1229 Откуда: Бердск, Новосибирск Репутация: 47 [ ? ]
Машина: Toyota Carina E
Год выпуска: 1997
Двигатель: 4A-FE
|
|
Что без включенного кондея, что с включенным, у меня оба вентилятора врубаются, правда в пол силы или на всю не выяснял, но видел, что крутят оба.
_________________ Toyota Carina E, UK, GLi, 1997г.в., 1.6 4A-FE, МКПП, седан, 8H6. Кодовое название "Убийца Крузеров" XD. Моя Карина на Драйв2
|
|
| Вернуться к началу |
|
 |
|
Sanchis85
|
Добавлено: Пн янв 26, 2015 3:34 pm |
|
 |
| Спортсмен клуба |
 |
Зарегистрирован: Вт сен 28, 2010 11:57 am Сообщения: 6328 Откуда: Новомосковск, Тульская область Репутация: 186 [ ? ]
Машина: Toyota Carina E
Год выпуска: 1995
Двигатель: 4A-FE std. Denso
|
Fidel писал(а): Кстати, эксперимента ради, попробуй с датчика давления кондея сдернуть фишку. И что-то кажется мне, что заработают твои вентиляторы по логике бескондейных схем. при скидывании фишки с датчика давления имитируется режим разрыва массы при критическом давлении хладагента, что - аналогично с датчиком включения вентиляторов (так как они стоят в схеме последовательно) - запускает оба вентилятора на параллель, то есть на полную мощность. в бескондейных схемах просто нет цепи датчика давления вообще. и вентилятор там один - вот он и крутится либо нет и да, кстати - если я скину фишку с датчика давления кондея, у меня ничего не запустится. потому что при покупке автомобиля у меня постоянно крутили вентиляторы. и дабы привести схему в рабочее состояние, я напрямую кинул провод с датчика включения на реле вентилятора. тем самым обошел датчик кондея вообще. а причину так и не выяснял, почему работают вентиляторы - то ли провод был перебит на включение вентилятора, то ли этот датчик кондея залип и постоянно разрыв давал. а так как я на кондей забил, то и в схеме он не нужен.
_________________ Toyota Carina E, 4A-FE не LB, Седан, АКПП, англицкая снаружи, японочка внутри  , 01.1995 г.в. Kia Ceed JD рестайл, 1.6 G4FG, Универсал, механика. 11.2016 г.в. Я на drive2.ru
|
|
| Вернуться к началу |
|
 |
|
Fidel
|
Добавлено: Пн янв 26, 2015 3:50 pm |
|
 |
| Внесен в большую энциклопедию |
 |
Зарегистрирован: Ср фев 25, 2009 9:36 am Сообщения: 2977 Откуда: Краснод. край Репутация: 186 [ ? ]
Машина: Toyota Avensis Liftback 3M3
Год выпуска: 1997
Двигатель: 7A-FE LB, МКПП
|
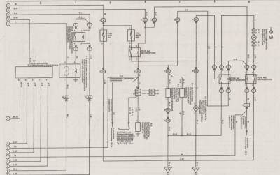
Значит, я чего-то не понимаю в схемах. Кариновская же схема? Вложение:
2015-01-26 14-13-36 3.Toyota Carina E 377-384 стр..pdf - Foxit Reader.png [ 360.23 КБ | Просмотров: 10047 ]
Реле №3 обесточено, поскольку оно запитано от реле муфты компрессора, а кондей выключен. Значит, при любом положении контактов реле №2 минусовой провод мотора вентилятора конденсатора "висит в воздухе". Ну да ладно, пусть висит себе где хочет. Проблем топикстартера это мало касается, прибережем доводы для других тем 
_________________ Андрей, TOYOTA AVENSIS 97г.в. 7A-FE (LB), КПП мех, Liftback 3M3, LINEA TERRA, теперь с кондиционером. ICQ Нервные клетки не восстанавливаются? Да и хрен с ними - нервные сдохнут, спокойные останутся... ИМХОячу.
|
|
| Вернуться к началу |
|
 |
|
Sanchis85
|
Добавлено: Пн янв 26, 2015 8:42 pm |
|
 |
| Спортсмен клуба |
 |
Зарегистрирован: Вт сен 28, 2010 11:57 am Сообщения: 6328 Откуда: Новомосковск, Тульская область Репутация: 186 [ ? ]
Машина: Toyota Carina E
Год выпуска: 1995
Двигатель: 4A-FE std. Denso
|
FidelАндрей, эта схема которую ты дал - криво нарисована (в смысле трудно читаема) и с ошибками 1. реле вентилятора №1 является нормально замкнутым, а на твоей картинке нормально разомкнутое. 2. реле №2 нарисовано неверно! у него силовой контакт (который трехпозиционный) выполнен на самом деле так: постоянный контакт располагается со стороны вентилятора, а не со стороны реле №3. И соответственно выбор положения у него (силового контакта) состоит между: а) масса через датчик давления кондиционера и датчик включения вентилятора (в этом случае минус вентилятора включается на массу и он работает параллельно основному) б) масса через реле №3. в этом случае - когда у машины нет перегрева антифриза и не повышено давление фреона, оба вентилятора работают последовательно, то есть в пол силы - это как раз режим просто включенного кондея. вот схемы для пояснения. Вложение:
DSC00173.JPG [ 454.02 КБ | Просмотров: 10020 ]
эта схема - непосредственно из главы про охлаждение двигателя, в легионовском букваре стр. 124 Хотя справедливости ради скажу, что там тоже ошибка - в правом верхнем углу на поясняющей картинке про реле БОШ, 85 и 86 контакты перепутаны местами )))))) ЗЫ после окончания дебатов - перенесу их в соответствующую тему 
_________________ Toyota Carina E, 4A-FE не LB, Седан, АКПП, англицкая снаружи, японочка внутри  , 01.1995 г.в. Kia Ceed JD рестайл, 1.6 G4FG, Универсал, механика. 11.2016 г.в. Я на drive2.ru
|
|
| Вернуться к началу |
|
 |
|
Череп
|
Добавлено: Пн янв 26, 2015 9:01 pm |
|
 |
| Герой былин народных |
Зарегистрирован: Сб янв 18, 2014 7:59 pm Сообщения: 3512 Откуда: Таганрог Репутация: 58 [ ? ]
Машина: Toyota Carina-E
Год выпуска: 1996
Двигатель: 1.6LB
|
|
Ребят, по-моему спор ни о чем. Оба вентилятора включаются и выключаются синхронно. Не важно, кто их запускает, температура двигателя или команда с кондиционера. Есть правдо момент: пока температура двигателя недостаточная для запуска вентилятора, от кондиционера они не запустятся. На схемах этот момент есть. По крайней мере на тех, что я скачивал с инета. В них есть разница с приведенными вами схемами.
_________________ В третий раз купил старик Toyota Carina-E...
|
|
| Вернуться к началу |
|
 |
|
Sanchis85
|
Добавлено: Пн янв 26, 2015 9:03 pm |
|
 |
| Спортсмен клуба |
 |
Зарегистрирован: Вт сен 28, 2010 11:57 am Сообщения: 6328 Откуда: Новомосковск, Тульская область Репутация: 186 [ ? ]
Машина: Toyota Carina E
Год выпуска: 1995
Двигатель: 4A-FE std. Denso
|
|
во-первых спора нет, есть дискуссия (поиск правды в размышлениях) во-вторых они запустятся - вентиляторы, при включении кондея, всегда должны крутить не зависимо от температуры двигателя. у кого кондей рабочий - должны подтвердить
_________________ Toyota Carina E, 4A-FE не LB, Седан, АКПП, англицкая снаружи, японочка внутри  , 01.1995 г.в. Kia Ceed JD рестайл, 1.6 G4FG, Универсал, механика. 11.2016 г.в. Я на drive2.ru
|
|
| Вернуться к началу |
|
 |
|
Fidel
|
Добавлено: Пн янв 26, 2015 9:16 pm |
|
 |
| Внесен в большую энциклопедию |
 |
Зарегистрирован: Ср фев 25, 2009 9:36 am Сообщения: 2977 Откуда: Краснод. край Репутация: 186 [ ? ]
Машина: Toyota Avensis Liftback 3M3
Год выпуска: 1997
Двигатель: 7A-FE LB, МКПП
|
Вот с Авенсиса схемка. Но я над ней, пожалуй, уже завтра мозговать буду 
| Вложения: |

2015-01-26 20-10-45 Схемы электрооборудования.pdf - Foxit Reader.png [ 680.98 КБ | Просмотров: 10032 ]
|
_________________ Андрей, TOYOTA AVENSIS 97г.в. 7A-FE (LB), КПП мех, Liftback 3M3, LINEA TERRA, теперь с кондиционером. ICQ Нервные клетки не восстанавливаются? Да и хрен с ними - нервные сдохнут, спокойные останутся... ИМХОячу.
|
|
| Вернуться к началу |
|
 |
|
alek-r2008
|
Добавлено: Пн янв 26, 2015 10:04 pm |
|
 |
| На доске почета |
 |
Зарегистрирован: Пт янв 15, 2010 7:12 pm Сообщения: 1166 Откуда: Ростовская область г. Таганрог Репутация: 47 [ ? ]
Машина: TOYOTко
Год выпуска: 1996
Двигатель: 1.8т
|
Sanchis85 писал(а): при включении кондея, всегда должны крутить не зависимо от температуры двигателя. у кого кондей рабочий - должны подтвердить Александр - ты не прав,включаются карлсоны при повышении давления в системе кондиционирования! И так же они должны отключаться при понижения оного,а если же они молотят постоянно при включеном кондере, то мой вам совет - почисти радиатор...,причем оба!!!
_________________ Carina E 1996 г.в.,седан,англичанка, 1.8Т,SB153ABK10E056083 Crazy Frog
|
|
| Вернуться к началу |
|
 |
|
Sanchis85
|
Добавлено: Пн янв 26, 2015 10:05 pm |
|
 |
| Спортсмен клуба |
 |
Зарегистрирован: Вт сен 28, 2010 11:57 am Сообщения: 6328 Откуда: Новомосковск, Тульская область Репутация: 186 [ ? ]
Машина: Toyota Carina E
Год выпуска: 1995
Двигатель: 4A-FE std. Denso
|
|
ну тогда объясните мне, нафига в схеме вообще нужно реле №3??
_________________ Toyota Carina E, 4A-FE не LB, Седан, АКПП, англицкая снаружи, японочка внутри  , 01.1995 г.в. Kia Ceed JD рестайл, 1.6 G4FG, Универсал, механика. 11.2016 г.в. Я на drive2.ru
|
|
| Вернуться к началу |
|
 |
|
alek-r2008
|
Добавлено: Пн янв 26, 2015 10:10 pm |
|
 |
| На доске почета |
 |
Зарегистрирован: Пт янв 15, 2010 7:12 pm Сообщения: 1166 Откуда: Ростовская область г. Таганрог Репутация: 47 [ ? ]
Машина: TOYOTко
Год выпуска: 1996
Двигатель: 1.8т
|
Sanchis85Сань,в схему не вникал...,но до "тюнинга" ,моя "кобылка" работала именно так! 
_________________ Carina E 1996 г.в.,седан,англичанка, 1.8Т,SB153ABK10E056083 Crazy Frog
|
|
| Вернуться к началу |
|
 |
|
Sanchis85
|
Добавлено: Пн янв 26, 2015 10:12 pm |
|
 |
| Спортсмен клуба |
 |
Зарегистрирован: Вт сен 28, 2010 11:57 am Сообщения: 6328 Откуда: Новомосковск, Тульская область Репутация: 186 [ ? ]
Машина: Toyota Carina E
Год выпуска: 1995
Двигатель: 4A-FE std. Denso
|
|
так вот если верить схеме, это реле нужно только для одного этого режима - включения вентиляторов в пол силы при включенном кондее... хреново что логика работы вентиляторов никак не описана в букваре. и в схемах ошибки. и все это складывается в то, что непонятно, как же все должно работать ))
_________________ Toyota Carina E, 4A-FE не LB, Седан, АКПП, англицкая снаружи, японочка внутри  , 01.1995 г.в. Kia Ceed JD рестайл, 1.6 G4FG, Универсал, механика. 11.2016 г.в. Я на drive2.ru
|
|
| Вернуться к началу |
|
 |
|
Череп
|
Добавлено: Пн янв 26, 2015 10:18 pm |
|
 |
| Герой былин народных |
Зарегистрирован: Сб янв 18, 2014 7:59 pm Сообщения: 3512 Откуда: Таганрог Репутация: 58 [ ? ]
Машина: Toyota Carina-E
Год выпуска: 1996
Двигатель: 1.6LB
|
|
У меня кондер рабочий и вентиляторы работают так, как я написал несколькими постами раньше.
_________________ В третий раз купил старик Toyota Carina-E...
|
|
| Вернуться к началу |
|
 |
|
alek-r2008
|
Добавлено: Пн янв 26, 2015 10:43 pm |
|
 |
| На доске почета |
 |
Зарегистрирован: Пт янв 15, 2010 7:12 pm Сообщения: 1166 Откуда: Ростовская область г. Таганрог Репутация: 47 [ ? ]
Машина: TOYOTко
Год выпуска: 1996
Двигатель: 1.8т
|
Черепашка-ниндзяНи кто не против твоего рабочего кондера...,а температура двигателя практически не при делах! Включи кондер в 40-ка градусную жару при холодном моторе и произойдет чудо...! 
_________________ Carina E 1996 г.в.,седан,англичанка, 1.8Т,SB153ABK10E056083 Crazy Frog
|
|
| Вернуться к началу |
|
 |
|
Sanchis85
|
Добавлено: Пн янв 26, 2015 11:49 pm |
|
 |
| Спортсмен клуба |
 |
Зарегистрирован: Вт сен 28, 2010 11:57 am Сообщения: 6328 Откуда: Новомосковск, Тульская область Репутация: 186 [ ? ]
Машина: Toyota Carina E
Год выпуска: 1995
Двигатель: 4A-FE std. Denso
|
обсуждение работы вентиляторов перенес!!! а продолжая дискуссию - скажу, что ТО как у вас работали вентиляторы - не значит что они работали правильно тут судя по всему вопрос в том, что либо схема врет совсем, либо у вас там кем то было неправильно собрано (что вентиляторы в пол силы не крутили с кондеем). но в свою пользу скажу, что никто так и не ответил о назначении Реле вентилятора №3, если карлсоны в пол силы не должны крутиться Добавлено спустя 52 секунды:а кстати может вы просто не слышите как работают вентиляторы при включении кондея, и ложно думаете что они не работают??
_________________ Toyota Carina E, 4A-FE не LB, Седан, АКПП, англицкая снаружи, японочка внутри  , 01.1995 г.в. Kia Ceed JD рестайл, 1.6 G4FG, Универсал, механика. 11.2016 г.в. Я на drive2.ru
|
|
| Вернуться к началу |
|
 |
|
Fidel
|
Добавлено: Вт янв 27, 2015 12:47 am |
|
 |
| Внесен в большую энциклопедию |
 |
Зарегистрирован: Ср фев 25, 2009 9:36 am Сообщения: 2977 Откуда: Краснод. край Репутация: 186 [ ? ]
Машина: Toyota Avensis Liftback 3M3
Год выпуска: 1997
Двигатель: 7A-FE LB, МКПП
|
Sanchis85 писал(а): никто так и не ответил о назначении Реле вентилятора №3, если карлсоны в пол силы не должны крутиться Ну почему же не должны? Должны. Смотри схему Авенсиса, она вроде понятнее изображена. Когда включен кондиционер (реле №3 запитано от усилителя кондея и замыкает силовые контакты), но замкнуты датчик по температуре и датчик по давлению (в реле №1 контакты разомкнуты, а реле №2 скоммутировало 3 и 4 ногу) - 2 вентилятора соединены последовательно, и крутятся вполсилы. Стоит разомкнуться датчику по давлению или датчику по температуре, перещелкиваются реле №1 и №2. Первое дает на вентилятор радиатора 12В, второе замыкает на массу минусовую ногу вентилятора кондиционера, плюсом запитанное через то самое 3-е реле, включенное, напомню, усилителем кондиционера. Вентиляторы в параллель, и дуют что есть дури. Выключаем кондиционер -и реле №3 обесточено, и вентилятор кондиционера остался без питания, вне зависимости от состояния датчика температуры или давления. Ну вроде нигде не соврал 
_________________ Андрей, TOYOTA AVENSIS 97г.в. 7A-FE (LB), КПП мех, Liftback 3M3, LINEA TERRA, теперь с кондиционером. ICQ Нервные клетки не восстанавливаются? Да и хрен с ними - нервные сдохнут, спокойные останутся... ИМХОячу.
|
|
| Вернуться к началу |
|
 |
|
Череп
|
Добавлено: Вт янв 27, 2015 12:58 am |
|
 |
| Герой былин народных |
Зарегистрирован: Сб янв 18, 2014 7:59 pm Сообщения: 3512 Откуда: Таганрог Репутация: 58 [ ? ]
Машина: Toyota Carina-E
Год выпуска: 1996
Двигатель: 1.6LB
|
alek-r2008 писал(а): произойдет чудо...! Не происходит. По крайней мере на этом экземпляре. Если машину к тому времени не продам, можеш подойти и посмотреть. Добавлено спустя 3 минуты 33 секунды:Sanchis85 писал(а): может вы просто не слышите как работают вентиляторы при включении кондея Сразу при включении они не работают. Ни на 1 машине из всех, что у меня были (Вейник пока не в счет). Специально наблюдал.
_________________ В третий раз купил старик Toyota Carina-E...
|
|
| Вернуться к началу |
|
 |
|
Sanchis85
|
Добавлено: Вт янв 27, 2015 1:13 am |
|
 |
| Спортсмен клуба |
 |
Зарегистрирован: Вт сен 28, 2010 11:57 am Сообщения: 6328 Откуда: Новомосковск, Тульская область Репутация: 186 [ ? ]
Машина: Toyota Carina E
Год выпуска: 1995
Двигатель: 4A-FE std. Denso
|
Fidel писал(а): 2 вентилятора соединены последовательно, и крутятся вполсилы. на карине так же Fidel писал(а): Выключаем кондиционер -и реле №3 обесточено, и вентилятор кондиционера остался без питания на авенсисе - да. у него вентилятор напрямую к реле №3 подцеплен. на карине схема по другому сделана - там вентилятор напрямую к реле №2 подцеплен 
_________________ Toyota Carina E, 4A-FE не LB, Седан, АКПП, англицкая снаружи, японочка внутри  , 01.1995 г.в. Kia Ceed JD рестайл, 1.6 G4FG, Универсал, механика. 11.2016 г.в. Я на drive2.ru
|
|
| Вернуться к началу |
|
 |
Кто сейчас на конференции |
Сейчас этот форум просматривают: нет зарегистрированных пользователей и гости: 6 |
|
Вы не можете начинать темы Вы не можете отвечать на сообщения Вы не можете редактировать свои сообщения Вы не можете удалять свои сообщения Вы не можете добавлять вложения
|
|