Сообщения без ответов | Активные темы
|
sibiryak
|
Добавлено: Пн ноя 05, 2012 3:27 pm |
|
 |
| Его именем пора назвать улицу |
 |
Зарегистрирован: Пт янв 20, 2012 12:01 pm Сообщения: 1502 Откуда: Ленинск-Кузнецкий Репутация: 20 [ ? ]
Машина: Carina e
Год выпуска: 1993
Двигатель: 4afe LB
|
|
парни, сегодня снял сиденье пассажирское а у меня провода на фишке красно-белый и красно-черный, а говорили о красно зеленом? почему так?
_________________ михаил
|
|
| Вернуться к началу |
|
 |
|
sibiryak
|
Добавлено: Пн ноя 05, 2012 9:20 pm |
|
 |
| Его именем пора назвать улицу |
 |
Зарегистрирован: Пт янв 20, 2012 12:01 pm Сообщения: 1502 Откуда: Ленинск-Кузнецкий Репутация: 20 [ ? ]
Машина: Carina e
Год выпуска: 1993
Двигатель: 4afe LB
|
|
так какие.куда тогда расключать?
_________________ михаил
|
|
| Вернуться к началу |
|
 |
|
Артурартур
|
Добавлено: Пн ноя 05, 2012 10:40 pm |
|
 |
| Его именем пора назвать улицу |
 |
Зарегистрирован: Пн июн 07, 2010 11:08 am Сообщения: 1910 Откуда: КАЗАНЬ,26 лет Репутация: 47 [ ? ]
Машина: RAV 4
Год выпуска: 1997
Двигатель: 3S-FE,АКПП
|
Итак.Кинул ручку на аккум и....ни хрена естественно не грела,учи моя дурья голова физику раньше не было бы забот. Так как нихрома не было больше решил поизвращаться,а именно,те концы что вывел сначала,соединил в один,ниткой нашел середину обогрева и в этом месте просверлил дыру вдоль,протащил провод,запаял обжал, взял кусок дерьмонтина и пошел в машину,хрясь к акуму и... 10 сек..ручка из холодной стала приятной...30 сек ручка стала тепленькой потом еще теплее,за секунд 40-50 достигла супер комфортной температуры и больше не греется  я ее победил,отдельное спасибо тофарищу Muflonu,который сказал что будет греть в 4 раза лучше если нихром мой в двоя сложить,получилось 13 ОМ ) но нет счастья пока двы друзья мои не поможете с подключением попогреек,постами выше отписался что схема не рабочая (
| Вложения: |

Фото0184.jpg [ 320.47 КБ | Просмотров: 10195 ]
|
_________________ девятос(2109) -> черебас(2110) -> OPEL ASTRA 92г. ->Carina E седан 94,англичанка,АТ,пробег 336 тыс. -> Шкода октавия 2001,на палке 1,6 ->ВАГОН 1996 7A на палке ) ->Раф 4,(Гена) 1997 г.АКПП  
|
|
| Вернуться к началу |
|
 |
|
Женя-BOND
|
Добавлено: Вт ноя 06, 2012 9:39 am |
|
 |
| Герой былин народных |
 |
Зарегистрирован: Пн мар 02, 2009 6:24 pm Сообщения: 3619 Откуда: Нижний Новгород Репутация: 156 [ ? ]
Машина: Carina E
Год выпуска: 1992
Двигатель: 4A FE LB
|
|
sibiryak, лучше поздно, чем никогда (чтоб окончательно успокоилось на душе): красно/желт идет к водительскому, красн/бел - к пасс. Это у всех так. Тот, что потолще (из красных внизу) - это Хай, потоньше - Лпу, а ч/б - минусовой.
_________________  Carina Евгеньевна, 4A-FE, 1.6, LB, 101 л.с., седан, МКПП, GLi, '92, япона-мама // Ты должен сделать добро из зла, потому что его больше не из чего сделать// 
|
|
| Вернуться к началу |
|
 |
|
Vofffka
|
Добавлено: Ср ноя 07, 2012 12:23 pm |
|
 |
| Бригадир |
Зарегистрирован: Вс сен 16, 2012 10:37 pm Сообщения: 143 Репутация: 1 [ ? ]
Машина: Toyota Carina Е GTSi
Год выпуска: 1993
Двигатель: 4A-FE 1.6 STD
|
|
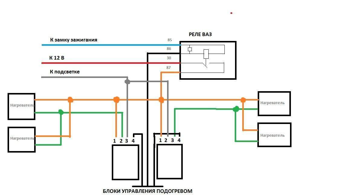
Товарищи! помогите купил как и обещал подогрев с регулятором нагрева "Емеля УК 2" главный вопрос как мне его присабачить к штатной электрике проблема заключаеться в том что у меня регулятор не в 2 положения HI LO а через резистер на 4 положения подскажите как мне его подключить прошлый раз спрашивал просили схему.... предоставляю схему какая была показана на коробке:
ЗЫ. как просто подключить вопрос то понятен а вот как подключить к штатной проводке это меня удручает там же вроде должны быть и свои реле.... вообщем помогите плз)))
| Вложения: |

СХЕМА ПОДОГРЕВА.jpg [ 78.42 КБ | Просмотров: 10441 ]
|
_________________ 
|
|
| Вернуться к началу |
|
 |
|
Женя-BOND
|
Добавлено: Ср ноя 07, 2012 1:07 pm |
|
 |
| Герой былин народных |
 |
Зарегистрирован: Пн мар 02, 2009 6:24 pm Сообщения: 3619 Откуда: Нижний Новгород Репутация: 156 [ ? ]
Машина: Carina E
Год выпуска: 1992
Двигатель: 4A FE LB
|
|
Vofffka, берешь провода подсветки, подключаешь подсветку. Берешь провода, которые за ХАЙ отвечают и к ним цепляешь все (они потолще).
_________________  Carina Евгеньевна, 4A-FE, 1.6, LB, 101 л.с., седан, МКПП, GLi, '92, япона-мама // Ты должен сделать добро из зла, потому что его больше не из чего сделать// 
|
|
| Вернуться к началу |
|
 |
|
Vofffka
|
Добавлено: Ср ноя 07, 2012 2:08 pm |
|
 |
| Бригадир |
Зарегистрирован: Вс сен 16, 2012 10:37 pm Сообщения: 143 Репутация: 1 [ ? ]
Машина: Toyota Carina Е GTSi
Год выпуска: 1993
Двигатель: 4A-FE 1.6 STD
|
|
а чО мне делать с Реле от ВАЗа?
_________________ 
|
|
| Вернуться к началу |
|
 |
|
Женя-BOND
|
Добавлено: Ср ноя 07, 2012 2:29 pm |
|
 |
| Герой былин народных |
 |
Зарегистрирован: Пн мар 02, 2009 6:24 pm Сообщения: 3619 Откуда: Нижний Новгород Репутация: 156 [ ? ]
Машина: Carina E
Год выпуска: 1992
Двигатель: 4A FE LB
|
Vofffka писал(а): а чО мне делать с Реле от ВАЗа? в туннель запрятать. Тебе его надо использовать. Видимо регулятор слабый.
_________________  Carina Евгеньевна, 4A-FE, 1.6, LB, 101 л.с., седан, МКПП, GLi, '92, япона-мама // Ты должен сделать добро из зла, потому что его больше не из чего сделать// 
|
|
| Вернуться к началу |
|
 |
|
Vofffka
|
Добавлено: Ср ноя 07, 2012 2:49 pm |
|
 |
| Бригадир |
Зарегистрирован: Вс сен 16, 2012 10:37 pm Сообщения: 143 Репутация: 1 [ ? ]
Машина: Toyota Carina Е GTSi
Год выпуска: 1993
Двигатель: 4A-FE 1.6 STD
|
|
Женя-BOND погоди ка а какие тогда провода куда кидать?! там получаеться 2 плюса будет и один вообщем то будет совершенно не к чему прилепить..... потому как он всего навсего включает реле который к замку зажигания идёт! а еси я всё же без реле запитаю я посмотрел там регуляторы от НИВЫ 2123 стоят .... я думаю что сгорит тока реле?! Да и вообще почему оно должно сгореть?!
_________________ 
|
|
| Вернуться к началу |
|
 |
|
[Gibson]
|
Добавлено: Ср ноя 07, 2012 3:55 pm |
|
 |
| Его именем пора назвать улицу |
 |
Зарегистрирован: Чт янв 20, 2011 10:25 am Сообщения: 1775 Откуда: Чебоксары-Цивильск Репутация: 67 [ ? ]
Машина: Carina E
Год выпуска: 1995
Двигатель: 4a-fe lb
|
если штатную проводку юзать, то реле выкинь из схемки 
_________________ Дима///Carina E 4A-FE LB, Хэтч, 1995 г.в., англичанка, без ABS/// Драйв2
|
|
| Вернуться к началу |
|
 |
|
Rash
|
Добавлено: Ср ноя 07, 2012 4:27 pm |
|
 |
| Его именем пора назвать улицу |
 |
Зарегистрирован: Пт мар 05, 2010 1:27 pm Сообщения: 1824 Откуда: Казахстан Кокшетау Репутация: 78 [ ? ]
Машина: Carina E Wagon, KIA Sportage
Год выпуска: 1995
Двигатель: 4A-FE LB
|
Vofffka писал(а): купил как и обещал подогрев с регулятором нагрева "Емеля УК 2" главный вопрос как мне его присабачить к штатной электрике У меня "Емеля ук-2" стоит. Реле для подключения не использовал, хотя в будущем планирую его поставить и протянуть провод для них от АКБ. У емели свои фишки обогревателей, поэтому провод используешь их, а не штатный. Толстые красные провода питания "Емели" - к контактам фишки для штатной кнопки, где появляется напруга при включении зажигания. Ну и подсветку - к контактам подсветки той же фишки.
_________________ Carina E(JT) AT190L-DWMDKW Wagon XLi 03.1995 4A-FE(LB) C52 3j6 ФОТО Продам: правый поворотник оригинал б/у Новые: опоры передних амортизаторов RBI T1310F
|
|
| Вернуться к началу |
|
 |
|
Vofffka
|
Добавлено: Ср ноя 07, 2012 5:55 pm |
|
 |
| Бригадир |
Зарегистрирован: Вс сен 16, 2012 10:37 pm Сообщения: 143 Репутация: 1 [ ? ]
Машина: Toyota Carina Е GTSi
Год выпуска: 1993
Двигатель: 4A-FE 1.6 STD
|
|
Блин товарищи! дошёл до всего а вот как снять обишивку и запихать туда подогрев до этого дело тока щас дошло... снял сиденье принёс домой сижу и смотрю на него.... может кто ссылку подскажет?!
_________________ 
|
|
| Вернуться к началу |
|
 |
|
Женя-BOND
|
Добавлено: Ср ноя 07, 2012 6:01 pm |
|
 |
| Герой былин народных |
 |
Зарегистрирован: Пн мар 02, 2009 6:24 pm Сообщения: 3619 Откуда: Нижний Новгород Репутация: 156 [ ? ]
Машина: Carina E
Год выпуска: 1992
Двигатель: 4A FE LB
|
|
Vofffka, там на сидухах есть лепестки железные. Их отогни. На спинках молнию расстегни - поднять можно.
Полностью в принципе и не требуется снимать
Добавлено спустя 1 минуту: На сидухах есть еще поперечная перетяжка железная. Снять можно.
_________________  Carina Евгеньевна, 4A-FE, 1.6, LB, 101 л.с., седан, МКПП, GLi, '92, япона-мама // Ты должен сделать добро из зла, потому что его больше не из чего сделать// 
|
|
| Вернуться к началу |
|
 |
|
Vofffka
|
Добавлено: Ср ноя 07, 2012 6:05 pm |
|
 |
| Бригадир |
Зарегистрирован: Вс сен 16, 2012 10:37 pm Сообщения: 143 Репутация: 1 [ ? ]
Машина: Toyota Carina Е GTSi
Год выпуска: 1993
Двигатель: 4A-FE 1.6 STD
|
|
Женя-BOND а какой нить мануал?! ну допустим я просто сниму путём отрезания колечек (которые я всё таки нашёл) обшивку с сидения... а вот как быть со спинкой? там полная засада.... мtiftn рычаг поясничной поддержки да и вообще всё мешает!))
_________________ 
|
|
| Вернуться к началу |
|
 |
|
Женя-BOND
|
Добавлено: Ср ноя 07, 2012 6:11 pm |
|
 |
| Герой былин народных |
 |
Зарегистрирован: Пн мар 02, 2009 6:24 pm Сообщения: 3619 Откуда: Нижний Новгород Репутация: 156 [ ? ]
Машина: Carina E
Год выпуска: 1992
Двигатель: 4A FE LB
|
|
Vofffka, ты ни разу не разбирал сидухи?
_________________  Carina Евгеньевна, 4A-FE, 1.6, LB, 101 л.с., седан, МКПП, GLi, '92, япона-мама // Ты должен сделать добро из зла, потому что его больше не из чего сделать// 
|
|
| Вернуться к началу |
|
 |
|
Vofffka
|
Добавлено: Ср ноя 07, 2012 6:14 pm |
|
 |
| Бригадир |
Зарегистрирован: Вс сен 16, 2012 10:37 pm Сообщения: 143 Репутация: 1 [ ? ]
Машина: Toyota Carina Е GTSi
Год выпуска: 1993
Двигатель: 4A-FE 1.6 STD
|
|
Женя-BOND у меня машина второй месяц всего.... и судя по тому что я там вижу в процуессе их вообще ни разу не разбирали.... все колечки на месте родные....
_________________ 
|
|
| Вернуться к началу |
|
 |
|
Женя-BOND
|
Добавлено: Ср ноя 07, 2012 6:17 pm |
|
 |
| Герой былин народных |
 |
Зарегистрирован: Пн мар 02, 2009 6:24 pm Сообщения: 3619 Откуда: Нижний Новгород Репутация: 156 [ ? ]
Машина: Carina E
Год выпуска: 1992
Двигатель: 4A FE LB
|
|
Vofffka, там есть у каждой крутилки и ручки поясничной поддержки железные фиксаторы. Их просто за "горб" перпендикулярно оси вращения вытаскиваешь. Пласмасска сама со шлицов сойдет
Добавлено спустя 36 секунд: потом уже в принципе интуитивно понятно, что дальше делать.
_________________  Carina Евгеньевна, 4A-FE, 1.6, LB, 101 л.с., седан, МКПП, GLi, '92, япона-мама // Ты должен сделать добро из зла, потому что его больше не из чего сделать// 
|
|
| Вернуться к началу |
|
 |
|
Vofffka
|
Добавлено: Ср ноя 07, 2012 6:29 pm |
|
 |
| Бригадир |
Зарегистрирован: Вс сен 16, 2012 10:37 pm Сообщения: 143 Репутация: 1 [ ? ]
Машина: Toyota Carina Е GTSi
Год выпуска: 1993
Двигатель: 4A-FE 1.6 STD
|
|
Женя-BOND так со спинкой разобрался... приклеил.... а на сидении надо резать колечки точно?!
_________________ 
|
|
| Вернуться к началу |
|
 |
|
Бэндэр
|
Добавлено: Ср ноя 07, 2012 6:38 pm |
|
 |
| Внесен в большую энциклопедию |
 |
Зарегистрирован: Ср дек 24, 2008 9:59 pm Сообщения: 2449 Откуда: Нижегородская обл.Заволжье Репутация: 66 [ ? ]
Машина: Carina-E -хорошая была машина
Год выпуска: 1992
Двигатель: 4AFE LB
|
а я под чехлы присабачил подогревы- и усе 
_________________ обновленный файл-исходник для клубных наклеек, шильдиков, номерных рамок и куча всего: download/file.php?id=28352
|
|
| Вернуться к началу |
|
 |
|
Allegator
|
Добавлено: Ср ноя 07, 2012 6:39 pm |
|
 |
| Заслуженный |
 |
Зарегистрирован: Ср авг 10, 2011 11:30 pm Сообщения: 996 Откуда: г. Бор Репутация: 38 [ ? ]
Машина: Carina E SportsWagon;33021
Год выпуска: 1993
Двигатель: 4a-fe LB
|
|
Ребят, сегодня сосед по гаражу подсказал такую схему подключения. См. прил. Смысл в том, что в режиме хай плюс появляется на контакте 6, а минус на контакте 3. Сл-но обогревы работают параллельно. В режиме лоу - плюс на контакте 3, а минус на контакте 6. Что скажете?
| Вложения: |

071120121000.jpg [ 332.61 КБ | Просмотров: 10383 ]
|
_________________ Speсial Edition. Грузоперевозки. Газель.
|
|
| Вернуться к началу |
|
 |
|
Бэндэр
|
Добавлено: Ср ноя 07, 2012 6:44 pm |
|
 |
| Внесен в большую энциклопедию |
 |
Зарегистрирован: Ср дек 24, 2008 9:59 pm Сообщения: 2449 Откуда: Нижегородская обл.Заволжье Репутация: 66 [ ? ]
Машина: Carina-E -хорошая была машина
Год выпуска: 1992
Двигатель: 4AFE LB
|
|
страница №2 темы- обсуждали уже о смене этих плюсов на минусы, не выйдет....
_________________ обновленный файл-исходник для клубных наклеек, шильдиков, номерных рамок и куча всего: download/file.php?id=28352
|
|
| Вернуться к началу |
|
 |
Кто сейчас на конференции |
Сейчас этот форум просматривают: нет зарегистрированных пользователей и гости: 0 |
|
Вы не можете начинать темы Вы не можете отвечать на сообщения Вы не можете редактировать свои сообщения Вы не можете удалять свои сообщения Вы не можете добавлять вложения
|
|